JUKI_2050说明书_.pdf - 第313页

第 5 章 其 它功能 RcvO3 5-2-2-5 生 产时的 暂停选 项设定 设定生 产时的 动作. 7 有 无兀件 检杳中 发生直 空 错误时 不贴片 设究 在楼 农有 无元 件时对 真空气 竹判 定为* 无元件 工 激光检 式判定 为 “有 元件” 的元 件进行 的贴片 动作. 1 ' 吸 取时, 对真 空检查 判定为 “无元 件”、 激 光检查 判定为 .有 元件 ”的, 根据 元件废 弃的设 置度弃 元件, 不进行 …

100%1 / 378
5
它功能
RfivO3
5-2-2-
4
产的功
2
选项
的设定
定牛:
产时的
操作。
5
-
9
生产
的功触
2
选项
序号
项目
内容
状态
近行
及洋细
内容
1
循环
椁止
时不
要撤出
置在循
环停止
时是否
基板。
在生产
中按
F
单循
环犍时
,生产
一块
基板质
不振出
基板,
行:
小心站
!'.1
-
除基板
固定并
暂停.
椒
START》
犍,
再进行
生产.
基板排
出到后
道工
序后给
束生产
.
2
检查激
光传感
器弄脏
世鼠
8
扳送
入时是
否用激
光校在
脏;
L
搬入
基板、
动到等
待位置
后,
进行
激光脏
3
检育。
测到脏
污后,
暂停.
另外,
再开
始转再
检查,
还有脏
污,
显示片
问是检
农电
是强
行维续
生产.
1":
分进
行激
光脏泪
检农.
3
踪吸取
后检查
S0T
讨置再
吸取位
置检自
二端子
SOT
元件
方向
w
P
跟踪吸
取位
'丽,
若是
:端
j
SOT
元件
则进行
"1
句检瓦
r;
型进
行跟
踪吸取
后检农
SCT
方向
4
跟踪吸
取后注
仃验证
如印
吸取后
进行验
i
正.
跟踪晚
取位置
后进行
验证
检直.
不进
行验巡
粒化
5
板输入
/输出
传感器
进行自
动检查
设置
1
N
锻冲
器、
"T
级冲器
传送动
力」
日发生
镜后
开始注
产肘
卜群、
0LT
暖冲
器并无
基板进
行检心
生产
开始斜
不检连
基板,
r
生产开
始时,
如基
板残留
在传
感器
上恒
.则自
监性感
器自动
启动.
6
备相同
兀件
送料器
置按输
入顺
序生
产时预
备相同
工件送
料器.
如有替
我送
料器,
在此
件用
好安从
替代送
科器中
吸取北
件。
r.
不很备
相同元
件送
科器。
5-30
5
它功能
RcvO3
5-2-2-5
产时的
暂停选
项设定
设定生
产时的
动作.
7
无兀件
检杳中
发生直
错误时
不贴片
设究
在楼
农有
无元
件时对
真空气
竹判
定为*
无元件
激光检
式判定
“有
元件”
的元
件进行
的贴片
动作.
1
'
取时,
对真
空检查
判定为
“无元
件”、
光检查
判定为
.有
元件
”的,
根据
元件废
弃的设
置度弃
元件,
不进行
贴片.
在
贴片前
和图像
识别前
《似眼
于图像
定心)
的真空
检查判
定为“
无元件
K
的,
不进
行激光
检查,
而根据
元件废
弃的设
置废弃
元件,
不进行
贴片.
即使.
真空检
较发生
错误,
在吸
取时、
贴片前
一、
图像识
别前进
行微
光检/
,对激
光检
行判定
为有元
件的.
进行
贴片.
8
查激光
面接触
设究是
否检传
激光而
接触.
检和
激光而
接触,
是指:
过激光
对第一
次元件
吸取状
态进行
。n
ce"
检测,
判定为
“接
触”
时作
为元件
用完错
误处理
,以
防止激
光识别
时即
勒的
元件接
触激光
而选成
伤推.
检杏
激光面
接触.
究为默
认情.
r
不检宣
激光而
接触.
9
安装吸
嘴时,
量吸嘴
高度
安装吸
嘴时川
激光测
场城
啼而
度的功
能。
通过
掌握实
际刑量
的吸嘴
高度,
在识别
元件时
准确地
把握其
方向
位置.
要保证
识别超
薄型元
件的稳
定性,
或在
识别图
像时需
要在摄
像机与
元件间
保持一
定距离
(■例
如引脚
太细、
出部的
排列距
离很小
时),
可使
用此顶
功能.
在安
装对应
0
2
元件
f
选项)
的专用
9
嘴时.
管是否
设置此
法项,
都必
须测
量吸嘴
高度。
对全部
吸嘴,
安装时
都要测
鼠高度
.
只对
0402
元件
岁用的
509
吸嘴
,
安装
时要测
卡高
度.
《贴装
040
件时,
要对应
0402
件对应
的选项
功能。
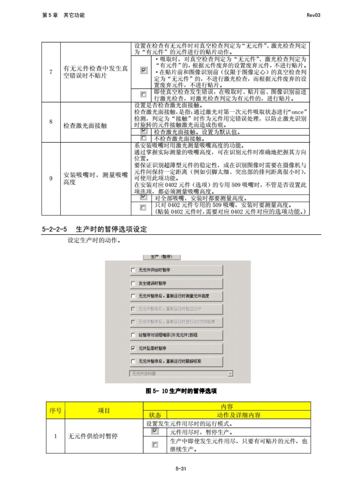
近一色
吃…」
r
无元
件供给
时暂停
r
发例
时暂停
r
无元件
桶椁后
,重
新运
桁时
制量无
伴高度
r
无元件
后停后
孟和
恒行时
时伴
r
无元件
唇博得
.
竟/
运行
时进否
立方
向检违
r
的智停
对话
底晤添
扑充元
件]
报胡
p
件坐落
时哲传
r
无元件
通停后
,或
新运
行时跟
硼建
A
10
产时的
选项
序号
项目
内容
状态
作及详
细内容
1
无元
件供给
时暂停
置发5
二元件
用尽时
的运行
模式.
*
元件用
尽时,
暂停
生产.
生产中
即使发
生元件
用尽,
要有可
贴片的
元件,
继续
生产。
5-31
5
它功能
RfivO3
2
生错误
时暂停
置出南
;时
的运行
模式.
发生
生产运
行错误
(包
括元件
用尽)
时,
暂停
生产.
在生产
中即使
发生生
产运行
错误,
只要有
用贴
片的元
件,
则继续
生产.
3
无元件
暂停后
,重新
越行时
测他元
件高度
置元件
用尽重
开始时
测量
元件高
度.
件用尽
重新开
始时测
最元件
度.
元杵
用屋
里新开
始时不
同量元
件高度
.
4
件暂
停后,
重新运
行时.
证兀件
设置元
件用尽
重新
起创
肘的
验证拴
I>0
件用尽
暂停后
重新起
的时.
行魁证
检查.
:
r;
元件用
尽皙停
后重新
起期时
进行会
m
杳.
5
件暂
停后,
重新运
行时.
进行
SOT
向检查
设置元
件用尽
重新起
动时的
SOT
方向
检截.
元件
用尽暂
停后
重新起
劫时,
进行断
方1
句检
化.
元件
用尽
暂停后
重新起
动时,
不进行
方响
检宣.
6
给暂
停时话
框增添
〔补充
JL
件厂
按钮
置生产
新停时
对元件
用尽执
行补满
功能.
在生
产暂停
时的暂
停画面
上增添
“元件
朴充”
按钮.
在元件
用尽时
以及标
记识
别出错
时的暂
停画面
上.
没有
“山件
补充”
按钮.
"元件
元充"
按钮
.可承
已用尽
原料的
送料器
(带、
驼、
散装)
补满
元件。
不配置
H
件补充
按钮.
7
JL
件奥落
时暂停
设置拉
M
对不
阿转
3
元件
坠落时
的运行
方式.
卜运狂
有效.
产中检
蔺出有
元件坠
落时,
即暂停
并显活
元件能
落.
(.在
片的最
后时
间段
进行
"件
检测)
r:
元件里
落时腰
续生产
.
8
无2件
暂停后
,重
新运
行时
踪吸取
置在7
<STAHT>
心件用
,尽、
光重试
超次智
停状态
下选择
重试,
接下
键时,
执行重
试前,
是否执
行跟踪
吸取.
执行重
试前执
行吸取
跟踪.
此时,
取跟踪
对象供
给装置
组合框
“有效
”,可
进行
选择.
指定
条件如
下:
(下述
“a”
显示为
默认值
.
a
元件
用厚的
给装置
E
元件
用尽或
用错的
所仃供
给装置
《元
件用名
的供
给装置
和所:
疗装方
相同
元件
的供
给装置
r:
不执
行吸取
跟踪.
此时,
吸取跟
踪对象
供给装
置组合
把“
无效:
七注
进行
选择。
A
过使用
单元将
“不
间断
运行"
设定为
“有效
则下述
项目将
注意
无条件
地处于
卡使用
状态,
法进行
选择.
件用尽
时暂停
出错
时暂停
件用尽
重新
起动时
测量
元件高
工件
出尽后
重新起
动时进
行验证
5-32