JUKI_2050说明书_.pdf - 第33页

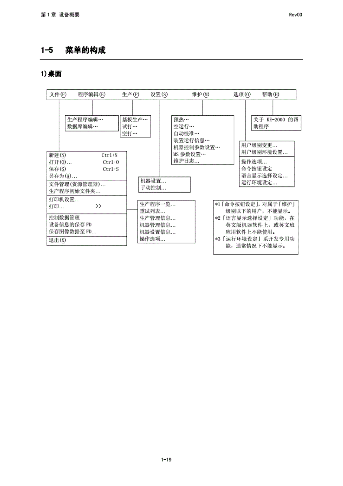
第 1 章 设 备概要 RevO3 1-5 菜单 的构成 1) 桌面 1-19

100%1 / 378
1
备概要
RevO3
1*8
语晚明
略语
申文
英语
ATC
自动工
具交换
装置
(Auto
Tool
Changer)
BMR
坏板
标杷识
别器
(Bad
Mark
Reader)
CTS
元件检
验系统
(Component
Verification
Systen)
DTS
取托
盘支架
(Dual
Tray
Server)
EPU
外部编
程装置
(External
Prograuming
Unit)
FKU
点腰块
激光
校准
(Focused
Modular
Laser
Align)
1
送料攀
合位置
指示器
(Feeder
Position
Indicator)
HLC
主生产
制赛机
(Host
Line
Computer)
高度测
量域量
(Height
Measurewnt
System)
HOD
(Handheld
Operating
Device)
MNU
吸嘴激
光校准
(Multi
Nozzle
Laser
Align)
WFC
阵托盘
地盘
(Matrix
Tray
Changer)
K'S
矩阵
托盘服
务胃
(Hfitrix
Tray
Server)
occ
(Offset
Correction
Camera)
pre
基板
(Printed
Wiring
Board)
vcs
图像中
别元件
性章修
正装置
(Vision
Centering
Systen)
E8
1
备概要
RevO3
1-5
菜单
的构成
1)
桌面
1-19
1
备概要
RevO3
2)
序编辑
优化
表示
d
机器
操作m
数据库
帮助
(H)
生产片
也值》
求化
处}…
CtrJ+K
标记数
据库
生产程
序复制
值)…
展开枯
贴他…
像仪制
贴片役
式口…
吸取
也置
叵)…
取高度
协…
识别w
共面
性检查
化)…
板送入
QJ
基物送
6…
基板
宽度自
动谑
整编
”,
选项
®
供给短
量第)
前面
世)…
面城)
数据完
成情况
位)
那弼
肘:
W.一
所有
元件但
I
元件
类别通
Ctrl+C
Ctrl+V
Cirl-Hr
CtrJ+F
F7
Shi
ft
7
基板数
据)
贴片
数据回
件数据
(0
取数据
(1)
像数据
j
BOC
{M…
送料
庭台时
更改
元件
老房
北仲分
布情况
文件
00
编辑
tE)
数据
0
I
送料袋
配置…
1
具栏
ClM+E
Ctrl+«
单独
10}
连续也
卜"
忆沱
垣)
坐标
系代)
〉〉
命去
F1
本信息
(公…
0
测定颂
检套①
确认
久)
管理
序数据
…
吸嘴
分配的
产管理
信息
优化研
出包)
剧除面
复制
粘贴
插入行
Q)
分行
跳过
小…
拉索的
检索
前面因
索后面
(整
替换
{U-.
制单人
(5
常贴
单元
登录
出一览
《公…
新谢出
《出…
分开贴
片数据
化)…
吸睛分
布…
辱件
供绪数
值}…
新建
很)
Ctrl+K
二笄
.0
Ctrl+0
鞭盖
保看
3
Ctrl+S
另存
为区…
“而
境宿定
u…
南程序
褊辑
凌)
1-加