yhp-2_e - 第17页
PAGE 1 YHP-2 (KGK) FD Over view INPUT: AC50/60Hz 4.0A(MAX) CONTROL:1PH 100V MOTOR:3PH 220V OUTPUT: DRIVER CONTROL BOX MONITOR SELECTION FDD FRONT PANEL Each Cameras Each Motors Filter Contactor Noise Protector Circuit Tr…

PAGE 14
YHP-2 (KGK) FF
Air circuit
300V-03
KM23
8(ORANGE)
8(ORANGE)
KM-11
040M12AJ 1~7 A040
-4E1-PLL 8~12 BP
F300-03
-BG-A
R300-03
SL12-03
GS1-50
-DL-41W
SLY10-03
TL4-02
TSH4-M5
USD10-8
YMDA 16X35
YMDAL 16X30
MAIN STOPPER
SUB STOPPER
EXIT STOPPER
NOZZLE STN.
CLAMP
SC4-M5A
SSU4
YMDA 16X35
YMDAL 16X30
SL4-M5
SL4-M5
MANUHOLD
KGK-M1141-000
MANUHOLD
KGK-M1141-000
TSS4-01
TSH8-01
PLUG
K40-M8598-000
BF4
BF4
TL8-01TT8-01
stn.20stn.1 stn.2 stn.3
KM-06KM-06
20123
TSS4-01
TSH8-01
PLUG
K40-M8598-000
BF4
BF4
TL8-01TT8-01
stn.120
stn.101
stn.102 stn.103
KM-06KM-06
120101 102 103
8(ORANGE)
4 (ORANGE)
4
(BLACK)
UY8
ATS
SL8-01
UC4
UY4
HI-CAPPLER
PLUG 30PM
(ORANGE)
10(ORANGE)
4
(ORANGE)
8(ORANGE)
SL4-M5
BDADS 10X10-ZC130A2
SL4-M5
YMDA 16X35
10(ORANGE)
SL4-M5
USD10-8
UED8-4
UP8
UP4
LIGHT
LIGHT
UP/DOWN
LIGHT
YMDAS 10X20-ZE135A2
VALVE ASSY 20-R
KGA-M3410-200
SL12-03
VALVE ASSY 20-L
KGA-M3410-400
VALVE ASSY 8-R
KGA-M3410-800
UP4
UP4
UP4
UP4
UP4
UP4
US10
USD10-8
UL10
Y-AXIS
X-AXIS
UP4
A010E1-PLL-59W
4(CLEAR)
4(CLEAR)
TB4-M5TB4-M5
MICRO EJECTOR
ME07M2A-030W
KGA-M8182-000
SL8-01
TLR4-M5TLR4-M5
HEAD 2HEAD 1
TSH4-M5
TSH4-M5
PLF050
UY4
UY4
TSH4-M5
TSH4-M5
TSH4-M5
TSH4-M5
4(CLEAR)
4(ORANGE)
8(ORANGE)
TL6-01
TL4-01
TL4-01
UP4
UP4
TL4-01
TL6-02
TL4-02
4(CLEAR)
4(ORANGE)
UL4
US4
UL4
US4
UYD8-6
8(ORANGE)
6(ORANGE)
6(ORANGE)
FORCE CONTROL UNIT
KGK-M8351-00X
US10
US4
US4
No. PART NO. PART NAME
Q'TY
REMARKS
1
2
4
5
6
1
7
8
9
10
11
12
13
16
15
2
20
21
22
23
24
25
26
27
28
29
1
1
1
1
1
1 or 2
1 or 2
*
*
*
1
1
14
3
1
17
18
19
1
8-30D3MODULE ADAPTER KG7-M8503-000
30PM KG7-M8512-000 JOINT
KG7-M8513-000
KG7-M8501-000
KG7-M8502-000
KH5-M8501-000
KG7-M8504-001
KG7-M8596-002
KM0-M8582-000
KM0-M1141-000
K40-M8598-000
KGA-M3410-*00
JOINT
AIR FILTER
MIST FILTER
EXHAUST VALVE
REGULATOR
PRESURE GAUGE
VALVE
MANUFOLD
PLUG 1 (R 1/8)
VALVE ASSY *
3/8" M-F ELBOW
F300-03-BG-A
MF300-03-A
300V-03
R300-03
GS1-50-DL-41W
KV8-M7535-010
KV7-M9612-001
KGK-M9283-000
VALVE
AIR CYLINDER ASSY.
CYL.,YMDAL 16X30
BDADS 10X10
YMDAL 16X30
KV7-M9283-000 CYL.,YMDA16X35 YMDA 16X35
KV8-M7522-010 CYLINDER ASSY
1
YMDAS 10X20
1
KW7-M8332-B0X
PRECISION REGULATOR
KM4-M8588-00X
1
AQUMRATE REGULATOR
KGA-M8182-00X
1
MICRO EJECTOR
KGK-M8351-00X
2
FORCE CONTROL UNIT
KGK-M8350-00X
1
FILTER
PA
R
PA
R
13
4
8-30D3
15
12
13
11
10
1
M-F ELBOW3/8"
2
3
5
6
8
9
12
11
16
15
15
SC4-M5A
SC4-M5A
KM-03
BF4BU-M3
US4
UEF4BU-M3
19
18
MF300-03-A
VALVE (for spare)
KGA-M37P1-000
PRECISION REGULATOR/PR100
KW7-M8332-B0X
AQUMRATE REGULATOR/IR2020
KM4-M8588-00X
21
22
24
23
25
4(BLACK)
4(BLACK)
HEAD 1
HEAD 2
FEEDER PLATE
FEEDER PLATE
AIR SOURCE
4(ORANGE)
12
8(ORANGE)
4(ORANGE) 4(ORANGE)
4(BLACK)
AME07-E2-12W

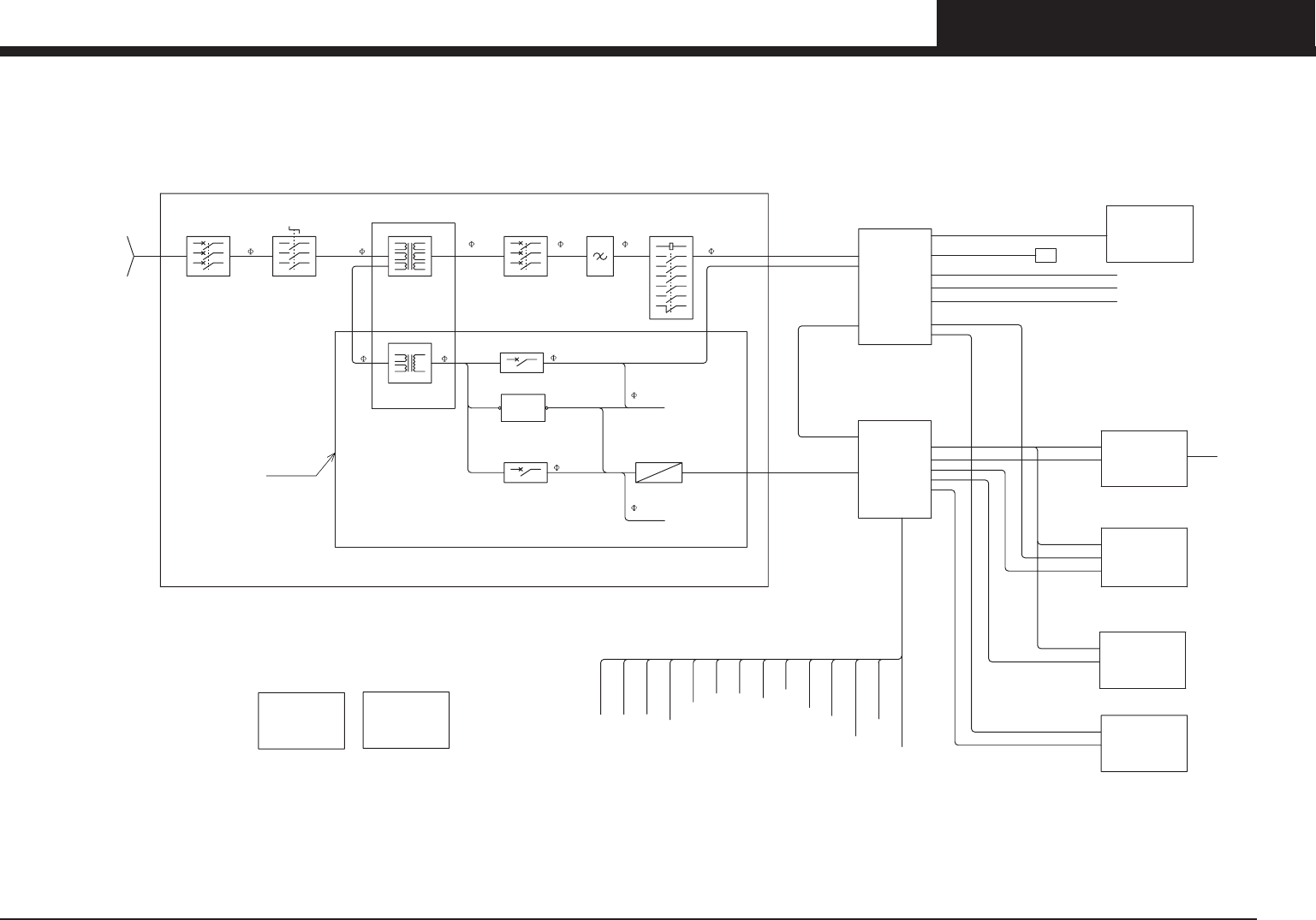
PAGE 1
YHP-2 (KGK) FD
Over view
INPUT:
AC50/60Hz 4.0A(MAX)
CONTROL:1PH 100V
MOTOR:3PH 220V
OUTPUT:
DRIVER
CONTROL BOX
MONITOR SELECTION
FDD
FRONT PANEL
Each Cameras
Each Motors
Filter Contactor
Noise
Protector
Circuit
Transformer
Main Switch
Set 13A
NF11QF31 10ATM11 2.48KVA
QS11QF11
380/400/416V
200/208/220/240
Main Breaker
3
AC220V
KM10/KM10A
3~50/60Hz
POWER TRANSFORMER
TERMIANL
Transformer
1
QF22 5A
AC100V
QF21 5A
AC100V AC100V
XT21
Terminal
AC100V
Rating 4.4KVA MAX.
TC11 0.75KVA
See Page 9
NOTE 1
See page 11
See Page 2
See Page 7
EMERGENCY
CIRCUIT
FEEDER
STRUCTURE
See Page 10
EMG S/W
SIGNAL TOWER
COVER S/W
AREA SENSOR
AC220V
P40
P21
COMU
DC24V
HEAD SENSOR,
VALVE
A1
See Page 12,13
COMU
See Page 3-5
See Page 6
COMU
YWF
WAFER ATS
See Page 8
CAMERA UNIT
COMU
P50
DC24V
See Page 3
See KGP-000-CNx
page 1
I/O CONVEYOR
CARIBRATION BOARD
BOARD ASSY I/O HEAD BOARD
ASSY
ASSY
CONVEYOR SENSOR
REAR OPERATION
FRONT OPERATION
PANEL
PANEL
CONVEYOR MOTOR
30W
OT.ORG SENSOR
TRAY FEEDER
FRONT WAFFLE
TRAY FEEDER
DIPPING UNIT 2
DIPPING UNIT 1
REAR WAFFLE
CONVEYOR VALVE
AC50/60Hz 10A(MAX)
3PH 200V 0~150Hz
1:3.18KW(TOTAL)
2:0.46KW(TOTAL)
3:0.94KW(TOTAL)
DC24V
Power Supply
GS21 DC24V 14A
CRT1
CRT2
3
1
1
AC100V
1
AC100V
1
AC100V
1
3
AC220V
3
AC220V
3
3
NOTE1:This part on this drawing is applicable only for standard specification(without ups).
If the UPS is equipped onto the machine as option,refer to the drawing of
"KGK-M6567-000-CPx:UPS POWER CIRCUIT DIAGRAM".
2004.04

PAGE 2
YHP-2 (KGK) FD
Control box
EXT.PWR
J28
EXT.PWR
FRONT PANEL
PE
AC IN
CD-ROM
J141
J144
J143
J122
J121
J123
AC IN
J72
Y1P
Y2P
PUP
J625
J626
J622
J623
J133
J134
J132
J131
DRIVER 1
DRIVER 2
DRIVER 3
SERVO 1
SERVO 2
SERVO 3
J126
J127
J150
Z1M
R2M
CZM
Z1M
R2M
CZM
J129
J128
J147
J148
J138
J136
J135
J137
J151
J149
J145
J146
A_CAM1
CAMERA1
PLATE
MO1
MO2
MO3
MO4
MO5
MO6
PI2
PI1
PI3
PI4
PI5
PI6
MO1
MO2
MO4
MO3
MO5
MO6
PI1
PI2
PI3
PI5
PI6
(X,PU,Y1,Y2)
(Z1,W,R1,R1*)
(R2,Z2,-,-)
(R2*,C1,-,LZ)
(LX,LU,LR,LT)
(LY,LS,LP,LH)
(X,PU,Z1,W)
(Y1,Y2,R1,R1*)
(R2,R2*,Z2,C1)
(-,-,-,LZ)
(LX,LY,LU,LS)
(LR,LP,LT,LH)
XZ1P
R1M
Z2M
Z2M
R1M
J142
M2
YP
YM
M3
YP
YM
M10
WM
WP
M11
PUM
PUP
Y1
Y2
PU
Y1M
Y2M
W
J125
ZIP
Z2CP
R2P
R1P
Z2CP
R2P
R1P
J130
X-BEAM
M1
XP
XM
X1
X
X1
Z1P
XP
D_CAM1
D_CAM2
D_CAM3
L.CTL1
D_CAM4
A_CAM1
A_CAM2
VISION 2
CAMERA UNIT
J628
J627
YWF (OPTION)
X XM
R1P
A_CAM1
J501
VISION 1
J139
J500
BUZZER
J109
WP W
HA1
See KGP-000-CNx page 1
See KGP-000-CNx page 1
A_CAM2
D_CAM2
CAMERA UNIT
See Page 8
D_CAM1
J503
CAMERA UNIT
See Page 8
L.CTL1
J506
CAMERA UNIT
See Page 8
D CAM2 (OPTION)
J21
AC100/220V
YWF
See KGP-000-CNx page 1
YWF
See KGP-000-CNx page 1
YWF
See KGP-000-CNx page 1
YWF
See KGP-000-CNx page 1
YWF
See KGP-000-CNx page 1
YWF (OPTION)
J624
PI4
YWF (OPTION)
J101
INTERFACE
See Page 3,5
YWF (OPTION)
J228
I/O CONVEYOR
(CN5)
See Page 3
J504
KGK-M4100-xxx
D_CAM4
D_CAM3
I/O CONVEYOR (CN22,40)
CZP
CZM
M8
CZP
TK01/0V
L.CTL2-1
D_CAM2-1
L.CTL1-1
ACAM1-1
DCAM1-1
DCAM1-2
A CAM1-1
M4
Z1P
Z1M
Z1P
Z1M
DUCT X
FLEXIBLE
FLEXIBLE
DUCT Y
Z1-AXIS 100W
42 MAX 4500rpm
M5
Z2P
Z2M
Z2P
Z2M
M6
R1P
R1M
R1P
R1M
R2P
R2M
EN1
R1E R1E
R2E
PU-AXIS 200W
X-AXIS 750W
Z2-AXIS 100W
R1-AXIS ENCODER
42 MAX 4500rpm
86 MAX 4500rpm
35 MAX 4500rpm
R1-AXIS 30W
CZ-AXIS 30W
35 MAX 2000rpm
Y1-AXIS 1KW
86 MAX 4500rpm
86 MAX 4500rpm
Y2-AXIS 1KW
W-AXIS 100W
42 MAX 750rpm
54 MAX 1000rpm
CZ-AXIS (OPTION)
CZM
DCAM2-1
J112
or
J113
PU BK
SYSTEM
KEY/MS
LAN
Operation Monitor SEL.
See Page 7
CONTROL BOX A1
USB1
USB2
USB4
J110
USB3
USB3
SERIAL1
J211
or
J214
SERIAL1
DVI
See Page 9
WIN BUZZER
LZM
YWF
See KGP-000-CNx page 1
LZ
YWF (OPTION)
J674
FDD
A14
1.44MB
E1 (3turn)
VE1
(0turn)
FDD
KY/MS
J117
or
J118
I/O A
I/O A
J114
UPS
UPS (OPTION)
See KGK-M6567-000-CPx
UPS
J111
UPS(SIGNAL)
J624
2004.04