yhp-2_e - 第19页
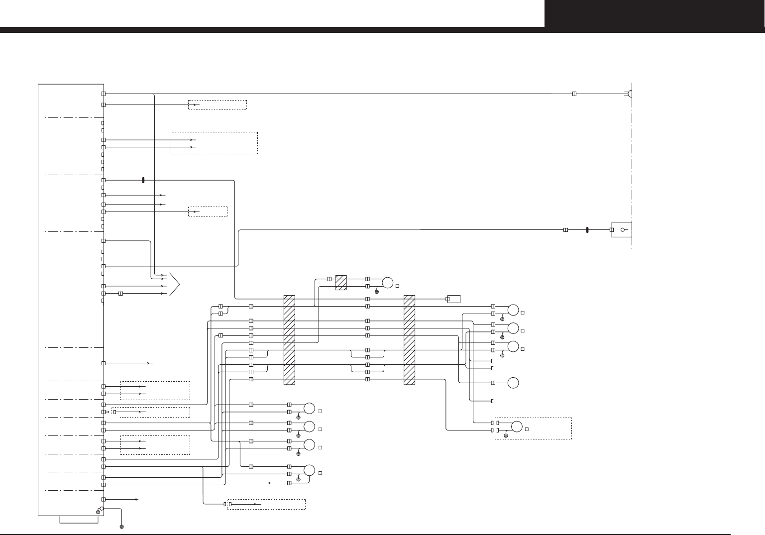
PAGE 3 YHP-2 (KGK) FD I/O conveyor (1/3) J207 J209 CN1 CN2 CN1 CN2 DO0,1 DO4,5 F.FEEDER(OPTION) See Page 12,13 R.FEEDER(OPTION) J181 CN3 F.O.PANEL CN3 J107 CN4 CN4 C/V MOTOR F.RESET F.READY F.ERROR CLEAR F.STOP SB26 SB2…

PAGE 2
YHP-2 (KGK) FD
Control box
EXT.PWR
J28
EXT.PWR
FRONT PANEL
PE
AC IN
CD-ROM
J141
J144
J143
J122
J121
J123
AC IN
J72
Y1P
Y2P
PUP
J625
J626
J622
J623
J133
J134
J132
J131
DRIVER 1
DRIVER 2
DRIVER 3
SERVO 1
SERVO 2
SERVO 3
J126
J127
J150
Z1M
R2M
CZM
Z1M
R2M
CZM
J129
J128
J147
J148
J138
J136
J135
J137
J151
J149
J145
J146
A_CAM1
CAMERA1
PLATE
MO1
MO2
MO3
MO4
MO5
MO6
PI2
PI1
PI3
PI4
PI5
PI6
MO1
MO2
MO4
MO3
MO5
MO6
PI1
PI2
PI3
PI5
PI6
(X,PU,Y1,Y2)
(Z1,W,R1,R1*)
(R2,Z2,-,-)
(R2*,C1,-,LZ)
(LX,LU,LR,LT)
(LY,LS,LP,LH)
(X,PU,Z1,W)
(Y1,Y2,R1,R1*)
(R2,R2*,Z2,C1)
(-,-,-,LZ)
(LX,LY,LU,LS)
(LR,LP,LT,LH)
XZ1P
R1M
Z2M
Z2M
R1M
J142
M2
YP
YM
M3
YP
YM
M10
WM
WP
M11
PUM
PUP
Y1
Y2
PU
Y1M
Y2M
W
J125
ZIP
Z2CP
R2P
R1P
Z2CP
R2P
R1P
J130
X-BEAM
M1
XP
XM
X1
X
X1
Z1P
XP
D_CAM1
D_CAM2
D_CAM3
L.CTL1
D_CAM4
A_CAM1
A_CAM2
VISION 2
CAMERA UNIT
J628
J627
YWF (OPTION)
X XM
R1P
A_CAM1
J501
VISION 1
J139
J500
BUZZER
J109
WP W
HA1
See KGP-000-CNx page 1
See KGP-000-CNx page 1
A_CAM2
D_CAM2
CAMERA UNIT
See Page 8
D_CAM1
J503
CAMERA UNIT
See Page 8
L.CTL1
J506
CAMERA UNIT
See Page 8
D CAM2 (OPTION)
J21
AC100/220V
YWF
See KGP-000-CNx page 1
YWF
See KGP-000-CNx page 1
YWF
See KGP-000-CNx page 1
YWF
See KGP-000-CNx page 1
YWF
See KGP-000-CNx page 1
YWF (OPTION)
J624
PI4
YWF (OPTION)
J101
INTERFACE
See Page 3,5
YWF (OPTION)
J228
I/O CONVEYOR
(CN5)
See Page 3
J504
KGK-M4100-xxx
D_CAM4
D_CAM3
I/O CONVEYOR (CN22,40)
CZP
CZM
M8
CZP
TK01/0V
L.CTL2-1
D_CAM2-1
L.CTL1-1
ACAM1-1
DCAM1-1
DCAM1-2
A CAM1-1
M4
Z1P
Z1M
Z1P
Z1M
DUCT X
FLEXIBLE
FLEXIBLE
DUCT Y
Z1-AXIS 100W
42 MAX 4500rpm
M5
Z2P
Z2M
Z2P
Z2M
M6
R1P
R1M
R1P
R1M
R2P
R2M
EN1
R1E R1E
R2E
PU-AXIS 200W
X-AXIS 750W
Z2-AXIS 100W
R1-AXIS ENCODER
42 MAX 4500rpm
86 MAX 4500rpm
35 MAX 4500rpm
R1-AXIS 30W
CZ-AXIS 30W
35 MAX 2000rpm
Y1-AXIS 1KW
86 MAX 4500rpm
86 MAX 4500rpm
Y2-AXIS 1KW
W-AXIS 100W
42 MAX 750rpm
54 MAX 1000rpm
CZ-AXIS (OPTION)
CZM
DCAM2-1
J112
or
J113
PU BK
SYSTEM
KEY/MS
LAN
Operation Monitor SEL.
See Page 7
CONTROL BOX A1
USB1
USB2
USB4
J110
USB3
USB3
SERIAL1
J211
or
J214
SERIAL1
DVI
See Page 9
WIN BUZZER
LZM
YWF
See KGP-000-CNx page 1
LZ
YWF (OPTION)
J674
FDD
A14
1.44MB
E1 (3turn)
VE1
(0turn)
FDD
KY/MS
J117
or
J118
I/O A
I/O A
J114
UPS
UPS (OPTION)
See KGK-M6567-000-CPx
UPS
J111
UPS(SIGNAL)
J624
2004.04

PAGE 3
YHP-2 (KGK) FD
I/O conveyor (1/3)
J207
J209
CN1
CN2
CN1
CN2
DO0,1
DO4,5
F.FEEDER(OPTION)
See Page 12,13
R.FEEDER(OPTION)
J181
CN3
F.O.PANEL
CN3
J107
CN4
CN4
C/V MOTOR
F.RESET
F.READY
F.ERROR
CLEAR
F.STOP
SB26
SB25
SB24
SB23
SB22
F.ACTIVE
SB21
F.START
J183
J185
J186
J187
J184
J188
ERR.CLR.
START
STOP
READY
RESET
ACTIVE
N00660/T00241
N00661/T00242
N00662/T00243
N00663/T00244
N00664/T00245
N00665/T00246
CN2
CN3
CN2
CN3
CN1
CN1
GS21(+24V)
J48
J46
CONV+24V
See Page 9
J108
CONVEYOR MOTOR 30W
M9
UCM
J74
J228
See Page2
CN5
CN5
J208
J210
CN6
CN7
CN6
CN7
DO2,3
DO6,7
F.FEEDER(OPTION)
See Page 12,13
R.FEEDER(OPTION)
R.O.PANEL
CN8
CN8
CN9
BRAKE
DO9
SB36
SB35
SB34
SB33
SB32
SB31
R.ACTIVE
R.STOP
R.ERROR
CLEAR
R.READY
R.RESET
R.START
J189
J191
J192
J193
J190
J194
REAR OPERATION PANEL (OPTION)
ERR.CLR.
START
STOP
READY
RESET
ACTIVE
N00666/T00247
N00667/T00250
N00670/T00251
N00671/T00252
N00672/T00253
N00673/T00254
J182
J225
CN11
CN11
DO10
MAIN
STOPPER
YV20
STOPPER OF
ENTRANCE
YV25
YV26
T00220
T00221
T00222
CN13
CN10
DI7
CN12
DO14
DO18
WAFFLE TRAY,DIPPING UNIT,SWITCHER BOARD
KM10A(+24V,+24E)
See Page 5
CN10
CN12
T00223
STOPPER OF
EXIT
J215
BACK UP
VACUUM
T00224
T00227
NOZZLE ST.
YV12
RELEASE
NOZZLE STATION (OPTION)
PU-AXIS BRAKE
FRONT OPERATION PANEL
CONVEYOR MOTOR
DRIVER A2
See Page 4,5,7
J227
DO11
CN14
CN14
J704
DOT STATION
See Page 4
DOT STATION(OPTION)
J516
LDC2 UP
See Page 8
D CAM2(OPTION)
LDC2 UP
LDC2 UP
LDC1 UP
LDC1 UP
J509
See Page 8
AMF1
AMF2
T00232
T00233
DO13
DO16
CN17
CN17
CN18
DO17
DO19
CN15
CN16
HL11
HL11
BUZZER
RUN(GREEN)
ALARM(RED)
ERROR(YELLOW)
T00201
T00200
T00202
T00206
SIG.TOWER
CN19
J219
CN19
CPU WRITE
Lattice WRITE
CN20
CN21
J101
CONTROL BOX(I/O A)
See Page 2
2ND LMT
J171
J103
See Page 6
YWF
See KGP-000-CNx Page 1
COM1
COM2
See Page 5
See Page 5
J42
CALIB+24V
I/O HEAD(CN28)
YWF(OPTION)
I/O
LDCL1
SQ800
CN2
CN2
CALIBRATION UNIT(OPTION)
I/O I/O
I/O I/O
J661
J104
See Page 6
I/O HEAD(CN27)
CN22
CN22
CN23
CN23
I/O CONVEYOR (CN40)
I/O CONVEYOR (CN40)
J48
See Page 9
DC24V IN
CN24
CN24
GS21(+24V)
See Page 12
See Page 12
CONV1 FG
NOZZLE ST.
UP
T00234T00234
T00235 T00235
42 MAX 3000rpm
COVER EARTH
FRONT RIGHT
REAR RIGHT
J83
J85
I/O CONVEYOR BOARD ASSY P40
J106
CN1
KGK-M4528-xxx
CALIBRATION BOARD
ASSY P50
CALIB
CALIB
J709
KGK-M4580-xxx(1/3)
J87
CD-ROM COVER
REAR LEFT
FRONT LEFT
J84
J86
345216
ON
DIP SW(S1)
2003.11

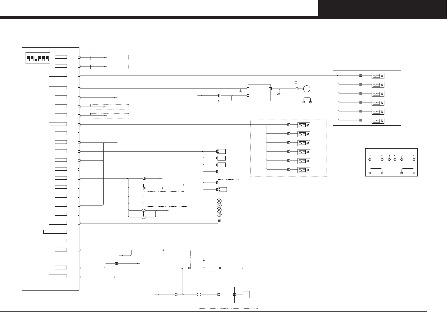
PAGE 4
YHP-2 (KGK) FD
I/O conveyor (2/3)
CN25
J258
DI0
CN25
J161
DI1
CN26
CN26
J229
DI2
CN27
CN27
N00624
N00625
J221
CN28
CN28
GATE
CAMERA UNIT
See Page 8
J252
DI4
CN29
CN29
J254
DI5
CN30
CN30
DUMP1
DUMP2
PREVB
PREVA
NEXTB
NEXTA
J222
J201
BUSY OUT/LR OUT
BA IN/UR IN
COUNT RESET
BA OUT/UR OUT
BUSY IN/LR IN
PREVIOUS INTERFACE
NEXT INTERFACE
FRONT PANEL
J223
J224
N00650
DUMP 1
SQ46
DUMP STATION (OPTION)
N00651
DUMP 2
SQ47
DUMP STATION (OPTION)
DUMP1
DUMP2
NOZZLE ST.
NOZZLE ST.
OPEN
CLOSE
SQ38
SQ39
N00626
N00627
NOZZLE STATION (OPTION)
W10RG
SQ34
SQ35
PU ORG
W1 ORG
N00602
N00601
PUORG
Y1ORG/OT
J171
See Page 6
See Page 5
I/O CONVEYOR (CN45)
SQ42A
SQ42B
N00610
N00611
AMP
F2 FEEDER FLOAT
F2 FEEDER FLOAT
SQ43A
SQ43B
SQ43C
N00611
FIX8 FRONT-2 FEEDER FLOAT SENSOR (OPTION)
N00612
N00613
N00612
SQ75A
SQ75B
F1 FEEDER FLOAT
SQ42A
F1 FEEDER FLOAT
SQ42B
SQ42C
AMP
N00610
FIX8 FRONT-1 FEEDER FLOAT SENSOR (OPTION)
N00610
F.FDR
R.FDR
J725
FIX20 FRONT FEEDER FLOAT SENSOR (OPTION)
FEEDER FLOAT
FEEDER FLOAT
FIX20 REAR FEEDER FLOAT SENSOR (OPTION)
FEEDER FLOAT
FEEDER FLOAT
Y1ORG, Y1OT SENSOR (SQ1,2)
TRNSMT
TRNSMT
I/O CONVEYOR BOARD ASSY P40
SENSOR
PRESSURE
AIR
P
SP11
N00614
KGK-M4580-xxx (2/3)
DI15
CN36
CN36
345216
ON
DIP SW (S1)
EXIT2
CONV
EXIT1
CONV
OUT
WORK
POS.
SET
POS.2
SUB
POS.1
SUB
ENT.
CONV
SQ20
SQ21
SQ22
SQ23
SQ24
SQ25
N00640
N00641
N00642
N00643
N00644
N00645
N00646
SQ26
N00647
BACK UP
VACUUM
J704
DOT.ST DI
I/O CONVEYOR
See Page 3
(CN14)
CN1
DOT ST.
CN2
M50
MOTOR
SENSOR
J707
PAPER
SQ70
PAPER
J706
NOTICE
CN3
CN4
BOARD ASSY
P70
DOT ST. MOTOR DC24V 2W
37 MAX 4500rpm
DOT STATION (OPTION)
J705
KW7-M9360-xxx
PAPER
DOT ST.
DOT ST.
SENSOR
NOTICE
SQ71
NOTICE
SENSOR
N00654
SQ27
TOUCH
TOUCH SENSOR (OPTION)
N00654
NOZZLE
NOZZLE
NOZZLE
NOZZLE
NOZZLE
1
2
3
7
8
SQ50
SQ51
SQ52
N00680
N00681
N00682
N00683
N00684
N00685
N00686
N00687
N00690
N00691
N00692
N00693
N00694
N00695
N00696
N00697
NOZZLE STATION (OPTION)
NOZZLE
NOZZLE
NOZZLE
N006F0
N006F1
N006F2
N006F3
N006F4
N006F5
N006F6
N006F7
19
20
21
SQ53
SQ54
SQ55
SQ56
SQ57
J257
J256
DI8
CN31
DI9
CN32
CN31
CN32
CN33
CN34
DI10
DI11
DI14
CN35
CN33
CN34
J215
DIP+24V
J45
GS21(+24V)
See Page 9
I/O CONVEYOR
See Page 3,5
CN35
(CN10,12,17,42,46,49)
WAFFLE TRAY
FEEDER 2
TRAY2
WAFFLE TRAY FEEDER (OPTION)
WAFFLE TRAY
FEEDER 1
TRAY1
WAFFLE TRAY FEEDER (OPTION)
DIP1
DIP2
R.WAFFLE
I/O CONVEYOR
(CN45,47)
See Page 5
J721
FIX20 REAR FEEDER (OPTION)
TRAY3
TRAY4
WAFFLE TRAY FEEDER (OPTION)
WAFFLE TRAY FEEDER (OPTION)
WAFFLE TRAY
FEEDER 3
WAFFLE TRAY
FEEDER 4
SWITCHER BOARD (EX)
See Page 7
R.WAFFLE
DIP-STATION (OPTION)
DIP-STATION 1
DIP-STATION (OPTION)
DIP-STATION 2
2003.11