yhp-2_e - 第2页
YHP-2 (KGK) FF Over view ......................................................................... Page 1 Control box ....................................................................... Page 2 I/O conveyor (1/3) ....…

Appendix
Control Wiring Diagram
YHP-2
KGK 0404
YHP-2 (KGK) FF
Over view .........................................................................Page 1
Control box.......................................................................Page 2
I/O conveyor (1/3) ............................................................Page 3
I/O conveyor (2/3) ............................................................Page 4
I/O conveyor (3/3) ............................................................Page 5
I/O head ...........................................................................Page 6
CRT select........................................................................Page 7
Camera unit......................................................................Page 8
Power circuit.....................................................................Page 9
Emergency circuit........................................................... Page 10
Power transformer terminal............................................ Page 11
Feeder structure............................................................. Page 12
Fix 8 feeder structure ..................................................... Page 13
Air circuit ........................................................................ Page 14
Table of contents
YHP-2 (KGK) FD
Over view .........................................................................Page 1
Control box.......................................................................Page 2
I/O conveyor (1/3) ............................................................Page 3
I/O conveyor (2/3) ............................................................Page 4
I/O conveyor (3/3) ............................................................Page 5
I/O head ...........................................................................Page 6
CRT select........................................................................Page 7
Camera unit......................................................................Page 8
Power circuit.....................................................................Page 9
Emergency circuit........................................................... Page 10
Power transformer terminal............................................ Page 11
Feeder structure............................................................. Page 12
Fix 8 feeder structure ..................................................... Page 13
Air circuit ........................................................................ Page 14
Wiring parts list (FF & FD Head) .................................... Page 15

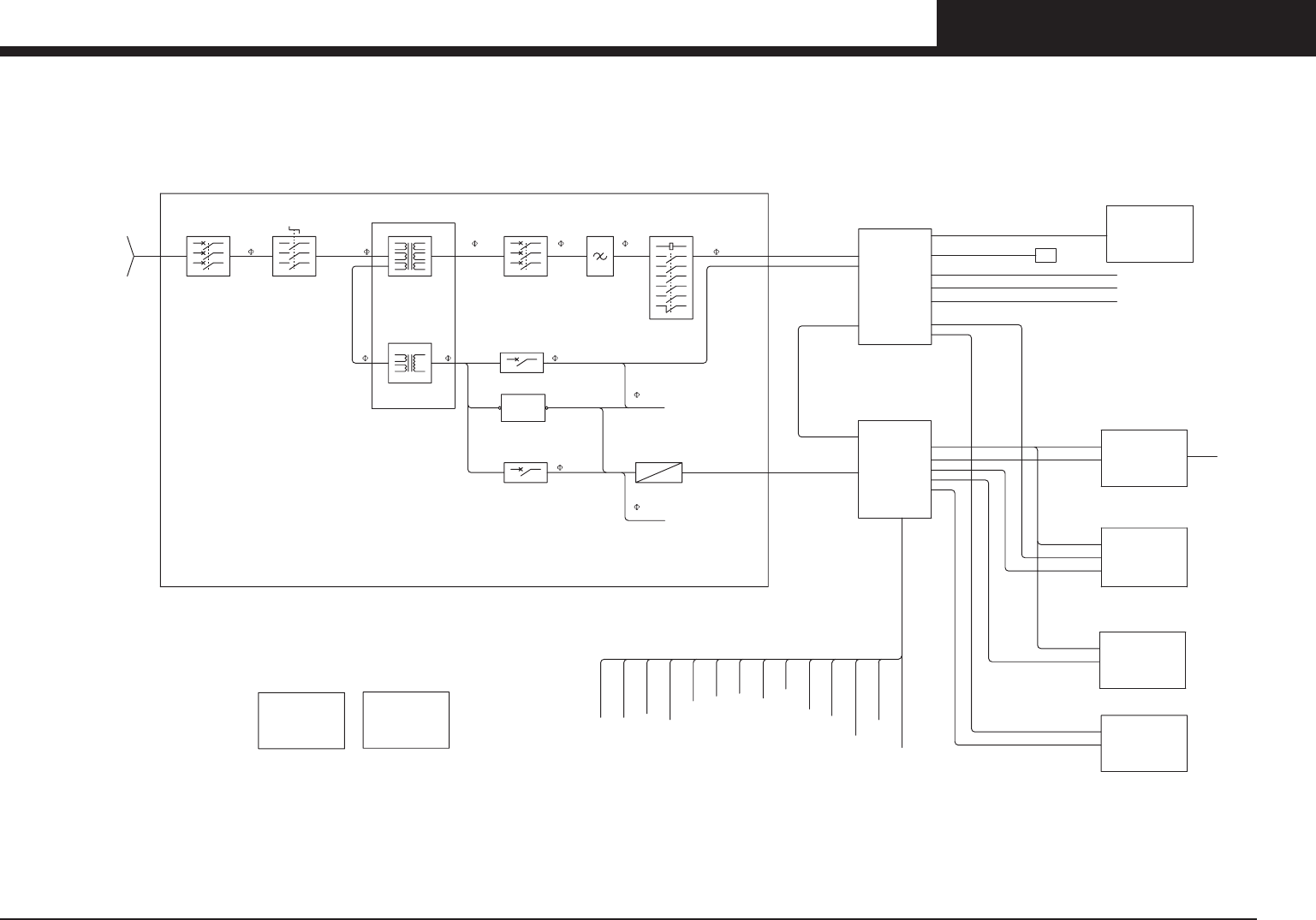
PAGE 1
YHP-2 (KGK) FF
Over view
INPUT:
AC50/60Hz 4.0A(MAX)
CONTROL:1PH 100V
MOTOR:3PH 220V
OUTPUT:
DRIVER
CONTROL BOX
MONITOR SELECTION
FDD
FRONT PANEL
Each Cameras
Each Motors
Filter Contactor
Noise
Protector
Circuit
Transformer
Main Switch
Set 13A
NF11QF31 10A
TM11 2.48KVA
QS11
QF11
380/400/416V
200/208/220/240
Main Breaker
33
AC220V
KM10/KM10A
3~50/60Hz
POWER TRANSFORMER
TERMIANL
Transformer
11
QF22 5A
AC100V
QF21 5A
AC100V AC100V
XT21
Terminal
AC100V
Rating 4.4KVA MAX.
TC11 0.75KVA
See Page 9
See page 11
See Page 2
See Page 7
EMERGENCY
CIRCUIT
FEEDER
STRUCTURE
See Page 10
EMG S/W
SIGNAL TOWER
COVER S/W
AREA SENSOR
P40
P21
COMU
DC24V
HEAD SENSOR,
VALVE
A1
See Page 12,13
COMU
See Page 3-5
See Page 6
COMU
YWF
WAFER ATS
See Page 8
CAMERA UNIT
COMU
P50
DC24V
See Page 3
See KGP-000-CNx
page 1
I/O CONVEYOR
BOARD ASSY
I/O HEAD BOARD
ASSY
CARIBRATION BOARD
ASSY
CONVEYOR SENSOR
REAR OPERATION
FRONT OPERATION
PANEL
PANEL
CONVEYOR MOTOR
30W
OT.ORG SENSOR
TRAY FEEDER
FRONT WAFFLE
TRAY FEEDER
DIPPING UNIT 2
DIPPING UNIT 1
REAR WAFFLE
CONVEYOR VALVE
AC50/60Hz 10A(MAX)
3PH 200V 0~150Hz
1:3.18KW(TOTAL)
2:0.46KW(TOTAL)
3:0.94KW(TOTAL)
DC24V
Power Supply
GS21 DC24V 14A
CRT1
CRT2
3
AC220V
3
AC220V
3
AC220V3
1
AC100V
1
AC100V
1
AC100V
1