yhp-2_e - 第25页
PAGE 9 YHP-2 (KGK) FD Power circuit 2004.04 W52 V52 U52 W54 V54 U54 KM10 V10 U11 U54 V54 W54 N 100V 100V U10 QF22 5A QF21 5A U10 U11 2.48KVA TM11 240V 220V 208V 200V 190V 0V 240V 220V 208V 200V 190V 0V 240V 220V 208V 200…

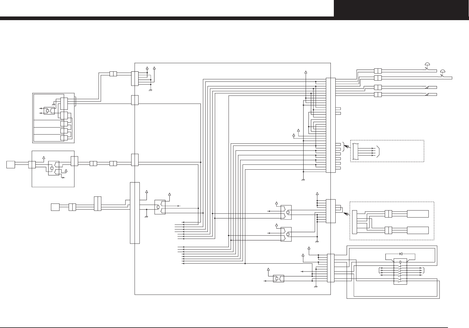
PAGE 8
YHP-2 (KGK) FD
Camera unit
VALVE
J507
J509
J508
J503
CN1
CN6
YV700
SIDE LIGHT
UP/DOWN
SQ700
SQ701
LDC1
UPPER
LOWER
LDC1
P80
RS485IN RS485OUT
24VIN
J40
J506
CN7
KV1 LED_DRIVER BOARD ASSY
D_CAM1 ASSY
J227
J229
LDC1 UP
J512
LDC2 UP
L. +24V +24V
J513
CN6
SIDE LIGHT
UP/DOWN
UPPER
LDC2
LOWER
SQ702
SQ703
LDC2
RS485IN RS485OUT
YV701
KV1 LED_DRIVER BOARD ASSY
D_CAM2 ASSY
CN7
VALVE
J514
J516
L. +24V
CN1
P81
24VIN
J510
+24V
J504
I/O CONVEYOR(CN27)
See Page 4
CN7
D CAM2(OPTION)
L. +24V
+24V
FAN
L. +24V
I/O CONVEYOR(CN14)
See Page 3
I/O CONVEYOR(CN41)
See Page 5
CONTROL BOX(D_CAM1-1)
See Page 2
DCAM1-1
D_CAM
1-1
CAMERA 1-1
DIGITAL
MULTI
D_CAM
DIGITAL
MULTI
DCAM1-2
CONTROL BOX
(D_CAM1-2)
See Page 2
1-2
CAMERA 1-2
L.CTL1
LDC1/UPPER
LDC1/LOWER
L.CTL1-1
L.CTL2
L.CTL2
LDC2/UPPER
LDC2/LOWER
CONTROL BOX(L.CTL1-1)
See Page 2
KV1-M6474-xxx
KV1-M6474-xxx
321
ON
DIP SW(SW1)
321
ON
DIP SW(SW1)
J511
J511

PAGE 9
YHP-2 (KGK) FD
Power circuit
2004.04
W52
V52
U52
W54
V54
U54
KM10
V10
U11
U54
V54
W54
N
100V
100V
U10
QF22 5A
QF21 5A
U10
U11
2.48KVA
TM11
240V
220V
208V
200V
190V
0V
240V
220V
208V
200V
190V
0V
240V
220V
208V
200V
190V
0V
240V
220V
208V
200V
190V
0V
240V
220V
208V
200V
190V
0V
240V
220V
208V
200V
190V
0V
220V
220V
200V
220V
200V
W
V
U
U12
U12
U11
QF31 10A
W52
V52
U52
W51
V51
U51
3
2
14
5
6
E
NF11
MAX250V/10A
T1
T2
T3
CRT1
QS11
240V
0V
190V
200V
208V
220V
2
4
6
1
3
5
MAX690V/25A
L1
L2
L3
T1
T2
T3
V10
V10
V10
V10
V10
0V
0V
POWER LAMP(OPTION)
QF62 1A
R
S
R2
J717
J716
X1
X2
HL22
S2
+24V
1.85A
2.5A
2.5A
2.5A
2.5A
+24VB
+24VC
+24VD
+24VE
+24VA
+24V
2.5A
0.5A
2.5A
2.5A
1.1A
2.5A
2.5A
+24VL
+24VH
+24VI
+24VJ
+24VK
+24VM
+24VN
2.5A
2.5A
+24VF
+24VG
+24E
+24EA
2.5A
+24VE
+24VH
+24VN
+24VC
V10
+24VG
+24VF
+24EA
+24VN
+24VB
+24VN
+24VD
+24VL
+24VM
J66
MAINTENANCE
FLUORESCENT LIGHT
(OPTION)
FG
6
4
21
3
5
2
1
2
1
A2
CONVEYOR
DRIVER
CN1
CONTROL BOX
A1
5
4
3
2
1
5
4
3
2
1
66
J21
AC100V:CONTROL
AC220V:
MOTOR DRIVER POWER
AC IN
U50
V50
W50
J78
S1
R1
J77
R1
J602
J608
J603
J80
R1
J611
J4
J16
T1
J607
J609
J606
J601
J605
J610
S1
J604
See Page 11
See Page 11
J14
J15
J18
J89
AWG12 (3.3sq)
22
P40
MAX440V/12A
W50
V50
U50
W51
V51
U51
J47
U12
11
V10
FG
N
L
300W
0V
+24V
2
1
2
1
CONV+24V
J81
J46
0V
4
3
2
1
4
3
2
1
+24V
+24V
0V
DIP+24V
J45
J48
See Page 4
DIPPING UNIT
J215
+24V
0V
KGK-M4100-xxx
J50
J49
(OPTION)
CRT2
FG
V10
FG
V10
U12
U11
See Page 10
CONV+24ECONV+24V 23 24
J3J3
QF11 Set13A
T
L1
L2
L3
R
S
MAX690V/18A
TC11
750VA
240V
0V
190V
200V
208V
220V
100V
V10
V10
J11
J19
J79
0V
5
4
3
2
1
8
6
7
9
10
5
4
3
2
1
8
6
7
9
10
CN24
I/O CONVEYOR
BOARD ASSY
5
4
3
2
1
5
4
3
2
1
88
6
7
6
7
9
10
11
12
10
11
12
9
2
1
2
1
L.+24V
L.+24V
J40
0V
+24V
0V
+24V
0V
+24V
0V
+24V
0V
+24V
2
1
2
1
2
1
2
1
+24V
+24V
L.+24V
L.+24V
LED DRIVER
BOARD ASSY
LED DRIVER
BOARD ASSY
D CAM2(OPTION)
2
1
2
1
CN1
2
1
2
1
CN1
P81
P80
J508
D CAM1
2
1
+24V
2
1
FAN
0V
+24V
CN41
6
5
4
3
2
1
6
5
4
3
2
1
J42
+24V
0V
2
1
2
1
IF+24V
2
1
3
4
5
3
2
1
4
5
CONTROL BOX
INTERFACE
A1
BOARD
I/O A
I/O A
FAN
2
1
2
1
0V
0V
+24V
+24V
0V
+24V
J22
FAN2
FAN
2
1
2
1
FAN3
FAN
2
1
2
1
FAN1
5
4
3
2
1
5
4
3
2
1
88
6
7
6
7
CN43
CN40
NOTE1
NOTE1: This part on this drawing is applicable only for standard specification (without ups).
If the UPS is equipped onto the machine as option,refer to the drawing of
"KGK-M6567-000-CPx:UPS POWER CIRCUIT DIAGRAM".
XT21
MAX600V/15A
GS21
KGK-M4580-0xx
P1
YWF(OPTION)
4
3
2
1
4
3
2
1
CN2
See KGP-000-CNx Page 1
TFCN2
2
1
2
1
TF+24V
J648
0V
+24V
6
5
4
3
2
1
6
5
4
3
2
1
I/O TF BOARD ASSY
+24E
0V
5
4
3
2
1
5
4
3
2
1
88
6
7
6
7
0V
+24V
2
1
2
1
TRAY2
• •
1515
33
+24E
WAFFLE
TRAY
FEEDER 2
5
4
3
2
1
5
4
3
2
1
88
6
7
6
7
2
1
2
1
0V
+24V
WAFFLE TRAY(OPTION)
TRAY1
• •
1515
33
+24E
J215
WAFFLE
TRAY
FEEDER 1
WAFFLE TRAY(OPTION)
11
R.WAFFLE
10
•
10
•
CN42
CN46
CN49
1
2
3
4
1
2
3
4
J43
2
1
2
1
+24V
J44
1.85A
0V
+24V
2
1
2
1
HEAD+24V
6
5
4
3
2
1
6
5
4
3
2
1
0V
+24V
P21
4
3
4
3
I/O HEAD
BOARD ASSY
CN28
CN44
J41
0V
+24V
2
1
2
1
• •
1515
33
+24E
WAFFLE
TRAY
2
1
2
1
0V
+24V
WAFFLE TRAY(OPTION)
• •
1515
33
+24E
WAFFLE
TRAY
WAFFLE TRAY(OPTION)
J721
TRAY3
TRAY4
FEEDER 3
FEEDER 4
5
4
3
2
1
8
6
7
9
10
11
12
5
4
3
2
1
8
6
7
9
10
11
12
FLOAT SENSOR
FLOAT SENSOR
FRONT FEEDER
REAR FEEDER
SQ42A
SQ75A
J725
2
1
2
1
2
1
2
1
F.FDR
R.FDR
0V
+24V
0V
+24V
FIX20 FEEDER FLOAT SENSOR(OPTION)
CN45
TRNSMT
TRNSMT
CN47
2
1
0V
+24V
2
1
HTR
2
1
2
1
HTR
J155
2
1
2
1
4
3
4
3
P45
CN36
TEMP
BOARD
ASSY
J154
5
4
3
2
1
8
6
7
9
10
11
12
5
4
3
2
1
8
6
7
9
10
11
12
0V
+24V
0V
+24V
0V
+24V
0V
+24V
2
1
2
1
+24V
2
1
2
1
+24V
J35
SP31
HEAD2 BLOW
PRE.GAGE
SP32
PRE.GAGE
HEAD2
VACUUM
CN48
2
1
2
1
A16
CN1
IONIZER
FRONT
2
1
2
1
CN1
IONIZER
REAR
A17
IONIZER(OPTION)
J712
J713
2
1
2
1
2
1
2
1
J714
ION+24V
ION+24V
+24V
+24V
0V
+24V
3
2
1
3
2
1
44
5
6
5
6
CN1
P50
(OPTION)
CN1
2
1
2
1
CALIB+24V
J106
0V
+24V
BOARD ASSY
CALIBRATION
J101
J510

PAGE 10
YHP-2 (KGK) FD
Emergency circuit
2004.04
FRONT EMG SW
REAR EMG SW
FRONT AREA
N00655
+24VK
1
4
3
2
5
6
1
4
3
2
5
6
2
1
2
1
+24V
+24V
0V
0V
0V
+24V
CN40
+24VC
+24VN
I/O A
+24V
0V
IF+24V
+24V
0V
EMG16
EMG16
EMG17
EMG17
0V
W54
V54
U54
W52
V52
U52
S10
EMG17
+24VN00616
13
1
3
14
2
4
6
A1 A2
5
53 54
EMG16EMG17
+24V
4
3
2
1
7
6
5
8
9
10
11
12
4
3
2
1
7
6
5
8
9
10
11
12
0V
+24V
+24V
0V
+24E
+24E
+24E
P40
I/O CONVEYOR BOARD ASSY
N006C0 CONT.GOOD
N006C1 X.OT
N006C2 Y.OT
N006C3 F.EMG
N006C4 R.EMG
N006C5 MSP EMG
N006C6 F.COVER
N006C7 F,AREA
N006D0 R.COVER
N006D1 R.AREA
N006D2 TF.EMG
N006D3 EMG SPARE1
N006D4 EMG SPARE2
N006D5 EMG SPARE3
N006D6 EMG SPARE4
N006D7 EMG SPARE5
DI16
B5
A5
B4
A4
B3
A3
B2
A2
B1
A1
+24V
0V
B5
A5
B4
A4
B3
A3
B2
A2
B1
A1
CN38
+24V
+24V
AREA1
+24V
AREA2
0V
0V
0V
EMG7
EMG8
EMG9
EMG10
REAR AREA
N00656
N00616
SERVO ON
T00283
READY OUT(NPN)
33
2
1
2
1
SQ77B
+24V
0V
AREA2
AREA EMGEMG R AREA
33
2
1
2
1
SQ44B
+24V
AREA1
0V
AREA EMGEMG F AREA
B5
A5
B4
A4
B3
A3
B2
A2
B1
A1
CN38
REAR AREA
FRONT AREA
AREA SENSOR(OPTION)
CN37
A10
B9
A9
B8
A8
B7
A7
B6
A6
B5
A5
B4
A4
B3
A3
B2
A2
B1
A1
B10
A11
B11
A12
B12
A13
B13
A14
B14
A15
B15
A16
B16
A17
B17
A18
B18
A19
B19
A20
B20
A10
B9
A9
B8
A8
B7
A7
B6
A6
B5
A5
B4
A4
B3
A3
B2
A2
B1
A1
B10
A11
B11
A12
B12
A13
B13
A14
B14
A15
B15
A16
B16
A17
B17
A18
B18
A19
B19
A20
B20
2
1
2
1
2
1
2
1
SQ151
SQ150
REAR COVER SW
FRONT COVER SW
COVER R
COVER F
2
1
2
1
2
1
2
1
SB11
SB12
EMG3
EMG4
EMG4
EMG5
EMG6
EMG7
EMG8
EMG9
STOP F
STOP R
EMG3
EMG4
EMG4
EMG5
EMG6
EMG7
EMG8
EMG9
+24V
0V
+24V
0V
EMG5
EMG6
E70
EMG8
EMG6
E60
E80
EMG11
E70
E80
E60
E70
0V
0V
+24V
+24E
EMG10
EMG11
EMG12
EMG12
EMG13
EMG13
EMG14
EMG14
EMG15
EMG15
EMG16
EMG11
23 24
See Page 5
CONV+24V
See Page 5
CONV+24E
See Page 9
63 64
+24E+24V
KM10/KM10A
See Page 9
CN39
KA7
KA8
KA4
CN37
YWF(OPTION)
B14
A15
B15
A16
•
•
EMG10
EMG11
EMG11
EMG12
See KGP-000-CNx PAGE 1
TF SET LIMIT SW,EMG SW
+24VI
+24EA
+24VJ
+24VD
+24VK
+24VJ
+24VK
KGK-M4580-0xx
3
2
1
3
2
1
+24V
0V
6
5
6
5
4
3
4
3
2
1
2
1
Y1ORG/OT
SQ2
+24V
0V
A10
B9
A9
B8
A8
B7
A7
B6
A6
B5
A5
B4
A4
B3
A3
B2
A2
B1
A1
B10
A11
B11
A12
B12
A13
B13
A10
B9
A9
B8
A8
B7
A7
B6
A6
B5
A5
B4
A4
B3
A3
B2
A2
B1
A1
B10
A11
B11
A12
B12
A13
B13
CN25
YOT
YOT YOT
EMG2
EMG3
Y-AXIS OT
N00603
KA6
Y1OT
Y1OT
+24VK
+24VK
EMG1
EMG2
EMG1
EMG2
2
1
2
1
2ND LMT
EMG1
EMG2
2
1
2
1
2ND LMT
EMG1
EMG2
P21
1
2
1
2
+24V
N00482
1
4
3
2
5
1
4
3
2
5
11
22
33
44
I/O HEAD
33
+24V
+24V
0V
XOT
OTSENS
2NDLMT1
2NDLMT2
CN28
CN23
EMG1
11
2
1
2
1
3
4
5
3
4
5
CONTROL BOX
K6
GOOD
INTERFACE
4
3
2
1
4
3
2
1
CN22
SQ6
CN15
XOT
K1
CN1
CN4
2
1
2
1
2
1
2
1
2
1
2
1
CN6
CN6
CN6
SERVO 2
SERVO 3
SERVO 1
A1
22
33
EMG1