YSM20R_KMK-1b_cwd - 第19页
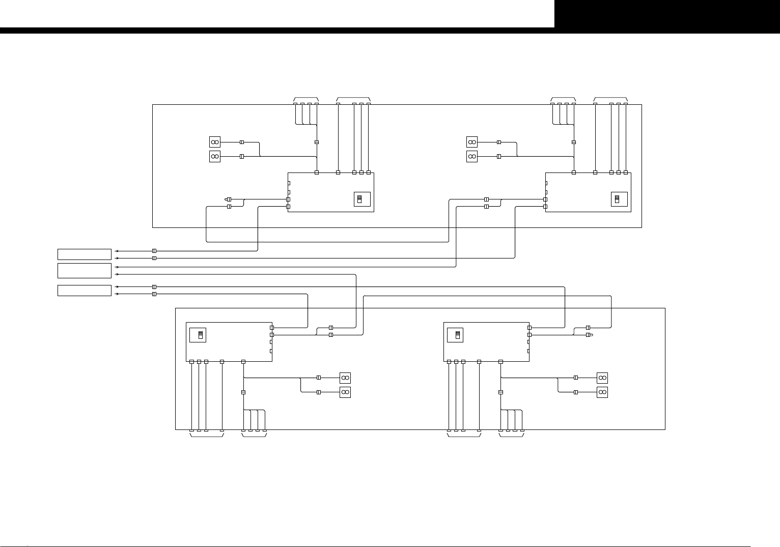
Confidential & P roprietary P A G E FIDUCIAL CAMERA2 FIDUCIAL CAMERA1 LIGHT TEMP LIGHT TEMP FID.LIGH T BRD.ASSY FID.LIGH T BRD.ASSY CN2 CN1 P082 P081 D.CAM6 D.CAM7 EL07 EL06 FID.CAM 2 FIDUCI AL CAMERA HEAD RIGHT FIDU…

Confidential & Proprietary
PAGE
SCM
H PANEL
SC+24V
SCP
SC+24V
SCM
SCP
HEAD CAMERA SELECTOR
SCM MAX 1.5m/s
M43
SC+24V
CN3 +24V
CN1 POCL
SCCAM
SCAN CAM.SUB ASSY
J0678
SC-AXIS
CAM3
LIGHT3
CN8
CN10
CAM3
CN5 CAMOUT
CN4CAM1
CN7LIGHT1
CAM1
LIGHT1
SCAN UNIT ASSY
CN2 48V/24V/EMG
CN4 CAMERA SEL POW
48V POW
IC POW
CN1
CN3
CN6 DO IN
CN8DO1
HEAD I/O UNIT ASSY
POW BOARD ASSY
I/O BOARD ASSY
HI CN8
CN7DO0
HI CN7
CN7 DO
CN6 S-POWER
ETHER INCN8A
ETHER OUTCN8B
MOTOR 1MOTOR POW
MOTOR 2
INC ENC 1
INC ENC 2BATTERYCN8
CN5
SER ENC1
SER ENC2
CN5 FAN
CN4
CN4
CN3
CN2
CN1
CN1
HEAD SERVO UNIT ASSY-1
SRV BOARD ASSY
DRV BOARD ASSY
ENC BOARD ASSY
CN1OPTION IF
HS1 CN1
CN2VAC
CN3DI1
HD1 CN1
HD1 CN4
HE1 CN1
HE1 CN2
HE1 CN4
CN7 DO
CN6 S-POWER
OPTION IF
ETHER INCN8A
ETHER OUTCN8B
VAC
DI2
DI1
MOTOR 1MOTOR POW
MOTOR 2
INC ENC 1
INC ENC 2BATTERYCN8
CN5
SER ENC1
SER ENC2
CN5 FAN
CN4
CN4
CN3
CN2
CN1
CN1
CN3
CN5
CN2
CN1
HEAD SERVO UNIT ASSY-2
SRV BOARD ASSY
DRV BOARD ASSY
ENC BOARD ASSY
HS2 CN2
HD2 CN1
HE2 CN1
LIGHT3
CN6CAM2
CAM2
HE2 CN2
HE2 CN4
CN11 DC24V
J0501
J0502
J0503
J0504
J0511
J0512
J0513
J0514
J0515
J0516
J0517
J0518
J0519
SCP
J0721
J0722
J0726
HS1 CN2
HD2 CN4
P076
J0731
E16
SC-AXIS 61.5W
CN9LIGHT2
LIGHT2 J0727
SCAN CAM.ASSY,CX
SCAN
CN4LIGHT CN1 LIGHT I/F
OF.SV.LIGHT BRD ASSY
OF.LIGHT BRD.ASSY.
J0521
P077
P078
SC MOTOR ASSY
P079
OF.CX.LIGHT BRD.ASSY
HEAD1 VACUUM
HEAD2 VACUUM
HEAD3 VACUUM
HEAD4 VACUUM
HEAD5 VACUUM
YV202
YV204
YV206
YV208
YV210
H1 VAC
H2 VAC
H3 VAC
H4 VAC
H5 VAC
HEAD1 BLOW
HEAD2 BLOW
HEAD3 BLOW
HEAD4 BLOW
HEAD5 BLOW
YV201
YV203
YV205
YV207
YV209
H1 BLOW
H2 BLOW
H3 BLOW
H4 BLOW
H5 BLOW
SHAFT BLOW
YV221
SH BLOW
HEAD6 VACUUM
HEAD7 VACUUM
HEAD8 VACUUM
HEAD9 VACUUM
HEAD10 VACUUM
YV212
YV214
YV216
YV218
YV220
H6 VAC
H7 VAC
H8 VAC
H9 VAC
H10 VAC
HEAD6 BLOW
HEAD7 BLOW
HEAD8 BLOW
HEAD9 BLOW
HEAD10 BLOW
YV211
YV213
YV215
YV217
YV219
H6 BLOW
H7 BLOW
H8 BLOW
H9 BLOW
H10 BLOW
M32
M31
M33
M34
M35
M41
Z2P
Z2M
Z1P
Z1M
Z3P
Z3M
Z4P
Z4M
Z5P
Z5M
R1M
M36
M37
M38
M39
M40
M42
Z6M
Z6P
Z7M
Z7P
Z8M
Z8P
Z9M
Z9P
R2M
Z10M
Z10P
FIDUCIAL CAMERAD.CAM1
CN1
CN2
EL01
FIDUCIAL LIGHT
HEAD LEFT
FID.CAM1
FIDUCIAL CAMERA1
CN1 AIR MACS BOARD ASSY
CN1 AIR MACS BOARD ASSY
MACS1
MACS2
AIR MACS1
AIR MACS2
VAC
VACCN1 VAC SENSOR BRD ASSY
FIDUCIAL CAMERAD.CAM2
FID.CAM2
P071
P073
P074
P075
FIDUCIAL CAMERA2
FIDUCIAL LIGHT
EL02
HEAD RIGHTP072
CN1
CN2
FID.LIGHT BRD.ASSY
FID.LIGHT BRD.ASSY
SQ206
LASER SENSOR
J0506HS1 CN5
DI2 CN5
HS CN5
HS CN5
J0507
TEMP
LIGHT
TEMP
LIGHT
HEAD
T0105704
T0104700
T0104702
T0104704
T0105700
T0105702
T0106700
T0106702
T0106704
T0107700
T0107702
T0107703
T0107701
T0106705
T0106703
T0106701
T0105703
T0105701
T0104705
T0104703
T0104701
DI:N1305002
DO:T1307704
LASER DO
LASER DI
PIN SCAN LASER(Option)
J0506(Standard)
Z1-AXIS
Z2-AXIS
Z3-AXIS
Z4-AXIS
Z5-AXIS
□40 30W
R1-AXIS
Z6-AXIS
Z7-AXIS
Z8-AXIS
Z9-AXIS
Z10-AXIS
□40 30W
R2-AXIS
See Page 14
CC.V0
15
HM HEAD
YSM20R-1

Confidential & Proprietary
PAGE
FIDUCIAL CAMERA2
FIDUCIAL CAMERA1
LIGHT
TEMP
LIGHT
TEMP
FID.LIGHT BRD.ASSY
FID.LIGHT BRD.ASSY
CN2
CN1
P082
P081
D.CAM6
D.CAM7
EL07
EL06
FID.CAM2
FIDUCIAL CAMERA
HEAD RIGHT
FIDUCIAL LIGHT
FID.CAM1
HEAD LEFT
FIDUCIAL LIGHT
CN2
CN1
FIDUCIAL CAMERA
P084
VAC SENSOR BRD ASSYCN1 VAC
VAC
HS CN5
CN5DI2
LASER DI
LASER DO
LASER SENSOR
SQ206
J0553HS1 CN5
J0555HI CN8
J0562
J0563
J0747LIGHT2
LIGHT2 CN9
YV241
YV240
YV232
YV234
YV236
YV238
YV231
YV233
YV235
YV237
YV239
M60
M59
M58
M57
M56
M55
M54
M53
M52
M51
HD2 CN4
HE1 CN2
HE1 CN1
J0746
J0742
J0741
J0564
J0561
J0554
J0552
J0551
HS CN5
DC24VCN11
HS1 CN2
HE2 CN3
R5R5
R4R4
R3R3
R2R2
R1R1
HEAD R PANEL
HEAD Z PANEL
Z5Z5
Z4Z4
Z3Z3
Z2Z2
Z1Z1
HE2 CN4
CAM2
CAM2 CN6
HD2 CN1
ENC BOARD ASSY
DRV BOARD ASSY
SRV BOARD ASSY
HEAD SERVO UNIT ASSY-2
CN1
CN2
CN5
CN3
CN1
CN1
CN2
CN3
CN4
CN4
FANCN5
SER ENC2
SER ENC1
CN5
CN8 BATTERY INC ENC 2
INC ENC 1
MOTOR 2
MOTOR POW MOTOR 1
DI1
DI2
VAC
CN8B ETHER OUT
CN8A ETHER IN
OPTION IF
S-POWERCN6
DOCN7
HD1 CN4
HD1 CN1
DI1 CN3
VAC CN2
OPTION IF CN1
ENC BOARD ASSY
DRV BOARD ASSY
SRV BOARD ASSY
HEAD SERVO UNIT ASSY-1
CN1
CN1
CN2
CN3
CN4
CN4
FANCN5
SER ENC2
SER ENC1
CN5
CN8 BATTERY INC ENC 2
INC ENC 1
MOTOR 2
MOTOR POW MOTOR 1
CN8B ETHER OUT
CN8A ETHER IN
S-POWERCN6
DOCN7
SH BLOW SHAFT BLOW
H5 BLOW
H4 BLOW
H3 BLOW
H2 BLOW
H1 BLOW
HEAD5 BLOW
HEAD4 BLOW
HEAD3 BLOW
HEAD2 BLOW
HEAD1 BLOW
H5 VAC
H4 VAC
H3 VAC
H2 VAC
H1 VAC
HEAD5 VACUUM
HEAD4 VACUUM
HEAD3 VACUUM
HEAD2 VACUUM
HEAD1 VACUUMHI CN7
DO0 CN7
I/O BOARD ASSY
POW BOARD ASSY
HEAD I/O UNIT ASSY
DO1 CN8
DO INCN6
CN3
CN1
IC POW
48V POW
CAMERA SEL POWCN4
48V/24V/EMGCN2
LIGHT1
CAM1
LIGHT1 CN7
CAM1 CN4
CAMOUTCN5
CN10
CN8
LIGHT3
CAM3
HEAD CAMERA SELECTOR
SCP
SC+24V
H PANEL
SCM
HEAD
T0104701
T0104703
T0104705
T0105701
T0105703
T0105702
T0105700
T0104704
T0104702
T0104700
T0105704
DI:N1305002
DO:T1307704
J0743CAM3
J0748LIGHT3
SIDE VIEW CAMERA
HEAD
SIDE VIEW LIGHT
SV LIGHT
CN1
SV CAM
EL08
D.CAM8
P083
S.V.LIGHT BRD ASSY
SIDE VIEW UNIT
PIN SCAN LASER(Option)
J0553(Standard)
□20 20W
□20 20W
□20 20W
□20 20W
□20 20W
□23 25W
□23 25W
□23 25W
□23 25W
□23 25W
R5-AXIS
R4-AXIS
R3-AXIS
R2-AXIS
R1-AXIS
Z5-AXIS
Z4-AXIS
Z3-AXIS
Z2-AXIS
Z1-AXIS
See Page 14
CC.V0
16
FM HEAD
YSM20R-1

Confidential & Proprietary
PAGE
J0045
J0044
J0043
J0042
QF42,XT41
See Page 2
POWER CIRCUIT
R2 FDR PWR
J1078
F1 FDR PWR
J1072
QF41,XT41
See Page 2
POWER CIRCUIT
R1 FDR PWR
J0107
J1076
F2 FDR PWR
J0105
CONTROL BOX -3-
J0103
I/O B
J1074
J0104
I/O C
CN38R
CN37R
CN38L
CN37L
CN37R
CN38R
CN37L
CN38L
N0109104
N0109105
N0108B04
N0108B05
N0110B05
N0110B04
N0111105
N0111104
FAN57
FAN56
FDR FAN R1-1
FDR FAN R1-2
FAN2
FAN1FDR FAN
FDR FAN
FAN52
FAN51
FDR FAN F1-1
FDR FAN F1-2
FDR FAN
FDR FAN
FAN2
FAN1
FAN59
FAN58
FDR FAN R2-1
FDR FAN R2-2
FAN54
FAN53
FDR FAN F2-2
FDR FAN F2-1
I/O
I/O C
J0108
I/O C
J1077
I/O C
I/O C
J1075
I/O B
I/O
J0106
I/O B
J1073
I/O B
I/O B
J1071
J1402
J1302
J1202
J1102
FIX70 REAR FEEDER
FDR CTRL BOARD ASSY P133
J1301
J1385
J1353
J1352
J1351
CN39
CN35
DI/DO L
CN43L
・
・
・
CN43
CN3
CN2
CN1
ON
OFF
DIP SW(S1)
CN37
CN38
CN42
・
・
・
FDR DI0
FDR DO2
FDR DO1
FDR DO0
FDR CTRL BOARD ASSY P134
FAN1
FAN2
FDR FAN
FDR FAN
J1401
J1485
J1453
J1452
J1451
CN39
CN35
DI/DO R
CN43R
FDR DI0
FDR DO2
FDR DO1
FDR DO0
・
・
・
CN43
CN3
CN2
CN1
ON
OFF
DIP SW(S1)
CN37
CN38
CN42
・
・
・
CN39
FDR CTRL BOARD ASSY P132
ON
OFF
DIP SW(S1)
CN42
CN38
CN37
CN39
FDR CTRL BOARD ASSY P131
ON
OFF
DIP SW(S1)
CN42
CN38
CN37
FIX70 FRONT FEEDER
FAN2
FAN1
FDR FAN
FDR FAN
J1201
J1285
J1253
J1252
J1251
CN35
DI/DO R
FDR DO2
FDR DI0
FDR DO1
FDR DO0
・
・
・
CN43R
CN43
・
・
CN3
CN2
CN1
・
J1101
J1185
J1153
J1152
J1151
CN35
DI/DO L
CN43L
FDR DO2
FDR DI0
FDR DO1
FDR DO0
・
・
・
CN43
・
・
CN3
CN2
CN1
・
・Multi-stick feeders
・QFP recovery conveyor・ZS feeders
・SS feeders・Multi-stick feeders
・QFP recovery conveyor・ZS feeders
・SS feeders
・QFP recovery conveyor
・Multi-stick feeders
・ZS feeders
・SS feeders
・QFP recovery conveyor
・Multi-stick feeders
・ZS feeders
・SS feeders
See Page 6
CC.V0
17
FIX70 FEEDER STRUCTURE(SSF)
YSM20R-1