YSM20R_KMK-1b_cwd - 第4页
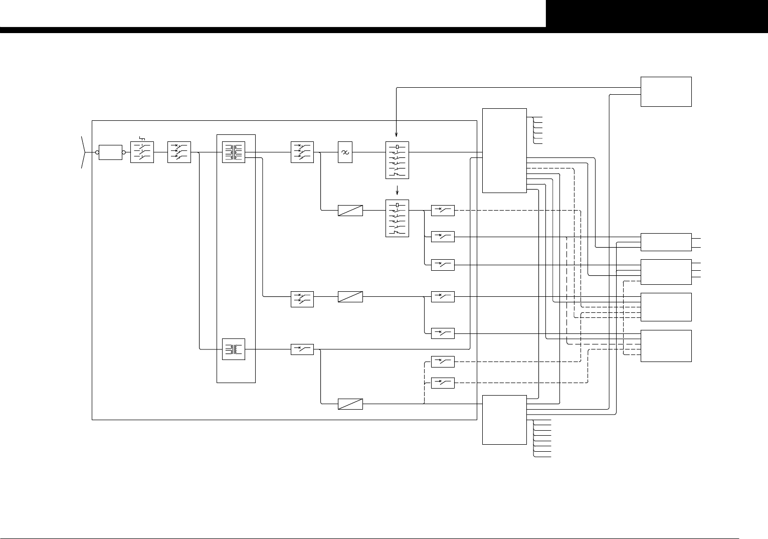
Confidential & Proprietary P A G E See Page 2 POWER CIRCUIT DC24V DC24V QF44 3A QF43 3A QF21 10A Transformer TC11 1.00KVA LAN DC48V COM DC24V QF42 7A R.FEEDER HOLDER FES32(ZS F),ATS FES32(SS F),ATS FIX70(SS F) LAN DC…
YSM20R
Type pv(1-beam)
Table of contents
/目次
Over view / 全体接続図
Power circuit / 電源回路図
Emergency circuit / 非常停止回路図
Control box -1- /コントローラー接続図 -1-
Control box -2- /コントローラー接続図 -2-
Control box -3- /コントローラー接続図 -3-
Conveyor C/R / コンベアー C/R 接続図
I/O conveyor -1- / I/O コンベアー接続図 -1-
I/O conveyor -2- / I/O コンベアー接続図 -2-
I/O conveyor -3- / I/O コンベアー接続図 -3-
I/O conveyor -4- / I/O コンベアー接続図 -4-
I/O conveyor -5- / I/O コンベアー接続図 -5-
SAFETY UNIT / 安全装置 接続図
Head / ヘッド
HM Head / HM ヘッド
FM Head / FM ヘッド
FIX70 feeder structure(SSF) / 70 連固定フィーダー (SSF) 接続図
Front FES32 Feeder(SSF)/ATS / 前側 32 連台車フィーダー (SSF)/ATS 接続図
Rear FES32 Feeder(SSF)/ATS / 後側 32 連台車フィーダー (SSF)/ATS 接続図
Front FES32 Feeder(ZSF)/ATS / 前側 32 連台車フィーダー (ZSF)/ATS 接続図
Rear FES32 Feeder(ZSF)/ATS / 後側 32 連台車フィーダー (ZSF)/ATS 接続図
Power transformer / 電源トランス接続
Air circuit / エアー回路図
Wiring parts list / 配線部品表
P.1
P.2
P.3
P.4
P.5
P.6
P.7
P.8
P.9
P.10
P.11
P.12
P.13
P.14
P.15
P.16
P.17
P.18
P.19
P.20
P.21
P.22
P.23
P.32
Condential & Proprietary

Confidential & Proprietary
PAGE
See Page 2
POWER CIRCUIT
DC24V
DC24V
QF44 3A
QF43 3A
QF21 10A
Transformer
TC11 1.00KVA
LAN
DC48V
COM
DC24V
QF42 7A
R.FEEDER HOLDER
FES32(ZSF),ATS
FES32(SSF),ATS
FIX70(SSF)
LAN
DC48V
Power Supply
GS21 300W 12.5A
COM
DC24V
QF41 7A
QF32 3A
Protector
Circuit
F.FEEDER HOLDER
(Standard Spec.)
SAFETY UNIT ・・・
GS22 600W 25A
Power Supply
SL CONVEYOR
LAN
I/O CONVEYOR BOARD
SIGNAL TOWER
FAN
VALVE
SENSOR
COVER S/W
EMG S/W
COM
DC24V
LAN
COM
COM
COM
INPUT :
OUTPUT : 3∼ 200V
MOTOR : 3∼ 230V
CONTROL : 1∼ 100V
LAN
LAN
CAMERA UNIT
TOUCH LCD
USB MEMORY
Each Motors
CONTROL BOX
GS31 600W 12.5A
Power Supply
Filter
NF11
Noise
Rating 10.4KVA MAX.
LAN
DC24V
LAN
DC24V
Main Breaker
QF11 30A
Transformer
TM11 5.18KVA
Main Switch
QS11 40A
XB11
Terminal
TERMINAL
POWER TRANSFORMER
3∼ 50/60Hz
200/208/220/240
380/400/416V
Z,R MOTOR
SENSOR,VALVE
BATTERY
SENSOR
CV,W MOTOR
CONVEYOR CONTROLLER
DC48V
QF53 5A
FM HEAD
HM HEAD
HEAD BRD.UNIT
DC48V
QF52 5A
QF51 5A
QF31 10A
Protector
Circuit
HEAD
SL CONVEYOR ・・・
CN1-CN16 ・・・
CN17-CN27 ・・・
CN28-CN37 ・・・
CN38-CN45 ・・・
BARCODE READER(Option)
USB KEY/MS(Option)
FDR SET ST.(Option)
IONIZER ASSY(Option)
Contactor
KM11/KM11A
Contactor
KM12/KM12A
EMERGENCY CIRCUIT
Page 8
Page 9
Page 10
Page 11
Page 12
Page 13
See Page 14
See Page 15
See Page 16
See Page 17
See Page 18
See Page 20
FIX70(SSF)
FES32(ZSF),ATS
FES32(SSF),ATS
See Page 17
See Page 19
See Page 21
See Page 7
See Page 4-6
Standard Spec.
See Page 3
See Page 22
CC.V0
1
OVER VIEW
YSM20R-1

Confidential & Proprietary
PAGE
E
25
4
6
1
3
REAR ATS DC24V
Connected to the
SPECIAL I/O CONVEYOR BOARD ASSY.
1
SP+24V
2
3
4
ATS POWER
FIX70/FES32
FEEDER HOLDER
P021
CN44
1
2
3
4
J0058
1
2
1
2
R FDR ST
F FDR ST
2
1
2
1
J1001
J1011
P143
CN1
2
1
CN1
2
1
GND+24V
+24V
P141
CN1
2
1
CN1
2
1
GND+24V
+24V
CN44
+24V-48
+24V-47
4
3
2
1
CV C/R POW BOARD ASSY
J0045
J0044
J0043
R2 FDR PWR
R1 FDR PWR
F2 FDR PWR
F1 FDR PWR
J0042
0V24A
0V24A
0V24A
0V24A
MAX660V/38A
0V24A
0V24A
0V24A
XT41
QF41 7A
+24VA2
+24VA1
+24VA2
+24VA1
V61
W61
W61
V61
J0019
J0663
J0662
+24VA
J0041
+24VA
0V24A
J0018
300W 12.5A
Peak 42A 10sec
L
N
FG
+
+
-
-
GS21
QF42 7A
W60
V60
QF32 3A
HB+24V
2
1
2
1
2
1
J0057CN43
4
3
2
1
+24V-46
+24V-45
CN43
4
3
2
1
J0059
+24V-43
1
2
3
4
CN42CN42
+24V-44
4
3
2
1 1
2
F-ANC+24V
1
2
2
1
GND+24V
CN19CN19J0392
P160
2
1
2
1
+24V
1
2
J0056J0051CONV IO CN1 CN1
+24V
2
1 1
2
CV+24V
2
1
+24V-42
CN41
2
1
CN41
2
1
I/O CONVEYOR BOARD ASSY
J0092
J0091
REAR ATS DC48V
FRONT ATS DC24V
FRONT ATS DC48V
0V24B
0V24B
XT42
0V24B
MAX660V/38A
0V24A
A1
B1
・
A3
B3
CVP CN2J0080
GND+24V
P091
A3
B3
・
B1
A1
CN2
+24V
GND+48V
+48V
J0053
+24VB
+24VB2
+24VB1
QF44 3A
QF43 3A
J0020
J0052
+24VB
+24VB
0V24B
J0665
0V24B
J0032
V10
V10
U11
U11
V10
U11
J0033
J0664
J0658
J0657
J0656
MAX660V/38A
J0021
J0022
600W 25A
GS22
L
N
FG
+
+
-
-
J0031
U10B
QF21 10A
V10B
XT21
V10
U10B
V10B
1.00KVA
S2
R2
240V
220V
208V
200V
190V
0V
240V
220V
208V
200V
190V
0V
0V
100V
100V
100V
0V
0V
TC11
J0077
P052
HB+48V
66
・・
2
1
2
1
J0079H POW/EMG
・・
6
5
6
5
2
1
2
1
HP CN2
A3
B3B3
A3
・ ・
B1
A1
B1
A1
CN2
GND+24V
+24V
GND+48V
+48V
0V48
0V48
V10
U10
J0203
J0902
CONTROL BOX -3-
QS11A *1
XT21
QF21
IF RAS
33 34
41 42 4241
Note : *1(Auxiliary contact) is attached to the QS11.
UPS SIG
UPS RMT
J0903
J0901
UPS OUT
UPS IN
UPS ASSY
UPS OUT
UPS SIGNAL
GB01
UPS INJ0903
V10A
U10AU10B
V10B
QF61 10A
J0031
J0022
J0021
U10B
V10B
J0655
J0656
R2
S2
1.00KVA
TC11
J0020
At the UPS specification
MAX600V/68A
3
1
2
AC100V
W51
U51
V51 V51
U51
W51
J0014
0V48
+48VB1
+48VB2
・Around J0001,J0002 harness.
≧AWG9
(6sq)
J0661
J0660
J0659
J0655
J0654
J0653
Peak 41.5A 5sec
MAX660V/38A
J0072
0V48
+48V
0V48
+48VJ0071
J0203
A1
・
B8
A8
B7
A7
・
B10
IF RAS LCD1
LCD2
A1
・
A3
B3
C/R DC24V
0V48
0V48
+48VB2
+48VB3
J0073+48VB +48VB
J0017
1
2
3
AC230VJ0016
U54
V54
W54
U52
V52
W52
U52
V52
W52
J0015J0013
J0012
J0011
J0010
J0009
J0008
J0007
J0006
J0005
J0004
J0003
J0652
J0001 J0002
R1
S1
T1
R1
S1
T1
L1
L2
L3
L1
L2
L3
T1
T2
T3
L1
L3
L2
MAX690V/40A
LCD1
FRONT
REAR
LCD2
TOUCH PANEL MONITOR
RAS
MOTOR
POWER
DC24V:FAN POWER
A01CONTROL BOX
AC230V:DRIVE
AC100V:CONTROL
ACIN
KM11
3/L2 4/T2
5/L3
1/L1 2/T1
6/T3
MAX690V/12A
EMERGENCY CIRCUIT
KM12
MAX690V/12A
5/L3
3/L2
1/L1 2/T1
4/T2
6/T3
V51
U51
L
N
FG
+
+
-
-
GS31
600W 12.5A
NF11
MAX500V/20A
XT31
0V48
0V48
QF53 5A
QF52 5A
QF51 5A
V60
W60
W
V
U
230V
200V
230V
200V
230V
200V
N
0V
190V
200V
208V
220V
240V
0V
190V
200V
208V
220V
240V240V
220V
208V
200V
190V
0V
240V
220V
208V
200V
190V
0V
240V
220V
208V
200V
190V
0V
240V
220V
208V
200V
190V
0V
TM11
W50
V50
U50
QF31 10A
V51
U51
5.18KVA
U50
V50
W50
T2S2
R2
MAX690V/30A
R2
T2
S2
S2
R2
Icu≧7.5kA(AC440V)
NOTE:
QF11
QS11
MAIN SWITCH
BRACKET
L1
L2
L3
T2
T3
T1
J0651
XB11
L3
L2
L1
PE
PE
・On the cover under the right side panel.
High Voltage
!
・On the cover under the rear center.
・On the cover under the rear right side.
・On the cover under the front right side.
・On the lower former cover at CONTROL BOX A1.
・Near the MAIN SW QS11.
・Lower of INCOMING SUPPLY TERMINAL BLOCKS XB11.
that might be gotten an electric shock.
*The charge mark is put on the place
when MAIN SW QS11 is OFF.
Residual risk
CONTROL BOX A1.
・Chemical capacity for motor power in
and MAIN SW QS11.
・Secondary side of UPS.
・Between INCOMING SUPPLY TERMINAL BLOCKS XB11
*
HEAD POW BOARD ASSY
HA+24V
J0078
R-ANC+24V
F ANC CTRL BOARD ASSY(Option)
F FDR ST BOARD ASSY(Option)
R FDR ST BOARD ASSY(Option)
See Page 11
See Page 11
See Page 11
See Page 7
See Page 17-21
See Page 18-21
See Page 14
See Page 4-6
See Page 8-13
240V
220V
208V
200V
190V
0V
240V
220V
208V
200V
190V
0V
0V
100V
100V
100V
0V
0V
See Page 22
See Page 22
See Page 22
See Page 3
See Page 6
CC.V0
2
POWER CIRCUIT
YSM20R-1