MAN00000772_SI-G200BB_SVCPDFA.pdf - 第455页
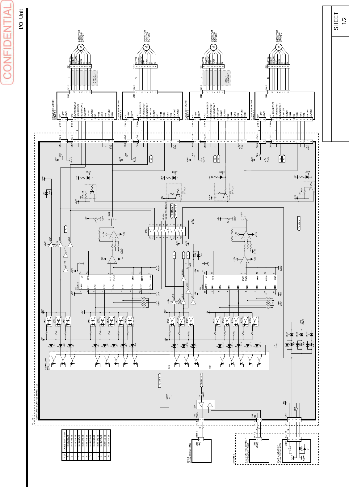
CDGB-10602-01 Conveyor Control Board Peripheral Circuit

CDGB-10602-01
Conveyor Control Board Peripheral
Circuit

CDGB-10602-01
Conveyor Control Board Peripheral
Circuit

CDGB-10603-01
LED Control Board (Front) Peripheral
Circuit
+
+
+
-