MAN00000772_SI-G200BB_SVCPDFA.pdf - 第484页
CDGB-10901-01 Main Console (Rear) Peripheral Circuit

CDGB-10901-01
Main Console (Front) Peripheral
Circuit

CDGB-10901-01
Main Console (Rear) Peripheral
Circuit

CDGB-10902-01
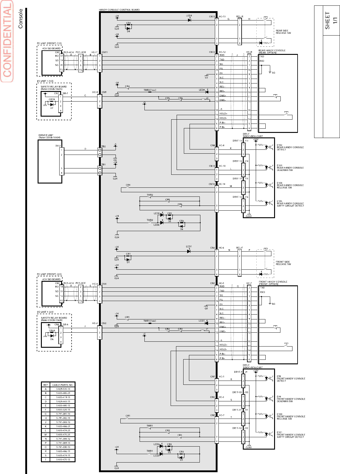
Handy Console Control Board
Peripheral Circuit