MAN00000772_SI-G200BB_SVCPDFA.pdf - 第578页
PCGB-10102-01 Pneumatic Piping Diagram around B-Head (2/2) 5 5 4 4 2 1 3 2 C C A A B B F G D E 6 6 12 6 6 10 7 9 8 1 1 1 1

PCGB-10102-01
Pneumatic Piping Diagram around
B-Head (1/2)
18
11
12
12
5
10
K
I
I
9
9
8 7
14
H
J
13
20
22
22
21
20 21
E
B
B
A
G D
G C
2 2
1
1 1 3
3
17
4
19
15
16
2 2
6
F
3
3
17
4
6
11
12
12
5
10 13

PCGB-10102-01
Pneumatic Piping Diagram around
B-Head (2/2)
5
5
4
4
2
1
3
2
C
C
A
A
B
B
F
G
D
E
6
6
12
6
6
10
7
98
11
11

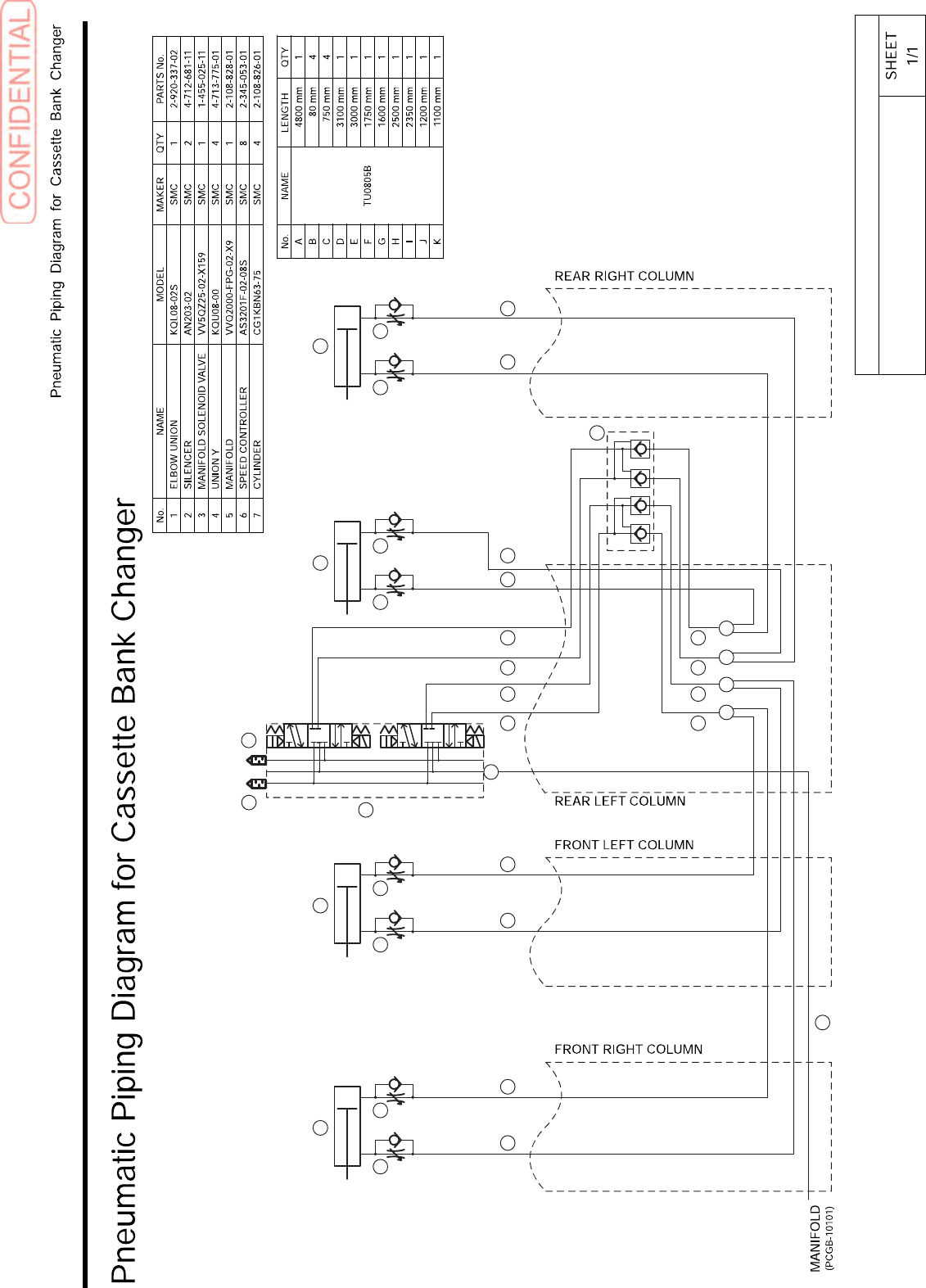
PCGB-10103-01
Pneumatic Piping Diagram for
Cassette Bank Changer
D
A
E
F G
7 7
IH
7
KJ
1
3
2
2
7
4
B B B B
C C C C
4 4 4
5
66666666