MAN00000772_SI-G200BB_SVCPDFA.pdf - 第583页

PCGB-10107-01 Pneumatic Pipin g Diagram for Nozzle Change C B A 1 6 7 7 5 5 8 3 3 N O 4 2 3 3 L M 4 2 3 3 J K 4 2 3 3 H I 4 2 3 3 F G 4 2 3 3 D E 4 2 1 6 7 7 5 5 3 3 N O 4 2 3 3 L M 4 2 3 3 J K 4 2 3 3 H I 4 2 3 3 F G 4 …

100%1 / 712
PCGB-10106-01
Pneumatic Piping Diagram for
Options
D
4
C
D
21
CB
C
A
3
2 3
C
1
6 6 6
7
6 6 6 6 6
5
5
6 6 6
7
6 6 6 6 6
4
PCGB-10107-01
Pneumatic Piping Diagram for Nozzle
Change
C
B
A
1
6
7
7
5
5
8
3 3
N O
4
2
3 3
L M
4
2
3 3
J K
4
2
3 3
H I
4
2
3 3
F G
4
2
3 3
D E
4
2
1
6
7
7
5
5
3 3
N O
4
2
3 3
L M
4
2
3 3
J K
4
2
3 3
H I
4
2
3 3
F G
4
2
3 3
D E
4
2
PCGB-10108-01
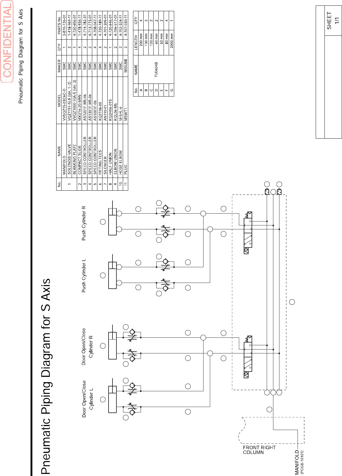
Pneumatic Piping Diagram for S Axis
G
6
6
7
11
7
1
8
11
11
B C
F F F F
A A A A
B C
4 3
2
4 3
2
6
6
D ED E
5
5
2
5
5
2
9 10 9 10