P-0296-004 - 第45页
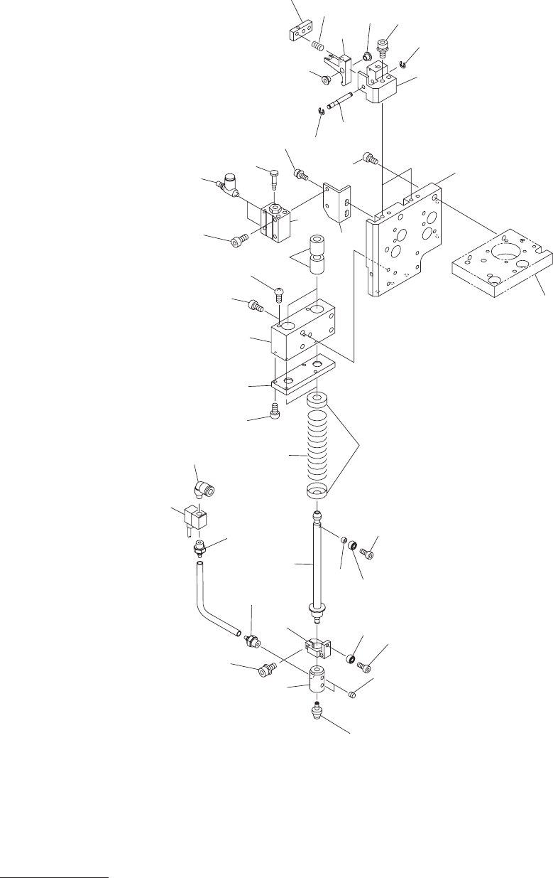
MODEL FP-G 300R 1004-004 Key No. P AR T No. P AR T NAME Q’ ty REMARKS New Code NOTE FF-1 FF-1 list-1 1 6301394732 BASE 1 806FF-1 10-101 210A2429 2 6301469324 BASE(TOP) 1 806FF-1 10-102 210A2584 3 6301388250 GUIDE,LINEAR …

MODEL FP-G300R
0801-002
P
&
P
L
軸
P
&
P L
AXIS
Fig. FF-1 L
軸駆動部
L
Axis Driver Section
6
4
11
3
18
19
9
10
10
32
1
2
8
20
5
7
12
15
17
16
14
57
.
69
.
74
61
63
58
.
69
.
74
54
.
68
.
73
51
.
66
.
71
52
.
66
.
71
63
59
.
70
.
75
60
.
67
.
72
61
55
.
68
.
73
53
56
62
61
8
60
.
67
.
72
61
注) Key No.3,4(○印)は重要保守部品となっております。交換方法については高度
な技術を要しますので、当社サービス員にご相談下さい。
Notice) The Key No. 3,4(with a circle) is an important maintenance component.
Because high-grade technique is required for the replacement of this component,
consult our service personnel.
FF-1 illust-1

MODEL FP-G300R
1004-004
Key No. PART No. PART NAME Q’ty REMARKS New Code
NOTE
FF-1
FF-1 list-1
1 6301394732 BASE 1 806FF-110-101 210A2429
2 6301469324 BASE(TOP) 1 806FF-110-102 210A2584
3 6301388250 GUIDE,LINEAR 1 806FF-110-103 222L0751
4 6301386652 BALL SCREW 1 806FF-110-104 223B0371
5 6301388267 BEARING,UNIT 1 806FF-110-105 222F0097
6 6301388243 HOLDER(BS NUT) 1 806FF-110-106 216B1534
7 6301387710 PULLEY,TIMING 1 806FF-110-107 223Q0610
8 6301194554 BOLT 2 806FF-110-108 221E0274
9 6301391076 BRACKET 1 806FF-110-109 211F9978
10 6300941654 SENSOR,PHOTO 2 B0501,B0502
806FF-110-110 23G10068
11 6301404684 PLATE(DOG) 1 806FF-110-111 211DB045
12 6301393063 MOTOR,AC-SERVO 1 M5 806FF-110-112 4M150225
14 6301387727 PULLEY,TIMING 1 806FF-110-114 223Q0611
15 6301391052 BRACKET(MOTOR) 1 806FF-110-115 211F9977
16 6301388274 BELT,TIMING 1 806FF-110-116 223L0295
17 6301469331 COVER 1 806FF-110-117 211AA876
18 6301391380 SPACER 1 806FF-110-118 211E0933
19 6301391397 PLATE 1 806FF-110-119 211DA814
20 6301388694 BRACKET 1 806FF-110-120 211F9947
32 6301391236 PLATE 1 806FF-110-132 211DA813
51 6300123791 BOLT,HEX-SCT 2 M2.5X5 221A0150
52 6300007473 BOLT,HEX-SCT 4 M2.5X8 221A0002
53 6300007510 BOLT,HEX-SCT 3 M3X8 221A0006
54 6300007534 BOLT,HEX-SCT 4 M3X12 221A0008
55 6300007558 BOLT,HEX-SCT 4 M3X16 221A0010
56 6300007589 BOLT,HEX-SCT 2 M3X30 221A0013
57 6300007626 BOLT,HEX-SCT 2 M4X10 221A0017
58 6300007633 BOLT,HEX-SCT 4 M4X12 221A0018
59 6300007756 BOLT,HEX-SCT 2 M5X12 221A0030
60 4110406202 SCR PAN 3X10 4 M3X10 PAN 221E0488
61 4110505004 SCR TRS 3X6 8 M3X6 TRS 221E0529
62 4110022600 SCR FLT 3X6 2 M3X6 FLT 221D0224
63 6300008883 SET SCREW 6 M3X4 SET 221C0001
66 4111416606 WASHER SPR 2.5 6 SW2.5 221H0279
67 4110864408 WASHER SPR 3 4 SW3 F 221H0280
68 4111412806 WASHER SPR 3 8 SW3 221H0281
69 4111412905 WASHER SPR 4 6 SW4 221H0284
70 4111416705 WASHER SPR 5 2 SW5 221H0287
71 4111413803 WASHER V 2.5X6.5X0.5 6 FW2.5 221H0310
72 4111191909 WASHER V 3X7X0.5 4 FW3 F 221H0311
73 4111413902 WASHER V 3X7X0.5 8 FW3 221H0312
74 4111414008 WASHER V 4X9X0.8 6 FW4 221H0315
75 4111414107 WASHER V 5X10X1 2 FW5 221H0318

MODEL FP-G300R
0801-002
P
&
P
X
軸
P
&
P X AXIS
Fig. FF-2
吸着上下部
Pick-up Leveller
142
141
134
140
139
138
133
135
136
137
137
101
111
103
105
110
131
104
106
102
102
109
108
107
107
158
156
159
156
151
153
151
160
154
.
162
.
167
122
157
.
163
.
168
See Fig. FF-1
Key No.2
155
.
163
.
168
1
17
143
143
126
FF-2 illust-1