CM101机械Part List - 第37页
Ref No. Remarks R 1 Q't y 2-B 全 体 カバー Whole Cover イラスト No. Part No. 品 名 品番 数量 R 2 パーツリスト Kit No . キット品 番 Kit Name キット名称 N610043944AA Part N ame 備 考 セクションNo. PARTS LIST Section No. R 3 COVER 2 1 N210027728AG S BRACKE…

2-B
全
体
カバー
Whole Cover
パーツレイアウト
Kit No.
キット品
番
Kit Name
キット名称
N610043944AA
セクションNo.
PARTS LAYOUT
Section No.
M21

Ref
No.
Remarks
R
1
Q't
y
2-B
全
体
カバー
Whole Cover
イラスト
No.
Part No.
品 名品番 数量
R
2
パーツリスト
Kit No.
キット品
番
Kit Name
キット名称
N610043944AA
Part Name
備 考
セクションNo.
PARTS LIST
Section No.
R
3
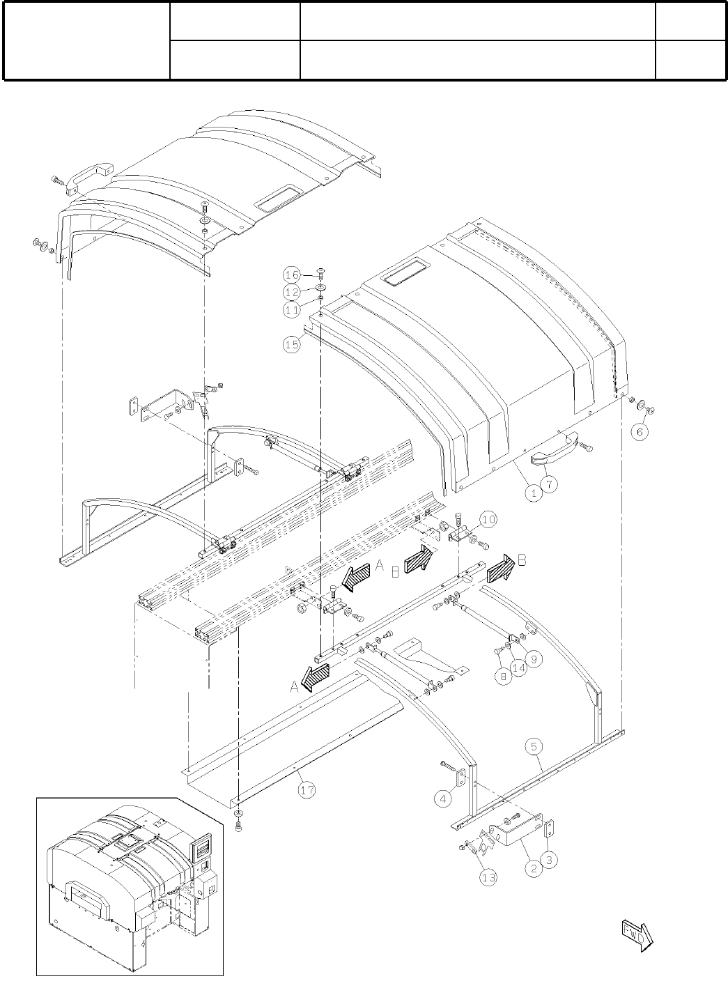
COVER
2
1 N210027728AG
S
BRACKET
2
2 N210086373AA
S
NUT-PLATE
2
3 N210066061AA
PLATE
2
4 N210066062AA
FRAME
2
5 N610049031AF
SCREW
8
6 N510018303AA
Cross recessed Truss head machine screw M5X8-4.8 A2S (Trivalent)
PULL
2
7 KXF0DX62A00 AP-829-2
BOLT
8
8 KXF09KJAA00 MSB10-10
GAS-SPRING
4
9 N510013496AA
S
KSF90-15
HINGE
4
10 N510011843AA B-2-B-11
SPACER
16
11 N510019916AA CB-503E
WASHER
16
12 N510011899AA NN-0816-10
NUT
2
13 KXF0DX63A00 SQN4-28-16
WASHER
16
14 N510018506AA
Round finish plain washer (JIS B 1256:1978) 10 10H A2J (Trivalent)
TRIM
4
15 N9866224-B98 62-24-B-5-aluminium
SCREW
8
16 N510018291AA
Cross recessed Truss head machine screw M5X16-4.8 A2S (Trivalent)
COVER
1
17 N210085067AA
M22

2-C
全
体
カバー
Whole Cover
パーツレイアウト
Kit No.
キット品
番
Kit Name
キット名称
N610043944AA
セクションNo.
PARTS LAYOUT
Section No.
M23