KE-2070_KE-2080_KE-2080R-Rev16 - 第151页
- 14 4 - NO TE( 注記 ) # 01....F O R EN EN 用 # 02....F OR OP TION A L PART S(2070 ) オプション部品(2070) # 03....F OR OP TION A L PART S( 2080 ,2080R) オプション部品(2080,2080 R) REF .NO N OT E PA RT NO D E S C R I P T I O N 品 名 Q ty 1 …

- 143 -
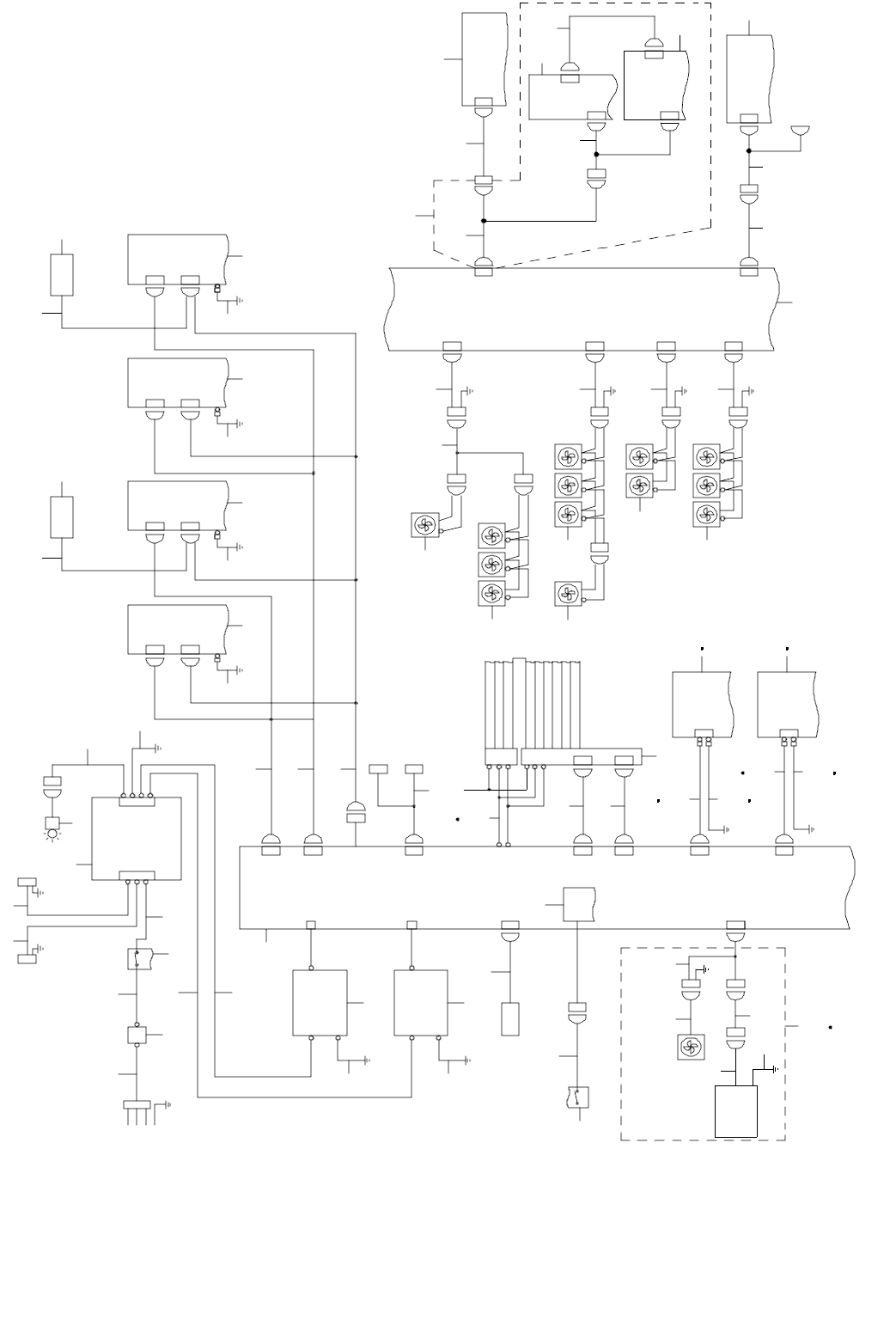
72. SYSTEM DIAGRAM (POWER UNIT)
SYSTEM DIAGRAM(POWER UNIT)
16 -5B
C& N KH2 0B T 103/1 7
SWITCHI NG HUB
(1/2)
4-3A
6-4B(1 /2 )
FG
I EEE 13 94 BOAR D
RFI D WI RING
KE-2080-ST(RFID )
DC_IN
( VA CUU M PO MP OP TI ON )
VACUUMPOMPUNIT70
VACUUMPOMPUNIT80
RLCDPWR
CN014
CN014
CN014
19 -4B
REARLCD
MONITOR(1/2)
RE G2
MR -RB 12
REG 1
MR- RB1 2
CN0 63
CN0 64
YL MOTOR FAN
COVER TOP FAN
C N006
R1E
YR MOTOR FAN
CN13 C N13
CN0 80
CN0 68
13 -2C
CN00 5
AWC DR IVER(1 /2)
F6 E
TB
13 -2B
BU DRIVE R(1/2)
TB
R9ER8 E
MT S PWR (R)M TS PWR (L)
CN 06 CN 07
C N060PWR LAMP
CN015
2-3C
XR
X R SE RV O
AMP(1/4)
M R- J3-7 0B-RJ 024
F2E
E
CNP2
CNP1
(1 /4 ) 9 - 2 A
(1 /5 )
(1 /4 )
(1 /3 )
(1 /2 )
(1 /2 )
(1 /3 )
(1 /5 ) 2 - 2 A
7-1A
7-1B
7-1B
7-1A
2-3A
16 -2A
2- 3D2-3C2-3D
19-4 A
16-2B
1-1A
1-1C
1-2D
1-4B
R5E
CP U
OUT MOTERDRIVER
14-4C
CN031CN031 CN655(R)
IN MOTER DRIVER
14-4B
CN655(L)
CP CI BAC K
B OAR D
FRONT LCD
MONITOR(1/2)
CN015
BASE FAN R
CN 06 7
C N009
R4 E
C N007
R2 E
CN 08C N008
R3 E
CN 07
TB 2
TB1
BASE-FEEDER
XY RELAY
LIGHT CTRL
I /O CTR L
SAFETY
I P-X3 R
BUS -BR IDGE
POS ITIO N B OARD
YR
YR S ERVO
AM P( 1/4)
MR -J 3-200B -RJ02 4
F3 E
E
CNP2
CN P1
XL
XL SE RVO
AM P(1 /4)
MR -J3 -70B -RJ02 4
F4E
E
CNP2
CNP1
CN001
C N05
CN00 3
F1E
C N03
MAIN
S W(2/2)
TB2
AC200V
INPUT
YL
BASE FAN L
CN 06 6
CO NTR OL U NIT TO P FAN
CN 06 4C N06 5
YL SERVO
A MP( 1/4)
M R-J 3-200B -RJ002 4
PO WE R
UNIT(1/13)
CN 02 7
CN 02 4
CN010
POWER
UNIT(2/13)
CN 06
CN 09
HO UR MET ER CN010
CN2
CN1
REMORT SW
UPS
(1/2)
CN 27
CN 24
F5 E
E
CN P2
CNP1
CN 099
C N002
TB1
CN 09 6
R7 E
T F2(A C TR ANS )
R6 E
TF1 (DC TRAN S)
A C I NPUT
UNIT
TB1
MAIN
SW(1/2)
NFB1
30A
PE
FG
L3
L2
L1
2
1
3
53
54
4
5
6
9
7
8
11 12
15 17
16 18
19
10
71
14
61
62
63
64
30
57 31 58
28
55 29 56
2423
51
52
25
85
22 2021
33
35
37
39
34
36
38
32
69
68
42
43 46
45
47
50
44 48 4940
70
77
74
72
76
73
26
59 27 60
13
41
16-3C
FG
65
VACUUM
POMP
66
CN0 69
67
9-4B
RFID PWR
X5
MP C-4C
(1 /2)
DC _I NPUT
DC _I NPUT
ETH ERN ET
78
81
79
80
F-LCD PWR
DC12V
75
82
VCS(OCS) MONITOR PWR
17-4A
84
83

- 144 -
NOTE( 注記 ) #01....FOR EN EN 用
#02....FOR OPTIONAL PARTS(2070) オプション部品(2070)
#03....FOR OPTIONAL PARTS(2080,2080R) オプション部品(2080,2080 R)
REF.NO NOTE PART NO D E S C R I P T I O N
品 名
Qty
1 400-02055 BREAKER INPUT CABLE ASM
ブレーカー入力ケーブル組
1
2 400-02067 BREAKER OUT CABLE ASM ブレーカーアウトケーブル組 1
3 400-02064 MAIN SW OUTPUT CABLE ASM
メインスイッチ出力ケーブル組
1
4 400-02062 MTC POWER CABLE L ASM
MTC(L)電源ケーブル組
1
5 400-02063 MTC POWER CABLE R ASM
MTC パワーケーブル R 組
1
6 E9221-729-0A0 PWR ON LIGHT ASM.
PWR ON ライト組
1
7 400-02061 POWER ON LAMP RELAY CABLE ASM パワーオンランプリレーケーブル組 1
8 400-02056 INPUT UNIT FG CABLE ASM
入力ユニット FG ケーブル組
1
9 400-00481 AC INPUT UNIT
AC 入力ユニット
1
10 400-02101 UPS SW CABLE ASM
UPS SW ケーブル組
1
11 400-02060 TF2 INPUT CABLE ASM
TF 2入力ケーブル組
1
12 400-02059 TF1 INPUT CABLE ASM TF 1入力ケーブル組 1
13 400-49760 POWER UNIT ST
電源ユニット ST
1
14 400-95745 UPS
UPS
1
15 400-40378 TRANSFORMER(PSU)
トランス DC
1
16 400-02057 TF1 FG CABLE ASM
TF 1 FG ケーブル組
1
17 400-40379 TRANSFORMER(SERVO) トランス AC 1
18 400-02058 TF2 FG CABLE ASM
TF 2 FG カーブル組
1
19 400-02115 HOURMETER ASM
アワーメータ組
1
20 400-45489 XY CTRL PWR CABLE ASM
XY コントロールパワーケーブル組
1
21 400-45391 XY SV PWR CABLE ASM L
XY SV パワーケーブル組 L
1
22 400-45392 XY SV PWR CABLE ASM R XY SV パワーケーブル組 R 1
23 400-02328 BACKBOARD MONITOR CABLE ASM
バックボードモニターケーブル組
1
24 400-02329 BACKBOARD SIGNALCABLE ASM
バックボードシグナルケーブル組
1
25 400-03283 VME BACK PCB ASM
VME バック PCB 組
1
26 HX-0042000-00 5 PHASE STEP DRIVER
5相ステッピングモータドライバ
1
27 HX-0042000-00 5 PHASE STEP DRIVER 5相ステッピングモータドライバ 1
28 400-45419 BU DRV PWR CABLE ASM
BU DRV PWR ケーブル組
1
29 400-45421 BU DRV FG CABLE ASM
BU DRV FG ケーブル組
1
30 400-45423 AWC DRV PWR CABLE ASM
AWC DRV PWR ケーブル組
1
31 400-45425 AWC DRV FG CABLE ASM
AWC DRV FG ケーブル組
1
32 400-44539 SERVO AMP 2000W Y 軸サーボアンプ2000 W 1
33 400-45388 YL DRV FG CABLE ASM
YL DRV FG ケーブル組
1
34 400-44538 SERVO AMP 750W
X 軸サーボアンプ750 W
1
35 400-45387 XL DRV FG CABLE ASM
XL DRV FG ケーブル組
1
36 400-44539 SERVO AMP 2000W
Y 軸サーボアンプ2000 W
1
37 400-45390 YR DRV FG CABLE ASM
YR DRV FG ケーブル組
1
38 400-44538 SERVO AMP 750W X 軸サーボアンプ750 W 1
39 400-45389 XR DRV FG CABLE ASM
XR DRV FG ケーブル組
1
40 400-02106 YL FAN CABLE ASM
YL FAN ケーブル組
1
41 400-45561 TOP FAN RELAY CABLE ASM
トップファンリレーケーブル組
1
42 E9247-729-HA0 YL MOTOR FAN ASM
YL モータファン組
1
43 L804E-821-0A0 COVER TOP FAN ASM カバートップファン組 1
44 400-02054 CTRL UNIT TOP FAN RELAY
CTRL ユニット TOP ファンリレー
1
45 E9249-729-HA0 CTRL UNIT TOP FAN ASM.
CTRL ユニット TOP ファン組
1
46 E9250-729-HA0 YR MOTOR FAN ASM
YR モータファン組
1
47 E9252-729-HA0 BASE FAN (L) ASM.
ベースファン(L)組
1
48 400-02107 BASE FAN(L) CABLE ASM ベースファン(L)ケーブル組 1
49 400-02108 BASE FAN(R) CABLE ASM
ベースファン R ケーブル組
1
50 400-02326 BASE FAN(R)ASM
ベースファン R 組
1
51 400-02327 PS CTRL POWER CABLE ASM
PS CTRL パワーケーブル組
1
52 400-02330 CPCI CTRL POWER CABLE ASM
CPCI CTRL パワーケーブル組
1
53 HA-0053200-00 CIRCUIT PROTECTOR ブレーカ 1
54 HA-0053800-00 SWITCH
メインスイッチ
1
55
#01
400-45420 BU DRV PWR CABLE ASM EN
BU DRV PWR ケーブル組 EN
1
56
#01
400-45422 BU DRV FG CABLE ASM EN
BU DRV FG ケーブル組 EN
1
57
#01
400-45424 AWC DRV PWR CABLE ASM EN
AWC DRV PWR ケーブル組 EN
1
58 #01 400-45426 AWC DRV FG CABLE ASM EN AWC DRV FG ケーブル組 EN 1
59
#01
HX-0068900-00 5 PHASE STEP DRIVER
5相ステッピングモータドライバ
1
60
#01
HX-0068900-00 5 PHASE STEP DRIVER
5相ステッピングモータドライバ
1
61
#02
400-60925 VACUUM PUMP UNIT 70
バキュームポンプユニット70
1
62
#03
400-60926 VACUUM PUMP UNIT 80
バキュームポンプユニット80
1
63 400-54705 VAC FAN CABLE ASM 真空ポンプファンケーブル組 (1)
64 400-45490 VAC PUMP PWR RELAY CABLE ASM
バキュームポンプ PWR リレーケーブル組
(1)
65 400-99547 VACUUM PUMP ASM
真空ポンプ組
(1)
66 400-99553 VAC PUMP FG CABLE ASM
真空ポンプ FG ケーブル組
(1)
67 401-03162 VAC PUMP PWR CONVERSION CABLE ASM
バキュームポンプ PWR コンバージョンケーブル組
(1)
68 400-54885 REGENERATIVE RESISTOR 回生抵抗 RB −12 1
69 400-54885 REGENERATIVE RESISTOR
回生抵抗 RB −12
1
70 400-69579 POWER UNIT 2077
電源ユニット2077
1
71 HA-0053800-00 SWITCH
メインスイッチ
1
72 400-25669 LCD DSP
LCD ディスプレイ(パネルリンク)
1
73 400-25669 LCD DSP LCD ディスプレイ(パネルリンク) 1
74 400-02322 R-LCD POWER CABLE ASM 背面 LCD 電源ケーブル組 1
75 400-45442 F-LCD PWR CABLE ASM
F − LCD PWR ケーブル組
1
76 400-73931 KE-2080-ST(RFID)
KE −2080− ST(RFID)
1
77 401-22519 RFID CONTROL BOX POWER (60) CABLE ASM
RFID コントロールボックスパワー(60)ケーブル組
(1)
78 400-73032 4 PORT MPC
4ポート MPC
(1)
79 401-22517 MPC RJ45 CABLE (60) ASM MPC RJ 45 (60)ケーブル組 (1)
80 401-22518 MPC POWER CABLE (60) ASM
MPC POWER (60)ケーブル組
(1)
81 400-73033 SWITCHING HUB
スイッチングハブ
(1)
82 400-99344 F-LCD/VCS MONITOR PWR CABLE ASM
F − LCD / VCS モニタ PWR ケーブル組
1
83 400-54887 XL_MOTOR_RB_CABLE_ASM
XL 回生ケーブル
1
84 400-54888 XR_MOTOR_RB_CABLE_ASM XR 回生ケーブル 1
85 400-45448 I/O PMD PWR CABLE ASM
I / O PMD パワーケーブル組
1

- 145 -
73. SYSTEM DIAGRAM (XY MOTOR/SSC NET)
SYSTEM DIAGRAM(XY MOTOR / SSC NET)
ONLY KE-2080
LS0-9
LS 0- 7
LS 0- 3
LS0-2
LS0-1
4- 5C4-5 C4-5B4-5A
3-2C
3- 2A
3-2B
1-4B
1-3B
1-4B
1-3B
2- 4A
2- 5A
2- 4A
2 -5A
CN13 LS0-13 YR CN2LCN2L
CN12 LS0-12 YL CN2LCN2L
CN11 LS0-11 XR CN2LC N2L
CN10 LS0-10 XL CN2LC N2L
YR SERVO
AMP(2/4)
MR-J3-200B-RJ024
YL SERVO
AMP(2/4)
MR-J3-200B-RJ024
XR SER VO
AMP(2/ 4)
MR-J3- 70B-RJ024
XL SER VO
AMP(2/ 4)
MR-J3- 70B-RJ024
Y BEAR CABLES(E)
XY BEAR CABLES
CN8
CN6
CN142
MAGNETIC
SCALE Y
SENSOR
UNIT
CN134 LS0-8
CN141
MAGNETIC
SCALE Y
SENSOR
UNIT
CN133
LS0-6
CN5
XY BEAR CABLES(E)
CN176
MAGNETIC
SCALE X
SENSOR
UNIT
CN175 LS0-5
CN140
YR OR G SEN SOR
LS0-9
CN136
YL OR G SEN SOR
LS0-7
+Y LIMIT(FEEDER)
SENSOR
CN139
CN132
CN C OVE R
ZTDCN1A
ZTC CN2A
ZTCCN1A
ZT BCN2 A
ZTBCN1A
ZT ACN2A
ZTACN1A
ID
2
ZT C S ERV O
AM P(1 /5)
MR -MD 100
CN2A
CN1A
ID
0
CN2A
CN1A
Z TA SER VO
A MP( 1/5 )
M R-M D10 0
MR-J3BUS015M
ID
3
Z TD SER VO
A MP( 1/5 )
M R-M D10 0
CN 2A
CN1A
CN 2A
CN1A
ID
1
ZTB SE RVO
AMP (1/ 5)
MR- MD1 00
MR-J3BUS1M
MR-J3BUS015MMR-J3 BU S01 5M
LS0-4-2 M CCN2C H
3- 2B
2- 3D
ID
3
YR SERVO
AMP(3/4)
MR-J3-200B-RJ024
CN2A
CN1A
Y BEAR CABLES
2 -3D
ID
2
CN2A
CN1A
YL
YL SERVO
AMP(3/4)
MR-J3-200B-RJ024
MR-J3BUS015M
CN143
CN137
CN138
CN130
CN131
CN156 CN127
LS0-3
LS0-2
LS0-1
CN9
CN7
CN3
CN2
CN1
Y NEAR SENS OR
-Y LIMI T SEN SOR
+Y LI MI T( TRAY )
SENSOR
-X LIMI T SEN SOR
+X LIMI T SEN SOR
X N EAR S ENSOR
1-2C
2-3C2-3C
12-4C
1-2C
2CH
XR
ID
1
XR SERVO
AMP(3/4)
MR-J3-70B- RJ024
CN 2A
CN1A
CN 2A
CN1A1CH
C N4-2 2 CH
YR
XL
ID
0
XL SERVO
AMP(3/4)
MR-J3-70B- RJ024
XY RELA Y
PCB(2 /5)
LS0-4-1CN4-1 MCCN1CH 1CH
POSITION
BOARD(1/2)
MR-MC-121-S01
MR-J3BUS1M
MR-J3BUS015MMR-J3 BU S01 5M
321
4
5 6 7 8 9 10 11 12
13
14
15
34
35
16 17 18 19 20 21 22 23
25 26 27 28 29
39
40 42
41
30 31
32 33
24 36
37 38
45 53
44 52
47
49 57
55
50 58
48
46
43 51
54
56