KE-2070_KE-2080_KE-2080R-Rev16 - 第166页
- 15 9 - 80. SY STE M DI AG RA M ( B AS E FEED ER ) SYSTEM DIAGRAM(BASE FEEDER) 1-2C CH 2R C N1F 1-5C 15-2D 15-2D 9-1C 15-1B I/O CONTROL PC B(4/5) CN 3 LS 4-3 CN 1 CN521R (R3 -2) LE D PC B CN1 C N541 ( R3- 1) LE D PC B C…

- 158 -
NOTE( 注記 ) #01....FOR OPTIONAL PARTS(2070) オプション部品(2070)
#02....FOR OPTIONAL PARTS(2080,2080R) オプション部品(2080,2080 R)
REF.NO NOTE PART NO D E S C R I P T I O N
品 名
Qty
1
#01
400-61126 VACUUM CABLE ASM 70
バキュームケーブル組70
1
2
#02
400-61127 VACUUM CABLE ASM 80
バキュームケーブル組80
1
3
#01
400-45481 VACUUM SV CAVLE 70 ASM
バキュームSVケーブル70組
(1)
4
#02
400-45483 VACUUM SV CAVLE 80 ASM
バキュームSVケーブル80組
(1)
5 400-45473 Z3 EJECTOR ASM
Z3エジェクタ組
(1)
6 400-45474 Z4 EJECTOR ASM
Z4エジェクタ組
(1)
7 400-45475 Z5 EJECTOR ASM
Z5エジェクタ組
(1)
8 400-45476 Z6 EJECTOR ASM
Z6エジェクタ組
(1)
9
#02
400-45477 Z7 EJECTOR ASM
Z7エジェクタ組
(1)
10 400-45471 Z1 EJECTOR ASM
Z1エジェクタ組
(1)
11 400-45472 Z2 EJECTOR ASM
Z2エジェクタ組
(1)
12 400-45462 Z1 SLOW DOWN SENSOR ASM
Z1スローダウンセンサ組
1
13 400-45464 Z2 SLOW DOWN SENSOR ASM
Z2スローダウンセンサ組
1
14 400-45465 Z3 SLOW DOWN SENSOR ASM
Z3スローダウンセンサ組
1
15 400-45466 Z4 SLOW DOWN SENSOR ASM
Z4スローダウンセンサ組
1
16 400-45468 Z5 SLOW DOWN SENSOR ASM
Z5スローダウンセンサ組
1
17 400-45469 Z6 SLOW DOWN SENSOR ASM
Z6スローダウンセンサ組
1
18
#02
400-45470 Z7 SLOW DOWN SENSOR ASM
Z7スローダウンセンサ組
1
19 400-45461 NOZZLE UP SV ASM
ノズルアップSV組
1
20 400-45458 NOZZLE DOWN SENSOR L ASM
ノズルダウンセンサL組
1
21 400-45460 NOZZLE DOWN SENSOR R ASM
ノズルダウンセンサR組
1

- 159 -
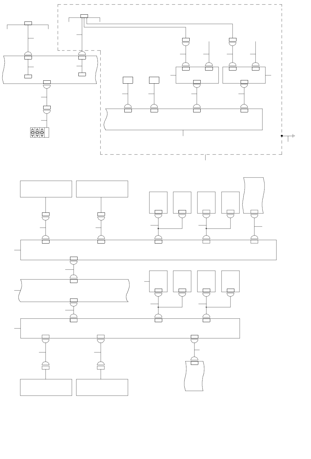
80. SYSTEM DIAGRAM (BASE FEEDER)
SYSTEM DIAGRAM(BASE FEEDER)
1-2C
CH 2R
CN1F
1-5C
15-2D
15-2D
9-1C
15-1B
I/O CONTROL
PC B(4/5)
CN3LS 4-3CN1 CN521R
(R3-2)
LED PCB
CN1CN541
( R3- 1)
LED PCB
CN1CN551
CN2
(1/ 2)
CN5 02
(R2-2)
LED PCB
CN1
CN561
( R2- 1)
LED PCB
CN1
CN571
CN3
(1/ 2)
CN5 03
I/O CONT ROL
PCB(3/ 5)
CN 2L S4-2 CN521F
CN1
7-1B
9-3D
(F1-1)
LED PCB
CN1CN541
(F1-2 )
LED PCB
CN1CN551
CN2
(1/2)
CN502
( F2-1 )
LED PCB
CN1CN561
(F2-2)
LED PCB
CN1CN571
CN3
(1/2)
CN503
RFID E
F 11E
CN 04SL
CN 4SR
CN 4SL
C N4SCH 4 CH 4 S
CN03ML
CN3 MR
CN3 ML
C N3MCH 3 CH 3 M
CONN ECT OR BRACKET
(OVE RAL L R EPLACEM ENT
TABL E R )
CH 2 CH2 R
CH1 CH1 F
CONN ECT OR BRACKET
(OVE RAL L R EPLACEM ENT
TABL E F )
CN7
BANK/FPI-R
PCB.
BASE -FE EDER
PC B(2 /4)
B ANK/F PI-F
PCB .
FEEDER(FR)
K E-2 080-S T(R FID)
RFID WIRING
MPC-4C(2/2)
CN11
(L)
COVER
MTC I/F
CN6
LS3-6
CN6
FEEDER(RR)
FEEDER(RL)
CN7
CN6
FEEDER(FR)
CN1
LS3-2
13-4B
CN11
COVER
MTC I/F(L)
CN6
CN 2CN483
SIGNAL LIGHT
BASE-FEEDER
PCB(3/4)
LS3-4F CN4F
CN506F
CN507F
CN501F CN4R CN501R
CN506R
CN507R
BK-FL
BK-FR
BK-RL
BK-RR
LS3-4RCN5
9-4A
LS3-6
9-2B
45
1
6
7
2
3
89
32
31
30
34
33 35
36
10
11
12
13
15
18
29
16
19 20 21 22
24 27 1725
23 26
28

- 160 -
NO TE( 注 記 ) #01....FOR 2080,2080R 2080,20 80 R 用
REF.NO NOTE PART NO D E S C R I P T I O N
品 名
Qty
1 400-01951 BANK FPI F PCB ASM. バンク FPI F PCB 組 1
2 400-01941 BASE FEEDER PCB ASM.
ベースフィーダ基板組
1
3 400-01949 BANK/FPI-R PCB ASSY
BANK / FPI − R 基板組
1
4 400-02244 BANK FR CABLE ASM バンクFBケーブル組 1
5 400-02243 BANK FL CABLE ASM
バンクFLケーブル組
1
6 400-02088 BANK F CABKE ASM
バンク F ケーブル組
1
7 400-02089 BANK R CABKE ASM バンク R ケーブル組 1
8 400-02245 BANK RL CABLE ASM
バンクRLケーブル組
1
9 400-02246 BANK RR CABLE ASM
バンクRRケーブル組
1
10 400-03265 SIGNAL TOWER ASM
シグナルタワー組
1
11 400-02090 SIGNAL LIGHT CABLE ASM
シグナルライトケーブル組
1
12 400-02052 BASE MTC CABLE ASM
ベース MTC ケーブル組
1
13 400-02104 MTC I/F(L) CABLE ASM
MTC I / F(L)ケーブル組
1
14 400-02086 FPI R CABLE ASM
FPI R ケーブル組
1
15
#01
400-73931 KE-2080-ST(RFID)
KE −2080− ST(RFID)
1
16 400-73032 4 PORT MPC
4ポート MPC
(1)
17 400-73748 RFID S BRANCH MTC I/F CABLE ASM
RFID S ブランチ MTC I / F ケーブル組
(1)
18 400-73745 RFID MTC I/F(L) CABLE ASM RFID MTC I / F(L)ケーブル組 (1)
19 401-22523 RFID BANK F CONTROL BOX CABLE ASM
RFID バンク F コントロールボックスケーブル組
(1)
20 401-22524 RFID BANK R CONTROL BOX CABLE ASM
RFID バンク R コントロールボックスケーブル組
(1)
21 401-22525 RFID M BRANCH CONTROL BOX CABLE ASM RFID M ブランチコントロールボックスケーブル組 (1)
22 401-22526 RFID S BRANCH CONTROL BOX CABLE ASM
RFID S ブランチコントロールボックスケーブル組
(1)
23 KK-0000009-50 CONNECTOR
コネクタ
(1)
24 400-73749 RFID M BRANCH MTS I/F CABLE ASM RFID M ブランチ MTS I / F ケーブル組 (1)
25 400-73746 RFID M BRANCH MTC I/F CABLE ASM
RFID M ブランチ MTC I / F ケーブル組
(1)
26 KK-0000009-50 CONNECTOR
コネクタ
(1)
27 400-73750 RFID S BRANCH MTS I/F CABLE ASM
RFID S ブランチ MTS I / F ケーブル組
(1)
28 401-22522 RFID CONTROL BOX FG CABLE (60) ASM
RFID コントロールボックス FG(60)ケーブル組
1
29 400-02052 BASE MTC CABLE ASM
ベース MTC ケーブル組
1
30 E8626-729-0A0 FPI LED BOARD ASM.
FPI LED 基板組
1
31 400-02250 FPI LED CABLE ASM B
FPI LED ケーブル組 B
1
32 400-02087 FPI F CABLE ASM
FPI F ケーブル組
1
33 400-02250 FPI LED CABLE ASM B
FPI LED ケーブル組 B
1
34 400-02249 FPI LED CABLE ASM A
FPI LED ケーブル組 A
1
35 400-02249 FPI LED CABLE ASM A FPI LED ケーブル組 A 1