KE-2070_KE-2080_KE-2080R-Rev16 - 第173页
- 16 6 - N OT E( 注記 ) # 0 1 ....F O R EN EN 用 REF .NO N OTE PART NO D E S C R I P T I O N 品 名 Q ty 1 E94 31-7 29- 0 A 0 C EN T M O T O R ASM . CENT モータ組 1 2 400- 0 2 1 7 3 CENT MOTO R CABL E ASM CENT モータケーブル組 1 3 40 0 -0…

- 165 -
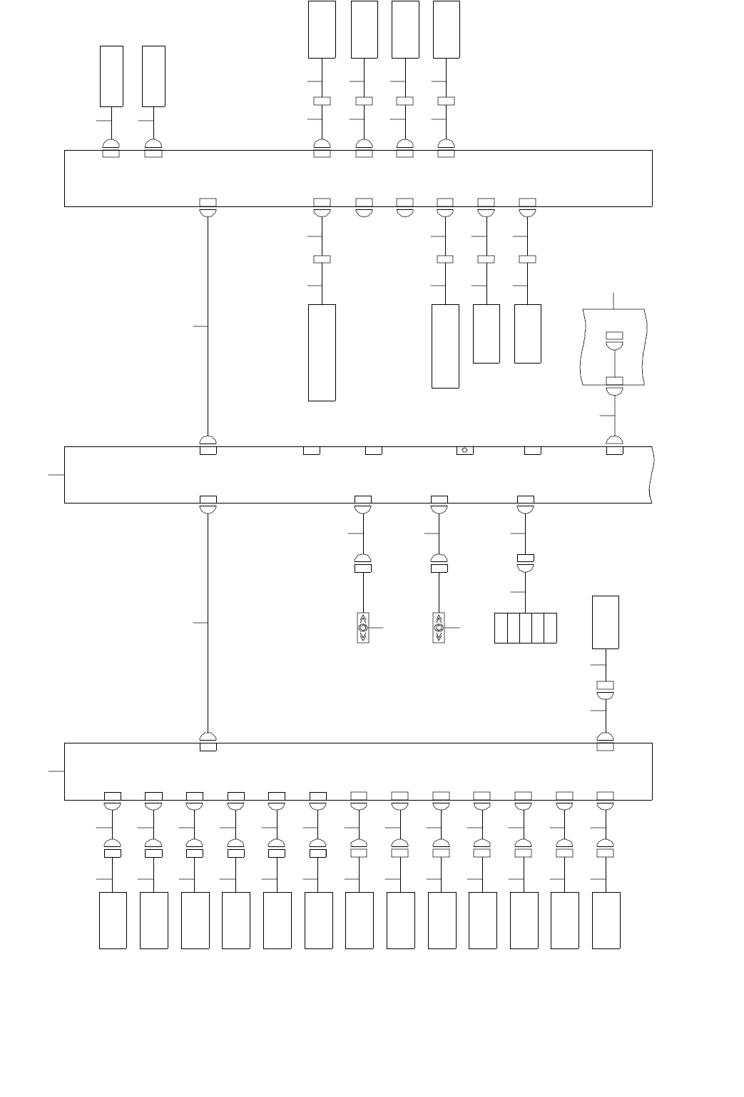
83. SYSTEM DIAGRAM (CARRY MOTOR)
SYSTEM DIAGRAM(CARRY MOTOR)
FG
CN492
16-2B
11-2A
7-1B
9-4B
CN656
12-3 D
POWER UNIT(9/13)
CN655 CN028 CN004 CN601 CN1
1-2D
CN660
5PHASE DRIVER(2/2)
CN659
AUTO WI DT H
ADJUS TMEN T
MOTOR
BU UP ENCODER(L)
CN632 CN32
CN658
BU UP MOTOR(L)
CN63 4 CN 34CN657
CENTER MOTOR(L)
1-2D
5PHASE DRIVER(2/2)
FG
5PHASE DRIVER
CN2CN672
THERMAL
SENSOR
PCB(BASE
FRAME)
CN62 7CN27
CAL
VACUUM
SENSOR
CN66 9CN63 0CN30
CAL
PCB
CN2CN1
CALS.V
CN491CN62 8CN28
BANK
UP
SENSOR(R)
CN4 36 CN6 43 CN43
BANK
UP
SENSOR(F)
CN4 35 CN6 42 CN42
LS3-1 CN1CN62 6CN26
LS3-3 CN3CN62 3CN23
BASE F EED ER
PCB( 4/4)
14-2 A
LS1-4 CN4CN 611CN11
LS1-6 CN6CN63 5CN35
SAFETY PCB ASM(3/4)
CN36
CN67 1
CN636
CN633 CN33
CN631 CN31
CARRY
PCB(2/2)CN1
1
510 12
2
13
6
7
11
14
15
16
17
26
27 29
28
433
34 8 9
18 19 20 32
21 23 30
22
25
3124
3

- 166 -
NOTE( 注記 ) #01....FOR EN EN 用
REF.NO NOTE PART NO D E S C R I P T I O N
品 名
Qty
1 E9431-729-0A0 CENT MOTOR ASM.
CENT モータ組
1
2 400-02173 CENT MOTOR CABLE ASM
CENT モータケーブル組
1
3 400-02100 CENT MOTOR PWR CABLE ASM
CENT モータ PWR ケーブル組
1
4 400-02093 CENT MOTOR PULSE CABLE ASM
CENT モータ PULSE ケーブル組
1
5 E9432-729-0A0 BU MOTOR ASM.
BU モータ組
1
6 400-02174 BU MOTOR CABLE ASM
BU モータケーブル組
1
7
#01
400-02175 BU MOTOR CABLE ASM(EN)
BU モータケーブル組 EN
1
8 400-02098 BU MOTOR PULSE CABLE ASM
BU モータ PULSE ケーブル組
1
9
#01
400-02099 BU MOTOR PULSE CABLE ASM
BU モータ PULSE ケーブル組
1
10 E9433-729-0A0 BU ENC ASM.
BU ENC 組
1
11 400-02095 BU ENC CABLE ASM
BU ENC ケーブル組
1
12 E9434-729-0A0 WIDTH ADJUST MOTOR ASM.
自動幅調モータ組
1
13 400-02094 AWC ENC CABLE ASM
AWC ENC ケーブル組
1
14 400-02176 AWC MOTOR CABLE ASM
AWC モータケーブル組
1
15
#01
400-02177 AWC MOTOR CABLE ASM(EN)
AWC モータケーブル組 EN
1
16 400-02096 AWC MOTOR PULSE CABLE ASM
AWC モータ PULSE ケーブル組
1
17
#01
400-02097 AWC MOTOR PULSE CABLE ASM
AWC モータ PULSE ケーブル組
1
18 400-45438 CENT-PM CTRL CABLE ASM
CENT − PM コントロールケーブル組
1
19 400-02078 CRY SAFE CABLE ASM
キャリーセーフティ接続ケーブル組
1
20 400-02075 CRY BASE CABLE ASM
キャリーベース接続ケーブル組
1
21 400-02179 CAL BLOCK CABLE ASM
キャルブロック基板ケーブル組
1
22 400-02125 CAL VCUM SV ASM
CAL VCUM SV 組
1
23 400-02180 CAL VCUM CABLE ASM
キャルバキュームセンサケーブル組
1
24 E8609-721-0A0 CAL BLOCK CIRCUIT BOARD ASM.
キャルブロック基板組
1
25 400-02126 CAL VCUM SENSOR ASM
CAL バキュームセンサ組
1
26 400-02167 BANK UP(F)SENS ASM
バンクアップ(F)センサ組
1
27 400-02168 BANK UP(F)CABLE ASM
バンクアップ(F)ケーブル組
1
28 400-02169 BANK UP(R)SENS ASM
バンクアップ(R)センサ組
1
29 400-02170 BANK UP(R)CABLE ASM
バンクアップ(R)ケーブル組
1
30 400-02119 BASE TEMP CABLE ASM
ベース温度ケーブル組
1
31 E8621-729-0A0 TEMPERATURE SENSOR PWB ASM.
温度センサ基板組
1
32 400-02081 TEMP VAC CABLE ASM
温度圧力センサケーブル組
1
33 400-02085 CARRY MOTOR AC CABLE ASM
キャリーモータ AC ケーブル組
1
34
#01
400-02276 CARRY M PWR CABLE ASM(EN)
キャリー M パワーケーブル組(EN)
1

- 167 -
84. SYSTEM DIAGRAM (CARRY UNIT)
SYSTEM DIAGRAM(CARRY UNIT)
LS0-15
14-1A
2-2D
XY RELAY PCB(3/5)
CN15CN15LS0-15CN637
CN433CN419RCN19
FEEDER FLOAT
SENSOR(RF)
(RECEIVING)
CN431CN415RCN15
FEEDER FLOAT
SENSOR(FR)
(RECEIVING)
CN430CN414RCN14
FEEDER FLOAT
SENSOR(FF)
(EMISSION)
CN432CN418RCN18
F EED ER D ETECT
S ENS OR
( EMI SSIO N)
CN434
CN420R CN20
FEEDER DETECT
SENSOR
(RECEIVING)
CN429
CN413R CN13
M AIN AI R PR ESSURE
S ENS OR
E 981 9
CN08
CN412R CN12
CN411R CN11
C N 410 R CN 10
AUTO WIDTH ADJUSTMENT
ORIGIN SENSOR
E9819
CN445
CN409R CN9
ATC
C LOS E SE NSOR
CN403RCN3
AT C
OP EN SENS OR
CN402RCN2
CARRY
SENSOR
RELAY
PCB (R)
CN621 CN421 CN1
BA CK U P PI N
SE NS OR
(E MI SSIO N)
CN443CN420LCN20
FEEDER FLOAT
SENSOR(RR)
(RECEIVING)
CN426 CN415L CN15
FEEDER FLOAT
SENSOR(RF)
(EMISSON)
CN428 CN419L CN19
FEEDER FLOAT
SENSOR(FR)
(EMISSON)
CN427
CN418L CN18
FEEDER FLOAT
SENSOR(FF)
(RECEIVING)
CN425 CN414L CN14
CN442 CN407L CN7
BU LOCK
S ENS OR
CN446 CN405L CN5
BACK UP PIN
SENSOR
(RECEIVING)
CN444 CN408L CN8
BU ORIGIN
SENSOR(L)
(CN409L) CN409L CN9
CN441 CN416L CN16
CN440 CN417L CN17
CN439 CN404L CN4
OU T S ENS OR
RI GHT
CN438 CN403L CN3
IN SEN SOR
LE FT
CN437 CN402L CN2
CARRY
SENSOR
RELAY
PCB (L)
BU LOCK
ATC
SHAPE Y
SHAPE X
STOPPER
S.V.
NO N-S TOP
SI GNA L
L I G H T ( R ) MPTL_R
N ON- STOP
S IGN AL
L IGH T(F) MPTL_F
CN37
CN3
(CN39)
TB
CN670 CN612 CN12
CN2
(CN38)
CN23
CN21
13-3A
CN24
CN671
CN624
CN625 CN25
CN631 CN31
CARRY
PCB(1/2)
CN 1
W AIT SE NSOR
S TOP SE NSOR
(L)
C .OU T S ENSOR
(L)
T P IN SENO R
(L)
FEEDER FLOAT
SENSOR(RR)
(EMISSION)
1
24
36
79
810
11 13
12 14
15 17
16
28
19 21
20 22
23 25
24 26
27
51 52 54
53
5857
43
42
55
5634
35
30
36
37 39
38 40
41
32 33
44 46 48 50
45 47 49 31
18
5
29
NOTE1
NOTE1
NOTE1
NOTE1
NO T E1
NO T E1
NOTE1
NOTE1
NOTE1
NOTE1
NOTE1
FLOAT SENSOR and DETECT SENSOR is a set of Emitter and Receiver.
Suffix_1:Emitter
Suffix_2:Receiver