KE-2070_KE-2080_KE-2080R-Rev16 - 第178页
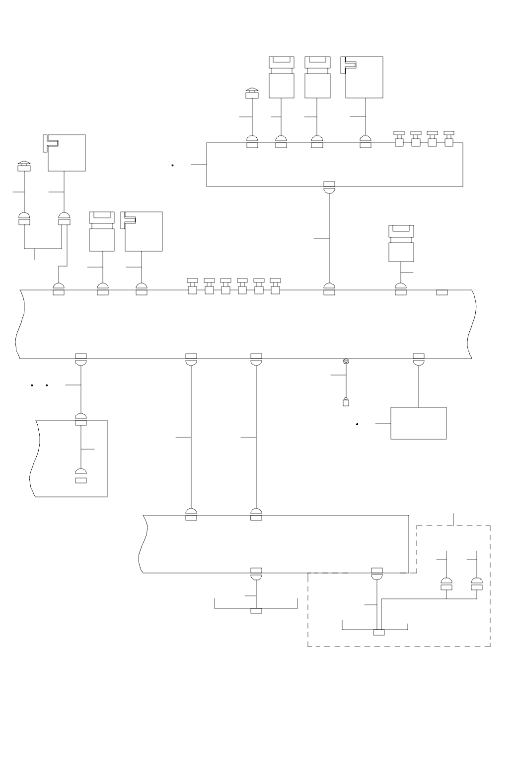
- 17 1 - 86 . SY STE M DI AG RA M ( O PE RA TIO N UN IT ) SYSTEM DIAGRAM(OPERATION UNIT) 14 -1 A CN 2 CN 02 K EY C HA NG E SW C N1 8CN 71 8 KE -208 0-ST (RFI D) R FID WI RI NG CN04SR CN03MR C N04SR C N03MR 9- 4D 9- 4C MT…

- 170 -
NOTE( 注記 ) #01....FOR EN EN 用
REF.NO NOTE PART NO D E S C R I P T I O N
品 名
Qty
1 400-44847 XY RELAY CABLE3 ASM
XY リレーケーブル3組
1
2 400-45444 XY-SAFETY I/F CABLE ASM
XY − SAFETY I / F ケーブル組
1
3 400-45268 SAFETY CABLE1 ASM
セーフティケーブル1組
1
4 E9378-729-0A0 SMEMA CABLE (L) ASM.
スメマケ−ブル(L)組
1
5 400-02334 SMEMA CABLE(R)ASM
スメマケーブル R 組
1
6 400-45269 SAFETY CABLE2 ASM
セーフティケーブル2組
1
7 400-45270 SAFETY CABLE3 ASM
セーフティケーブル2組
1
8 400-02202 SAFETY CABLE ASM
セーフティケーブル組
1
9 400-45445 PMDC L CABLE ASM
PMDC L ケーブル組
1
10 400-01953 OPERATION PWB ASM.(ST)
オペパネ基板 ST 組
1
11
#01
400-01954 OPERATION PWB ASM.(EN)
オペパネ基板 EN 組
1
12 400-45449 I/O MOTOR L CABLE ASM
I / O モータ L ケーブル組
1
13 HM-0013200-00 MOTOR DRIVER
モータドライバ
1
14 400-45450 I/O MOTOR R CABLE ASM
I / O モータ R ケーブル組
1
15 E9431-729-0A0 CENT MOTOR ASM.
CENT モ−タ組
1
16 400-45446 PMDC R CABLE ASM
PMDC R ケーブル組
1
17 HM-0013200-00 MOTOR DRIVER
モータドライバ
1
18 E9431-729-0A0 CENT MOTOR ASM.
CENT モータ組
1

- 171 -
86. SYSTEM DIAGRAM (OPERATION UNIT)
SYSTEM DIAGRAM(OPERATION UNIT)
14-1A
CN2CN02
KEY CHANGE SW
CN18CN718
KE-2080-ST(RFID)
RFID WIRI NG
CN04SR
CN03MR
CN04SR
CN03MR
9-4D
9-4C
MTC I/F (R)
COVER
CN12
LS4-1
CN7
SFSW 007
SFSW
705/928
SAFE TY SW
CN16CN16 LS0-16
XY RELAY PCB(5/5)
LS0-16
MTC I/F(R)
CN25
(NO N-STOP OPERATION)
FEED ER SW(F)
CN71 9CN19
LS4-6CN6
CN1LS4-1
SW9
SW10
SW5
SW6
SW1
SW2
14-3B
9-3C
I/O CONTROL
PCB(5/5)
COVE R
COVE R OPEN
SW(F )
LS4-4CN4 CN1CN701
CN1CN741
CN7CN7
EMG SW_ FR
CN705
CYCL E SW
SERVO FRE E SW
STOP SW
STAR T SW
ORIG IN SW
ON LINE SW
CN5
CN15CN715
CN3
CN11CN711
CN703
OPERATION
PCB(2/3)
HOD BOX
CN12
OPE- E1
19-4A
10
FG-TAP
FRONT
FEED ER SW(R)
(NON -STOP OPERATION)
EMG SW_ RR
SW PCB
OPER ATION
KEY CHANGE SW
CN5 CN745
CN7CN7
STAR T SW
STOP SW
SERV O FREE SW
CYCL E SW
CN2 CN742
SW6
SW5
SW10
SW9
CN6 CN746
SFSW
005/928
COVER O PEN
SW(R)
1
2
3 24
56
4
7
16
17
21
22 23
20
18
810
925
11
14
12
13
27 15
19
26

- 172 -
NOTE( 注記 ) #01....FOR EN EN 用
#02....FOR 2080R 2080 R 用
#03....FOR 2070,2080 2070,2080用
#04....FOR 2080,2080R 2080,2080 R 用
REF.NO NOTE PART NO D E S C R I P T I O N
品 名
Qty
1 400-44846 XY RELAY PCB ASM OPE - CN16 CABLE ASM
XY リレー PCB 組 OPEー CN 16ケーブル組
1
2
#03
400-45440 OPEPANE PWR CABLE ASM
オペパネパワーケーブル組
1
3
#02
400-80205 OPEPANE PWR CABLE ASM
オペパネ電源ケーブル組
1
4 400-02105 MTC I F(R) CABLE ASM
MTC I / F(R)ケーブル組
1
5 400-02197 RS232C CABLE ASM
RS 232 C ケーブル組
1
6 400-02203 OP S P CABLE ASM
OP S / P ケーブル組
1
7 400-02207 OP FG CABLE ASM
OPFG ケーブル組
1
8 400-02205 F EMG SWITCH CABLE ASM.
F エマージェンシーケーブル組
1
9 400-02252 FEEDER SWITCH CABLE ASM
フィーダスイッチケーブル組
1
10 400-02254 COVER OPEN SW CABLE ASM
カバーオープンスイッチケーブル組
1
11 400-02204 R OP SWITCH CABLE ASM R OP スイッチケーブル組 1
12 400-01956 OPERATION SW PWB ASM.
オペパネ SW 基板組
1
13
#01
400-01957 OPERATION SW PWB ASM.(EN)
オペレーション SW 基板組(EN)
1
14 4002206 R EMG SWITCH CABLE ASM R EMG スイッチケーブル組 1
15 4002251 OPRATION ON SW CABLE ASM
オペレーションオン SW ケーブル組
1
16 E9649-729-000 HOD ASM.
HOD 組
1
17 #01 E9662-729-000 HOD (EN) HOD(EN) 1
18 400-66604 SAFETY SWITCH RELAY CABLE ASM
安全スイッチ中継ケーブル組
1
19 400-02254 COVER OPEN SW CABLE ASM
カバーオープンスイッチケーブル組
1
20 #04 400-73931 KE-2080-ST(RFID) KE −2080− ST(RFID) 1
21 400-73744 RFID MTC I/F(R) CABLE ASM
RFID MTC I / F(R)ケーブル組
(1)
22 400-73746 RFID M BRANCH MTC I/F CABLE ASM
RFID M ブランチ MTC I / F ケーブル組
(1)
23 400-73748 RFID S BRANCH MTC I/F CABLE ASM RFID S ブランチ MTC I / F ケーブル組 (1)
24
#01
400-02198 OP POWER CABLE ASM
OP パワーケーブル組
1
25 400-02254 COVER OPEN SW CABLE ASM
カバーオープンスイッチケーブル組
1
26 400-02251 OPERATION ON SW CABLE ASM オペレーションオン SW ケーブル組 1
27 400-02252 FEEDER SWITCH CABLE ASM
フィーダスイッチケーブル組
1