KE-2070_KE-2080_KE-2080R-Rev16 - 第181页
- 17 4 - N O TE( 注記 ) #0 1 .... FOR 2080,20 80 R 2080,2080 R 用 #0 2 ....REFER T O THE LAS T P AGE 最終ページのマシン Rev 管理表を参照下さい。 M /C RE V C HA RT . RE F.NO NOTE PA RT NO D E S C R I P T I O N 品 名 Q ty 1 4 00-45 4 43 C DD/FDD …

- 173 -
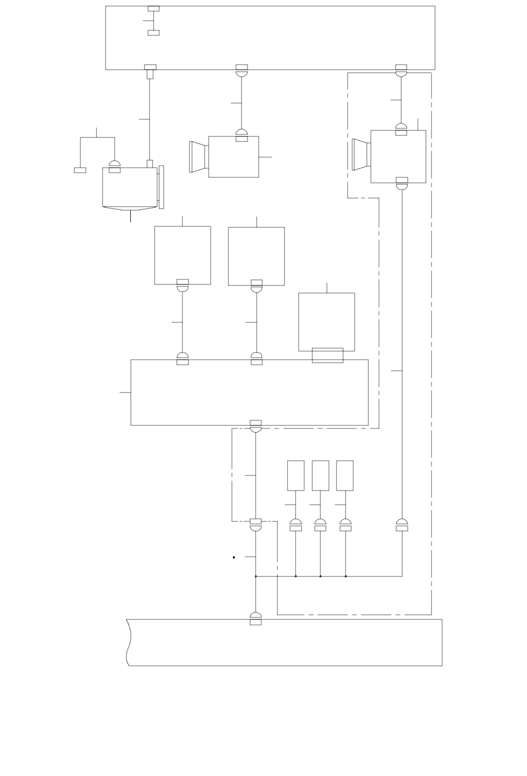
87. SYSTEM DIAGRAM (CPU)
SYSTEM DIAGRAM(CPU)
17-3A
13-2B
1-2C
KE-2080-ST(RFID)
COVER
RFID WIRING
1-5C
X2LAN
SWITCHING HUB
(2/2)
LAN
LANX1
LAN
LAN
COVER
CH2USB CH2
CH1USB CH1
1-2C
FDD I/ F
CPU
BOARD(2/3)
HDD HDD I/F LPT
SSD
PRINTER
FDD
FDD
CN13
COVER
COM1
POWER UNIT(10/13)
1-2C
CABL E
ACCESSORY
(2/2)
UPS
COVER
ACCESS LAMP
HARD DISK
19-2 A
HD D COPY
FDD PWR
2
3
4
7
9
8
56
12
13
1
10
11
14

- 174 -
NOTE( 注記 ) #01....FOR 2080,2080R 2080,2080 R 用
#02....REFER TO THE LAST PAGE 最終ページのマシン Rev 管理表を参照下さい。
M/C REV CHART.
REF.NO NOTE PART NO D E S C R I P T I O N
品 名
Qty
1 400-45443 CDD/FDD PWR CABLE ASM
CDD / FDD パワーケーブル組
1
2
#02
401-32223 ENV SYS ASM(132 MES)
システム組(132 MES)
1
3 400-47492 HDD I/F CABLE ASM
HDD インターフェイスケーブル組
1
4
#02
401-07372 CPU BOARD
CPU ボード
1
5 400-44522 USB RELAY CABLE
USB 延長ケーブル
1
6 400-44522 USB RELAY CABLE USB 延長ケーブル 1
7 400-02311 PRINTER I F CABLE ASM
プリンタ I / F ケーブル組
1
8 E9619-729-000 FDD
FDD
1
9 400-02321 FDD I F CABLE ASM
FDDI / F ケーブル組
1
10 L835E-221-0A0 HDD ACCESS LAMP ASM
HDD アクセスランプ組
1
11
#01
400-73931 KE-2080-ST(RFID)
KE −2080− ST(RFID)
1
12 400-73780 FX1R RFID LAN CABLE (1.65M) ASM
RFID LAN ケーブル(1.65 M)組
(1)
13 400-73779 FX1R RFID LAN CABLE (2.15M) ASM
RFID LAN ケーブル(2.15 M)組
(1)
14 400-73033 SWITCHING HUB
スイッチングハブ
1

- 175 -
88. SYSTEM DIAGRAM (VCS)
SYSTEM DIAGRAM(VCS)
6P
CN6 C N6
LS 5 -2 C N2
LS 5 -5
LS2-2
13 - 4D
VCS(OCS)
MONITOR
IN
CN2
VCS(L) CN5
LS5-1 CN1VCS(L)
VCS SENSOR_OP
VCS SENSOR_ST
VCS CHANGE SV
CN470
CN475
CN474
CN476
CN477
CN471
CN472 CN481
CN491CN473
HIGH-RESOLUTION CAMERA OPTION
VCS OP
VCS OP PWR
VCS ST
7-1A
LIGHT CTR L
PCB(3/3)
BOTTOM LIGHT PCB
B ACK
L IGHT
PCB
SIDE
LIGHT
UNIT
COAXIAL
LIGHT PCB
VCS CAMERA
(STANDSRD)
VCS CAMERA
(HIGH RESOLUTION)
IP-X3R B PCB
2 3
4
56 7
11
12
13
8
1
19
21
10
17
14
15
20
9
16
18
MONI PWR
VCS(OCS) MONITOR PWR
1-5D