KE-2070_KE-2080_KE-2080R-Rev16 - 第189页
- 18 2 - NOTE( 注記 ) #0 1....F OR 2080E 2080 E 用 RE F.N O N O T E PA RT NO D E S C R I P T I O N 品 名 Qt y 1 400-66952 OCC LI G HT L C AB LE AS M OCC ライト L ケーブル組 1 2 400-66947 HE A D RE L AY PC B ASM ヘッドリレー基板組 1 3 400-6695…

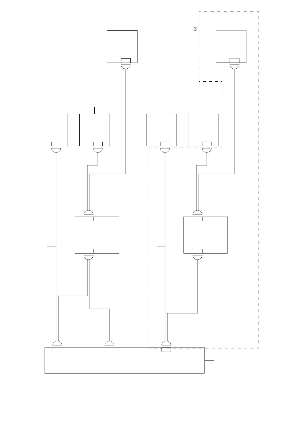
- 181 -
91. SYSTEM DIAGRAM (SOLDER REC OPTION)
SYSTEM DIAGRAM(SOLDER REC OPTION)
CN1
OCC- A LIGHT PCB
ASM( OPASS_R)
CN1
OCC-C LIGHT
PCB AS M
CN1
OPASS(R)
OCC2(R)
OCC-A LIGHT PCB
ASM(ST D)
OCC1(R )
H/S-36 H/S-38CN38CN36
CN1
OCC- A LIGHT PCB
ASM( OPASS_L)
CN1
OCC-C LIGHT
PCB AS M
CN1
GX-6 2080(E )
CN82 4CN4
HEAD RELAY PCB
ASM(2/2)
H/S-35
OPASS(L)
OCC2(L)
OCC-A LIGHT PCB
ASM(ST D)
H/S- 37CN37CN35
HEAD RELAY PCB
ASM(1/2)
OCC1(L )
CN811
CN82 3
HEAD MAI N
PCB ASM
CN11
CN3
5
1
36
2
7
4

- 182 -
NOTE( 注記 ) #01....FOR 2080E 2080 E 用
REF.NO NOTE PART NO D E S C R I P T I O N
品 名
Qty
1 400-66952 OCC LIGHT L CABLE ASM
OCC ライト L ケーブル組
1
2 400-66947 HEAD RELAY PCB ASM
ヘッドリレー基板組
1
3 400-66953 OCC OPASS L CABLE ASM
OCC OPASS L ケーブル組
1
4
#01
400-66954 OCC LIGHT R CABLE ASM
OCC ライト R ケーブル組
1
5 400-90481 HEAD MAIN PCB ASM
ヘッドメイン基板組
1
6
#01
400-66955 OCC OPASS R CABLE ASM
OCC OPASS R ケーブル組
1
7 400-01982 OCC A LIGHT P.C.B ASM
OCC 角度照明基板組
1

- 183 -
92. SYSTEM DIAGRAM (SAFETY UNIT)
SYSTEM DIAGRAM(SAFETY UNIT)
(blue)
(blue)
(y el low )
R_ A R
F_AR
Standard version
N on -s to p op er at io n
version only (option)
No n- st op o pe ra ti on
ve rs io n on ly ( op ti on )
HOD
COVER OPEN SW(F)
COVER OPEN SW(R)
CN707
OPERATION SW PCB
OPERATION PCB
No n- st op o per at io n v er sio n ( op tio n)
Ov er al l Fe ed er E xc ha ng e T ro ll ey v er si on (o pt io n)
(RBUP)
R_BUP
F_BUP
3
1
2
3
1
2
(FBUP)
RBUP
3
1
2
RL BK UP
COM
NO
3
1
2
FB U P
FL BK UP
NO
COM
3
1
2
3
1
2
RBUP
FBUP
SW12
6
5
1
4
3
2
6
5
1
4
3
2
K9
SAFETY RELAY
4
2
3
1
43
21
CN644
1
4
2
3
1
4
2
3
2
1
12
CN7 16
6
5
4
3
1
2
6
5
4
3
1
2
4
3
1
2
4
3
1
2
6
5
4
3
1
2
6
5
4
3
1
2
3231
3132
32
31
21
22
22
21
K4
K2 K1
K5
CA
23
24
A
C
AD
A
D
AC
T20
T1 9
C
AB
34
33
34
33
K7
K6
44
K11
43
B
3
1
4
2
K11
5
3
1
6
4
2
T18
T23
13
14
K1
+24V
T2 1
B
A
C
K1 2
1
0
T22
B
A
C
C
1
0
K1 3
B
a
a
K1
K2
T2 2
K1
SA
Circuit
Control
K1K2
TH
-
+
T2 1 T11
T32T31
K11
K5
34
33
A2
A1
A
B
K2
CB
A
23
24
24
23
K7
K6
A2
A1
A
A2
A1
K1
B
K5
K5
T26
K2
K2
K2
K1
65
K1
K1
4
3
2
1
43
K3
K3
21
CP1LT
CP 1LS
CP 1LR
POWER UNIT
CP2-N
CP2-L
BC
AC2
AC1
(toBUUP5
DRIVER L)
(to AWC 5
DRIVER)
(to CARRY RELAY PWB)
CN908
1
2
C N60 1
AC 2
AC 1
C
B
1
2
1
2
CN907
CN906
1
2
1
2
1
2
1
2
T2 5
3
4
1
2
3
4
1
2
8
4
7
6
1
5
3
2
CN714
6
5
1
4
3
2
6
5
1
4
3
2
1
4
3
2
TF2-200/T
TF2-200/S
TF2-200/R
CN929
CN747CN744
CN903
8
4
7
6
1
5
3
2
T24
JJ
T12
JJ
T6
CB
T11
B
A
CA 4
3
1
2
4
3
1
2
CN798R
3
1
2
3
1
2
CN912
CN797R
B
T5
ACA
CN 911
C N91 0
3
1
2
3
1
2
CN798F
4
3
1
2
4
3
1
2
3
1
2
3
1
2
CN797F
CARRY
CN909
3433
K9
1
4
3
2
CO VE R
HEMG
1
4
3
2
1
4
3
2
CN 99 1
1
4
3
2
1
4
3
2
24
12
23
11
24
12
23
11
OPERATION PCB
CN 70 2
F_EMG
1
2
1
2
R_EMG
1
2
1
2
CN928
CN904
1
4
3
2
10
5
9
4
8
7
1
6
3
2
1
4
3
2
1
4
3
2
CN902
K1 3
K13
K12
K12
43
44
34
33
44
43
34
33
K9
44
43
10
5
9
4
1
4
3
2
8
7
1
6
3
2
A2
A1
K4
T14
B
JJ
A
JJ
T4
J
J
T2
T4
T1 7
T16
K8
23
24
B
C
A
K10
ACB
44
K9
23
24
43
1
0
C
43
44
44
43
A2
A1
K7
K6
K3
T9T8
JJC
K1
K2
A1
2414 4 234
4133
BCA
T3
2313
T7
C
B
A2
T1 2
CB
1
K10
1
K8
BCAJJ
K8
DA
BA
C
D
CB
A
T15
B
T2T2
K1 1
1
0
A
K10
T1 3
CBA
1
K7
1
K6
JJCAB
T1T1
CN9 01
8
7
6
5
1
4
3
2
8
7
6
5
1
4
3
2
1
4
3
2
1
4
3
2
CN 02 2
+24V
+24VRT N
+24VRT N
+24V
CARRY_SV_ON1
SERVO ON1
POWER MONITOR(-)
POWER MONITOR(+) 1
4
3
2
1
4
3
2
CN023
1
2
1
2
CN004
CN905
1
2
1
2
K4
K4
(from MAIN TRANSFORMER)
T F1 -34 /0
TF1-34
BC
SAFETY UNIT
AC 10 0V
4
2
3
1
UN IT
POWE R
34
33
0
44
43
34
33
K8
0
00
T1 0
POWER UNIT
K3
1
2
3
4
5
6
7
8
15
13
14
12
10
11
9
16
20
21
24
23
17
18
26
28
25
27
2219