KE-2070_KE-2080_KE-2080R-Rev16 - 第196页
- 18 9 - 95 . SY STE M DI AG RA M ( P L AC EM EN T M O NI TOR /Z T 5,6 M OT OR /Z OR G DI ) SYSTEM DIAGRAM(プレースメントモニタ/ ZT 5,6 MOTOR / Z ORG DI) 3- 2C CN4 A CN 4B Z TC- CN 4B CN 4C CN 4D Z TC- CN 4D ZTC SE RVO AMP (3/ 3) …

- 188 -
REF.NO NOTE PART NO D E S C R I P T I O N
品 名
Qty
1 400-44534 SERVO MOTOR 30W
サーボモータ30 W
1
2 400-44533 SERVO MOTOR 10W
サーボモータ10 W
1
3 400-44534 SERVO MOTOR 30W
サーボモータ30 W
1
4 400-44533 SERVO MOTOR 10W
サーボモータ10 W
1
5 400-44534 SERVO MOTOR 30W
サーボモータ30 W
1
6 400-44533 SERVO MOTOR 10W
サーボモータ10 W
1
7 400-44534 SERVO MOTOR 30W
サーボモータ30 W
1
8 400-44533 SERVO MOTOR 10W
サーボモータ10 W
1
9 401-55290 4AXIS SERVO AMP
4軸一体型サーボアンプ
1
10 401-55290 4AXIS SERVO AMP
4軸一体型サーボアンプ
1

- 189 -
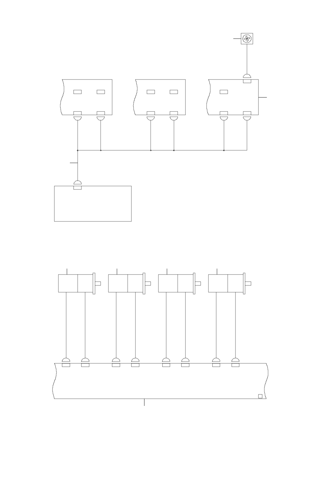
95. SYSTEM DIAGRAM (PLACEMENT MONITOR/ZT5,6 MOTOR/Z ORG DI)
SYSTEM DIAGRAM(プレースメントモニタ/ ZT 5,6 MOTOR / Z ORG DI)
3-2C
CN4ACN4BZTC-CN 4B
CN4CCN 4DZTC- CN4D
ZTC SERVO
AMP(3/3)
MR-MD110
2-4C
CN4ACN 4BZTB- CN4B
CN4CCN 4DZTB- CN4D
ZTB SERVO
AMP(3/3)
MR-MD110
2-2C
HEAD FA N
CN4ACN 4BZTA- CN4B
CN4CCN 4DZTA- CN4DCN13CN13
ZTA SERVO
AMP(3/3)
MR-MD110
HEAD MAIN PCB
T6
MOTOR
HC-BP0136D-S1
T5
MOTOR
HC-BP0136D-S1
Z6 MOTOR
HC-B H033 6L W-S 4
Z5 MOTOR
HC-B H033 6L W-S 4
3-4C
1-1C
CNP2A
CN2A
CNP2B
CN2B
CNP2C
CN2C
CNP2D
CN2D
ID
2
ZTC SERVO
AMP(2/3)
MR-MD110
1234
5
6
7
8

- 190 -
REF.NO NOTE PART NO D E S C R I P T I O N
品 名
Qty
1 400-44534 SERVO MOTOR 30W
サーボモータ30 W
1
2 400-44533 SERVO MOTOR 10W
サーボモータ10 W
1
3 400-44534 SERVO MOTOR 30W
サーボモータ30 W
1
4 400-44533 SERVO MOTOR 10W
サーボモータ10 W
1
5 401-55379 Z ORG DI CABLE ASM
Z ORG DI ケーブル組
1
6 401-55382 HEAD FAN CABLE ASM
ヘッド冷却ファンケーブル組
1
7 401-55290 4AXIS SERVO AMP
4軸一体型サーボアンプ
1
8 401-55290 4AXIS SERVO AMP
4軸一体型サーボアンプ
1