P-0119-001 - 第113页
MODEL TCM-3500Z 9810-001 5- 3 Key No. PART No. PART NAME Q' ty REMARKS 1 -1 630 054 9935 BLOCK 1 678C--02B-015 1 -2 630 052 1108 BLOCK 1 678C--02B-016 2 411 141 4800 W ASHER V 12X24X2.5 8 FW 12 3 411 141 3308 W ASHE…

MODEL TCM-3500Z
9810-001
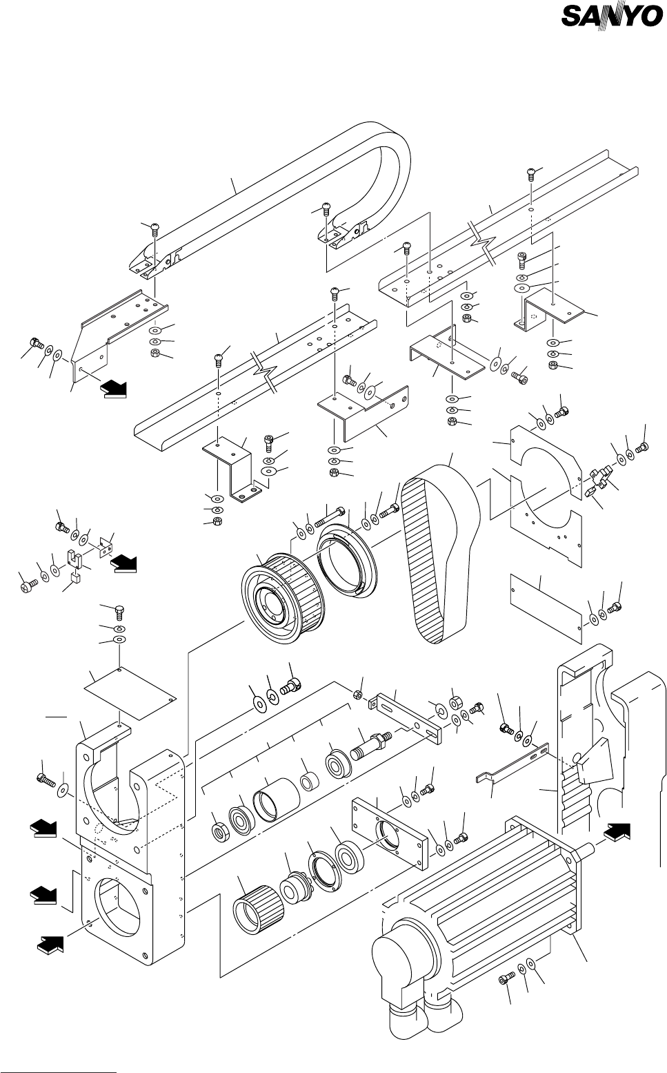
部品供給部 FEEDER CARRIAGE SECTION
Fig. 5-3 リールユニット駆動部 Feeder Carriage Driver
1-1
2
3
4
5
6
7
8
9
10
11
12
14
15
16
17
18
19
20
23
22
21
24
25
26
30
31-4
32
33
31-131-1
31-331-3
31-531-5
37
38
39
40
41
42
4444
4343
4545
4646
4747
4848
4949
5050
5151
5252
60
59
58
57
84
89
90-190-1
92
93
94
99
100
101
102
103
61
62
63
64
TCM-3500E
A
C C
B
B
1-2
.
1-2
31-331-3
5454
5555
5656
5353
94
93
92
100
101101
102102
103103
8989
9595
95
27
28
29
91-191-1
96
97
98
96
97
98
96
97
98
96
97
98
31-231-2
3131
CC
66-166-1
6666
6767
6868
6969
7272
7171
7070
6565
9494
9393
9292
91-291-2
90-290-2
9595
9595
94
93
92
81
82
83
A

MODEL TCM-3500Z
9810-001
5- 3
Key No. PART No. PART NAME Q'ty REMARKS
1 -1 630 054 9935 BLOCK 1 678C--02B-015
1 -2 630 052 1108 BLOCK 1 678C--02B-016
2 411 141 4800 WASHER V 12X24X2.5 8 FW12
3 411 141 3308 WASHER SPR 12 8 SW12
4 630 000 8227 BOLT,HEX-SCT 8 M12X30
5 630 061 2967 PULLEY,TIMING 2 678C--02H-015
6 411 141 4503 WASHER V 8X17X1.6 8 FW8
7 411 141 3100 WASHER SPR 8 8 SW8
8 630 000 8081 BOLT,HEX-SCT 8 M8X60
9 630 064 1905 DISK 2 678C--02B-039
10 411 141 4008 WASHER V 4X9X0.8 6 FW4
11 411 141 2905 WASHER SPR 4 6 SW4
12 630 000 7695 BOLT,HEX-SCT 6 M4X35
14 630 033 4449 MOTOR,AC-SERVO 2 678C--02H-003
15 411 141 4800 WASHER V 12X24X2.5 8 FW12
16 411 141 3308 WASHER SPR 12 8 SW12
17 630 000 8234 BOLT,HEX-SCT 8 M12X35
18 630 061 2974 PULLEY,TIMING 2 678C--02H-012
19 630 032 5126 NUT 2 678C--02H-013
20 630 063 9810 BELT,TIMING 2 678C--02H-020
21 630 052 1122 HOLDER 2 678C--02B-040
22 630 035 0029 BEARING,RADIAL 2 678C--02H-014
23 630 048 4076 HOLDER 2 678C--02B-041
24 411 141 4008 WASHER V 4X9X0.8 8 FW4
25 411 141 2905 WASHER SPR 4 8 SW4
26 630 000 7640 BOLT,HEX-SCT 8 M4X14
27 411 141 4305 WASHER V 6X12.5X1.6 8 FW6
28 411 141 3001 WASHER SPR 6 8 SW6
29 630 000 7916 BOLT,HEX-SCT 8 M6X30
30 630 039 9554 PLATE 2 678C--02B-044
31 630 060 6690 ASSY,PULLEY 2
31 -1 630 054 9997 PULLEY 2 678C--02B-043
31 -2 630 055 1907 COLLAR 2 678C--02B-045
31 -3 630 032 5270 BEARING,RADIAL 4 678C--02H-010
31 -4 630 054 9980 PIN,LOCATE 2 678C--02B-042
31 -5 630 008 6201 NUT 2 678C--02H-011
32 411 141 3308 WASHER SPR 12 2 SW12
33 411 141 1304 NUT HEX 12 2 M12
37 630 001 0237 WASHER 4 678C--02H-009
38 411 141 3001 WASHER SPR 6 4 SW6
39 630 000 7909 BOLT,HEX-SCT 4 M6X25
40 411 141 0703 NUT HEX 6 2 M6
41 630 001 0237 WASHER 2 678C--02H-009
42 630 000 7923 BOLT,HEX-SCT 2 M6X35
43 630 047 6668 PLATE 2 678C--02B-020
44 630 047 6675 COVER 2 678C--02B-021
45 411 141 4008 WASHER V 4X9X0.8 8 FW4
46 411 141 2905 WASHER SPR 4 8 SW4
47 630 000 7626 BOLT,HEX-SCT 8 M4X10
48 630 032 5287 SENSOR,PHOTO 2 678C--02H-017
NOTE

MODEL TCM-3500Z
9810-001
5- 3
Key No. PART No. PART NAME Q'ty REMARKS
49 630 000 0269 SENSOR,PHOTO(CONNECTOR) 3 678C--02H-006
50 411 119 1909 WASHER V 3X7X0.5 6 FW3 F
51 411 086 4408 WASHER SPR 3 6 SW3 F
52 411 042 0703 SCR PAN 3X8 6 M3X8 PAN
53 630 047 6682 COVER 2 678C--02B-022
54 411 141 4008 WASHER V 4X9X0.8 2 FW4
55 411 141 2905 WASHER SPR 4 2 SW4
56 630 000 7640 BOLT,HEX-SCT 2 M4X14
57 630 047 6651 BRACKET 2 678C--02B-019
58 411 119 2104 WASHER V 4X9X0.8 4 FW4 F
59 411 008 1706 WASHER SPR 4 4 SW4 F
60 411 140 4702 BOLT HEX 4X10 4 M4X10 HEX
61 630 054 9959 BRACKET 1 678C--02B-018
62 411 141 4008 WASHER V 4X9X0.8 2 FW4
63 411 141 2905 WASHER SPR 4 2 SW4
64 630 000 7640 BOLT,HEX-SCT 2 M4X14
65 630 054 9942 BRACKET 1 678C--02B-017
66 630 046 6447 SENSOR,PHOTO 1 678C--02H-018
66 -1 630 000 0269 SENSOR,PHOTO(CONNECTOR) 1 678C--02H-006
67 411 141 3902 WASHER V 3X7X0.5 2 FW3
68 411 141 2806 WASHER SPR 3 2 SW3
69 411 040 7803 SCR PAN 3X12 2 M3X12 PAN
70 411 141 4008 WASHER V 4X9X0.8 2 FW4
71 411 141 2905 WASHER SPR 4 2 SW4
72 630 000 7640 BOLT,HEX-SCT 2 M4X14
81 630 067 1070 BRACKET 2 678C--02B-023
82 411 141 4305 WASHER V 6X12.5X1.6 4 FW6
83 411 141 3001 WASHER SPR 6 4 SW6
84 630 000 7893 BOLT,HEX-SCT 4 M6X20
89 630 054 9966 GUIDE 2 678C--02B-025
90 -1 630 052 1139 BRACKET 1 678C--02B-026
90 -2 630 055 4144 BRACKET 1 678C--02B-029
91 -1 630 064 5378 BRACKET 1 678C--02B-028
91 -2 630 055 4151 BRACKET 1 678C--02B-030
92 630 001 0220 WASHER 8 678C--02H-021
93 411 141 4107 WASHER V 5X10X1 8 FW5
94 630 000 7756 BOLT,HEX-SCT 8 M5X12
95 411 140 8106 SCR TRS 5X16 8 M5X16 TRS
96 411 141 4107 WASHER V 5X10X1 8 FW5
97 411 141 6705 WASHER SPR 5 8 SW5
98 411 141 0505 NUT HEX 5 8 M5
99 630 047 8709 MECH PARTS 2 678C--02H-004
100 411 113 9703 SCR TRS 6X10 16 M6X10 TRS
101 411 141 4206 WASHER V 6X12.5X1.6 8 FW6 F
102 411 008 2505 WASHER SPR 6 8 SW6 F
103 411 004 5104 NUT HEX 6 8 M6 F
NOTE