P-0119-001 - 第27页
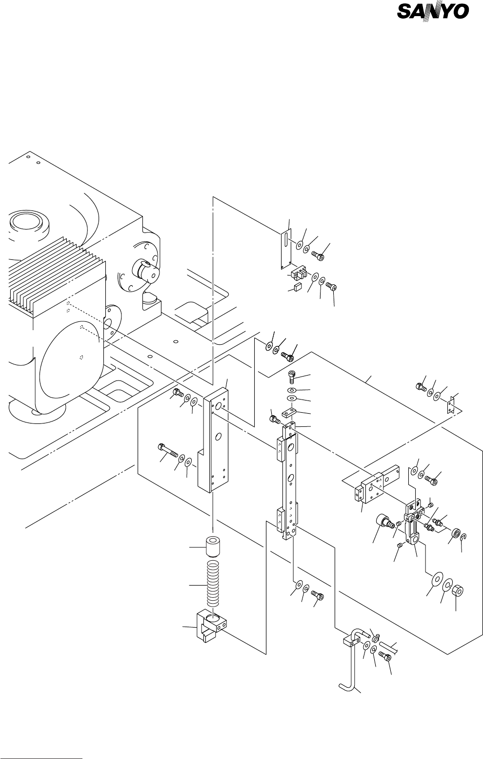
MODEL TCM-3500Z 9810-001 3- 1 Key No. PART No. PART NAME Q' ty REMARKS 1 630 048 7282 PULLEY,TIM ING 1 678K--02H-001 2 630 049 0053 MECH PART S(MECHA LOC K) 1 678K--02H-006 3 630 009 3117 COUPLING 1 678B--02H-004 4 …

MODEL TCM-3500Z
9810-001
ヘッド駆動部 HEAD DRIVING SECTION
Fig. 3-1 ベルトテンショナー Belt Tensioner
30
33
34
35
20
23
24
25
21
22
5
4
10
11
12
6
7
8
9
3
1
2
31
32
See Fig.2-1
Key No.1
36
37
19
29
4796

MODEL TCM-3500Z
9810-001
3- 1
Key No. PART No. PART NAME Q'ty REMARKS
1 630 048 7282 PULLEY,TIMING 1 678K--02H-001
2 630 049 0053 MECH PARTS(MECHA LOCK) 1 678K--02H-006
3 630 009 3117 COUPLING 1 678B--02H-004
4 630 048 6445 HOLDER 2 678B--02B-009
5 630 048 6520 PLATE 1 678B--02B-010
6 630 006 1130 UNIT,I/O 1 678B--02H-005
7 411 141 4008 WASHER V 4X9X0.8 4 FW4
8 411 141 2905 WASHER SPR 4 4 SW4
9 630 000 7633 BOLT,HEX-SCT 4 M4X12
10 411 141 4305 WASHER V 6X12.5X1.6 2 FW6
11 411 141 3001 WASHER SPR 6 2 SW6
12 630 000 7893 BOLT,HEX-SCT 2 M6X20
19 630 060 4870 ASSY,BEARING,UNIT(IDLER) 1
20 630 048 7145 SHAFT 1 678K--02B-022
21 630 048 9293 BEARING,UNIT 1 678K--02H-014
22 630 049 0138 NUT 1 678K--02H-015
23 411 141 4305 WASHER V 6X12.5X1.6 6 FW6
24 411 141 3001 WASHER SPR 6 6 SW6
25 630 000 7886 BOLT,HEX-SCT 6 M6X16
29 630 060 4863 ASSY,BEARING,UNIT(TENSE) 1
30 630 048 7138 SHAFT 1 678K--02B-021
31 630 048 9293 BEARING,UNIT 1 678K--02H-014
32 630 049 0138 NUT 1 678K--02H-015
33 630 049 0190 WASHER 2 678K--02H-038
34 411 141 3209 WASHER SPR 10 2 SW10
35 630 000 8135 BOLT,HEX-SCT 2 M10X30
36 411 118 9302 NUT HEX 10 1 M10 F
37 630 051 7859 BOLT,HEX-SCT 1 678K--02B-092
NOTE

MODEL TCM-3500Z
9810-001
ヘッド駆動部 HEAD DRIVING SECTION
Fig. 3-2 装着上下補正部 Placement Level Adjuster
19
17
20
21
22
34
35
36
24
25
26
27
2
18
3
14
15
16
5
4
8
6
7
9
10
11
12
13
51
52
53
54
4796
20
21
23
8
55
56
57
58
59
44
45
46
47
48
49
31
32
33
38
39
40
42
41
37
1
43