00195425-01 - 第17页
Ins tall ati on and Confi gur ation G uid e SI PLA CE Exp lorer 2 Sys tem Comp onen ts an d Con fig urati ons Edi tion 05 /2007 E N 2.3 S tan dard In stal latio n of SI P LA CE Explo rer 17 2.3 St andard Inst allation of…

2 System Components and Configurations Installation and Configuration Guide SIPLACE Explorer
2.2 SIPLACE Explorer in the SIPLACE Software Environment Edition 05/2007 EN
16
– SIPLACE Explorer:
Siplace Explorer imports the data from the OIS and SIS, stores it in the Siplace Explorer
database and makes it available to the user.
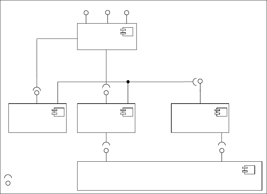
The following overview illustrates the necessary software components in the SIPLACE LAN: 2
2
Fig. 2.2 - 1 Software components in SIPLACE LAN
StationSW
<<Component >>
IDownload
SIPLACE Pro
<< Component>>
SPI
IOIS
OIS
<< Component >>
SIPLACE Explorer
<< Component >>
SIS
<< Component >>
SIS DB-View
OIS DB -View
IBackflushOption
Interfaces
IMaintenance
Manager
ITraceHost

Installation and Configuration Guide SIPLACE Explorer 2 System Components and Configurations
Edition 05/2007 EN 2.3 Standard Installation of SIPLACE Explorer
17
2.3 Standard Installation of SIPLACE Explorer
SIPLACE Explorer V2.2 provides various installation variants for the different components. This
section explains the following installation variants. 2
– Factory Layout Cl (see page 17)
– Factory Layout Dl (see page 19)
– Single Line Layout (see page 21)
We recommend that you use one of these installation variants for your system. 2
2.3.1 Factory Layout Central Installation (CI)
The Factory Layout Cl supports so-called "Multi Lines" supported i.e. different station software
platforms are supported within the same production line. The production line operation is con-
trolled via a central SIPLACE Pro with the relevant OIS/SIS installations. 2
SIPLACE Pro is installed on the SIPLACE line server and on the factory server, while OIS/SIS is
just installed on the SIPLACE line server. 2
In this installation variant, SIPLACE Explorer V2.2 is always installed on a separate SIPLACE
Explorer server. All SIPLACE Explorer components are installed on this server. This enables the
administration and any updates of SIPLACE Explorer to be realized at one central point. 2
The data to be monitored for all corresponding production lines are collected on the SIPLACE
Explorer server. 2
NOTE
This computer can monitor data from up to 5 applications, with up to 20 machines. 2
The following overview shows an example of the "Factory Layout Cl" installation: 2

2 System Components and Configurations Installation and Configuration Guide SIPLACE Explorer
2.3 Standard Installation of SIPLACE Explorer Edition 05/2007 EN
18
2
Fig. 2.3 - 1 Installation Variants: Factory Layout Cl
Customer LAN
SIPLACE LAN
Station Computer:
- OIS Client
- SW Software, platform I
Multi Line "A"
- Line Control Server /GUI
- SIPLACE Pro Desk
- OIS Server/ OIS Client
- SIS Server
SIPLACE Explorer
Webpages:
- MS internet Explorer
- OIS DB
- SIS DB
SIPLACE Line Server
(already existing)
Station Computer:
- OIS Client
- SW Software, platform II
- Line Control Server /GUI
- SIPLACE Pro Desk
- OIS Server/ OIS Client
- SIS Server
SIPLACE Explorer
Webpages:
- MS internet Explorer
SIPLACE Line Server
(already existing)
SIPLACE Explorer
Webpages:
- MS internet Explorer
SIPLACE Explorer Server
SIPLACE Explorer
Factory Host
SIPLACE Explorer
Runtime Environment
SIPLACE Explorer Webserver:
- Tomcat
- Java 2SE
Report Generation :
- MSXM
- Excel
SQL Server
- OIS DB
- SIS DB
SQL Server
- SIPLACE Explorer DB
- SIPLACE Explorer Factory DB
SQL Server
- SIPLACE Pro Server
- SIPLACE Pro Desk
- SIPLACE Pro DB
Factory Server
(already existing)
SQL Server
Customer Computer
SIPLACE Explorer Websites:
- MS Internet Explorer
Customer LAN
Station Computer:
- OIS Client
- SW Software, platform III
SIPLACE LAN
Station Computer:
- OIS Client
- SW Software, platform I
Multi Line "B"
Station Computer:
- OIS Client
- SW Software, platform II
Station Computer:
- OIS Client
- SW Software, platform III