SLM110S_TRM(Ver7.1_CS16.26) - 第120页
Page HANWHA TECHWIN 108 SLM110S Electric Control Part

Page
HANWHA TECHWIN
107
SLM110S
Electric Device Ass’y (2/2)
NO. PART NO. PART NAME Q'TY Old No. Stock Apply Reference
1 J70791209A PANEL_STEP_BOARD 1
2 J70791210A PANEL_FEEDER_BOARD J70791210A 1
3 FC05-000333A BASE-COVER_SNS_BD_BASE;SPCC 1
4 J70791264A COVER_SNS_BD_TOP_2 J70791264A 1
5 J90601048A SM431_CONVEYOR_SENSOR_IF_BOARD 2LAYER, 1 2
6 J91741332A AP5_AXIS_SENSOR_ASSY VER1.0 1
7 J91741165C FEEDER IO CDOCHING IO BD 1
8 J91741071A FEEDER_INPUT_EXT_BOARD VER 1.1 1
9 EP06-000374 SERVO CONTROL-DRIVE 10 EP06-000015
10 J91741049B CAM CONVEYOR BD 1
11 J91741076A CONV_SUB_IF_BOARD VER 1.0 1
12 EP07-901542 NOISE_FILTER UF20TBH 1
13 FC29-900610 HEX_SUPPORT 40 FC29-900605
14 8

Page
HANWHA TECHWIN
108
SLM110S
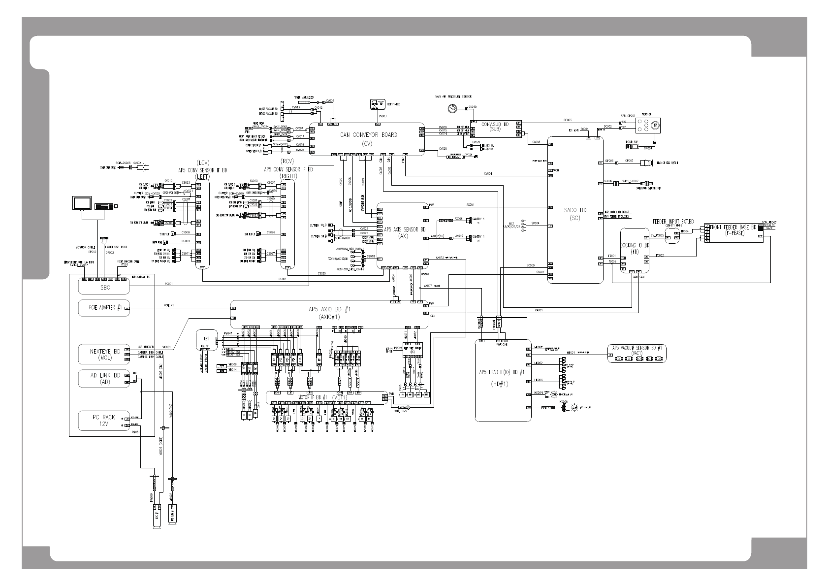
Electric Control Part

Page
HANWHA TECHWIN
109
SLM110S
Harness Wiring Diagram
SM33-CV026-1SM33-CV026-1