ASM贴片机 X 系列机型电路图 - 第126页
2 - 56 DP03_20-030202LD 3 DP-Achse, C&P20- Ko pf , Portal 3, SIPL ACE X2/X3/X4/X4I (Bl. 2 v . 3) DP axis , C&P20 hea d, gantry 3, SIPL ACE X2/X3/X 4/X4I (s h. 2 of 3) 03. 02. 02. Status Funct ion stat us Revis io…

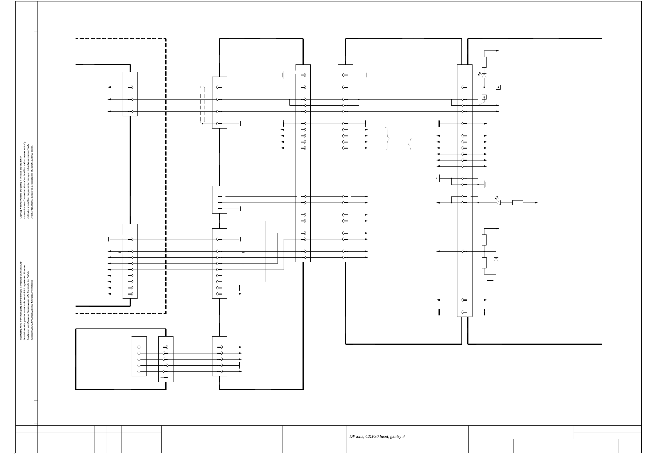
2 - 55
DP03_20-030202LD3 DP-Achse, C&P20-Kopf, Portal 3, SIPLACE X2/X3/X4/X4I (Bl. 1 v. 3)
DP axis, C&P20 head, gantry 3, SIPLACE X2/X3/X4/X4I (sh. 1 of 3)
03012097-W2
40
PE
+24V
J3:84, 86
15
J3:134, 140
J3:124 VHS_Status
J3:88, 90
+15V 28
GND
J3:83, 85
22,37
34+5V
PGND
J3:87, 89
19
20-15V
18
J3:100 VHS_24V
J3:102, 104 VHS_GND
PE
10
9
8
PE
PE
1
X2cq
40
40
PE
+24V
15
28
22,37
34
n.u.
19
20
18
+15V
GND
+5V
-15V
PGND
VHS_24V+
VHS_GND
10
9
8
X2cs
1
40
X1cs:9
X1cs:10
PE
PE
PE
Z_BOTTOM_X2X2cs:11
6
X1cs:16
8
7
DP_24V+
Z_BOTTOM_RESET
X14cs
b6
GND
+5V
-15V
+15V
RxD
5
4
2
3
1
PE
Test plug
CAN_RX
+5V
+15V
-15V
GND
03012097-W1
X1cq
20
J3:136 CAN2_TX
J3:88, 90 +15V
J3:87, 89 -15V
J3: 138 CAN2_RX
J3:83, 85 +5V
GND
13,31,37
34
29
30
28
VHS_24V (DP1_Motor_W)
VHS_GND (DP1_Motor_V)
J3:102, 104
J3:122 VHS_ON
J3:134, 140 PGND
10
+24V
J3:100
J3:84, 86
19
18
15
PE
PE
8
9
1
03002870 (cq)
C&P20 head adapter
X1cs
20
CAN_TX_X1
CAN_RX_X1
13,31,37
34
30
29
28
LOGIC
+5V
GND
LOGIC
+15V
-15V
VHS_24V+
VHS_GND
ON/OFF_DP
10
18
19
15
8
9
1
X2cs:10
PGND
+24V
PE X2cs:9
PE
a4
b4
b5
a6
a5
b1
b2
a3
b3
a2
a1
X20cs
DP_24V+
PE
RxD
TxD
VHS_GND
LED
greenD3
D8
D6
green
green
Color
+5V
-15V
+15V
Function
Switch
OFFS1.1
S2.1
S1.2
OFF
ON
State
S2.2 ON
03.
02.
02.
Status
Function status
Revision status
Document status
Modified Date Name
Date
Author
Check.
Stand.
Mat.no.:
CAD file:
Orig./Repl.f./Repl.by
Sh.
Sh.(s)
09.03.08
04.03.09
17.02.11
26.01.2005TDH
TDH
TDH
TDH
DP03_20-030202LD3_SH01.DWG
Copyright ©
ASM Assembly Systems
GmbH & Co. KG
DP-Achse, C&P20-Kopf, Portal 3
SIPLACE X2/X3/X4/X4I
SIPLACE X-Series
DP03_20-030202LD3
1
3
03021166 W2
03002942 (cs)
C&P20 intermediate distributor
Stator
PE
PE
b6
b5
a6
a5
a4
b4
b3
a2
b2
a3
X1
a1
b1
K17,K18,K19
PGND
4
+3,3V
+24V
K20.5
33
K20.5
U1 U3
Ground
BK
W003 3 PE
K8.5
K16.5
K18.5
K14.5
K10.5
K12.5
K2.5
K4.5
K6.5
6
15
2
1
13
14
HCT4060
7
4
5
6
15
2
1
13
14
HCT4060
7
4
5
PGND
IC3
8MHz
K19.5
K7.5
K13.5
K17.5
K15.5
K11.5
K9.5
K1.5
K3.5
K5.5
GND3,3V
GND24V
TMS (address)
Processor clock
5
9
10
6
8
7
+3,3V
+24V
CAN
3
4
2
1
n.u.
n.u.
n.u.
TDI
TCK
TDO
K20
C&P20
03058627
DP drive
PGND
C&P20 ED distributor
+3,3V
+24V
K1.5
K2,K3,K4
4
Interface,
24 VDC
24 VDC
BK
WH
W002
W001
voltage supply
3.3 VDC
2A
1A
voltage supply
3.3 VDC
03058629
Slip ring, C&P20
stator
Interface,
transceiver
CAN
transceiver
CAN
Rotor
1
10
9
7
8
6
4
5
TxD
2
3
H1 green
PGND
RxD
24V
3,3V
+24V
+3,3V
H2 green
PGND
rotor
X4
8MHz
IC7
03003082
K1
DP20
DP01
Processor clock
TMS (address)
GND24V
GND3,3V
6CAN
10
9
7
8
+3,3V
+24V
3
4
5
2
1
n.u.
n.u.
n.u.
TDO
TCK
TDI
03058627
C&P20
DP drive

2 - 56
DP03_20-030202LD3 DP-Achse, C&P20-Kopf, Portal 3, SIPLACE X2/X3/X4/X4I (Bl. 2 v. 3)
DP axis, C&P20 head, gantry 3, SIPLACE X2/X3/X4/X4I (sh. 2 of 3)
03.
02.
02.
Status
Function status
Revision status
Document status
Modified Date Name
Date
Author
Check.
Stand.
Mat.no.:
CAD file:
Orig./Repl.f./Repl.by
Sh.
Sh.(s)
09.03.08
04.03.09
17.02.11
26.01.2005TDH
TDH
TDH
TDH
DP03_20-030202LD3_SH02.DWG
Copyright ©
ASM Assembly Systems
GmbH & Co. KG
DP-Achse, C&P20-Kopf, Portal 3
SIPLACE X2/X3/X4/X4I
SIPLACE X-Series
DP03_20-030202LD3
2
3
1,4,7,17,20,23,26
X26ca
2
4
3
1
GND
+24V
-15V
+15V
DP track B5
+5V
GND
DP track N9
12
10
DP track B
DP track N8
6
PE
DP track A
DP track A
3
2
33
32
30
29
VHS_V241 2
X161
2
3, 4
1
DP tachom. +
DP tachom. -
PE
27
26
24
23
4
PE
VHS_V24
VHS_GND
3
2
16, 31
+24V
+15V
+5V
-15V
GND
25
28
22
19
4
5
3
X16ca
Gantry 1 or 3
03010612 (ca)
Cable carrier interface
PE
X8ca
1,10,14,34
VHS_24V
VHS_Status X2cq:19
Frame connectors for TQM 167 SIPLACE embedded modules
03003536
X13, X14
33
32
30
29
X22cc:17, n.u.
X22cc:15, n.u.
X22cc:21, n.u.
X22cc:19, n.u.
124
X13cc:61
DIG_IO_G
7,13
GND GND
X13cc:103
AN2
R19
GND
65
V4
CAN2_TX X1cq:29
CAN2_RX X1cq:30
VHS_ON X1cq:19
VHS_24V (DP1_Motor_W) X1cq:10
VHS_GND (DP1_Motor_V) X1cq:9
VHS_GND
VHS_24V (DP1_Motor_U)
106DP1 motor U (VHS_24V)2
27
26
24
23
X22cc:25, n.u.
X22cc:23, n.u.
X22cc:29, n.u.
X22cc:27, n.u.
DP1 motor W (VHS_24V)
DP1 motor V (VHS_GND)
16, 31
25
28
22
19
4
5
3
CAN_2L 138
83,85
+24V
PE
+5V
X14cc:43
+24V86
84
H1 red
PE
+5V X1cq:34
91
92
87,89
88,90
134,140
DIG_IO_H
-15V
+15V
X14cc:38
X13cc:41
GND
CAN_2H
-15V X1cq:20
+15V X1cq:28
PGND X1cq:18
136
122
TP1
104
100
102
03000901 (cc)
Head interface
1,10,14,34
X8cc
Gantry 3
PE
X22cc/J3
H2 green
R4
TP2
R3
VHS_24V
03002870 (cq)
C&P20 head adapter
26-pole
34-pole 34-pole 140-pole
X18:8
X18:12
X18:14
X18:2,4,6
GND
+15V
+24V
-15V
+5V
DC/DC converter
DC/DC converter
X19:11
X19:9
R20
Gantries 2 and 3 (X4/X4I)
Carrier cable 8, 1G
03038078 (X2/X3)
03057572
26-pole X3up /
03009815
Key
BU
RD
PK
OG
WH
03046225 (qa)
Main distributor
0V
+5V
+15V
12+5V
+24V
-15V
X1qa
DP track A
DP track A
DP track B
DP track B
DP track N
DP track N
PE
Sheet 3
5
9
OPTO_GND 10
8
6
1,4,7,17,20,23,26
X11_1sq
3
2
3 (W1)GN
n.u.
6
5 2
41
(W2)
(W2)
Cable carrier interface
BN
WH
X5qa
2
1
(W1)
(W1)
Voltage
03009808
Actual value
DP1 axis
VHS_V24 WH1
Backplane
Axis unit
03048879 (sq)
Sheet 3
VHS_V24 3
VHS_GND
2
BN
GN
Gantry 3 (X3)
Axis unit, gantries 1 and 3 (X2)
X11_3sq
WH
BK
BN
GN
Cable carrier interface
DP1 motor
03050906
Not used
DP1/DP2 motor
03052308 (X4/X4I)
Carrier cable 8, 2GO
5
+5V
X50ca

2 - 57
DP03_20-030202LD3 DP-Achse, C&P20-Kopf, Portal 3, SIPLACE X2/X3/X4/X4I (Bl. 3 v. 3)
DP axis, C&P20 head, gantry 3, SIPLACE X2/X3/X4/X4I (sh. 3 of 3)
DC/DC converter 5V/±15V
00353449
DC/DC converter ±15V
00353450
X51sq
X50sq
Z4,8,20
Z8,16
GND
AGND
R40
L19
R41
L20
R42
L21
X11_1sq
X26ca
Sheet 2
03009815
+5V
n.u.
OPTO_GND
DP track A
DP track A
DP track B
DP track B
DP track N
DP track N
C22 +15V
OFF
ON
S1
12
26-pole
6
12
10
9
8
3
5
2
X3up /
Axis unit
03048879 (sq)
Backplane
1,4,7,17,20,23,26
PE
(S1.2 n.u.)
11
A/D22; B/E22,24,25; C20,25
C23
B/E18
C12
C13
B13
A13
B15
A14
B14
X23_3sq
A15
X3sc
A12
A16; B17
A17
A24
B19
A25
A/C/E3,4,7,8,11
B16
B/D1,2,5,6,9-11
Axis unit
Gantry 3 (X3)
X11_2sq
A/C32
A/C30
C26; A/C28
C10
C18; A/C20
C14
C12
A12
A8
C8
A/C2
C4
A4
X1sq
GND
AGND
-15V
+15V_Servo
+5V
X4sc
C1
C4
AGND End signal
Gantries 1 and 3 (X2)
n.u.
+5V
03002397
DC/DC converter
DP
+24V
24V_GND
n.u.
n.u.
n.u.
n.u.
n.u.
n.u.
DC
4
5
1
3n.u.
n.u.
n.u.
2
DC
n.u.
(W1)
+150V_Star
43
Main distributor 03046225
Main distributor 03046225
POWER_FAIL_24VDC
EMERG.-STOP_MAIN_AXIS
POWER_FAIL
POWER_FAIL_24VDC
Vin(+)Axis
-15V
+15V
PGND
Vin(-)Axis
PGND
X47sq
WH+BN (W4)
(W5)
(W5)
(W5)
3
2
1
WH
GY
BN
X4qa:1
(W2)
(W2)
(W3)
(W3)
(W3)
(W1)
(W1)
1
2
5
3
4
WH
BN
GN
X46sq
1
5
4
2
GNYE
2
X4qa:2
X4qa:1
X4qa:3
POWER_FAIL_24VDC
SERVO_ENABLE
POWER_FAIL_AXIS
POWER_FAIL_24VDC
10
2
11
Vin(+)_AXIS
Vin(-)_AXIS
GND_Z/DP
6
9
3
7
VHS_24V
VHS_GND
VHS_24V
+40V_Z/DP
03050906
X11_3sq
03050900
(W1)
(W1)
X45sq
2
1
3
1
3
2
1
BN
GN
WH
BK
BN
GN
WH
+40V_Z/DP
+150V_Star
X16ca
Sheet 1
X13
1
4
VHS_GND
VHS_24V
VHS_24V
Screen
00354626
Power supply
C8, C12
B14, C9 EMERG._STOP_HEAD_AXIS
POWER_FAIL
X47sq:2
+15V
Gantries 2 and 3 (X4/X4I)
03057572
03.
02.
02.
Status
Function status
Revision status
Document status
Modified Date Name
Date
Author
Check.
Stand.
Mat.no.:
CAD file:
Orig./Repl.f./Repl.by
Sh.
Sh.(s)
09.03.08
04.03.09
17.02.11
26.01.2005TDH
TDH
TDH
TDH
DP03_20-030202LD3_SH03.DWG
Copyright ©
ASM Assembly Systems
GmbH & Co. KG
DP-Achse, C&P20-Kopf, Portal 3
SIPLACE X2/X3/X4/X4I
SIPLACE X-Series
DP03_20-030202LD3
3
3
03036027 (sc)
Axis card A364, gantry 3
Track A
Track A
Track B
Track B
Track N
Track N
OPTO_GND
UB_Power_OK
Inom_W
Inom_U
+15V_Servo
-15V_Servo
Servo_Ready
AGND
Inom_W
Inom_U
Servo_Enable
+40V_Z/DP
UB_Power_OK
+150V_Star
Phase_V
Phase_U
Phase_W
A18
Servo_Enable
Servo_Ready
I²t
PGND
C22; A/C24
C16 I²t
D22
+15V_Servo
-15V_Servo
+5V
+15V
-15V
D10,18
D30
Z28
Z20;D22
Z4; D6
D30
D10
Z28
Z16;D18
D6
8
X30_1sq
1
3
2
4
5
6
7
PA1_CAN_L
GND
PA1_CAN_H
9
n.u.
n.u.
n.u.
n.u.
9
n.u.
1
5
n.u.
n.u.
7
8
6
n.u.
3
4
2
X30_2sq
PA2_CAN_H
PA2_CAN_L
GND