ASM贴片机 X 系列机型电路图 - 第167页
2 - 97 DP03_CPP-020101LD 3 DP-Achse, CPP-Kop f, Portal 3, SIPLACE X2/X3/X4 / X4I (Bl. 3 v . 3) DP axis , CPP head, gantry 3, SIPLA CE X2/X3/ X4/X4I (sh. 3 of 3 ) Gant ries 1 a nd 3 (X2) n.u. +5V 030023 97 DC/DC converter…

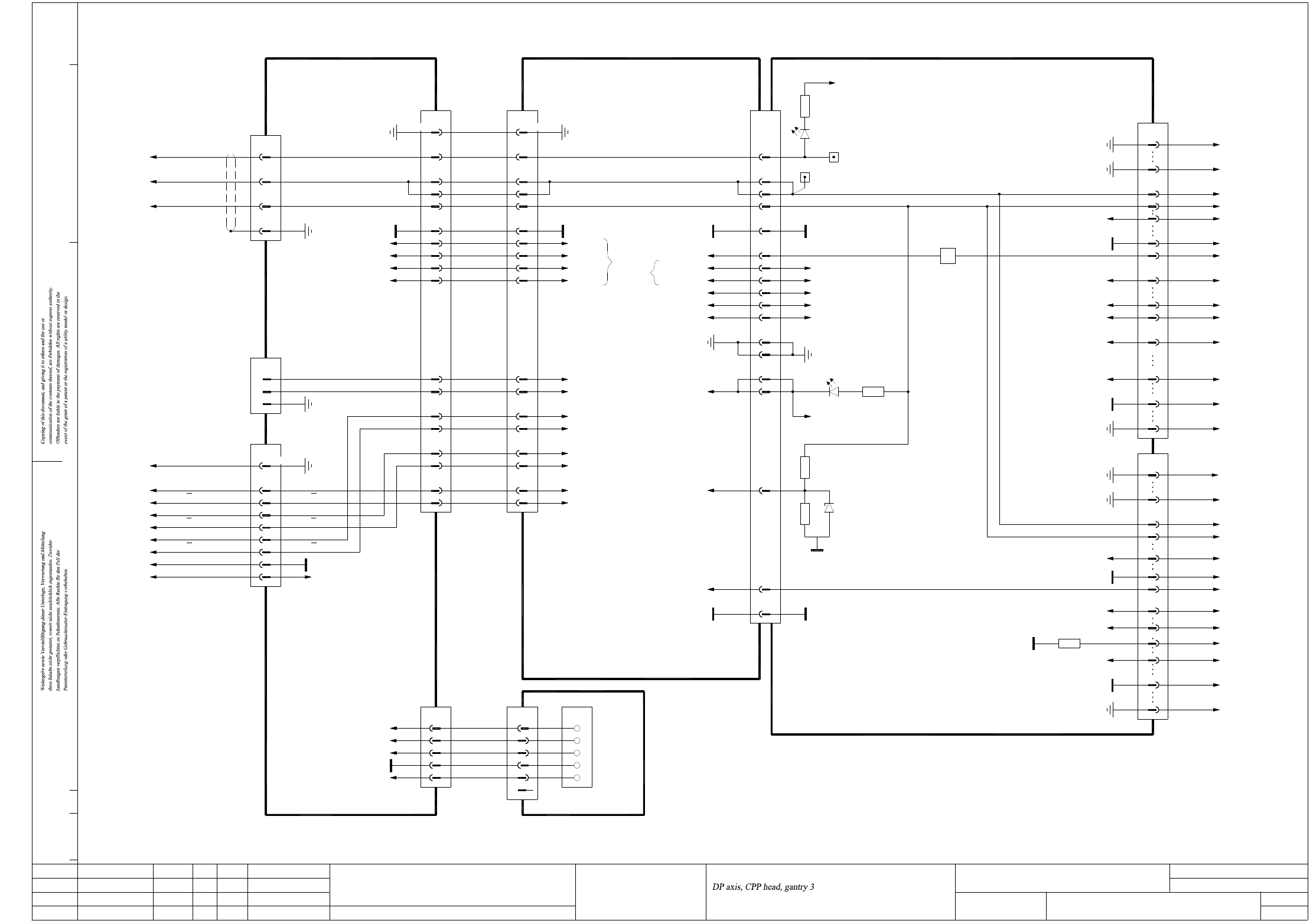
2 - 96
DP03_CPP-020101LD3 DP-Achse, CPP-Kopf, Portal 3, SIPLACE X2/X3/X4/X4I (Bl. 2 v. 3)
DP axis, CPP head, gantry 3, SIPLACE X2/X3/X4/X4I (sh. 2 of 3)
DC/DC converter
X18:8
X18:12
X18:14
X18:2,4,6
X19:9
X19:11
34-pole34-pole 140-pole
R20
26-pole
Not used
CPP head adapter
03077980 (cq)
R3
TP2
R4
H2 GN
X22cc/J3
PE
Gantry 3
X8cc
1,10,14,34
Head interface
03000901 (cc)
102
100
104
TP1
122
136
+15V
-15V
CAN_2H
GND
X13cc:41
X14cc:38
+15V
-15V
DIG_IO_H
134,140
88,90
87,89
92
91
VCC
PE
H1 RD
84
86 +24V
X14cc:43
VCC
PE
+24V
83,85
138CAN_2L
GND
-15V
+5V
+15V
+24V
3
5
4
19
22
28
25
16, 31
VHS_GND
VHS_24V
X22cc:27, n.u.
X22cc:29, n.u.
X22cc:23, n.u.
X22cc:25, n.u.
23
24
26
27
2 VHS_24V 106
VHS_24V (DP1_Motor_U)
VHS_GND
VHS_GND (DP1_Motor_V)
VHS_24V (DP1_Motor_W)
PGND
VHS_ON
CAN2_RX
CAN2_TX
V4
65
GND
R19
AN2
X13cc:103
GNDGND
7,13
DIG_IO_G
X13cc:61
124
X22cc:19, n.u.
X22cc:21, n.u.
X22cc:15, n.u.
X22cc:17, n.u.
29
30
32
33
X13, X14
03003536
Frame connectors for TQM 167 SIPLACE embedded modules
VHS_Status
VHS_24V
1,10,14,34
X8ca
PE
Cable carrier interface
03010612 (ca)
Gantry 1 or 3
X16ca
3
5
4
19
22
28
25
GND
-15V
+5V
+15V
+24V
16, 31
2
3
VHS_GND
VHS_24V
PE
4
23
24
26
27
PE
DP tachom. -
DP tachom. +
1
3, 4
2
X161
21 VHS_24V
29
30
32
33
2
3
DP track A
DP track A
PE
6
8DP track N
DP track B
10
12
9DP track N
GND
+5V
5DP track B
X26ca
1,4,7,17,20,23,26
Carrier cable 8, 2GO
03052308 (X4/X4I)
DP1/DP2 motor
03050906
DP1 motor
Cable carrier interface
GN
BN
BK
WH
VHS_GND
VHS_24V
VHS_24V
DP1 axis
Actual value
X11_1sq
OPTO_GND
PE
DP track N
DP track N
DP track B
DP track B
DP track A
DP track A
+5V
03009815
X3up /
03038078 (X2/X3)
Carrier cable 8, 1G
02.
01.
01.
Status
Function status
Revision status
Document status
Modified Date Name
Date
Author
Check.
Stand.
Mat. no.:
CAD file:
Orig./Repl.f./Repl.by
Sh.
Sh.(s)
17.02.11
17.02.11
17.02.11
04.03.2009TDH
TDH
TDH
TDH
DP03_CPP-020101LD3_SH02.DWG
Copyright ©
ASM Assembly Systems
GmbH & Co. KG
SIPLACE X-Series
DP03_CPP-020101LD3
2
3
DP-Achse, CPP-Kopf, Portal 3
SIPLACE X2/X3/X4/X4I
X2
To sheet 1
X1
To sheet 1
-15V
VCC
GND
+15V
PE
PE
PE
+24V
PGND
DP_ON
VHS_GND
VHS_24V
GND
VCC
CAN2_RX
-15V
+15V
CAN2_TX
PE
PE
PE
VHS_GND
VHS_24V
PGND
VHS_Status
+24V
GND
R3
10k
31
+24V
10k
23
V1
03074061-W2
40
PE
+24V
15
VHS_Status
+15V
28
GND
22,37
34
VCC
PGND
19
20
-15V
18
VHS_24V
VHS_GND
PE
10
9
8
PE
PE
1
X2cq
40
03074061-W1
X1cq
20
CAN2_TX
+15V
-15V
CAN2_RX
VCC
GND
13,31,37
34
29
30
28
VHS_24V (DP1_Motor_W)
VHS_GND (DP1_Motor_V)
DP_ON
PGND
10
+24V
19
18
15
PE
PE
8
9
1
Key
BU
RD
PK
OG
WH
03046225 (qa)
Main distributor
X1qa
0V
+5V
+15V
+24V
-15V
6
n.u.
Cable carrier interface
X5qa
BN
GN
WH
3
52
41
2
1
(W1)
(W2)
(W2)
(W1)
(W1)
Voltage
03009808
X50ca
+15V 3
5
4
+5V
GND
2
1
-15V
+24V
To sheet 3
X11_3sq
To sheet 3
DC/DC converter

2 - 97
DP03_CPP-020101LD3 DP-Achse, CPP-Kopf, Portal 3, SIPLACE X2/X3/X4/X4I (Bl. 3 v. 3)
DP axis, CPP head, gantry 3, SIPLACE X2/X3/X4/X4I (sh. 3 of 3)
Gantries 1 and 3 (X2)
n.u.
+5V
03002397
DC/DC converter
DP
+24V
24V_GND
n.u.
n.u.
n.u.
n.u.
n.u.
n.u.
DC
4
5
1
3n.u.
n.u.
n.u.
2
DC
n.u.
(W1)
+150V_Star
43
Main distributor 03046225
Main distributor 03046225
POWER_FAIL_24VDC
EMERG.-STOP_MAIN_AXIS
POWER_FAIL
POWER_FAIL_24VDC
Vin(+)Axis
-15V
+15V
PGND
Vin(-)Axis
PGND
X47sq
WH+BN (W4)
(W5)
(W5)
(W5)
3
2
1
WH
GY
BN
X4qa:1
(W2)
(W2)
(W3)
(W3)
(W3)
(W1)
(W1)
1
2
5
3
4
WH
BN
GN
X46sq
1
5
4
2
GNYE
2
X4qa:2
X4qa:1
X4qa:3
POWER_FAIL_24VDC
SERVO_ENABLE
POWER_FAIL_AXIS
POWER_FAIL_24VDC
10
2
11
Vin(+)_AXIS
Vin(-)_AXIS
GND_Z/DP
6
9
3
7
VHS_24V
VHS_GND
VHS_24V
+40V_Z/DP
03050906
X11_3sq
03050900
(W1)
(W1)
X45sq
2
1
3
1
3
2
1
BN
GN
WH
BK
BN
GN
WH
+40V_Z/DP
+150V_Star
X16ca
Sheet 2
X13
1
4
VHS_GND
VHS_24V
VHS_24V
Screen
00354626
Power supply
C8, C12
B14, C9 EMERG._STOP_HEAD_AXIS
POWER_FAIL
X47sq:2
+15V
Gantries 2 and 3 (X4/X4I)
03057572
02.
01.
01.
Status
Function status
Revision status
Document status
Modified Date Name
Date
Author
Check.
Stand.
Mat. no.:
CAD file:
Orig./Repl.f./Repl.by
Sh.
Sh.(s)
17.02.11
17.02.11
17.02.11
04.03.2009TDH
TDH
TDH
TDH
DP03_CPP-020101LD3_SH03.DWG
Copyright ©
ASM Assembly Systems
GmbH & Co. KG
SIPLACE X-Series
DP03_CPP-020101LD3
3
3
DP-Achse, CPP-Kopf, Portal 3
SIPLACE X2/X3/X4/X4I
03036027 (sc)
Axis card A364, gantry 3
Track A
Track A
Track B
Track B
Track N
Track N
OPTO_GND
UB_Power_OK
Inom_W
Inom_U
+15V_Servo
-15V_Servo
Servo_Ready
AGND
Inom_W
Inom_U
Servo_Enable
+40V_Z/DP
UB_Power_OK
+150V_Star
Phase_V
Phase_U
Phase_W
A18
Servo_Enable
Servo_Ready
I²t
PGND
C22; A/C24
C16 I²t
D22
+15V_Servo
-15V_Servo
+5V
+15V
-15V
D10,18
D30
Z28
Z20;D22
Z4; D6
D30
D10
Z28
Z16;D18
D6
8
X30_1sq
1
3
2
4
5
6
7
PA1_CAN_L
GND
PA1_CAN_H
9
n.u.
n.u.
n.u.
n.u.
9
n.u.
1
5
n.u.
n.u.
7
8
6
n.u.
3
4
2
X30_2sq
PA2_CAN_H
PA2_CAN_L
GND
DC/DC converter 5V/±15V
00353449
DC/DC converter ±15V
00353450
X51sq
X50sq
Z4,8,20
Z8,16
GND
AGND
R40
L19
R41
L20
R42
L21
X11_1sq
X26ca
Sheet 2
03009815
+5V
n.u.
OPTO_GND
DP track A
DP track A
DP track B
DP track B
DP track N
DP track N
C22 +15V
OFF
ON
S1
12
26-pole
6
12
10
9
8
3
5
2
X3up /
Axis unit
03048879 (sq)
Backplane
1,4,7,17,20,23,26
PE
(S1.2 n.u.)
11
A/D22; B/E22,24,25; C20,25
C23
B/E18
C12
C13
B13
A13
B15
A14
B14
X23_3sq
A15
X3sc
A12
A16; B17
A17
A24
B19
A25
A/C/E3,4,7,8,11
B16
B/D1,2,5,6,9-11
Axis unit
Gantry 3 (X3)
X11_2sq
A/C32
A/C30
C26; A/C28
C10
C18; A/C20
C14
C12
A12
A8
C8
A/C2
C4
A4
X1sq
GND
AGND
-15V
+15V_Servo
+5V
X4sc
C1
C4
AGND End signal

2 - 98
DP04_CPPX3X4X4I-020101LD3 DP-Achse, CPP-Kopf, Portal 4, SIPLACE X3/X4/X4I (Bl. 1 v. 3)
DP axis, CPP head, gantry 4, SIPLACE X3/X4/X4I (sh. 1 of 3)
02.
01.
01.
Status
Function status
Revision status
Document status
Modified Date Name
Date
Author
Check.
Stand.
Mat. no.:
CAD file:
Orig./Repl.f./Repl.by
Sh.
Sh.(s)
17.02.11
17.02.11
17.02.11
04.03.2009TDH
TDH
TDH
TDH
DP04_CPPX3X4X4I-020101LD3_SH01.DWG
Copyright ©
ASM Assembly Systems
GmbH & Co. KG
SIPLACE X-Series
DP04_CPPX3X4X4I-020101LD3
1
3
DP-Achse, CPP-Kopf, Portal 4
SIPLACE X3/X4/X4I
25
23
V_IN
V_OUT
V_OUT
U1:13
D107:4
U1:10
S1
21
03052586
ZV2_CPP PCB
Status_24V_DP
X32:18
+3.3VDCGNV115
LED
GNV106
V108
V107
GN
GN
Color
+15VDC
-15VDC
+5VDC
Voltage
PE
PE
PE
26
U8
X31:19
X31:20
DP_ON
CAN_TX_X1
PE
PE
PE
GND_DP
GND_DP
Status_24V_DP2625
X32:16
24
+5V
+5V
GND_DP
GND_DP
2423
22 21-15V -15V
+15V+15V 1920
18 1724V+_Head 24V+_Head
24V+_DP24V+_DP
GND GND
DP_ON
03074061-W2
Status_24V_DP31
03074061-W1
CAN_TX_X1
X26
2
1
4
15
35
36,38,40,42,44
43
X30
10V+_DP
3.3V+_DP
CAN_RX_X1
1
2
3
10V+_DP
3.3V+_DP
CAN_RX_X1
35,37,39,41,43
36
44
65
87
16,18,20,2215,17,19,21
16
50-pole
To sheet 2
X1bq
X2bq
To sheet 2
ZV1_CPP PCB
03065295
PE
PE
+24V_Head
GND
1
9
8
15
19
18
10
DP_ON
GND_DP
24V+_DP
-15V
+15V
GND
+5V
U9
28
29
30
34
13,31,37
CAN_RX_X1
CAN_TX_X1
20
X1
+5V
D_OUT
EN_AD
12
10
11
9
7
8
6
3
4
5
X2
1
2
EN_EEPROM
GND
CLK
GND
D_IN
Z_BOTTOM_VAC
CAN_RX_VAC
CAN_RX_ZV
+24V
+24VDC
TP6
X1
1
3
6
5
4
2
8
7
10
9
1
3
6
5
4
2
8
7
10
9
6
3
4
5
X1
1
2
10
9
10
8
9
7
10-pole10-pole
03080616-W1
V1
X31/X4
1,3,5,7
9,11,13,15,17
20
19
10,12,14,16
2,4,6,8
20-pole
03073355
KE control ZV2
+3.3VDC
+10VDC
X30:1
X30:2
PE
PE
PE
40
1
X2
8
9
10
GND_DP
24V+_DP
GND
-15V
+5V
GND
+15V
18
20
34
22,37
28
15 +24V_Head
PE
40
10-pole 10-pole
03054784
PCB / Control module
for 12 DP drives
X1
X2
X3
X4
X5
U1:11
D107:4
+24VDC
03080608
KE transformer cpl.
RotorStator
DP12
DP12
GNH24
H23 RD
LED
RDH1
H2 GN
Color
DP1
DP1
DP drive
03050314 03050314
DP12DP01
X7 X18
Voltage
VCC
VCC3
+24V
Color
GN
GN
H26
H27
H25 GN
LED
03054771
PCB / Power module
for 12 DP drives
+24VDC
GND
CAN
Z_BOTTOM_SC
19,20
1,2,3,4,5,6,7
8,9,10,11,12,13,14,17,18
15,16
X6
20-pole
CAN
03054646
Valve block - CPP PCB
CAN
20-pole
X11
5,6
3,4,7,8,9,10,11,12,13
14,15,16,17,18,19,20
1,2
Z_BOTTOM_SC
GND
ON
OFF
28272625
TP
YEBKRDGN
Z_BOTTOM
GND
+5V
CAN
TP2TP4TP5TP1
03078661
KD rotor PCB/PCBKD stator PCB/CPP
03078660
CAN_TX_OUT
GND
+5V
CAN_RX_IN
Z_BOTTOM
GND
6
3
4
5
X1
1
2
+24VDC
10-pole
X12
10-pole
03052586
Z_BOTTOM
CAN_RX_ZV
GND
+5V
CAN_TX_ZV
2
1
X3
5
4
3
6
12-pole
12-pole 12-pole
holding circuit
03036806
Vacuum sensor
X26
1
3
6
5
4
2
8
7
12
7
8
10
11
9
2
4
5
6
3
1
X19
+15V