ASM贴片机 X 系列机型电路图 - 第248页
2 - 178 LPDT-020302LD3 LPDT , S pur 2, Transportste uerung T SP-301E (Bl. 2 v . 8) PCB DC, tr ack 2, c onveyor con trol TSP -301E (sh . 2 of 8 ) H4 H5 F4 F2 F3 F5 To plug X 10a o Conveyor control TSP -301 00365547 27 OUT…

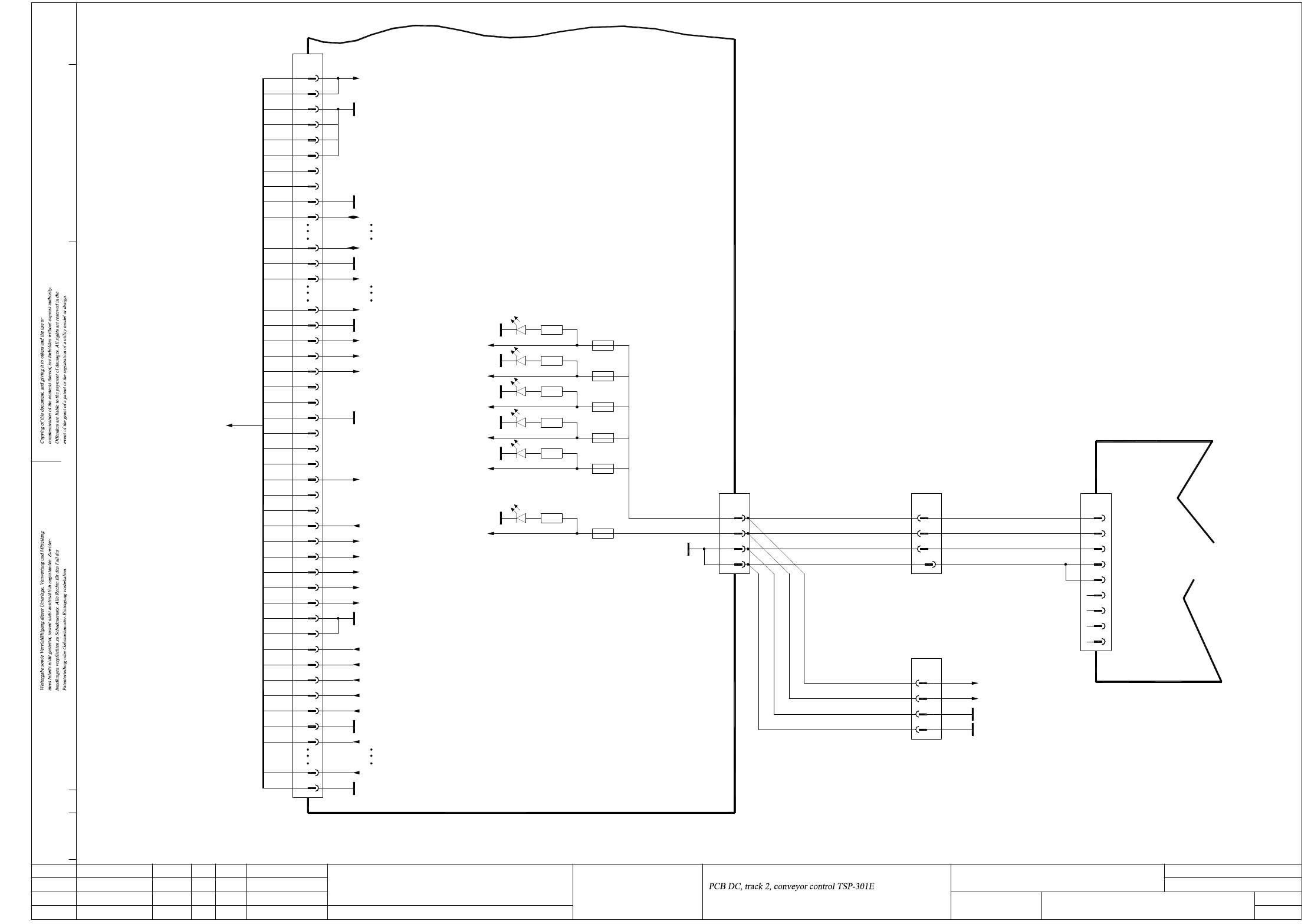
2 - 177
LPDT-020302LD3 LPDT, Spur 2, Transportsteuerung TSP-301E (Bl. 1 v. 8)
PCB DC, track 2, conveyor control TSP-301E (sh. 1 of 8)
MOT5+
P24_1
MOT5-
Fault signal loop
2 - 3 5 - 6 8 - 9
1 - 2 4 - 5 7 - 8
MOT4-
MOT4+
MOT3-
MOT3+
34
X12ap
1
20
21
19
18
00365549-W2
13
15
17
16
14
12
11
10
9
9
6
8
74
5
MOT2-
MOT2+
MOT1+
MOT1-
6
7
5
4
1
3
2
X11ap
00365549-W1
8
"Conveyor" (track 2)
34
X52ku
1
21
20
19
18
Conversion board
13
17
16
15
14
12
11
10
9
6
7
5
4
X51ku
1
3
2
02.
03.
02.
J2 conveyor interface
Conveyor control TSP-301E
00370398 (ap)
1 - 2
J1 conveyor interface
1
NOT_READY+
BOARD_AVAILABLE+
BOARD_AVAILABLE-
NOT_READY-
BOARD_PASS-
V_GND
BOARD_PASS+
6
10
8
9
M_1
7
(Key)
M_1
5
4
3
2
N_GND
(Key)
10
M_1
BOARD_PASS+
BOARD_PASS-
8
9
7
6
M_1
SMEMA interface
DOWNSTREAM STATION
CONVEYOR TRACK 2
BOARD_AVAILABLE+
BOARD_AVAILABLE-
1
NOT_READY+
NOT_READY-
5
4
2
3
X4ap
E_NS_ ANGEKOMMEN
E_NS_ERLAUBNIS
N_ANFORDERUNG
N_ABGEGEBEN
N_GND_24DC
20
19
18
N_GND
15
16
17
14
13
SIEMENS
SMEMA
1
3
2
SMEMA interface
UPSTREAM STATION
CONVEYOR TRACK 2
V_GND
E_VS_ANFORDERUNG
E_VS_ABGEGEBEN
X3ap
20
19
18
V_ERLAUBNIS
V_STOERSCHLEIFE
V_GND_24DC
V_ANGEKOMMEN
V_STOERSCHLEIFE
13
17
16
15
14
10
11
12
9
SIEMENS interface
CONVEYOR TRACK 2
UPSTREAM STATION
V_SMEMA_DC
V_+24DC
V_GND_24DC
6
7
8
5
4
3
2
X1ap
1
N_SMEMA_DC
N_STOERSCHLEIFE
N_STOERSCHLEIFE
8
12
11
9
10
N_GND_24DC
N_+24DC
6
7
5
4
SIEMENS interface
DOWNSTREAM STATION
CONVEYOR TRACK 2
1
2
3
X2ap
M_1
J3
3
2
1
SMEMA
SIEMENS
M_1
3
1
2
00359425
22
26
OUT (15)
IN (47)
OUT (10)
M_1
40
39
27
36
OUT (6)
1 - 2 4 - 5 7 - 8
2 - 3 5 - 6 8 - 9
IN (24)
P24_1
OUT (9)
74
8
9
6
5
OUT (0)
OUT (5)
IN (16)
IN (23)
IN (15)
IN (0)
3
2
X13ap
1
M_1
50
48
49
00365549-W3
27
37
42
45
34
26
19
18
3
26
27
36
40
39
X53ku
3
2
1
48
49
50
27
42
45
34
37
26
18
19
3
Motor, "output conveyor"
Motor, "placement sector 2"
Motor, "intermediate conveyor"
Motor, "placement sector 1"
Motor, "input conveyor"
8
Status
Function status
Revision status
Document status
Modified Date Name
Date
Author
Check.
Stand.
Mat.no.:
CAD file:
Orig./Repl.f./Repl.by
Sh.
Sh.(s)
10.07.06
04.03.09
17.02.11
20.03.2003TDH
TDH
TDH
TDH
LPDT-020302LD3_SH01.DWG
Copyright ©
ASM Assembly Systems
GmbH & Co. KG
LPDT, Spur 2, Transportsteuerung TSP-301E
SIPLACE X2/X3/X4/X4I
SIPLACE X-Series
LPDT-020302LD3
1
8

2 - 178
LPDT-020302LD3 LPDT, Spur 2, Transportsteuerung TSP-301E (Bl. 2 v. 8)
PCB DC, track 2, conveyor control TSP-301E (sh. 2 of 8)
H4
H5
F4
F2
F3
F5
To plug X10ao
Conveyor control
TSP-301
00365547
27
OUTP_EN
IOWRY-
DGND
DGND
IORDY_
34
35
33
32
SCLK
MTSR
ADC11
29
31
30
28
ADC12
AX7
DY7
DGND
AX0
DY0
DGND
26
19
18
10
17
9
8
n. u.
Conveyor control TSP-301E
+5V
DGND
3
7
6
4
5
n. u.
X10ap
2
1
00370398 (ap)
GNYE
00365546-W2
X21ao
1
GND
4
2
3
TSP-301E
X21ap
1
3
GNYE
2
34V- ... 42V-
24V-
GND
GND
4
3
TSP-301
Power supply
Conveyor control
1
2
3
GNYE
00365546-W1
1
2
4
3
X79
1
2
03002504
4
VoltagePCB(+)
7
9
n.c.
n.c.
n.c.
VoltagePCB_mot(+)
+24V2
3
2
5
61
GND (+24V2)
n.c.
VoltagePCB(-)
GND
X15
1
82
3
Power supply
00354626
02.
03.
02.
Status
Function status
Revision status
Document status
Modified Date Name
Date
Author
Check.
Stand.
Mat.no.:
CAD file:
Orig./Repl.f./Repl.by
Sh.
Sh.(s)
10.07.06
04.03.09
17.02.11
20.03.2003TDH
TDH
TDH
TDH
LPDT-020302LD3_SH02.DWG
Copyright ©
ASM Assembly Systems
GmbH & Co. KG
LPDT, Spur 2, Transportsteuerung TSP-301E
SIPLACE X2/X3/X4/X4I
SIPLACE X-Series
LPDT-020302LD3
2
8
Conveyor control
Power supply
MRST
36
E_IN0
DGND
64
63
+40V-
+40V-
+40V-
+40V-
+40V-
+24V-
PWMY4
SENSEY0
SENSEY1
SENSEY2
SENSEY3
M_1
E_IN9
DGND
SENSEY4
50
54
53
52
51
48
49
47
46
PWMY3
ADC14
PWMY2
PWMY1
PWMY0
COD_300E
41
43
45
44
42
40
39
38
37
RST_EXT
E_INT
H1
H6
F6
F1
H2
H3

2 - 179
LPDT-020302LD3 LPDT, Spur 2, Umsetzplatine "Transport" (Bl. 3 v. 8)
PCB DC, track 2, conversion board, "conveyor" (sh. 3 of 8)
MOT1-
MOT1+
MOT2+
MOT2-
MOT3+
MOT3-
MOT4+
MOT4-
MOT5-
MOT5+
Conversion board, "conveyor", track 2
SM_B-
SM_B+
SM_A-
SM_A+
00359425 (ku)
29
34
33
32
30
31
28
27
26
25
22
23
24
21
20
GND
50
49
48
47
A1.48
A1.47
A2.27
A1.3737
44
45
46
43
42
A1.44
A1.45
A1.46
A1.43
A1.42
41
40
38
39
A1.41
A1.40
A1.38
A1.39
+24V-
A1.11
36
35
34
33
A1.34
A1.33
30
31
32
29
28
A1.30
A1.31
A1.32
A1.29
A1.28
A1.8
A1.15
A1.7
A1.31
A1.28
A1.30
A1.29
A1.27
MOT5-
MOT5+
MOT4-
MOT4+
MOT3-
MOT3+
MOT2-
MOT2+
MOT1-
MOT1+1
To plug X11ap
TSP-301E (ap)
Conveyor control
00365549-W1
(sheet 1)
15
27
24
26
25
23
29
30
28
27
24
26
25
23
A1.41
A1.42
+24V-
A1.10
A1.9
A2.28
A1.16
31
34
33
32
29
30
28
27
24
26
25
23
X55ku
10
11
12
13
15
18
17
16
14
19
20
21
MOT1+33
Conveyor rail C, track 2
17
21
20
19
18
15
16
14
13
17
21
20
19
18
15
16
14
13
8
10
12
11
9
7
6
5
4
8
10
12
11
9
7
6
5
4
(sheet 6)
00359424
(ky)
Conversion board
MOT5-
MOT5+
GND
MOT4+
MOT4-
MOT3+
MOT3-
19
18
16
17
13
14
12
11
6
8
9
10
7
5
4
3
2
X51ku
A1.99
To plug X12ap
TSP-301E (ap)
(sheet 1)
Conveyor control
00365549-W2
A1.2323
27
26
24
25
A1.27
A1.26
A1.24
A1.25
21
22
20
19
A1.21
A1.22
A1.20
A1.19
GND
A1.1414
16
17
18
15
A1.16
A1.17
A1.18
A1.15
13
12
11
10
A1.13
A1.12
A1.11
A1.10
7
8
6
5
A1.7
A1.8
A1.6
A1.5
2
4
3
1
X52ku
A1.4
A1.3
+24V-
22222222
25
24
26
27
23
28
29
32
31
30
33
34
Conversion board, "conveyor", track 2
00359425 (ku)
3131
34
33
32
34
33
32
29
30
28
MOT2+
MOT2-
00365725
1
2
X54ku
1
2
X16ky
MOT1-
33
Conversion boardConversion board
Conveyor rail D, track 2
00359424
(sheet 7)
17
21
20
19
18
(kz)
15
16
14
13
8
9
7
6
5
4
8
10
12
11
9
7
6
5
4
00365726
1
2
1
2
X16kz
02.
03.
02.
Status
Function status
Revision status
Document status
Modified Date Name
Date
Author
Check.
Stand.
Mat.no.:
CAD file:
Orig./Repl.f./Repl.by
Sh.
Sh.(s)
10.07.06
04.03.09
17.02.11
20.03.2003TDH
TDH
TDH
TDH
LPDT-020302LD3_SH03.DWG
Copyright ©
ASM Assembly Systems
GmbH & Co. KG
LPDT, Spur 2, Umsetzplatine "Transport"
SIPLACE X2/X3/X4/X4I
SIPLACE X-Series
LPDT-020302LD3
3
8