ASM贴片机 X 系列机型电路图 - 第30页
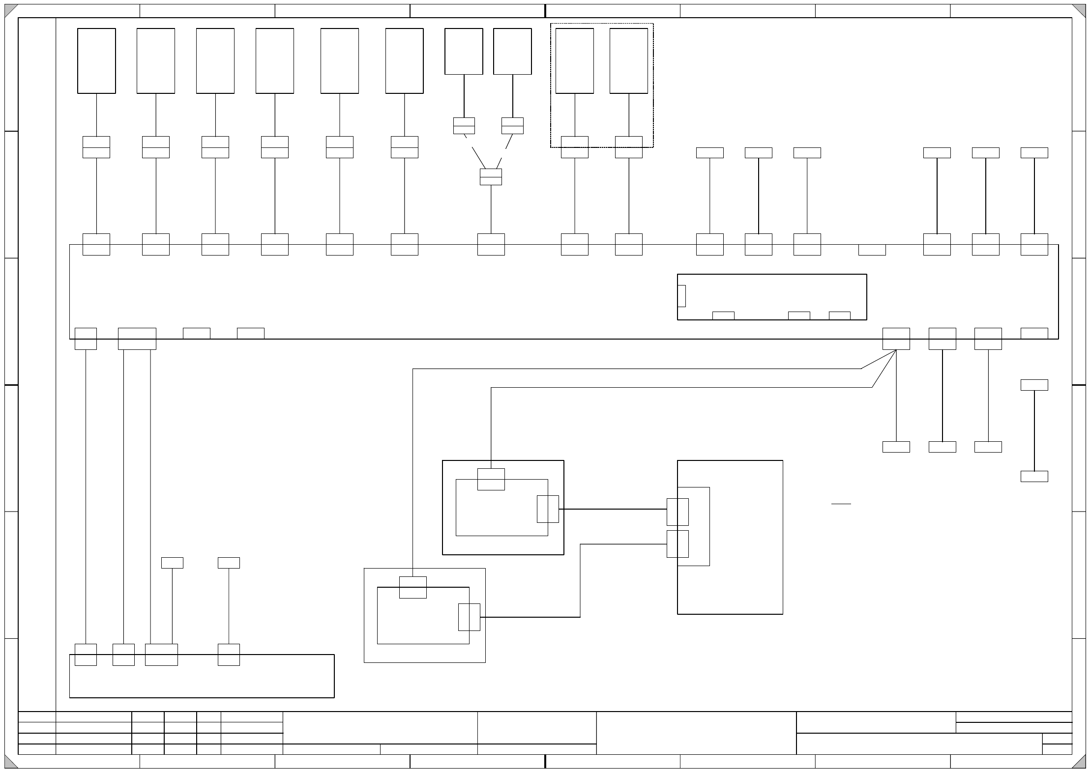
1 - 17 9001013 4-020 402LD3 SIPLACE X3 Gru ndmodul ( Bl. 3 v . 7) SIPLACE X3 basi c module (sh. 3 of 7) Orig. Repl. by. Repl. f. 2 1 78 6 5 4 3 A B C D E F Date Author Checked Standard Name Modification Stat. Date Sheet …

1 - 16
90010134-020402LD3 SIPLACE X3 Grundmodul (Bl. 2 v. 7)
SIPLACE X3 basic module (sh. 2 of 7)
Orig. Repl. by.Repl. f.
21 786543
A
B
C
D
E
F
Date
Author
Checked
StandardNameModificationStat. Date
Sheet
Designer 9
Item name / Benennung
of
Document-No. /
Dokumentennummer
W
e
it
e
r
g
a
b
e
s
o
w
ie
V
e
r
v
ie
lf
a
e
lt
ig
u
n
g
d
ie
s
e
r
U
n
t
e
r
la
g
e
,
V
e
r
w
e
r
t
u
n
g
u
n
d
M
it
t
e
ilu
n
g
ih
r
e
s
I
n
h
a
lt
s
n
ic
h
t
g
e
s
t
a
t
t
e
t
,
s
o
w
e
it
n
ic
h
t
a
u
s
d
r
u
e
c
k
lic
h
z
u
g
e
s
t
a
n
d
e
n
.
Z
u
w
id
e
r
h
a
n
d
lu
n
g
e
n
v
e
r
p
f
lic
h
t
e
n
z
u
S
c
h
a
d
e
n
e
r
s
a
t
z
.
A
ll
e
R
e
c
h
t
e
f
u
e
r
d
e
n
F
a
ll
d
e
r
P
a
t
e
n
t
e
r
t
e
ilu
n
g
o
d
e
r
G
e
b
r
a
u
c
h
m
u
s
t
e
r
-
E
in
t
r
a
g
u
n
g
v
o
r
b
e
h
a
lt
e
n
.
C
o
p
y
in
g
o
f
t
h
is
d
o
c
u
m
e
n
t
,
a
n
d
g
iv
in
g
it
t
o
o
t
h
e
r
s
a
n
d
t
h
e
u
s
e
o
r
c
o
m
m
u
n
ic
a
t
io
n
o
f
t
h
e
c
o
n
t
e
n
t
s
t
h
e
r
e
o
f
,
a
r
e
f
o
r
b
id
d
e
n
w
it
h
o
u
t
e
x
p
r
e
s
s
a
u
t
h
o
r
it
y
.
O
f
f
e
n
d
e
r
s
a
r
e
lia
b
le
t
o
t
h
e
p
a
y
m
e
n
t
o
f
d
a
m
a
g
e
s
.
A
ll
r
ig
h
t
s
a
r
e
r
e
s
e
r
v
e
d
in
t
h
e
e
v
e
n
t
o
f
t
h
e
g
r
a
n
t
o
f
a
p
a
t
e
n
t
o
r
t
h
e
r
e
g
is
t
r
a
t
io
n
o
f
a
u
t
ilit
y
m
o
d
e
l
o
r
d
e
s
ig
n
.
P
r
iv
ile
g
e
d
b
u
s
in
e
s
s
in
f
o
r
m
a
t
io
n
.
D
o
n
o
t
r
e
le
a
s
e
.
21 786543
A
B
C
D
E
F
Copyright ©
ASM Assembly Systems
GmbH & Co. KG
2001.11.14
Tekin
TekinTekin
Tekin
Tekin
07.12.17
10.07.28
10.12.20
403495
404751
404860
RS04
US02
RS03
SIPLACE X3 basic module
90010134-020402LD3
7
Power supply
00354 626
Power supply
P
o
w
e
r
s
u
p
p
ly
,
m
a
in
d
is
t
r
ib
u
t
o
r
0
3
0
0
2
5
0
5
X16
X2qa
MTC/Illumination
X18
X9qa
X9qa
X10qa
X10qa
X3qa
X13qa X14qa X16qa
C
o
n
t
r
o
ls
o
n
t
h
e
le
f
t
H
o
o
d
2
H
o
o
d
3
X56 X57 X52 X53
X13qa X14qa X16qa
X11qa X12qa
X63
E
x
t
e
n
s
io
n
k
it
P
C
B
o
u
t
p
u
t
(
le
f
t
h
a
n
d
s
id
e
)
0
3
0
0
2
5
0
6
-
W
2
/
W
3
0
3
0
0
2
5
0
6
-
W
5
Sub-distributor
X11qa X12qa
P
n
e
u
m
.
s
y
s
t
e
m
R
V
a
n
d
t
w
in
h
e
a
d
X58
X20qa
X21qa
X21qa
X2qa
X16
S
a
f
e
t
y
lo
o
p
:
M
T
C
/
P
o
w
e
r
s
u
p
p
ly
,
ill
u
m
in
a
t
io
n
0
3
0
0
2
5
0
6
-
W
4
X17
X17
X3qa
X3ra
X18
X71qa X72qa X73qa
X17qa X18qa X19qa
X122 X123 X2gn X133
X22qa X23qa X24qa
X17qa X18qa X19qa X22qa X23qa X24qa
X15
P
o
w
e
r
s
u
p
p
ly
P
C
B
h
a
n
d
lin
g
0
3
0
0
2
5
0
4
PCB handling
X79
X15
X56 X57 X52 X53X62 X63 X58
Dock.unit 2
X5qaX4qa
X5qc
X
6
q
c
X4qc
X15qa
X72raX71ra X73ra
S
u
b
d
is
t
r
ib
u
t
o
r
S
a
f
e
t
y
c
ir
c
u
it
0
3
0
0
2
5
2
0
S
u
b
d
is
t
r
ib
u
t
o
r
S
ig
n
a
ls
0
3
0
0
2
5
2
1
X71qa X72qa X73qa X74qa
Sub
distributor
Sub
distributor
X20qa
X65
Placement area 2, location 3
X3qc
Start
Stop
CO counter
P
n
e
u
m
a
t
ic
s
y
s
t
e
m
Start
Stop
Start
Stop
EmergStop
X2hnX132
E
x
t
e
n
s
io
n
k
it
P
C
B
o
u
t
p
u
t
(
r
ig
h
t
h
a
n
d
s
id
e
)
X62
Start
Stop
Hood
Dock.unit 2 Dock.unit 2 Dock.unit 3 Dock.unit 3 Dock.unit 3
Main distributor
0304 6225 (qa)
0
3
0
0
2
5
2
4
0
3
0
0
2
5
2
7
0
3
0
0
2
5
2
8
E
x
t
e
n
s
io
n
h
o
o
d
2
E
x
t
e
n
s
io
n
h
o
o
d
3
C
O
s
ig
n
a
l
in
g
2
0
3
0
0
2
5
3
0
C
O
s
a
f
a
t
y
2
0
3
0
0
2
5
3
1
C
o
n
t
r
o
l
d
o
c
k
.
u
n
it
2
0
3
0
1
7
4
4
7
C
O
s
ig
n
a
lin
g
3
0
3
0
0
2
5
3
4
C
O
s
a
f
a
t
y
3
0
3
0
0
2
5
3
5
C
o
n
t
r
o
l
d
o
c
k
.
u
n
it
3
0
3
0
1
7
4
4
8
0
3
0
0
2
5
2
9
E
x
t
e
n
s
io
n
F
a
u
lt
in
d
.
la
m
p
C
o
n
t
r
o
ls
o
n
t
h
e
le
f
t
a
b
o
v
e
p
o
w
e
r
s
u
p
p
ly
E
x
t
e
n
s
io
n
,
E
x
t
e
n
s
io
n
k
it
P
C
B
o
u
t
p
u
t
,
r
ig
h
t
0
3
0
0
2
5
2
5
0
3
0
0
2
5
2
6
E
x
t
e
n
s
io
n
C
o
n
t
r
o
l
e
le
m
e
n
t
s
le
f
t
0
3
0
0
2
5
2
3
E
x
t
e
n
s
io
n
,
E
x
t
e
n
s
io
n
k
it
P
C
B
o
u
t
p
u
t
,
le
f
t
E
x
t
e
n
s
io
n
C
o
n
t
r
o
l
e
le
m
e
n
t
s
r
ig
h
t
0
3
0
0
4
7
0
1
0
3
0
0
4
7
0
2
0
3
0
2
0
4
1
0
0
3
0
2
0
6
8
7
0
3
0
2
0
4
0
9
0
3
0
2
0
4
0
9
0300 4149
0
3
0
0
9
7
5
9
0
3
0
0
2
5
3
3
P
n
e
u
m
.
s
y
s
t
e
m
C
&
P
2
0
h
e
a
d
P
n
e
u
m
.
s
y
s
t
e
m
R
V
a
n
d
T
w
in
H
e
a
d
Vision DC/DC converter (qc)
0300 2280
Illumination Illumination
S
u
b
d
is
t
r
ib
u
t
o
r
P
o
w
e
r
s
u
p
p
ly
0
3
0
0
2
5
1
9
-
W
3
Sub
distributor
FC Camera, stationary
IC Camera, stationary
P
n
e
u
m
.
s
y
s
t
e
m
V
H
S
h
e
a
d
X65
0300 9757
X
3
c
m
Camera bus IC camera 2
0300 9758
Camera bus FC camera 2
H
o
t
lin
k
c
a
r
d
X
2
p
s
C
A
M
3
C
A
M
2
X
3
p
s
X
2
p
s
X
3
p
s
X
3
b
m
X
3
c
m
X
3
b
m
X4bm
X4bm
X4cm
X4cm
P
o
w
e
r
c
a
m
e
r
a
s
0
3
0
0
2
5
1
9
-
W
1
Vision board
LED driver VLT33
0303 9244 (bm)
Vision board
LED driver VLT33
0303 9244 (cm)
Control computer
P
o
w
e
r
c
a
m
e
r
a
s
0
3
0
0
2
5
1
9
-
W
2
F
a
u
lt
in
d
.
la
m
p
0
3
0
0
4
3
1
5
F
a
u
lt
in
d
.
la
m
p
0
3
0
0
4
3
1
5
X55
03009799-W1
X55
X55
_
1 X55
_
2
X55_1 X55_2
03009799-W2
2
Note:
Cable 03002522 not used in 3 and 4-gantry machines.
Secure connections:
Unintentional connecting should be ruled out.
X74qa
X74ra
S
u
b
D
is
t
r
ib
u
t
o
r
O
n
ly
H
F
0
3
0
0
2
5
2
2
Sub
distributor

1 - 17
90010134-020402LD3 SIPLACE X3 Grundmodul (Bl. 3 v. 7)
SIPLACE X3 basic module (sh. 3 of 7)
Orig. Repl. by.Repl. f.
21 786543
A
B
C
D
E
F
Date
Author
Checked
StandardNameModificationStat. Date
Sheet
Designer 9
Item name / Benennung
of
Document-No. /
Dokumentennummer
W
e
it
e
r
g
a
b
e
s
o
w
ie
V
e
r
v
ie
lf
a
e
lt
ig
u
n
g
d
ie
s
e
r
U
n
t
e
r
la
g
e
,
V
e
r
w
e
r
t
u
n
g
u
n
d
M
it
t
e
ilu
n
g
ih
r
e
s
I
n
h
a
lt
s
n
ic
h
t
g
e
s
t
a
t
t
e
t
,
s
o
w
e
it
n
ic
h
t
a
u
s
d
r
u
e
c
k
lic
h
z
u
g
e
s
t
a
n
d
e
n
.
Z
u
w
id
e
r
h
a
n
d
lu
n
g
e
n
v
e
r
p
f
lic
h
t
e
n
z
u
S
c
h
a
d
e
n
e
r
s
a
t
z
.
A
ll
e
R
e
c
h
t
e
f
u
e
r
d
e
n
F
a
ll
d
e
r
P
a
t
e
n
t
e
r
t
e
ilu
n
g
o
d
e
r
G
e
b
r
a
u
c
h
m
u
s
t
e
r
-
E
in
t
r
a
g
u
n
g
v
o
r
b
e
h
a
lt
e
n
.
C
o
p
y
in
g
o
f
t
h
is
d
o
c
u
m
e
n
t
,
a
n
d
g
iv
in
g
it
t
o
o
t
h
e
r
s
a
n
d
t
h
e
u
s
e
o
r
c
o
m
m
u
n
ic
a
t
io
n
o
f
t
h
e
c
o
n
t
e
n
t
s
t
h
e
r
e
o
f
,
a
r
e
f
o
r
b
id
d
e
n
w
it
h
o
u
t
e
x
p
r
e
s
s
a
u
t
h
o
r
it
y
.
O
f
f
e
n
d
e
r
s
a
r
e
lia
b
le
t
o
t
h
e
p
a
y
m
e
n
t
o
f
d
a
m
a
g
e
s
.
A
ll
r
ig
h
t
s
a
r
e
r
e
s
e
r
v
e
d
in
t
h
e
e
v
e
n
t
o
f
t
h
e
g
r
a
n
t
o
f
a
p
a
t
e
n
t
o
r
t
h
e
r
e
g
is
t
r
a
t
io
n
o
f
a
u
t
ilit
y
m
o
d
e
l
o
r
d
e
s
ig
n
.
P
r
iv
ile
g
e
d
b
u
s
in
e
s
s
in
f
o
r
m
a
t
io
n
.
D
o
n
o
t
r
e
le
a
s
e
.
21 786543
A
B
C
D
E
F
Copyright ©
ASM Assembly Systems
GmbH & Co. KG
2001.11.14
Tekin
TekinTekin
Tekin
Tekin
07.12.17
10.07.28
10.12.20
403495
404751
404860
RS04
US02
RS03
SIPLACE X3 basic module
90010134-020402LD3
7
X72raX71ra
Power supply
X13ra X14ra
H
o
o
d
1
H
o
o
d
4
X51 X54
X11ra X12ra
X64
E
x
t
e
n
s
io
n
,
E
x
t
e
n
s
io
n
k
it
P
C
B
in
p
u
t
le
f
t
E
x
t
e
n
s
io
n
k
it
P
C
B
in
p
u
t
(
r
ig
h
t
-
h
a
n
d
s
id
e
)
X13ra X14raX11ra X12ra
X17raX20ra
P
n
e
u
m
.
s
y
s
t
e
m
M
a
in
v
a
lv
e
X59
X21ra
S
a
f
e
t
y
v
a
lv
e
X60
X20ra X21ra X17ra X18ra
X18ra
X19ra
X19ra
X112 X113
X22ra X23ra X24ra
X142 X143
X22ra X23ra X24ra
X73ra X74ra
X51 X54X61 X64 X59 X60
Dock.unit 1 Dock.unit 4
Vision DC distributor (rc)
0300 5920
X
6
r
c
X10ra
X4rc
0300 4149
X5rc
Placementarea 1, Location 1
Illumination
X3rc
Start
Stop
EmergStop
X2knX2fn
X15ra
E
x
t
e
n
s
io
n
k
it
P
C
B
in
p
u
t
(
le
f
t
-
h
a
n
d
s
id
e
)
X61
Start
Stop
Hood
Dock.unit 1 Dock.unit 1 Dock.unit 4 Dock.unit 4
Sub distributor
0304 6226 (ra)
X4raX3ra X5ra X6ra
X3ra
0
3
0
0
2
5
0
6
-
W
5
X18
Illumination
0
3
0
0
2
5
3
7
0
3
0
0
2
5
3
8
0
3
0
0
2
5
3
9
0
3
0
0
2
5
4
0
0
3
0
0
2
5
4
4
0
3
0
0
2
5
4
5
E
x
t
e
n
s
io
n
h
o
o
d
1
E
x
t
e
n
s
io
n
h
o
o
d
4
P
n
e
u
m
.
s
y
s
t
e
m
m
a
in
v
a
lv
e
T
a
ip
c
u
t
t
e
r
m
a
in
v
a
lv
e
0
3
0
2
0
4
1
0
0
3
0
2
0
6
8
7
0
3
0
2
0
4
0
9
0
3
0
2
0
4
0
9
C
O
s
ig
n
a
l
in
g
1
0
3
0
0
2
5
4
1
C
O
s
a
f
a
t
y
1
0
3
0
0
2
5
4
2
C
o
n
t
r
o
l
d
o
c
k
.
u
n
it
1
0
3
0
1
7
4
4
6
C
O
s
ig
n
a
lin
g
4
0
3
0
0
2
5
4
6
C
O
s
a
f
a
t
y
4
0
3
0
0
2
5
4
7
C
o
n
t
r
o
l
d
o
c
k
.
u
n
it
4
0
3
0
1
7
4
4
9
E
x
t
e
n
s
io
n
,
E
x
t
e
n
s
io
n
k
it
P
C
B
in
p
u
t
r
ig
h
t
IC camera, stationary
FC Camera, stationary
0300 9755
Camera bus IC camera 1
0300 9756
Camera bus FC camera 1
H
o
t
lin
k
c
a
r
d
C
A
M
3
C
A
M
2
X
2
p
r
X
3
p
r
X
2
p
r
X
3
p
r
X
3
d
m
X
3
a
m
X
3
d
m
X
3
a
m
X4am
X4am
X4dm
X4dm
P
o
w
e
r
c
a
m
e
r
a
s
0
3
0
4
5
4
5
4
-
W
1
Board/Vision
LED driver VLT33
0303 9244 (am)
Platine/Vision
LED driver VLT33
0303 9244 (dm)
P
o
w
e
r
c
a
m
e
r
a
s
0
3
0
4
5
4
5
4
-
W
2
X9ra
X9ra
Power vision
Control computer
X2ra
3

1 - 18
90010134-020402LD3 SIPLACE X3 Grundmodul (Bl. 4 v. 7)
SIPLACE X3 basic module (sh. 4 of 7)
Orig. Repl. by.Repl. f.
21 786543
A
B
C
D
E
F
Date
Author
Checked
StandardNameModificationStat. Date
Sheet
Designer 9
Item name / Benennung
of
Document-No. /
Dokumentennummer
W
e
it
e
r
g
a
b
e
s
o
w
ie
V
e
r
v
ie
lf
a
e
lt
ig
u
n
g
d
ie
s
e
r
U
n
t
e
r
la
g
e
,
V
e
r
w
e
r
t
u
n
g
u
n
d
M
it
t
e
ilu
n
g
ih
r
e
s
I
n
h
a
lt
s
n
ic
h
t
g
e
s
t
a
t
t
e
t
,
s
o
w
e
it
n
ic
h
t
a
u
s
d
r
u
e
c
k
lic
h
z
u
g
e
s
t
a
n
d
e
n
.
Z
u
w
id
e
r
h
a
n
d
lu
n
g
e
n
v
e
r
p
f
lic
h
t
e
n
z
u
S
c
h
a
d
e
n
e
r
s
a
t
z
.
A
ll
e
R
e
c
h
t
e
f
u
e
r
d
e
n
F
a
ll
d
e
r
P
a
t
e
n
t
e
r
t
e
ilu
n
g
o
d
e
r
G
e
b
r
a
u
c
h
m
u
s
t
e
r
-
E
in
t
r
a
g
u
n
g
v
o
r
b
e
h
a
lt
e
n
.
C
o
p
y
in
g
o
f
t
h
is
d
o
c
u
m
e
n
t
,
a
n
d
g
iv
in
g
it
t
o
o
t
h
e
r
s
a
n
d
t
h
e
u
s
e
o
r
c
o
m
m
u
n
ic
a
t
io
n
o
f
t
h
e
c
o
n
t
e
n
t
s
t
h
e
r
e
o
f
,
a
r
e
f
o
r
b
id
d
e
n
w
it
h
o
u
t
e
x
p
r
e
s
s
a
u
t
h
o
r
it
y
.
O
f
f
e
n
d
e
r
s
a
r
e
lia
b
le
t
o
t
h
e
p
a
y
m
e
n
t
o
f
d
a
m
a
g
e
s
.
A
ll
r
ig
h
t
s
a
r
e
r
e
s
e
r
v
e
d
in
t
h
e
e
v
e
n
t
o
f
t
h
e
g
r
a
n
t
o
f
a
p
a
t
e
n
t
o
r
t
h
e
r
e
g
is
t
r
a
t
io
n
o
f
a
u
t
ilit
y
m
o
d
e
l
o
r
d
e
s
ig
n
.
P
r
iv
ile
g
e
d
b
u
s
in
e
s
s
in
f
o
r
m
a
t
io
n
.
D
o
n
o
t
r
e
le
a
s
e
.
21 786543
A
B
C
D
E
F
Copyright ©
ASM Assembly Systems
GmbH & Co. KG
2001.11.14
Tekin
TekinTekin
Tekin
Tekin
07.12.17
10.07.28
10.12.20
403495
404751
404860
RS04
US02
RS03
SIPLACE X3 basic module
90010134-020402LD3
7
X2qd
Docking unit 2 Docking unit 1
X125X126
CAN INCAN OUT
X115X116
CAN INCAN OUT
CAN
P
C
B
c
o
n
t
r
o
l
X22ao
X22ao
CAN I/O-module 00355 051 (qb)
0301 0050
CAN
0
3
0
1
0
0
5
1
X2rd
X145
CAN IN
So
Axis unit
0305 7572
X
3
0
_
2
s
q
C
A
N
Docking unit 3
X136
CAN OUT
X40ca
CAN
Docking unit 4
(ca)
Cable carrier interface
0301 0612
P3
0
3
0
1
0
0
5
4
X135
CAN IN
X
6
8
Ambient pressure sensor
Pneumatic unit
P
la
c
e
m
e
n
t
a
r
e
a
2
P
la
c
e
m
e
n
t
a
r
e
a
1
CAN bus wiring
wireno. wiring Sub-D- PIN
1 "1-Wire" 1
2 GND 6
3 CAN_L 2
4 CAN_H 7
5 GND 3
6 RESET 8
7 PowerFail 4
8 free 9
9 CAN_INT 5
C
A
N
X
3
0
_
2
s
q
X
3
0
_
1
s
q
X
3
0
_
1
s
q
X
3
0
_
2
t
q
X
3
0
_
1
t
q
X146
CAN OUT
CAN I/O module 00355 051 (rb)
X40aa
(aa)
Cable carrier interface
0301 0612
P1
0301 0059
X40ca
X40ba
0301 0053
X40aa
X1rb
X1qbX6qf
X6qf
CAN
X2qf
Interface 1-Wire CAT5 (qf)
0304 1578
Main distributor 0304 6225 (qa)
X6rf
X6rf
X
1
2
p
n
X
1
1
p
n
X
7
p
n
C
A
N
c
a
r
d
X
6
p
n
C
A
N
b
u
s
1
C
A
N
b
u
s
2
CAN
0304 1578
Interface 1-Wire CAT5 (rf)
X2rf
Sub distributor 0304 6226 (ra)
So
So
So
So
So
So
SoSo
So So
So
So PinPin
Pin PinSoSo
So
So
Control
computer
0
3
0
5
7
1
4
5
P
a
t
c
h
c
a
b
le
5
m
X
1
f
e
0305 7145
Patch cable 5m
4
C
A
N
2/3
X
3
0
_
2
t
q
X
3
0
_
1
t
q
C
A
N
0301 0052
X30_1sq
Pin
120 Ohm
X1
n. u.
X40da
CAN
(da)
Cable carrier interface
0301 0622
P4
X4he
CAN In
X5he
X
2
h
e
X
1
h
e
1-Wire CAT5 gantry
0304 2214 (fe)
CAN In
X5fe
X4fe
X
2
f
e
X
1
f
e
X4ke
CAN In
X40da
So
X5ke
X
2
k
e
X
1
k
e
X
2
k
e
Switch pos.: top
X
2
f
e
1-Wire CAT5 gantry
0304 2214 (he)
Switch pos.: bottom
1-Wire CAT5 gantry
0304 2214 (ke)
Switch pos.: bottom
0
3
0
4
2
3
4
7
1
-
w
ir
e
b
r
id
g
e
Axis unit 1/4
0305 7572
Terminating resistor
0302 7646
X
1
h
e