ASM贴片机 X 系列机型电路图 - 第44页
1 - 31 001 19 625-0105 01LD3 V erd rahtung L P-Einfa chtranspor t (Bl. 4 v . 4) PCB s ingle con veyor wi ring (s h. 4 of 4) Status Modified Date 00119625-010501LD3 Verdrahtung LP- Ei nfachtra nsport Conversion board, ass…

1 - 30
00119625-010501LD3 Verdrahtung LP-Einfachtransport (Bl. 3 v. 4)
PCB single conveyor wiring (sh. 3 of 4)
Light barrier transmitter,
Light barrier transmitter,
Light barrier transmitter,
Light barrier transmitter,
Light barrier transmitter,
Light barrier transmitter,
Light barrier transmitter,
input belt
placement area 1, 00370177-xx (X4/X3/X2)
placement area 1, 00370177-xx (X4/X3/X2)
intermediate belt, 00370178-xx (X4/X3/X2)
placement area 2
placement area 2
output belt
SIPLACE X-Series
ASM Assembly Systems
GmbH & Co. KG
Copyright ©
0305 4348-xx (X4I)
00365761-xx
00365762-xx
00365763-xx
00359425-xx
00359424-xx
(kt)
(kv)
00365771-xx
00365773-xx
00359424-xx
(kw)
00365765-xx
Stand.
Check.
Author
Date
Status Modified Date
00119625-010501LD3
Verdrahtung LP-Einfachtransport
Conversion board, assembly trough, track 1
Conversion board, side panel A Conversion board, side panel B
00370204-xx
00370205-xx
00370206-xx
00370203-xx
00370202-xx
Limit switch, width adjustment
Light barrier, receiver, placement belt 2
Light barrier, receiver, placement belt 1
Light barrier, receiver,
Light barrier, receiver,
Light barrier, receiver,
Light barrier, receiver,
Light barrier, receiver,
input belt
placement area 1
intermediate belt
placement belt 2
output belt
Belt motor, output belt
Belt motor, input belt
Belt motor, placement area 1
Belt motor, intermediate belt
Belt motor, placement area 2
Motor cable, output belt
Motor cable, placement area 2
Motor cable, intermediate belt
Motor cable, placement area 1
Motor cable, input belt
00370176-xx
03054347-xx (X4I)
03054347-xx ( X4I)
03054349-xx (X4)
00370179-xx
00370179-xx
Limit switch, width adjustment
Light barrier, transmitter, placement belt 2
Light barrier, transmitter, placement belt 1
00370180-xx
00365772-xx (X4/X3/X2)
00365774-xx
00365765-xx
00365719-xx
00365720-xx

1 - 31
00119625-010501LD3 Verdrahtung LP-Einfachtransport (Bl. 4 v. 4)
PCB single conveyor wiring (sh. 4 of 4)
Status Modified Date
00119625-010501LD3
Verdrahtung LP-Einfachtransport
Conversion board, assembly trough
Conversion board, lifting table (placement area 2)
Conversion board, lifting table (placement area 1)
Lifting table, placement area 1 Lifting table, placement area 2
Lifting table, valve, down
Cylinder sensor, lifting table
Lifting table, valve, up
Lifting table, valve, down
Cylinder sensor, lifting table
Lifting table, valve, up
Cable, valve, lifting table down, conv. board
Cable, valve, lifting table up, conv. board
Cable, limit switch, lifting table
Light barrier, track B, conv. board (long)
Light barrier, track A, conv. board (long)
Cable, valve, lifting table down, conv. board
Cable, valve, lifting table up, conv. board
Cable, limit switch, lifting table
Light barrier, track B, conv. board (long)
Light barrier, track A, conv. board (long)
SIPLACE X-Series
Copyright ©
GmbH & Co. KG
ASM Assembly Systems
Stand.
Check.
Author
Date
X6
00362766-xx
(lv)
X6lv
X1kt
X1kt
X6
00362766-xx
(lw)
X6lw
X2kt
X2kt
00363111-xx
00363113-xx
03032879-xx
03048851-xx
03048852-xx
00363111-xx
00363113-xx
03032879-xx
03048851-xx
03048852-xx
00359425-xx
(kt)
00369020-xx
00369071-xx

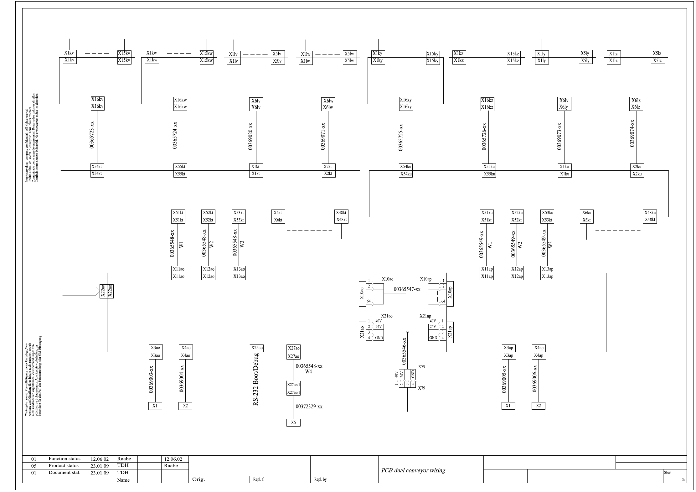
1 - 32
00119627-010501LD3 Verdrahtung Doppeltransport (B. 1 v. 6)
PCB dual conveyor wiring (sh. 1 of 6)
Stand.
Check.
Author
Date
Status Modified Date
00119627-010501LD3
6
1
Conveyor control TSP-301
Upstream station
00370397-xx 00370398-xx
(kv)
00359424-xx
(kw)
(kt)
(ao)
(ap)
00359424-xx
(ky)
00359424-xx
(kz)
(lv)
00362766-xx
(lw)
00362766-xx
(ly)
00362766-xx
(lz)
00362766-xx
00359425-xx
(ku)
00359424-xx
00359425-xx
Machine interface, track 1 (SMEMA)
Downstream station
Distributor, PCB barcode reader
(option)
CAN bus
Machine interface, track 2 (SMEMA)
Upstream station
Downstream station
From power supply
Conveyor control TSP-301E, extension board
Conversion board, assembly trough (track 2)
Sensors/actors in assembly troughSensors/actors in assembly trough
Conversion board, assembly trough (track 1)
Placement sector 2, track 1
Conversion board, lifting table
Placement sector 1, track 1
Conversion board, lifting table
Conversion board, side panel BConversion board, side panel A
Sensors/actors f. lifting table
Sensors/actors
on side panel A
Sensors/actors f. lifting table
Placement sector 1 track 1
Sensors/actors
on side panel B
Placement sector 2 track 1
Placement sector 2, track 2
Conversion board, lifting table
Sensors/actors f. lifting table
Placement sector 2 track 2
Sensors/actors f. lifting table
Placement sector 1 track 2
Sensors/actors
on side panel C
Sensors/actors
on side panel D
Placement sector 1, track 2
Conversion board, lifting table
Conversion board, side panel DConversion board, side panel C
Verdrahtung LP-Doppeltransport SIPLACE X-Series
Copyright ©
GmbH & Co. KG
ASM Assembly Systems