ASM贴片机 X 系列机型电路图 - 第57页
1 - 44 0307045 7-010 101LD3 Modulare r Vierspurtr ansport 2380 mm (Bl. 7 v. 7) Modula r quad-la ne conv eyor III, 23 80 mm (sh . 7 of 7) Stat. Modi fication Date Name Standard Orig. Repl. f. Repl. by New Date Author Chec…

1 - 43
03070457-010101LD3 Modularer Vierspurtransport 2380 mm (Bl. 6 v. 7)
Modular quad-lane conveyor III, 2380 mm (sh. 6 of 7)
Stat. Modification Date Name Standard Orig. Repl. f. Repl. by
New
Date
Author
Checked
Sheet
Sh.
W
e
i
t
e
r
g
a
b
e
s
o
w
i
e
V
e
r
v
i
e
l
f
ä
l
t
i
g
u
n
g
d
i
e
s
e
r
U
n
t
e
r
l
a
g
e
,V
e
r
-
w
e
r
tu
n
g
u
n
d
M
it
t
e
i
l
u
n
g
i
h
r
e
s
I
n
h
a
l
t
s
n
i
c
h
t
ge
s
t
a
tt
e
t, s
o
w
e
i
t
n
i
c
h
t
a
u
s
d
r
ü
c
k
l
i
c
h
z
u
g
e
s
t
a
n
d
e
n
. Z
u
w
i
d
e
r
h
a
n
d
l
u
n
g
e
n
v
e
r
-
p
f
l
i
c
h
t
e
n
z
u
S
c
h
a
d
e
n
e
r
s
a
t
z
. A
l
le
R
e
c
h
t
e
v
o
r
b
e
h
a
l
t
e
n
, i
n
s
b
e
s
o
n
d
e
r
e
f
ü
r
d
e
n
F
a
l
l
d
e
r
P
a
t
e
n
t
e
r
t
e
i
l
u
n
g
o
d
e
r
G
M
-
E
i
n
t
r
a
g
u
n
g
P
r
o
p
r
i
e
ta
r
y
d
a
t
e
, c
o
m
p
a
n
y
c
o
n
f
i
d
e
n
t
i
a
l
. A
l
l
r
i
g
h
t
s
r
e
s
e
r
v
d
.
C
o
n
f
i
e
a
t
it
r
e
d
e
s
e
c
r
e
t
d
´
e
n
t
r
e
p
r
is
e
. T
o
u
s
d
r
o
i
t
s
r
e
s
e
r
v
e
s
.
C
o
m
u
n
i
c
a
d
o
c
o
m
o
s
e
g
r
e
d
o
e
m
p
r
e
s
a
r
i
a
l
. R
e
s
e
r
v
a
d
o
s
t
o
d
o
s
o
s
d
i
r
e
i
l
o
s
.
C
o
n
f
i
a
d
o
c
o
m
o
s
e
c
r
e
t
e
i
n
d
u
s
tr
i
a
l.
N
o
s
r
e
s
e
r
v
a
m
o
s
t
o
d
o
s
l
o
s
d
e
r
e
c
h
o
s
.
Böhringer
17.07.08
Modul. Vierspurtransport 2380mm
Modular quad-lane conveyor III 2380 mm
7
03070457-010101LD3
Böhringer
14.07.08
Copyright ©
ASM Assembly Systems
GmbH & Co. KG
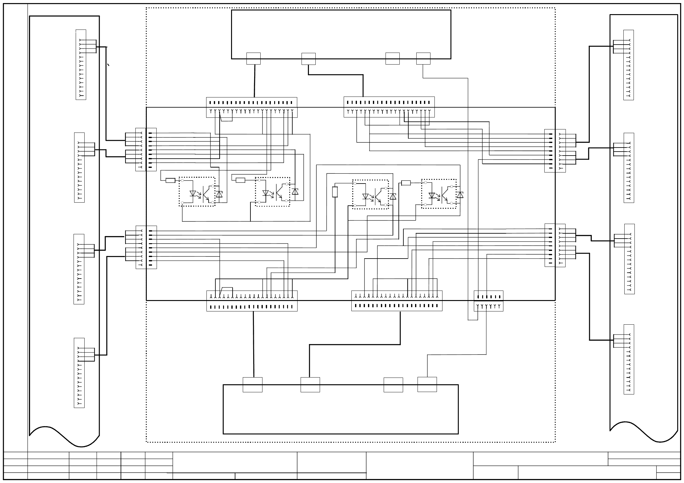
Conversion board, lifting table (track 1, PA1)
X6
00362766-xx
I
n
c
r
e
m
e
n
t
a
l
e
n
c
o
d
e
r
, t
r
a
c
k
A
, l
i
f
t
i
n
g
t
a
b
l
e
I
n
c
r
e
m
e
n
t
a
l
e
n
c
o
d
e
r
, t
r
a
c
k
B
, l
i
f
t
i
n
g
t
a
b
l
e
0
0
3
6
3
0
7
9
-
x
x
C
a
b
l
e
:
i
n
c
r
e
m
e
n
t
a
l
e
n
c
o
d
e
r
, t
r
a
c
k
B
L
i
m
i
t
s
w
i
t
c
h
, l
i
f
t
i
n
g
t
a
b
l
e
C
a
b
l
e
:
i
n
c
r
e
m
e
n
t
a
l
e
n
c
o
d
e
r
,
t
r
a
c
k
A
C
a
b
l
e
:
v
a
l
v
e
, l
i
f
t
i
n
g
t
a
b
l
e
d
o
w
n
C
a
b
l
e
:
v
a
l
v
e
, l
i
f
t
i
n
g
t
a
b
l
e
u
p
0
0
3
6
3
0
8
0
-
x
x
0
0
3
6
3
0
7
6
-
x
x
0
0
3
6
3
0
7
8
-
x
x
0
0
3
6
3
0
7
7
-
x
x
(
u
p
p
e
r
f
o
r
k
l
i
g
h
t
b
a
r
r
i
e
r
)
(
l
o
w
e
r
f
o
r
k
l
i
g
h
t
b
a
r
r
i
e
r
)
C
y
l
i
n
d
e
r
s
w
i
t
c
h
, l
i
f
t
i
n
g
t
a
b
l
e
L
i
f
t
i
n
g
t
a
b
l
e
, v
a
l
v
e
u
p
(
"
1
4
"
c
o
n
n
e
c
t
o
r
)
L
i
f
t
i
n
g
t
a
b
l
e
, v
a
l
v
e
d
o
w
n
(
"
1
2
"
c
o
n
n
e
c
t
o
r
)
X1 X2
Conversion board, lifting table (track 2, PA1)
00362766-xx
Lifting table, track 1, placement area 1 Lifting table, track 2, placement area 1
(lv)
(ly)
2
3
6
P
2
4
G
N
D
I
N
2
3
6
P
2
4
G
N
D
I
N
X3 X4 X5
2
6
G
N
D
O
U
T
2
6
G
N
D
O
U
T
2
3
6
P
2
4
G
N
D
I
N
X6lv
X1kt
1
2
1
0
1
2
1
0
X1kt
X6
X6ly
X1ku
1
2
1
0
1
2
1
0
X1ku
Conversion board, lifting table, (track 1, PA2)
X6
00362766-xx
0
0
3
6
3
0
7
9
-
x
x
0
0
3
6
3
0
8
0
-
x
x
0
0
3
6
3
0
7
6
-
x
x
0
0
3
6
3
0
7
8
-
x
x
0
0
3
6
3
0
7
7
-
x
x
X1 X2
Lifting table, track 1, placement area 2
(lw)
2
3
6
P
2
4
G
N
D
I
N
2
3
6
P
2
4
G
N
D
I
N
X3 X4 X5
2
6
G
N
D
O
U
T
2
6
G
N
D
O
U
T
2
3
6
P
2
4
G
N
D
I
N
X6lw
X2kt
1
2
1
0
1
2
1
0
X2kt
Conversion board, lifting table (track 2, PA2)
00362766-xx
Lifting table, track 2, placement area 2
(lz)
X6
X6lz
X2ku
1
2
1
0
1
2
1
0
X2ku
03066716-xx
Conversion board, assembly tray (track 1)
(kt)
03066716-xx
(ku)
0
0
3
6
3
0
7
9
-
x
x
0
0
3
6
3
0
8
0
-
x
x
0
0
3
6
3
0
7
6
-
x
x
0
0
3
6
3
0
7
8
-
x
x
0
0
3
6
3
0
7
7
-
x
x
X1 X2
2
3
6
P
2
4
G
N
D
I
N
2
3
6
P
2
4
G
N
D
I
N
X3 X4 X5
2
6
G
N
D
O
U
T
2
6
G
N
D
O
U
T
2
3
6
P
2
4
G
N
D
I
N
0
0
3
6
3
0
7
9
-
x
x
0
0
3
6
3
0
8
0
-
x
x
0
0
3
6
3
0
7
6
-
x
x
0
0
3
6
3
0
7
8
-
x
x
0
0
3
6
3
0
7
7
-
x
x
X1 X2
2
3
6
P
2
4
G
N
D
I
N
2
3
6
P
2
4
G
N
D
I
N
X3 X4 X5
2
6
G
N
D
O
U
T
2
6
G
N
D
O
U
T
2
3
6
P
2
4
G
N
D
I
N
6
0
0
3
6
9
0
2
0
-
x
x
0
0
3
6
9
0
7
1
-
x
x
0
0
3
6
9
0
7
3
-
x
x
0
0
3
6
9
0
7
4
-
x
x
I
n
c
r
e
m
e
n
t
a
l
e
n
c
o
d
e
r
, t
r
a
c
k
A
, l
i
f
t
i
n
g
t
a
b
l
e
I
n
c
r
e
m
e
n
t
a
l
e
n
c
o
d
e
r
, t
r
a
c
k
B
, l
i
f
t
i
n
g
t
a
b
l
e
(
u
p
p
e
r
f
o
r
k
l
i
gh
t
b
a
r
r
i
e
r
)
(
l
o
w
e
r
f
o
r
k
l
i
g
h
t
b
a
r
r
i
e
r
)
C
y
l
i
n
d
e
r
s
w
i
t
c
h
, l
i
f
t
i
n
g
t
a
b
l
e
L
i
f
t
i
n
g
t
a
b
l
e
, v
a
l
v
e
u
p
(
"
1
4
"
c
o
n
n
e
c
t
o
r
)
L
i
f
t
i
n
g
t
a
b
l
e
, v
a
l
v
e
d
o
w
n
(
"
1
2
"
c
o
n
n
e
c
t
o
r
)
I
n
c
r
e
m
e
n
t
a
l
e
n
c
o
d
e
r
, t
r
a
c
k
A
, l
i
f
t
i
n
g
t
a
b
l
e
I
n
c
r
e
m
e
n
t
al
e
n
c
o
d
e
r
, t
r
a
c
k
B
, l
i
f
t
i
n
g
t
a
b
l
e
(
u
p
p
e
r
f
o
r
k
l
i
g
h
t
b
a
r
r
i
e
r
)
(
l
o
w
e
r
f
o
r
k
l
i
g
h
t
b
a
r
r
i
e
r
)
C
y
l
i
n
d
e
r
s
w
i
t
c
h
, l
i
f
t
i
n
g
t
a
b
l
e
L
i
f
t
i
n
g
t
a
b
l
e
, v
a
l
v
e
u
p
(
"
1
4
"
c
o
n
n
e
c
t
o
r
)
L
i
f
t
i
n
g
t
a
b
l
e
, v
a
l
v
e
d
o
w
n
(
"
1
2
"
c
o
n
n
e
c
t
o
r
)
I
n
c
r
em
e
n
t
a
l
e
n
c
o
d
e
r
, t
r
a
c
k
A
, l
i
f
t
i
n
g
t
a
b
l
e
I
n
c
r
e
m
e
n
t
a
l
e
n
c
o
d
e
r
, t
r
a
c
k
B
, l
i
f
t
i
n
g
t
a
b
l
e
(
u
p
p
e
r
f
o
r
k
l
i
g
h
t b
ar
r
i
e
r
)
(
l
o
w
e
r
f
o
r
k
l
i
g
h
t
b
a
r
r
i
e
r
)
C
y
l
i
n
d
e
r
s
w
i
t
c
h
, l
i
f
t
i
n
g
ta
b
l
e
L
i
f
t
i
n
g
t
a
b
l
e
, v
a
l
v
e
u
p
(
"
1
4
"
c
o
n
n
e
c
t
o
r)
L
i
f
t
i
n
g
t
a
b
l
e
, v
a
l
v
e
d
o
w
n
(
"
1
2
"
c
o
n
n
e
c
t
o
r
)
C
a
b
l
e
:
i
n
c
r
e
m
e
n
t
a
l
e
n
c
o
d
e
r
, t
r
a
c
k
B
L
i
m
i
t
s
w
i
t
c
h
, l
i
f
t
i
n
g
t
a
b
l
e
C
a
b
l
e
:
i
n
c
r
e
m
e
n
t
a
l
e
n
c
o
d
e
r
, t
r
a
c
k
A
C
a
b
l
e
:
v
a
l
v
e
, l
i
f
t
i
n
g
t
a
b
l
e
d
o
w
n
C
a
b
l
e
:
v
a
l
v
e
, l
i
f
t
i
n
g
t
a
b
l
e
u
p
C
a
b
l
e
:
i
n
c
r
e
m
e
n
t
a
l
e
n
c
o
d
e
r
, t
r
a
c
k
B
L
i
m
i
t
s
w
i
t
c
h
, l
i
f
t
i
n
g
t
a
b
l
e
C
a
b
l
e
:
i
n
c
r
e
m
e
n
t
a
l
e
n
c
o
d
e
r
, t
r
a
c
k
A
C
a
b
l
e
:
v
a
l
v
e
, l
i
f
t
i
n
g
t
a
b
l
e
d
o
w
n
C
a
b
l
e
:
v
a
l
v
e
, l
i
f
t
i
n
g
t
a
b
l
e
u
p
C
a
b
l
e
:
i
n
c
r
e
m
e
n
t
a
l
e
n
c
o
d
e
r
, t
r
a
c
k
B
L
i
m
i
t
s
w
i
t
c
h
,
li
f
t
i
n
g
t
a
b
l
e
C
a
b
l
e
:
i
n
c
r
e
m
e
n
t
a
l
e
n
c
o
d
e
r
, t
r
a
c
k
A
C
a
b
l
e
:
v
a
l
v
e
, l
i
f
t
i
n
g
t
a
b
l
e
d
o
w
n
C
a
b
l
e
:
v
a
l
v
e
, l
i
f
t
i
n
g
t
a
b
l
e
u
p
Conversion board, assembly tray (track 2)

1 - 44
03070457-010101LD3 Modularer Vierspurtransport 2380 mm (Bl. 7 v. 7)
Modular quad-lane conveyor III, 2380 mm (sh. 7 of 7)
Stat. Modification Date Name Standard Orig. Repl. f. Repl. by
New
Date
Author
Checked
Sheet
Sh.
W
e
i
t
e
r
g
a
b
e
s
o
w
i
e
V
e
r
v
i
e
l
f
ä
l
t
i
g
u
n
g
d
i
e
s
e
r
U
n
t
e
r
l
a
g
e
,V
e
r
-
w
e
r
tu
n
g
u
n
d
M
it
t
e
i
l
u
n
g
i
h
r
e
s
I
n
h
a
l
t
s
n
i
c
h
t
ge
s
t
a
tt
e
t, s
o
w
e
i
t
n
i
c
h
t
a
u
s
d
r
ü
c
k
l
i
c
h
z
u
g
e
s
t
a
n
d
e
n
. Z
u
w
i
d
e
r
h
a
n
d
l
u
n
g
e
n
v
e
r
-
p
f
l
i
c
h
t
e
n
z
u
S
c
h
a
d
e
n
e
r
s
a
t
z
. A
l
le
R
e
c
h
t
e
v
o
r
b
e
h
a
l
t
e
n
, i
n
s
b
e
s
o
n
d
e
r
e
f
ü
r
d
e
n
F
a
l
l
d
e
r
P
a
t
e
n
t
e
r
t
e
i
l
u
n
g
o
d
e
r
G
M
-
E
i
n
t
r
a
g
u
n
g
P
r
o
p
r
i
e
ta
r
y
d
a
t
e
, c
o
m
p
a
n
y
c
o
n
f
i
d
e
n
t
i
a
l
. A
l
l
r
i
g
h
t
s
r
e
s
e
r
v
d
.
C
o
n
f
i
e
a
t
it
r
e
d
e
s
e
c
r
e
t
d
´
e
n
t
r
e
p
r
is
e
. T
o
u
s
d
r
o
i
t
s
r
e
s
e
r
v
e
s
.
C
o
m
u
n
i
c
a
d
o
c
o
m
o
s
e
g
r
e
d
o
e
m
p
r
e
s
a
r
i
a
l
. R
e
s
e
r
v
a
d
o
s
t
o
d
o
s
o
s
d
i
r
e
i
l
o
s
.
C
o
n
f
i
a
d
o
c
o
m
o
s
e
c
r
e
t
e
i
n
d
u
s
tr
i
a
l.
N
o
s
r
e
s
e
r
v
a
m
o
s
t
o
d
o
s
l
o
s
d
e
r
e
c
h
o
s
.
Böhringer
17.07.08
Modul. Vierspurtransport 2380mm
Modular quad-lane conveyor III 2380 mm
7
03070457-010101LD3
Böhringer
14.07.08
Copyright ©
ASM Assembly Systems
GmbH & Co. KG
TSP-301 conveyor control
00370397-xx
X3ao X4ao
Upstream m.
SMEMA
(ao)
(ap)
X3ao X4ao
1
2
3
4
5
6
7
8
9
10
11
12
13
14
Upstream mach.
Track 1a
WH
BN
GN
YE
1
2
3
4
5
6
7
8
9
10
11
12
13
14
Upstream mach.
Track 1b
WH
BN
GN
YE
1
2
3
4
5
6
7
8
9
10
11
12
13
14
WH
BN
GN
YE
1
2
3
4
5
6
7
8
9
10
11
12
13
14
WH
BN
GN
YE
1
2
3
4
5
6
7
8
9
10
11
12
13
14
WH
BN
GN
YE
Downstream machine
Track 1a
1
2
3
4
5
6
7
8
9
10
11
12
13
14
WH
BN
GN
YE
Downstream machine
Track 1b
1
2
3
4
5
6
7
8
9
10
11
12
13
14
WH
BN
GN
YE
Downstream machine
Track 2a
1
2
3
4
5
6
7
8
9
10
11
12
13
14
WH
BN
GN
YE
Downstream machine
Track 2b
Ready +
Ready -
Board available +
Board available -
Ready +
Ready -
Board available +
Board available -
Ready +
Ready -
Board available +
Board available -
Ready +
Ready -
Board available +
Board available -
Ready +
Ready -
Board available +
Board available -
Ready +
Ready -
Board available +
Board available -
Ready +
Ready -
Board available +
Board available -
Ready +
Ready -
Board available +
Board available -
WH
BN
GN
YE
Upstream m.
Tracks 1a/1b
WH
BN
GN
YE
1
2
3
4
5
6
7
8
9
WH
BN
GN
YE
Upstream m.
Tracks 2a/2b
WH
BN
GN
YE
1
2
3
4
5
6
7
8
9
WH
BN
GN
YE
Downstream machine
Tracks 1a/1b
WH
BN
GN
YE
1
2
3
4
5
6
7
8
9
WH
BN
GN
YE
Downstream mach.
Tracks 2a/2b
WH
BN
GN
YE
Ready (+) Upstream_machine_track_1a
Ready (-) Upstream_machine_track_1a
Board available (+) Upstream_m._track_1a
Board available (-) Upstream_m_track_1a
Ready (+) Upstream_machine_track_1b
Ready (-) Upstream_machine_track_1b
Board available (+) Upstream_m._track_1b
Board available (-) Upstream_m._track_1b
Ready (+) Downstr_mach_track_1a
Ready (-) Downstr_mach_track_1a
Board available (+) Downstr_mach_track_1a
Board available (-) Downstr_mach_track_1a
Ready (+) Downstr_mach_track_1b
Ready (-) Downstr_mach_track_1b
Board available (+) Downstr_mach_track_1b
Board available (-) Downstr_mach_track_1b
X1ao
X2ao
X1ao
X2ao
X3ap
X4ap
X3ap
X4ap
X1ap
X2ap
X1ap
X2ap
Downstream m.
SMEMA
Upstream machine
Siemens
Downstream machine
Siemens
Upstream m.
SMEMA
Downstream m.
SMEMA
Upstream machine
Siemens
Downstream machine
Siemens
1
2
3
4
5
6
7
8
9
1
0
1
1
1
2
1
3
1
4
1
5
1
6
1
7
1
8
1
9
2
0
1
2
3
4
5
6
7
8
9
1
0
1
1
1
2
1
3
1
4
1
5
1
6
1
7
1
8
1
9
2
0
1
2
3
4
5
6
7
8
9
1
0
1
1
1
2
1
3
1
4
1
5
1
6
1
7
1
8
1
9
2
0
1
2
3
4
5
6
7
8
9
1
2
3
4
5
6
7
8
9
1
0
1
1
1
2
1
3
1
4
1
5
1
6
1
7
1
8
1
9
2
0
1
2
3
4
5
6
X1lt
X3lt
X1lu
X5lt
X7lt
X2lu
Out D25
Out D24
Out D21
Out D20
IN D59
IN D58
IN D51
IN D50
X2lt
X4lt
X6lt
X8lt
IN D57
IN D56
IN D49
IN D48
Out D27
Out D26
Out D23
Out D22
X3lu
X4lu
X9lu
X8lu
X7lu
X6lu
X5lu
.
.
2,2 k
.
.
2,2 k
2,2 k
2
,
2
k
.
.
.
.
.
.
.
.
.
.
.
R1
R2
R3
R4
U1
U2
U3
U4
D4
D3
D2
D1
.
.
.
.
.
W4
W3
W2
W1
lt
lt
lu
X9.1lu --> X4.7 TSP301
X9.3lu --> X4.7 TSP301E
TSP-301 E extension board
00370398-xx
03067543-xx
0
3
0
6
7
5
4
3
-
x
x
03067544-xx
0
3
0
6
7
5
4
4
-
x
x
03067545-xx
0
3
0
6
7
5
4
5
-
x
x
03067546-xx
0
3
0
6
7
5
4
6
-
x
x
03068884-xx
03068884-xx
03068884-xx
03068884-xx
03068884-xx
03068884-xx
7
03071908-xx
03067541-xx
03067541-xx
03067662-xx
Ready (+) Upstream_machine_track_2a
Ready (-) Upstream_machine_track_2a
Board available (+) Upstream_m._track_2a
Board available (-) Upstream_m_track_2a
Ready (+) Upstream_machine_track_2b
Ready (-) Upstream_machine_track_2b
Board available (+) Upstream_m._track_2b
Board available (-) Upstream_m._track_2b
Upstream mach.
Track 2b
Upstream mach.
Track 2b
Ready (+) Downstr_mach_track_2a
Ready (-) Downstr_mach_track_2a
Board available (+) Downstr_mach_track_2a
Board available (-) Downstr_mach_track_2a
Ready (+) Downstr_mach_track_2b
Ready (-) Downstr_mach_track_2b
Board available (+) Downstr_mach_track_2b
Board available (-) Downstr_mach_track_2b

1 - 45
03052900-010202NX3 Schneidgerät pneum. SIPLACE X-Serie (Bl. 1 v. 2)
Pneum. tape cutter, SIPLACE X-Series (sh. 1 of 2)
Orig. Repl. by.Repl. f.
21
786543
A
B
C
D
E
F
Date
Author
Checked
StandardNameModificationStat. Date
Sheet
Designer 9
Item name / Benennung
of
Document-No. /
Dokumentennummer
ASM Assembly Systems
GmbH & Co. KG
Copyright ©
W
e
ite
r
g
a
b
e
s
o
w
ie
V
e
r
v
ie
lfa
e
lt
ig
u
n
g
d
ie
s
e
r
U
n
t
e
r
la
g
e
,
V
e
r
w
e
r
t
u
n
g
u
n
d
M
it
t
e
ilu
n
g
i
h
r
e
s
In
h
a
lts
n
ic
h
t
g
e
s
t
a
t
t
e
t,
s
o
w
e
it
n
ic
h
t
a
u
s
d
r
u
e
c
k
l
ic
h
z
u
g
e
s
t
a
n
d
e
n
.
Z
u
w
id
e
r
h
a
n
d
lu
n
g
e
n
v
e
r
p
f
lic
h
t
e
n
z
u
S
c
h
a
d
e
n
e
r
s
a
t
z
.
A
ll
e
R
e
c
h
te
fu
e
r
d
e
n
F
a
ll
d
e
r
P
a
t
e
n
t
e
r
t
e
ilu
n
g
o
d
e
r
G
e
b
r
a
u
c
h
m
u
s
t
e
r
-
E
in
t
r
a
g
u
n
g
v
o
r
b
e
h
a
lt
e
n
.
C
o
p
y
in
g
o
f
t
h
is
d
o
c
u
m
e
n
t,
a
n
d
g
iv
in
g
it
t
o
o
t
h
e
r
s
a
n
d
t
h
e
u
s
e
o
r
c
o
m
m
u
n
ic
a
tio
n
o
f
t
h
e
c
o
n
t
e
n
t
s
t
h
e
r
e
o
f
,
a
r
e
f
o
r
b
id
d
e
n
w
it
h
o
u
t
e
x
p
r
e
s
s
a
u
th
o
r
it
y
.
O
f
fe
n
d
e
r
s
a
r
e
lia
b
le
to
th
e
p
a
y
m
e
n
t o
f
d
a
m
a
g
e
s
.
A
ll
r
ig
h
ts
a
r
e
r
e
s
e
r
v
e
d
in
th
e
e
v
e
n
t
o
f
t
h
e
g
r
a
n
t
o
f
a
p
a
t
e
n
t
o
r
t
h
e
r
e
g
is
t
r
a
t
io
n
o
f
a
u
t
ilit
y
m
o
d
e
l
o
r
d
e
s
ig
n
.
P
r
iv
ile
g
e
d
b
u
s
in
e
s
s
in
f
o
r
m
a
t
io
n
.
D
o
n
o
t
r
e
le
a
s
e
.
21
786543
A
B
C
D
E
F
03052900-010202NX3
20.04.2007
Bichler Th.
Schneidgerät pneum. SIPLACE HF/X-S.
Tape cutter pneum. SIPLACE HF/X-ser.
Langer D.
2
13.07.10 Tekin404600US02
1