ASM贴片机 X 系列机型电路图 - 第70页
2 - viii Wirksc haltp lanmappe S IPLACE X -Seri e / SIPLA CE X-Se ries Detailed Circuit Diagrams Folde r Ausg abe 02/201 1 DE/EN Edition
Wirkschaltplanmappe SIPLACE X-Serie / SIPLACE X-Series Detailed Circuit Diagrams Folder
Ausgabe 02/2011 DE/EN Edition
2 - vii
PCB SC / PCB DC, track 1, conversion board, "conveyor rail B" (sh. 7 of 8) 2 - 175
LPET-020302LD3 LPET / LPDT, Spur 1, Umsetzplatine "Hubtisch" (Bl. 8 v. 8)
PCB SC / PCB DC, track 1, conversion board, "lifting table" (sh. 8 of 8) 2 - 176
LPDT-020302LD3 LPDT, Spur 2, Transportsteuerung TSP-301E (Bl. 1 v. 8)
PCB DC, track 2, conveyor control TSP-301E (sh. 1 of 8) 2 - 177
LPDT-020302LD3 LPDT, Spur 2, Transportsteuerung TSP-301E (Bl. 2 v. 8)
PCB DC, track 2, conveyor control TSP-301E (sh. 2 of 8) 2 - 178
LPDT-020302LD3 LPDT, Spur 2, Umsetzplatine "Transport" (Bl. 3 v. 8)
PCB DC, track 2, conversion board, "conveyor" (sh. 3 of 8) 2 - 179
LPDT-020302LD3 LPDT, Spur 2, Umsetzplatine "Transport" (Bl. 4 v. 8)
PCB DC, track 2, conversion board, "conveyor" (sh. 4 of 8) 2 - 180
LPDT-020302LD3 LPDT, Spur 2, Umsetzplatine "Transport" (Bl. 5 v. 8)
PCB DC, track 2, conversion board, "conveyor" (sh. 5 of 8) 2 - 181
LPDT-020302LD3 LPDT, Spur 2, Umsetzplatine "Transportwange C" (Bl. 6 v. 8)
PCB DC, track 2, conversion board, "conveyor rail C" (sh. 6 of 8) 2 - 182
LPDT-020302LD3 LPDT, Spur 2, Umsetzplatine "Transportwange D" (Bl. 7 v. 8)
PCB DC, track 2, conversion board, "conveyor rail D" (sh. 7 of 8) 2 - 183
LPDT-020302LD3 LPDT, Spur 2, Umsetzplatine "Hubtisch" (Bl. 8 v. 8)
PCB DC, track 2, conversion board, "lifting table" (sh. 8 of 8) 2 - 184
2 - viii
Wirkschaltplanmappe SIPLACE X-Serie / SIPLACE X-Series Detailed Circuit Diagrams Folder
Ausgabe 02/2011 DE/EN Edition

2 - 1
2 Wirkschaltpläne / Detailed circuit diagrams
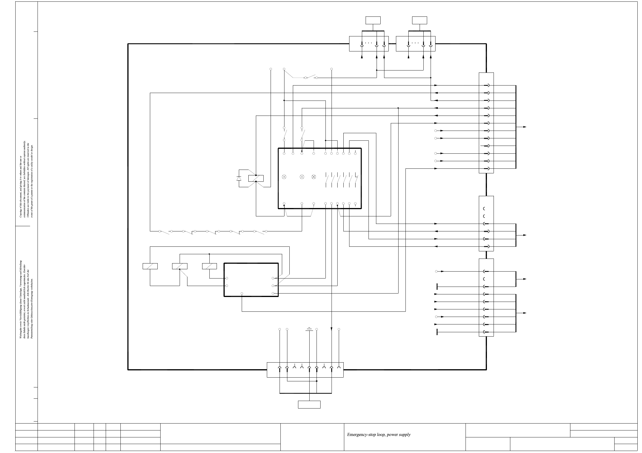
NH-090101LD3 NOTHALT-Schleife, Stromversorgung (Bl. 1 v. 5)
Emergency-stop loop, power supply (sh. 1 of 5)
VoltageConveyor(+)
13
14
To PCB conveyor, 00365546-W1
X15
31
X79
BK 2
4
3
GNYE
03002504
16
5
7
2
X7-10
X7-11
00354626
Power supply unit
A1(+)
A1(+)
K2
A2(-)
A2(-)
43
A1(+)
K4K3
A2(-)
212 1
+24V2
n.u.
GND(+24V2)
n.u.
VoltageConveyor(-)
n.u.
EmergencyStopLoopOK
X20:30
X20:40
U5(-)
servo
limiter,
Inrush current
ILS
X8-23
X8-21
X7-13
X7-12
6
1 5
EmergencyStopLoopEnd
S_TapeCutter
S_XY
Contactor relay blocks
K1.4 K2.4 K3.4
X5X3X1L+
A2 (-)
K4.4 K5
A1 (+)
V51
K5
X4L- X6
Channel1Power
supply
PCC K6
Channel2
42
K5
1
K5
3
GND(24)
X20:4
+24V
X20:3
K4.5
4
3
9
82
GND_P
GND_P
X16:11
X16:10
VoltageConveyor_Mot(+)
VoltageConveyor(+)
F8
+24V
GND (+5V)
GND (+24V)
Vin(-)Illumination
Vin(+)Illumination
F12
X16:8
4
3
2
1
2
7
8
9
6
5
(W5)
(W6)
(W5)
(W6)
(W6)
+5V
PCC54
PCC53
PCC44
Vin(-)Illumination
Vin(+)Illumination
n.u.
X16:7
F12
X18
1
2
1
4
3
1
2
(W6)
(W4)
(W4)
2
1
2
6
5
4
(W3)
(W3)
(W2)
(03046226)
To plug X3ra
sub-distributor
(sheet 4)
(03046225)
(03046225)
main distributor
To plug X3qa
(sheet 2)
03002506
To plug X3qa
main distributor
(sheet 2)
03002506
534333 6523
543424
44 66
PCC43
GND (+24V)
EmergencyStopLoopOK
n.u.
n.u.
X20_4
13
2
X17
1
(W2)
12
11
2 (W2)
GY (W4)
+5V
n.u.
StartButtonOn
S_GantryCrash
EmergencyStopLoopEnd
Software_CtrlOn
GND (+5V)
+24V
VoltageTapeCutter
X20_6
X20_3
X20_5
GN (W3)6
10
9
7
8
YE (W4)
1 (W2)
1 (W1)
2 (W1)
5
4
3
2
WH (W3)
BN (W3)
BN (W4)
GN (W4)
03050920 (W1+W2+W5)
X21
10
+34V
Servo Enable
03050900 (W1+W2+W5)
To axis unit 1
X13
1
X14
12
1
10
X31
S_Ready
To axis unit 2
12
X16
1WH (W4)
(03046225)
03002505
main distributor
To plug X2qa
(sheet 2)
09.
01.
01.
Status
Function status
Revision status
Document status
Modified Date Name
Date
Author
Check.
Stand.
Mat.no.:
CAD file:
Orig./Repl.f./Repl.by
Sh.
Sh.(s)
17.02.11
17.02.11
17.02.11
26.11.2007TDH
TDH
TDH
TDH
NH-090101LD3_SH01.DWG
Copyright ©
ASM Assembly Systems
GmbH & Co. KG
NOTHALT-Schleife, Stromversorgung
SIPLACE X2/X3/X4/X4I
SIPLACE X-Series
NH-090101LD3
1
5