YS12F电路图
YS12F KKJ-0906(CWD) Contr ol Wiring Diagram

YS12F
KKJ-0906(CWD)
Control Wiring Diagram
YS12F
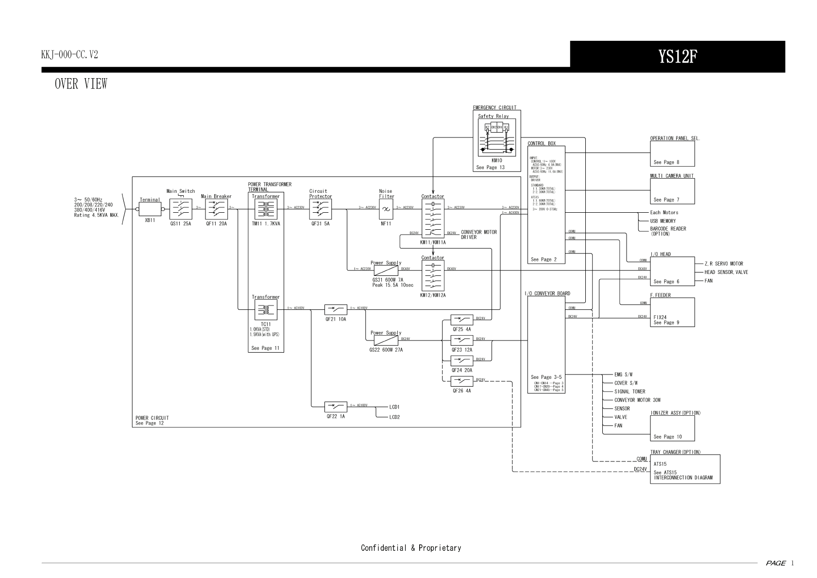
Over view
Control box
I/O conveyor -1-
I/O conveyor -2-
I/O conveyor -3-
Head
Multi camera unit sel. (option)
Operation panel sel.
FIX24 feeder structure
Ionizer assy option
Power transformer
Power circuit
Emergency circuit
Air circuit
Wiring parts list
Table of contents
Confi dential & Proprietary
P. 1
P. 2
P. 3
P. 4
P. 5
P. 6
P. 7
P. 8
P. 9
P.10
P.11
P.12
P.13
P.14
P.15
