00195165-05_SM_D4_D4i_DE - 第124页
Servicearbeiten LP-Transportsystem 4.4.6 Hubtischeinheit tauschen [0 0358653-xx] 124 Serviceanle itung SIPLACE D4/D4i Einbau Sehen Sie dazu auch... 6.5.11.1 Geschwind igkeit des Hu bt isches einstellen (ab SW 602) [ …

Servicearbeiten
4.4.6 Hubtischeinheit tauschen [00358653-xx] LP-Transportsystem
Serviceanleitung SIPLACE D4/D4i 123
4.4.6
4.4.6 Hubtischeinheit tauschen [00358653-xx]
Hubtischeinheit tauschen [00358653-xx]
Teile
▪ Hubtischeinheit für Einfachtransport [00358653-xx]
▪ Hubtischeinheit für Doppeltransport [00358654-xx]
Ausbau
Bestückbereich 2 90 Hz +/- 97 Hz 90 Hz +/- 9 Hz
Ausgabeband 90 Hz +/- 9 Hz 90 Hz +/- 9 Hz
Breitenverstellung 24 Hz +/- 2 Hz
Riemenspannung Transportspur 1
(Einfach- und Doppeltransport)
Transportspur 2
(Doppeltransport)
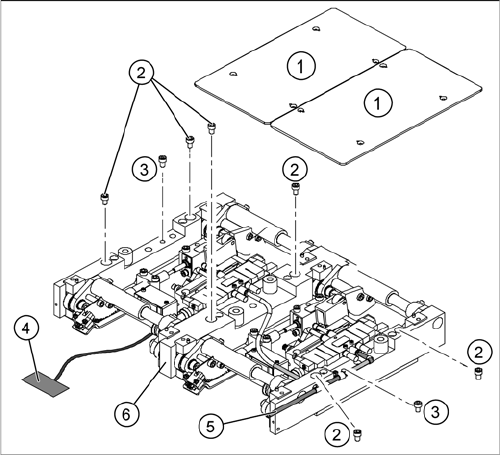
Legende
1. Befestigungsschrauben Hubtischplatte
2. 6 x Befestigungsschrauben Hubtisch
(M8 x 100)
3. 2 x Befestigungsschrauben Hubtisch
(M6 x 50)
► Fahren Sie den LP-Transport in eine geeignete Posi
-
tion, damit Sie die Hubtischeinheit am besten errei
-
chen können.
► Lösen Sie die Befestigungsschrauben der Hubtisch
-
platte (1) und entfernen Sie die Hubtischplatte von
der Hubtischeinheit.
► Lösen Sie die Befestigungsschrauben (2) und (3) der
Hubtischeinheit.
► Entfernen Sie die Abdeckung der Umsetzplatine
Transport und stecken Sie das Anschlusskabel (4)
der Hubtischeinheit ab.
► Lösen Sie den Pneumatikanschluss (5).
► Heben Sie den Hubtisch (6) vorsichtig aus der Ver
-
stiftung heraus.
VORSICHT! Schweres Maschinenteil!
Beachten Sie beim Herausheben das Gewicht des Hub
-
tisches von 17,5 kg.

Servicearbeiten
LP-Transportsystem 4.4.6 Hubtischeinheit tauschen [00358653-xx]
124 Serviceanleitung SIPLACE D4/D4i
Einbau
Sehen Sie dazu auch...
6.5.11.1 Geschwindigkeit des Hubtisches einstellen (ab SW 602) [ ➙ 240]
► Heben Sie die Hubtischeinheit (6) in die Maschine
und setzen Sie diese in die Verstiftung ein.
► Schrauben Sie die Befestigungsschrauben (2) und
(3) ein.
► Stellen Sie den elektrischen (4) und pneumatischen
(5) Anschluss wieder her.
► Überprüfen Sie die Geschwindigkeit des Hubtisches
und die Funktion der Leiterplatten-Klemmung, ohne
die Hubtischplatte.
► Stellen Sie die Geschwindigkeit des Hubtisches ein.
► Legen Sie die Hubtischplatte (1) vorsichtig auf die
Hubtischeinheit und schrauben Sie die Befestigungs
-
schrauben diagonal fest, damit die Hubtischplatte
nicht verkantet.
► Überprüfen Sie die Geschwindigkeit des Hubtisches
mit eingebauter Hubtischplatte.

Servicearbeiten
4.4.7 Magnetventil-Hubtisch tauschen [00358663-xx] LP-Transportsystem
Serviceanleitung SIPLACE D4/D4i 125
4.4.7
4.4.7 Magnetventil-Hubtisch tauschen [00358663-xx]
Magnetventil-Hubtisch tauschen [00358663-xx]
Aus-/Einbau
4.4.8
4.4.8 Gabellichtschranke-Hubtisch tauschen [00363079-xx]
Gabellichtschranke-Hubtisch tauschen [00363079-xx]
Teile
▪ Lichtschranke Spur A – Doppeltransport [00363079-xx]
▪ Lichtschranke Spur B – Doppeltransport [00363080-xx]
▪ Lichtschranke Spur A – Einfachtransport [00363111-xx]
▪ Lichtschranke Spur B – Einfachtransport [00363113-xx]
Legende
1. Magnetventil mit 2 Befestigungsschrauben
2. Anschluss-Stecker
3. Pneumatikanschlüsse
► Fahren Sie den LP-Transport in die Position, in der
Sie den Hubtisch am Besten erreichen können.
► Verfahren Sie die Y-Portale bis in den Bereich
außerhalb des LP-Transports.
► Schalten Sie den Automaten aus und sichern Sie ihn
gegen Wiedereinschalten.
► Lösen Sie die Befestigungsschrauben der Hubtisch
-
platte und entfernen Sie die Hubtischplatte von der
Hubtischeinheit.
HINWEIS! Um besseren Zugriff auf die Magnet
-
ventile zu haben, kann es vorteilhaft sein, den Hubtisch
komplett auszubauen.
VORSICHT! Schweres Maschinenteil!
Beachten Sie beim Herausheben das Gewicht des Hub
-
tisches von 17,5 kg.
► Schalten Sie die Druckluft ab und entlüften Sie am
Filter der Pneumatikeinheit.
► Lösen Sie die Befestigungsschrauben der An
-
schluss-Stecker und stecken Sie diese ab.
► Entfernen Sie die Pneumatikanschlüsse.
► Bauen Sie das neue Magnetventil wieder ein und
stellen Sie die elektrischen und pneumatischen
Anschlüsse wieder her.
► Montieren Sie den kompletten Hubtisch wieder in die
Maschine.
► Kontrollieren Sie die Geschwindigkeit des Hubtisch
-
zylinders und korrigieren diese ggf.
3
2
1
3
2