00195165-05_SM_D4_D4i_DE - 第68页
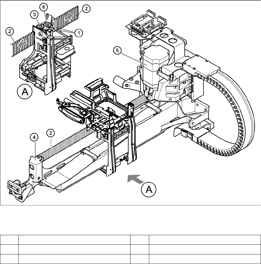
Servicearbeiten Portal 4.2.7 Zahnriemen der X-Achse tauschen [00331076- 02] 68 Serviceanleitung SIPLACE D4/D4i X-Zahnriemen ausb auen Legende 1 Spannschlüssel 4 Umlenkeinheit X 2 Zahnriemen 5 X-Motoreinheit 3 Synchronsch…

Servicearbeiten
4.2.7 Zahnriemen der X-Achse tauschen [00331076-02] Portal
Serviceanleitung SIPLACE D4/D4i 67
4.2.6.5
4.2.6.5 Einstellarbeiten
Einstellarbeiten
4.2.7
4.2.7 Zahnriemen der X-Achse tauschen [00331076-02]
Zahnriemen der X-Achse tauschen [00331076-02]
4.2.7.1
4.2.7.1 Werkzeuge und Hilfsmittel
Werkzeuge und Hilfsmittel
▪ Sechskantstiftschlüssel, Satz DIN 911
▪ Riemenspannungsmessgerät TSM [00326015-01]
▪ Bedienungsanleitung "Riemenspannungen messen"
4.2.7.2
4.2.7.2 Teile
Teile
▪ Zahnriemen, Synchroflex 50 ATS5-1205 E9-11 [00331076-02]
4.2.7.3
4.2.7.3 Zahnriemen der X-Achse ausbauen
Zahnriemen der X-Achse ausbauen
► Schalten Sie den Automaten aus und sichern Sie ihn gegen Wiedereinschalten, wie dies im "4.2.1
Was vor Beginn der Servicearbeiten zu tun ist ..." [ ➙ 60] beschrieben ist.
► Demontieren Sie beide Spannschlüssel (1) (siehe "4.2.5 Spannschlüssel tauschen [00329478-01,
00329485-01]" [ ➙ 62])
► Ziehen Sie den Zahnriemen von beiden Synchronscheiben (2) ab.
► Fädeln Sie den Zahnriemen aus der Umlenkeinheit (4) aus.
► Ziehen Sie den Zahnriemen von der Synchronscheibe der X-Motoreinheit (5) ab.
Zahnriemen an Spannschloss montieren
► Schieben Sie die Kopfhalterung (1) in Richtung X-
Motoreinheit bis zum Anschlag an die Elastomerfe
-
der.
► Stellen Sie die Riemenspannkraft mit der Innen
-
sechskantschraube (7) auf 53 Hz + 1/
-
3Hz ein.
VORSICHT! Überdehnen Sie beim Spannen
den Zahnriemen nicht.
► Sichern Sie die Innensechskantschraube (7) mit der
Kontermutter (8).
GEFAHR
STARKES MAGNETFELD
Beachten Sie die speziellen Sicherheitshinweise für Arbeiten in der Nähe starker Magnetfelder
(siehe Abschnitt).

Servicearbeiten
Portal 4.2.7 Zahnriemen der X-Achse tauschen [00331076-02]
68 Serviceanleitung SIPLACE D4/D4i
X-Zahnriemen ausbauen
Legende
1 Spannschlüssel 4 Umlenkeinheit X
2 Zahnriemen 5 X-Motoreinheit
3 Synchronscheibe, lang 6 Synchronscheibe, kurz

Servicearbeiten
4.2.7 Zahnriemen der X-Achse tauschen [00331076-02] Portal
Serviceanleitung SIPLACE D4/D4i 69
4.2.7.4
4.2.7.4 Den Zahnriemen der X-Achse einbauen
Den Zahnriemen der X-Achse einbauen
► Legen Sie den Zahnriemen um die Synchronscheibe der X-Motoreinheit.
► Fädeln Sie den Zahnriemen an der Umlenkeinheit ein.
► Fädeln Sie beide Zahnriemenenden in die Öffnungen am Spannschloss (2) soweit ein, dass sie sich
etwa 270° um die Synchronscheiben (3) legen.
► Montieren Sie beide Spannschlüssel (4) (siehe "4.2.5 Spannschlüssel tauschen [00329478-01,
00329485-01]" [ ➙ 62]).
X-Zahnriemen am Spannschloss befestigen
Legende
1. Kopfhalterung
2. Spannschloss
3. Synchronscheibe, lang
4. Spannschlüssel
5. Innensechskantschraube zum Spannen des Zahnrie
-
mens
6. Synchronscheibe, kurz