00195165-05_SM_D4_D4i_DE - 第70页
Servicearbeiten Portal 4.2.8 X-Motoreinheit tauschen [00333167-03] 70 Serviceanleitung SIPLACE D4/D4i 4.2.7.5 4 . 2 . 7 . 5 E in s t e lla r b e it e n Einstellarbeiten Sehen Sie dazu auch... 4.2.7. 4 Den Zahn riemen…

Servicearbeiten
4.2.7 Zahnriemen der X-Achse tauschen [00331076-02] Portal
Serviceanleitung SIPLACE D4/D4i 69
4.2.7.4
4.2.7.4 Den Zahnriemen der X-Achse einbauen
Den Zahnriemen der X-Achse einbauen
► Legen Sie den Zahnriemen um die Synchronscheibe der X-Motoreinheit.
► Fädeln Sie den Zahnriemen an der Umlenkeinheit ein.
► Fädeln Sie beide Zahnriemenenden in die Öffnungen am Spannschloss (2) soweit ein, dass sie sich
etwa 270° um die Synchronscheiben (3) legen.
► Montieren Sie beide Spannschlüssel (4) (siehe "4.2.5 Spannschlüssel tauschen [00329478-01,
00329485-01]" [ ➙ 62]).
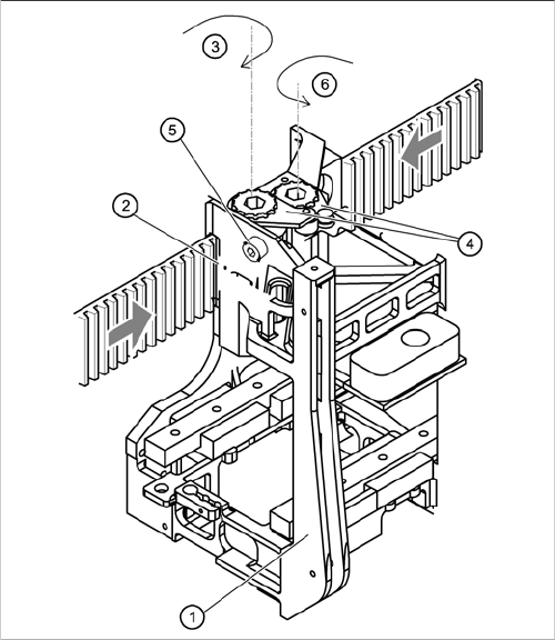
X-Zahnriemen am Spannschloss befestigen
Legende
1. Kopfhalterung
2. Spannschloss
3. Synchronscheibe, lang
4. Spannschlüssel
5. Innensechskantschraube zum Spannen des Zahnrie
-
mens
6. Synchronscheibe, kurz

Servicearbeiten
Portal 4.2.8 X-Motoreinheit tauschen [00333167-03]
70 Serviceanleitung SIPLACE D4/D4i
4.2.7.5
4.2.7.5 Einstellarbeiten
Einstellarbeiten
Sehen Sie dazu auch...
4.2.7.4 Den Zahnriemen der X-Achse einbauen [ ➙ 69]
4.2.8
4.2.8 X-Motoreinheit tauschen [00333167-03]
X-Motoreinheit tauschen [00333167-03]
Werkzeuge und Hilfsmittel
▪ Sechskantstiftschlüssel, Satz DIN 911
▪ Kabelbinder
▪ Riemenspannungsmessgerät TSM [00326015-01]
▪ Bedienungsanleitung "Riemenspannungen messen"
Teile
▪ X-Motoreinheit [00333167-03]
X-Zahnriemen am Spannschloss befestigen
► Schieben Sie die Kopfhalterung (1) in Richtung X-
Motoreinheit bis zum Anschlag an die Elastomerfe
-
der.
► Stellen Sie die Riemenspannkraft mit der Innen
-
sechskantschraube (5) auf 53 Hz + 1/
-
3Hz ein.
VORSICHT! Überdehnen Sie beim Spannen
den Zahnriemen nicht.
► Sichern Sie die Innensechskantschraube (5) mit der
Kontermutter.

Servicearbeiten
4.2.8 X-Motoreinheit tauschen [00333167-03] Portal
Serviceanleitung SIPLACE D4/D4i 71
X-Motoreinheit ausbauen
X-Motoreinheit tauschen
Legende
► Schalten Sie den Automaten aus und sichern Sie ihn gegen Wiedereinschalten.
Portale 1 und 3
► Bauen Sie die schwarze Abdeckleiste an der Traverse oberhalb des jeweiligen Portals ab:
⇨ Ziehen Sie dazu das Lüfterkabel vom Stecker ab. Der Lüfter ist an der schwarzen Abdeckleiste
befestigt.
⇨ Entfernen Sie die schwarze Abdeckleiste (3 Innensechskantschrauben, M6x8).
1 Kopfhalterung 7 Innensechskantschrauben M6x14, 2 Stück
2 Innensechskantschraube M4x35 zum
Spannen des X-Zahnriemens
8 Kontermutter
3 Synchroflex X-Zahnriemen 9 Platinenhalter
4 X-Motoreinheit 10 Kabelhalter
5 X/Y-Verteiler 11 Kabelklemme
6 X5 Steckplatz für X-Motor
GEFAHR
STARKES MAGNETFELD
► Beachten Sie die speziellen Sicherheitshinweise für Arbeiten in der Nähe starker Magnet
-
felder.