00195165-05_SM_D4_D4i_DE - 第97页
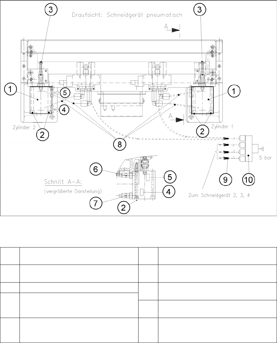
Servicearbeiten 4.3.2 Schneidgerät BE-Handling Serviceanleitung SIPLACE D4/D4i 97 Kurzhubzylinder aus- und e inbauen Legende ► Lösen Sie die Befestigung der b eiden induktiven Näherungsschalt er am Kurz hubzylinde r (je …

Servicearbeiten
BE-Handling 4.3.2 Schneidgerät
96 Serviceanleitung SIPLACE D4/D4i
4.3.2.8
4.3.2.8 Gelenk am Kurzhubzylinder ersetzen [00348579-xx]
Gelenk am Kurzhubzylinder ersetzen [00348579-xx]
Ausbau des Gelenkes und Kurzhubzylinders
► Bauen Sie das Schneidgerät von der Maschine aus. (Siehe "4.3.2.5 Schneidgerät pneumatisch er
-
setzen" [ ➙ 83].)
► Entfernen Sie das Prallblech vom Schneidgerät.
► Lösen Sie die Befestigungsschraube am beweglichen Messer.
Druckluftanschlüsse links (1) und rechts (2)
► Lösen Sie die Druckluftanschlüsse (1, 2) am Kurzhubzylinder.
► Kennzeichnen Sie die Zuordnung der Näherungsschalter zum Kurzhubzylinder (Position vorne/hin
-
ten) und der Verschlauchung.
Gelenk am Kurzhubzylinder ersetzen
WARNUNG! Verletzungsgefahr!
Tragen Sie feste Schutzhandschuhe!
An den Messern und am Abstreifer besteht Verletzungs
-
gefahr.
Fassen Sie niemals von unten in das Schneidgerät oder
von oben in den Leergurtleitkanal.
Legende
1. Prallblech
2. Abdeckkappe
3. Befestigungsschrauben – Kurzhubzylinder
4. Gelenk
5. Befestigungsschraube – bewegliches Messer

Servicearbeiten
4.3.2 Schneidgerät BE-Handling
Serviceanleitung SIPLACE D4/D4i 97
Kurzhubzylinder aus- und einbauen
Legende
► Lösen Sie die Befestigung der beiden induktiven Näherungsschalter am Kurzhubzylinder (je 1
Schraube (4, 5)).
► Lösen Sie die Befestigung am Kurzhubzylinder (1) (2 Schrauben M5x65 (5)) und entnehmen Sie den
Zylinder inkl. eingeschraubtem Gelenkstück.
1 Kurzhubzylinder 1 und 2 6 Drosselrückschlagventil (für Zylinder aus
-
fahren)
2 Befestigung des Kurzhubzylinders: Je
2 Innensechskantschrauben M5 x 65
7 Drosselrückschlagventil (für Zylinder ein
-
fahren)
3 Befestigung des Gelenks 8 Zuordnung der Druckluftanschlüsse,
Pneumatikschläuche
4 Näherungsschalter (für Pos. Zylinder
eingefahren), Befestigung:
1 Kreuzschlitzschraube
9 Y-Steckverschraubung (im Kabelschacht)
5 Näherungsschalter (für Pos. Zylinder
ausgefahren), Befestigung:
1 Kreuzschlitzschraube
10 Mehrfach-Y-Pneumatikverteiler am Sicher
-
heitsventil (5 bar von der Drucklufteinheit)

Servicearbeiten
BE-Handling 4.3.2 Schneidgerät
98 Serviceanleitung SIPLACE D4/D4i
Gelenk vom Zylinder abbauen/am Zylinder einsetzen und einkleben
Legende
► Bauen Sie das Gelenkstück (2) vom Zylinder (1) ab, indem Sie mit den Gabelschlüsseln (SW 11, 14)
an den gekennzeichneten Flächen (3) drehen.
Einbau des Gelenkes und Kurzhubzylinder
► Geben Sie eine geringe Menge Loctite Nr. 243 auf das Gewinde des neuen Gelenkes.
1 Kurzhubzylinder (1 oder 2) 6 Gleitfläche des beweglichen Messers
2 Gelenk (komplett) 7 Befestigung des Gelenkes im beweglichen
Messer.
Je 1 Innensechskantschraube M4 x 24 DIN
912, Festigkeit 12.9, mit Loctite Nr. 243 si
-
chern
3 Schlüsselfläche zum Abbau des Gelenks
4 Gewinde des Gelenkes mit Loctite Nr. 243
sichern!
5 Gabelschlüsselfläche des Gelenks 8 Bewegliches Messer mit Langloch für Ver
-
drehsicherung des Gelenkes
HINWEIS
Der Gewindebolzen ist mit Loctite Nr. 243 eingeschraubt. Deshalb ist ein etwas größerer Kraft
-
aufwand notwendig.
WARNUNG
An den Messern und am Abstreifer besteht Verletzungsgefahr!
VORSICHT
Beachten Sie die Anzugsdrehmomente der Schrauben.