KE-2040-Rev09 - 第70页
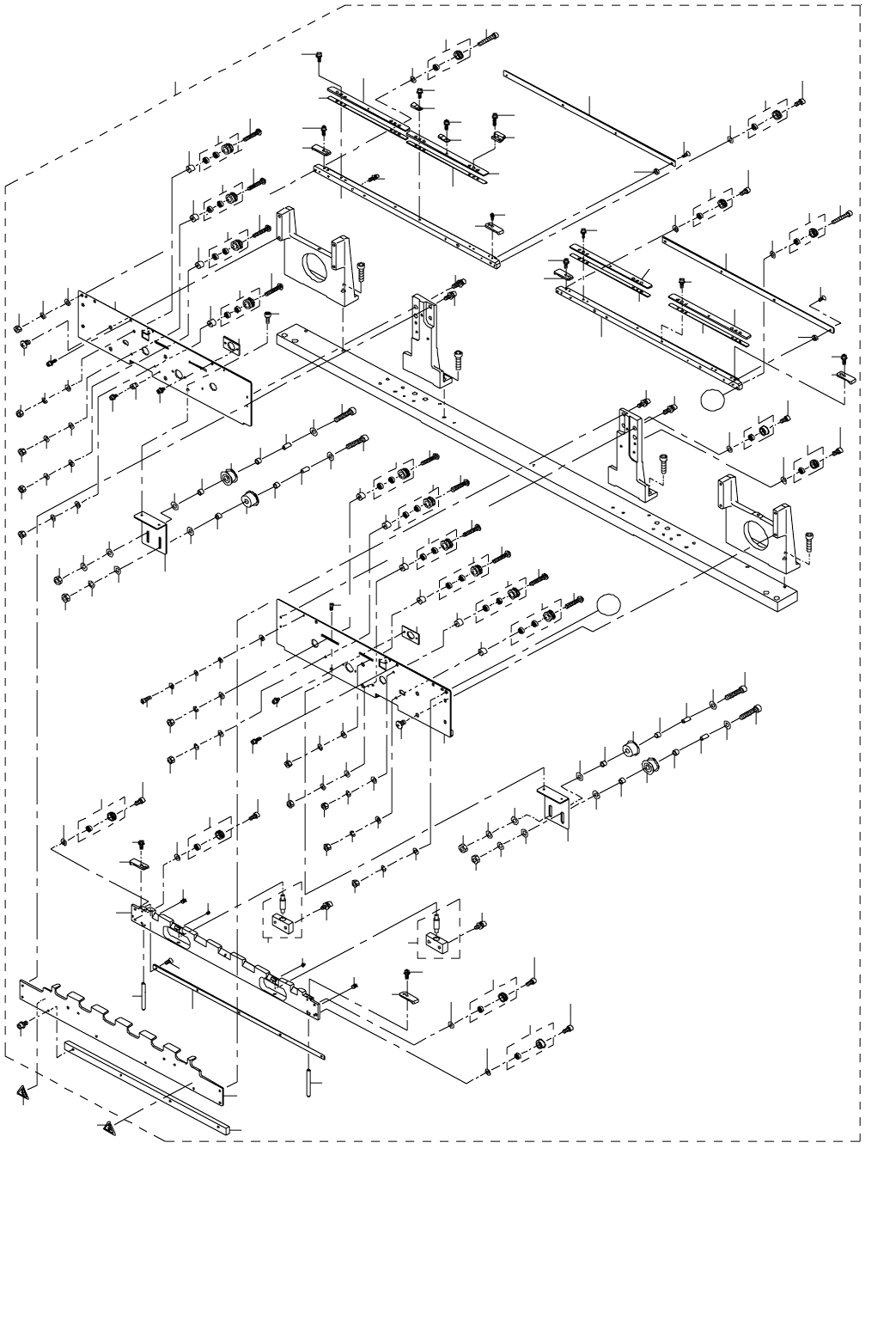
- 65 - 33. P WB CONVE YOR COMP O N ENTS ( 1) 2 040M ( 1) 基板搬送関係(1)2040 M(1) 11 13 13 45 46 46 44 47 48 48 51 52 22 25 45 44 11 39 47 41 64 64 37 33 32 31 28 30 30 31 32 30 31 32 29 28 2 3 5 6 9 38 27 20 54 56 37 29 18 7 …

- 64 -
NOTE( 注記 ) #01....SELECTIVE PARTS 選択部品
REF.NO NOTE PART NO D E S C R I P T I O N
品 名
Qty
1
#01
E5250-729-0A0 OPTION VCS(37.5) ASM.
オプション VCS(37.5)組
1
2
#01
E5250-729-AA0 OPTION VCS(27) ASM.
オプション VCS(27)組
1
3
#01
E5250-729-BA0 OPTION VCS(18) ASM.
オプション VCS(18)組
1
4 E5214-729-0A0 VCS ASM.
VCS 組
(1)
5 E8625-729-0A0 LIGHT 4 BOARD ASM.
LIGHT 4基板組
(1)
6 E8629-729-0A0 LIGHT 5 BOARD ASM.
LIGHT 5基板組
(1)
7 PA-0601016-00 AIR CYLINDER
エアシリンダ
(1)
8 E5220-729-000 VCS DOG
VCS ドグ
(1)
9 E5225-729-000 COVER GLASS
カバ−ガラス
(1)
10 E3708-725-000 BGA LIGHT SUPPORT
BGA ライトサポート
(4)
11 PC-0124070-00 SPEED CONTROLLER
スピードコントローラ
(2)
12 PJ-3010405-05 HALF UNION
ハ−フユニオン
(2)
13 E8623-729-0A0 LIGHT 2 BOARD ASM.
LIGHT 2基板組(上面)
(1)
14 E8624-729-0B0 LIGHT 3 BOARD UNIT ASM.
LIGHT 3基板ユニット組
(1)
15 SM-6030802-TN BOLT
六角穴ボルト
(1)
16 E5236-729-000 VCS SHAFT
VCS シャフト
(1)
17 SB-7060002-00 BEARING
ころがり軸受
(2)
18 E5217-729-000 VCS SHAFT GUIDE
VCS シャフトガイド
(1)
19 SL-6051292-TN BOLT
座金付き六角穴ボルト
(4)
20 SM-6040602-TN BOLT
六角穴ボルト
(2)
21 E5226-729-000 DIFFUSER COVER
ディフューザカバー
(1)
22
#01
E5207-729-000 TLC LENS (37.5)
TLC レンズ(37.5)
(1)
23
#01
E5208-729-000 TLC LENS (27)
TLC レンズ(27)
(1)
24
#01
E5209-729-000 TLC LENS (18)
TLC レンズ(18)
(1)
25 E9617-725-000 CCD CAMERA
CCD カメラ
(1)
26 E2063-760-000 SHIM C
シム C
1
27 EA-9500B01-00 CABLE BAND
束線バンド
20
28 EA-9500B02-00 CABLE BAND 150
結束バンド 150
10
29 E5205-729-000 VCS CAMERA BRACKET (25MM)
VCS カメラブラケット(25 MM)
1

- 65 -
33.PWB CONVEYOR COMPONENTS (1) 2040M (1)
基板搬送関係(1)2040 M(1)
11
13
13
45
46
46
44
47
48
48
51
52
22
25
45
44
11
39
47
41
64
64
37
33
32
31
28
30
30
31
32
30
31
32
29
28
2
3
5
6
9
38
27
20
54
56
37
29
18
7
10
11
11
12
12
12
14
14
14
15
15
14
15
16
55
16
21
21
11
8
40
40
49
50
54
16
11
8
55
54
17
22
17
22
25
22
42
43
53
57
58
53
58
57
33
33
24
26
23
38
9
26
24
23
35
34
34
35
36
32
31
30
26
24
23
17
22
25
17
15
12
4
60
62
63
62
59
59
59
62
61
62
63
59
59
62
60
62
63
59
33
59
59
62
63
62
61
1
24
26
23
24
26
23
20
18
27
20
18
27
26
24
23
22
25
17
22
17
25
22
17
25
19
22
19
25
A
A
22
17
25
24
26
23
20
18
27
20
18
27
20
18
27
20
18
27
26
24
23
26
24
23
26
23
24
26
24
23
18
20
27
18
20
27
20
18
27
26
24
23

- 66 -
NOTE( 注記 ) *INSTALLATION PSITION AND DIRECTION VARY IF THE PWB TRANSFER
REFERENCE IS DIFFERENT.
基板搬送基準が異なると取付位置、方向が変わります。
REF.NO NOTE PART NO D E S C R I P T I O N
品 名
Qty
1 E4044-729-0A0 CONVEYOR RAIL F ASM. (M)
搬送レ−ル F 組 M
1
2 E2048-725-000 RAIL PLATE FR
レールプレート FR
(1)
3 SM-0050801-SC SCREW
トラスねじ M 5 L =8
(4)
4 SL-6041492-TN SCREW
座金付き六角穴ボルト
(2)
5 E2047-725-000 RAIL PLATE FL
レールプレート FL
(1)
6 SM-0050801-SC SCREW トラスねじ M 5 L =8 (4)
7 SL-6041492-TN SCREW
座金付き六角穴ボルト
(2)
8 E4049-729-000 CONVEYOR RAIL (M)
搬送レール(M)
(2)
9 SL-6031092-TN SCREW
座金付き六角穴ボルト
(2)
10 SL-6031292-TN SCREW
座金付き六角穴ボルト
(8)
11 E2046-725-000 PWB INNER
PWB インナ
(6)
12 SL-6031092-TN SCREW
座金付き六角穴ボルト
(8)
13 SL-4031081-SC SCREW M3 X 10
なべねじセムス M 3 L =10
(4)
14 E2041-725-000 PWB GUIDE U
PWB ガイド U
(4)
15 E4042-729-000 PW GUIDE L (M)
PWB ガイド L(M)
(4)
16 SL-6031092-TN SCREW
座金付き六角穴ボルト
(8)
17 E4110-729-0A0 CONVEYOR PULLEY A ASM.
搬送プ−リ A 組
(8)
18 E4111-729-0A0 CONVEYOR PULLEY B ASM.
搬送プ−リ B 組
(1 0)
19 E4112-729-0A0 CONVEYOR PULLEY C ASM. 搬送プ−リ C 組 (2)
20 E2055-721-000 PULLEY SPACER
プーリスペーサ
(1 0)
21 SM-6042510-SC SCREW M4X0.7 L=25
平小ねじ M 4 X 0.7 L =25
(2)
22 WP-0430800-SC WASHER M4
平座金小形丸 M 4
(1 0)
23 WP-0430801-SC WASHER 4.3X9X0.8
平座金 4.3 X 9 X 0.8
(1 2)
24 WS-0410002-KN SPRING WASHER
ばね座金 M 4
(1 2)
25 SM-6040810-SC SCREW M4X0.7 L=8
平小ねじ M 4 X 0.7 L =8
(8)
26 NM-6040001-SC NUT M4
六角ナット M 4
(1 2)
27 SM-4042501-SC SCREW M4X0.7 L=25
なべ小ねじ M 4 X 0.7 L =25
(1 0)
28 E2050-725-000 PULLEY BRACKET
プーリブラケット
(2)
29 SL-6041092-TN SCREW
座金付き六角穴ボルト
(4)
30 WP-0531001-SC WASHER 平座金みがき丸 M 5 (1 2)
31 WS-0510002-KN SPRING WASHER
ばね座金 5.1 X 9.2 X 1.3
(4)
32 NM-6050001-SC NUT M5
六角ナット M 5 X 0.8 1種
(4)
33 SM-6052502-TN HEXAGONAL-HOLE BOLT
六角穴ボルト
(4)
34 WP-0320500-SF WASHER 3.2X7X0.5
平座金小形丸 M 3
(4)
35 WP-0330516-SC WASHER 3.3X8X0.5
平座金 3.3 X 8 X 0.5
(4)
36 SM-6031002-TN BOLT M3 L=10
六角穴ボルト M 3 L =10
(2)
37 E2012-721-000 ADJUST PLATE
アジャストプレート
(2)
38 SL-6030692-TN SCREW
座金付き六角穴ボルト
(4)
39 E4043-729-000 RAIL GUIDE F (M)
レールガイド F(M)
(1)
40 SL-6041492-TN SCREW
座金付き六角穴ボルト
(4)
41 E4044-729-000 CONVEYOR RAIL FC (M)
搬送レール FC(M)
(1)
42 E4065-729-000 CONVEYOR BELT GUIDE (M)
搬送ベルトガイド(M)
(1)
43 SM-1030601-SC SCREW M3 L=6 皿小ねじ M 3 X 0.5 L =6 (5)
44 E4105-729-0A0 SHAFT SUPPORT B ASM.
シャフトサポート組
(2)
45 SL-6041092-TN SCREW
座金付き六角穴ボルト
(4)
46 SM-8030302-TP SCREW M3X0.5 L=3
止めねじ M 3 X 0.5 L =3
(2)
47 E2176-721-000 RAIL GUIDE SHAFT
レールガイドシャフト
(2)
48 SM-8040502-TP SCREW M4X0.7 L=5
止めねじ M 4 X 0.7 L =5
(2)
49 E2090-725-000 WEIGHT SENSOR BLOCK
ウェイトセンサブロック
(1)
50 SL-6031492-TN SCREW
座金付き六角穴ボルト
(2)
51 E4045-729-000 GUIDE RAIL (M)
ガイドレール(M)
(1)
52 SL-6041042-TN SCREW
座金付き六角穴ボルト
(4)
53 E4113-729-000 GUIDE RAIL SPACER
ガイドレールスペーサ
(4)
54 HX-0034400-00 HARNESS PARTS
束線パーツ
(3)
55 SL-6030692-TN SCREW
座金付き六角穴ボルト
(1)
56 SL-6030592-TN SCREW M3 L=5 座金付き六角穴ボルト (1)
57 E4050-729-000 CONVEYOR BELT GUIDE S (M)
搬送ベルトガイド S(M)
(2)
58 SM-1030601-SC SCREW M3 L=6
皿小ねじ M 3 X 0.5 L =6
(8)
59 WP-0531001-SC WASHER
平座金みがき丸 M 5
(1 2)
60 E2157-721-000 PULLEY B
プーリ B
(2)
61 E2016-715-000 IDLER PULLEY
アイドラプーリ
(2)
62 E2017-715-000 M LINER BUSH
M ライナブッシュ
(8)
63 E2018-715-000 PULLEY SLEEVE
プーリ スリーブ
(4)
64 CM-3002000-03 ATTENTION LABEL
指けが注意シール(31.5)
2