NB168-配件手册 - 第146页

序号 料号 部品名称 数量 规格 备注 A001 NB1684P001AA 4P ANVIL UNIT 1 001 NB168SP4AA LEVER 1 002 NB168SP2AA LEVER 1 003 NB168SP3AA LEVER 1 004 NB1684PSP1AA LEVER 1 005 NB16811039AA PIN 2 006 NB16811036AA ANVIL(UPPER) 1 007 NB16811037AA …

100%1 / 317
11
UPPER
ANVIL
SECT.4P
AOOl
X002
X003
008
010
Oil
014
015
001
013
X001
003
016
016
006
——
o
X002
016
o
005
016
6
X003
007
X001
002
004
\
\
\
009
012
(N129)
序号 料号 部品名称 数量 规格 备注
A001 NB1684P001AA 4P ANVIL UNIT 1
001 NB168SP4AA LEVER 1
002 NB168SP2AA LEVER 1
003 NB168SP3AA LEVER 1
004 NB1684PSP1AA LEVER 1
005 NB16811039AA PIN 2
006 NB16811036AA ANVIL(UPPER) 1
007 NB16811037AA GUIDE PLATE 1
008 NB16811038AA GUIDE PLATE 1
009 NB16811009AA CUTTER 1
010 NB16811025AA CUTTER 1
011 NB16811026AA CUTTER 1
012 NB16811027AA CUTTER 1
013 NB16811028AA CUTTER 1
014 NB16811029AB CUTTER 1
015 NB16811030AB CUTTER 1
016 NB16811016AA WASHER 4
X001 NB168SH0306 SOKET HEAD CAP SCREW 4 M3-L6
X002 NB168SH0308 SOKET HEAD CAP SCREW 8 M3-L8
X003 NB168SH0408 SOKET HEAD CAP SCREW 2 M4-L8
11 UPPER ANVIL SECT.4P
N130
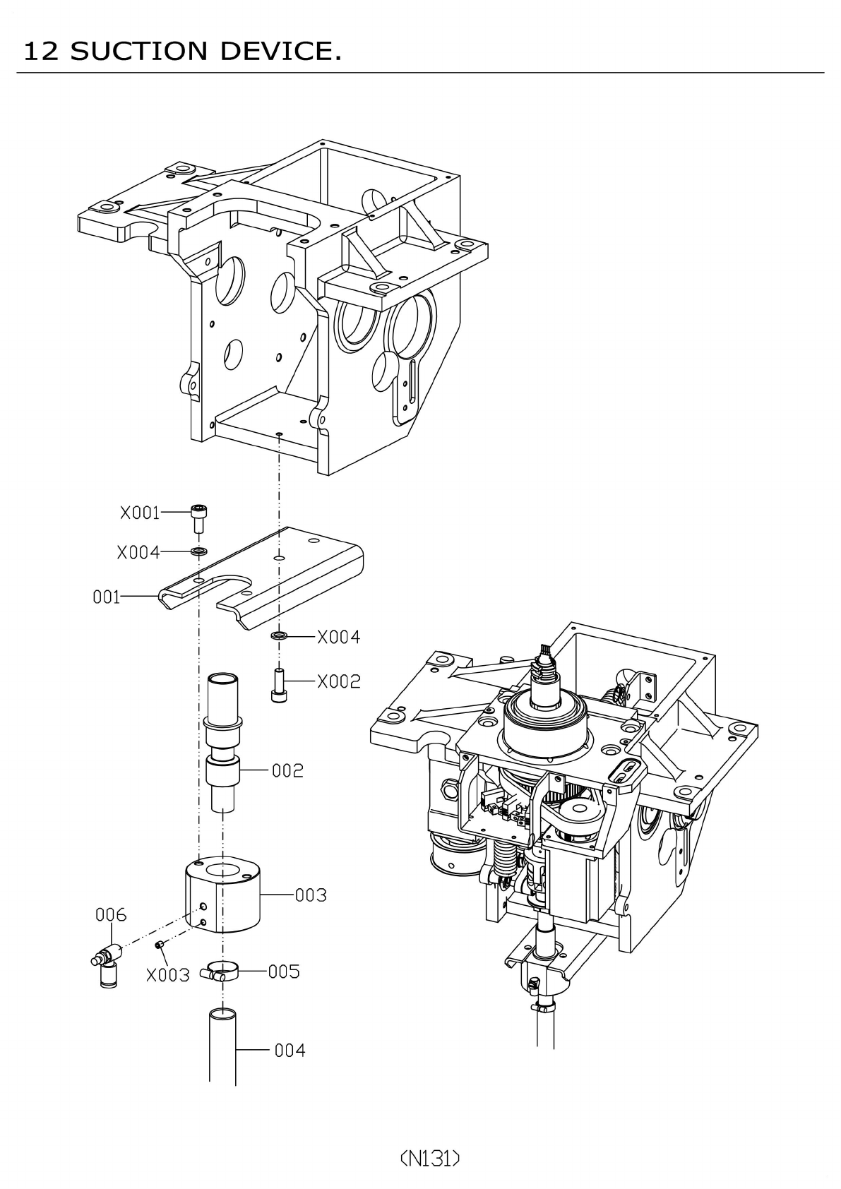
12
SUCTION
DEVICE.
(N131)