D3Parts List__N7202A043B.pdf - 第195页
Ref No. Remark s R 1 Q'ty 1-A PC デュアルコンベア:NPM -D2 PC Dual Convey or:NPM-D 2 イラスト No. Part No. 品 名 品 番 数量 R 2 パーツリスト Kit No. キット品番 Kit Name キット名称 N610154079AD Part Nam e 備 考 セク ション No . PARTS LIST Section No. R 3 GUI…

1-A
PC デュアルコンベア:NPM-D2
PC Dual Conveyor:NPM-D2
パーツレイアウト
Kit No.
キット品番
Kit Name
キット名称
N610154079AD
セクションNo.
PARTS LAYOUT
Section No.
--
O1
( KN610154079AD-19-1 )

Ref
No.
Remarks R
1
Q'ty
1-A
PC デュアルコンベア:NPM-D2
PC Dual Conveyor:NPM-D2
イラスト
No.
Part No.
品 名品 番 数量
R
2
パーツリスト
Kit No.
キット品番
Kit Name
キット名称
N610154079AD
Part Name
備 考
セクションNo.
PARTS LIST
Section No.
R
3
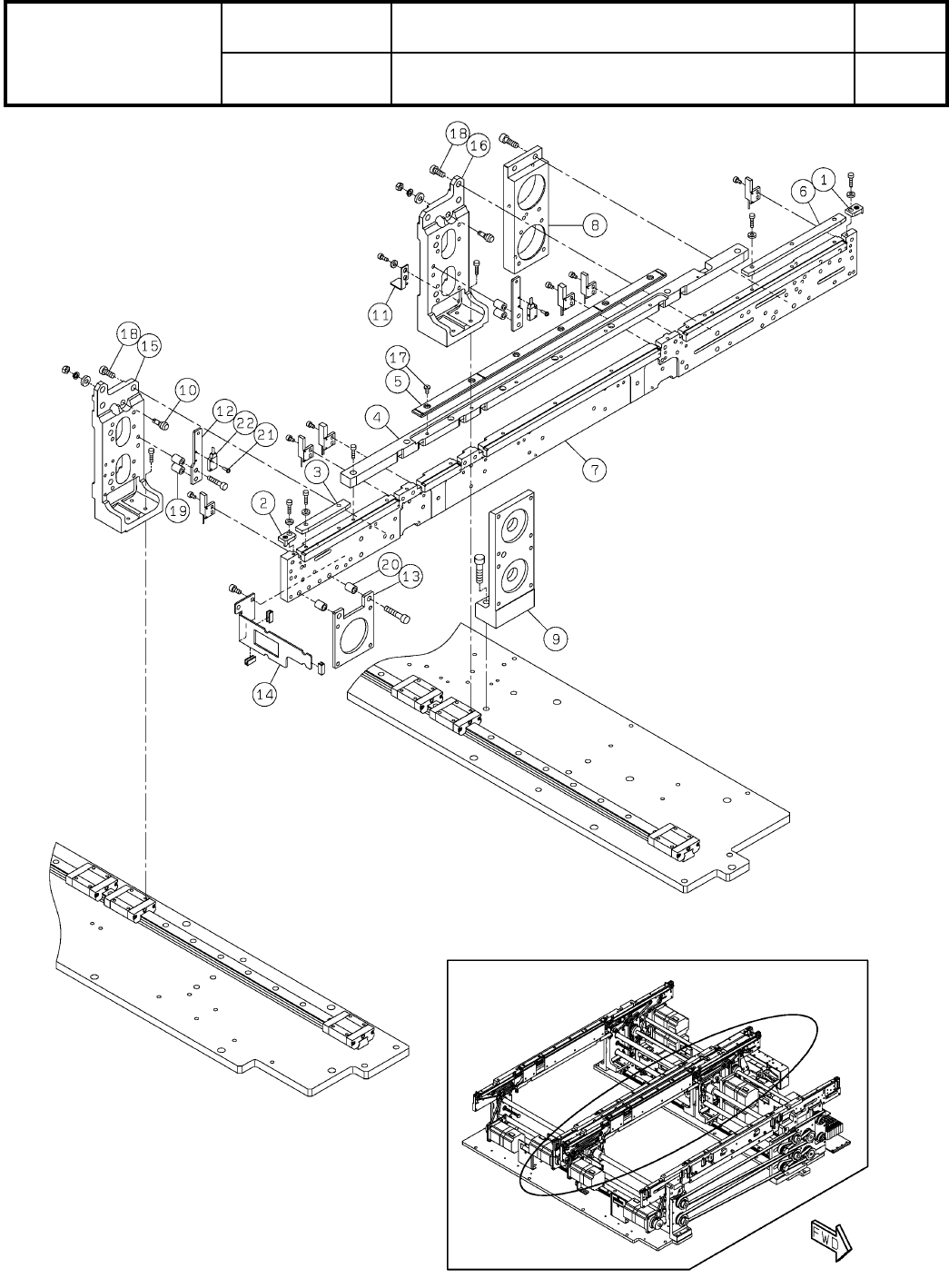
GUIDE
1
1 N210105097AC
GUIDE
1
2 N210105096AB
GUIDE
1
3 N210184601AB
GUIDE
1
4 N210184761AE
PLATE
1
5 N210173678AA
GUIDE
1
6 N210184604AB
FRAME
1
7 N210176835AG
HOLDER
1
8 N210173685AC
BRACKET
1
9 N210182830AF
BRACKET
1
10 N210182831AD
PIN
2
11 KXFB0210A00
PLATE
1
12 N210178037AA
BRACKET
1
13 N610151384AC
BRACKET
1
14 N610151385AC
FIBER
4
15 N510039140AB CFT0208
FIBER
2
16 N510040164AB CFT0209
BOLT
6
17 N510056643AA Ultra bowlow Cap M3X6L(SCM435.Fe3O4)
BOLT
2
18 N510035812AA
Hexagon head bolt Best class M6X70-6g A2-70 Full thread no mark
SPACER
2
19 N510038542AA CF-520E
O2
--
( KN610154079AD-19-1 )

1-B
PC デュアルコンベア:NPM-D2
PC Dual Conveyor:NPM-D2
パーツレイアウト
Kit No.
キット品番
Kit Name
キット名称
N610154079AD
セクションNo.
PARTS LAYOUT
Section No.
--
O3
( KN610154079AD-19-2 )