D3Parts List__N7202A043B - 第517页
Ref No. Remark s R 1 Q'ty 89-H 汎用型転写ユニット(メカ):NPM MULTIFUNCT IONAL TRANSFER UNIT:NPM イラスト No. Part No. 品 名 品 番 数量 R 2 パーツリスト Kit No. キット品番 Kit Name キット名称 N610095857AB Part Nam e 備 考 セク ション No . PARTS LIST Section No.…

89-H
汎用型転写ユニット(メカ):NPM
MULTIFUNCTIONAL TRANSFER UNIT:NPM
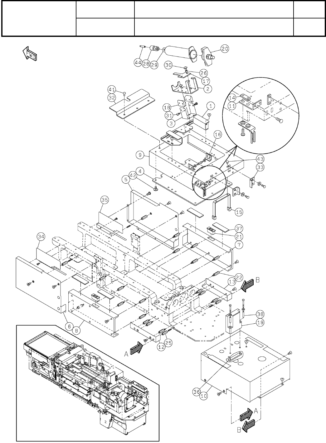
パーツレイアウト
Kit No.
キット品番
Kit Name
キット名称
N610095857AB
セクションNo.
PARTS LAYOUT
Section No.
--
O323
( KN610095857AB-06-8 )

Ref
No.
Remarks R
1
Q'ty
89-H
汎用型転写ユニット(メカ):NPM
MULTIFUNCTIONAL TRANSFER UNIT:NPM
イラスト
No.
Part No.
品 名品 番 数量
R
2
パーツリスト
Kit No.
キット品番
Kit Name
キット名称
N610095857AB
Part Name
備 考
セクションNo.
PARTS LIST
Section No.
R
3
HOLDER-BRACKET
1
1 N210122333AC
HOLDER
1
2 N210082792AA
HOLDER
1
3 N210066101AC
COVER
1
4 N210063127AH
COVER
1
5 N210117432AB
COVER
1
6 N210117433AB
COVER
1
7 N210082817AD
COVER
1
8 N210082818AD
COVER
1
9 N210063132AM
COVER
1
10 N210082797AC
KEY-BRACKET
1
11 N210063136AC
COVER
1
12 N210063160AB
COVER
1
13 N210063161AB
NUT-PLATE
3
14 N210004525AA
BRACKET
1
15 N210082804AB
BRACKET
2
16 N210081504AA
SHEET
1
17 N210066211AE
BLOCK
2
18 N210076996AA
BLOCK
1
19 N210117435AA
AIR-TUBE
1
20 MTNP002831AA AT-50E-H-SIGMA-1.0M
CATCH
2
21 N510033757AA TL-295-2
SPACER
14
22 N510027345AA KSB-319AE
SPACER
8
25 N510027346AA KSB-318AE
SPACER
6
26 N510031398AA CF-302.5ZE
JOINT
1
28 N510022782AA
A
J-R-3
SYRING
1
29 MTNP002832AA
A
PSY-30F
SCREW
14
30 XST3+4VW
Cross recessed Truss head machine screw M3X4-A2-70
SCREW
4
31 N510018613AA
Cross recessed Pan head tapping screw Type-2 2.5X5 A2J (Trivalent)
COVER
1
32 N210172737AB
BRACKET
2
33 N210081507AA
COVER
1
34 N210117439AA
COVER
1
35 N210117440AA
NUT-PLATE
1
36 N210084685AA
SHEET
4
37 N210199275AA
SPACER
2
38 N510033762AA CF-319ZE
BOLT
2
41 N510017536AA
SSS 003 Hexagon socket button head screw M4X8-10.9 A2J (Trivalent)
PIN
8
42 KXFA1KAAA00
BOLT
2
43 N510017534AA
SSS 003 Hexagon socket button head screw M4X6-10.9 A2J (Trivalent)
TUBE
4
44 N510028672AA
A
F-9003-PFA-3X2-10
O324
--
( KN610095857AB-06-8 )

89-I
汎用型転写ユニット(メカ):NPM
MULTIFUNCTIONAL TRANSFER UNIT:NPM
パーツレイアウト
Kit No.
キット品番
Kit Name
キット名称
N610095857AB
セクションNo.
PARTS LAYOUT
Section No.
--
O325
( KN610095857AB-06-9 )