D3Parts List__N7202A043B - 第57页
Ref No. Remark s R 1 Q'ty 9-D X軸:NPM-D3 X-Ax is:NPM-D3 イラスト No. Part No. 品 名 品 番 数量 R 2 パーツリスト Kit No. キット品番 Kit Name キット名称 N610160756AA Part Nam e 備 考 セク ション No . PARTS LIST Section No. R 3 SHAFT 1 1 N210134644AB S…

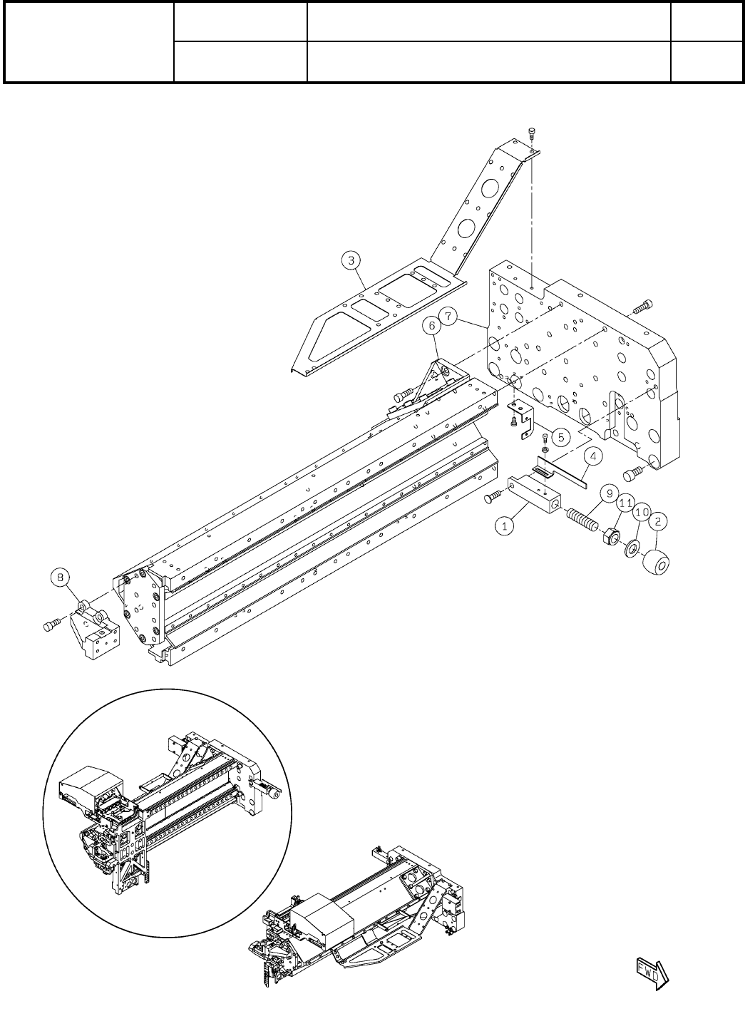
9-D
X軸:NPM-D3
X-Axis:NPM-D3
パーツレイアウト
Kit No.
キット品番
Kit Name
キット名称
N610160756AA
セクションNo.
PARTS LAYOUT
Section No.
--
S37
( KN610160756AA-26-4 )

Ref
No.
Remarks R
1
Q'ty
9-D
X軸:NPM-D3
X-Axis:NPM-D3
イラスト
No.
Part No.
品 名品 番 数量
R
2
パーツリスト
Kit No.
キット品番
Kit Name
キット名称
N610160756AA
Part Name
備 考
セクションNo.
PARTS LIST
Section No.
R
3
SHAFT
1
1 N210134644AB
STOPPER
1
2 N210198064AA
GUIDE
1
3 N210190919AC
DOG
1
4 N210134661AA
BRACKET
1
5 N210190282AA
X-BEAM(R)
1
6 N610160547AD
PLATE( R )
1
7 N610160627AD
BRACKET
1
8 MTKP000642AB
SCREW
1
9 XXF12C45FT
Hexagon socket set screw Flat point M12X35-45H SOB
WASHER
1
10 N510027223AA
Round finish plain washer (JIS B 1256:1978) 12 10H A2J (Trivalent)
NUT
1
11 N510046390AA
U-nut M12 SK5 Type-2 S45C Trivalent chromate(white)
S38
--
( KN610160756AA-26-4 )

10-A
Y軸:NPM-D3
Y-Axis:NPM-D3
パーツレイアウト
Kit No.
キット品番
Kit Name
キット名称
N610160757AA
セクションNo.
PARTS LAYOUT
Section No.
--
S39
( KN610160757AA-16-1 )