D3Parts List__N7202A043B.pdf - 第649页
Ref No. Remark s R 1 Q'ty 159-F 8ノズルヘッド:NPM 8 NOZZLE HEAD:NPM イラスト No. Part No. 品 名 品 番 数量 R 2 パーツリスト Kit No. キット品番 Kit Name キット名称 N610157742AA Part Nam e 備 考 セク ション No . PARTS LIST Section No. R 3 COLLAR 8 1 N21008…

159-F
8ノズルヘッド:NPM
8 NOZZLE HEAD:NPM
パーツレイアウト
Kit No.
キット品番
Kit Name
キット名称
N610157742AA
セクションNo.
PARTS LAYOUT
Section No.
--
O455
( KN610157742AA-16-6 )

Ref
No.
Remarks R
1
Q'ty
159-F
8ノズルヘッド:NPM
8 NOZZLE HEAD:NPM
イラスト
No.
Part No.
品 名品 番 数量
R
2
パーツリスト
Kit No.
キット品番
Kit Name
キット名称
N610157742AA
Part Name
備 考
セクションNo.
PARTS LIST
Section No.
R
3
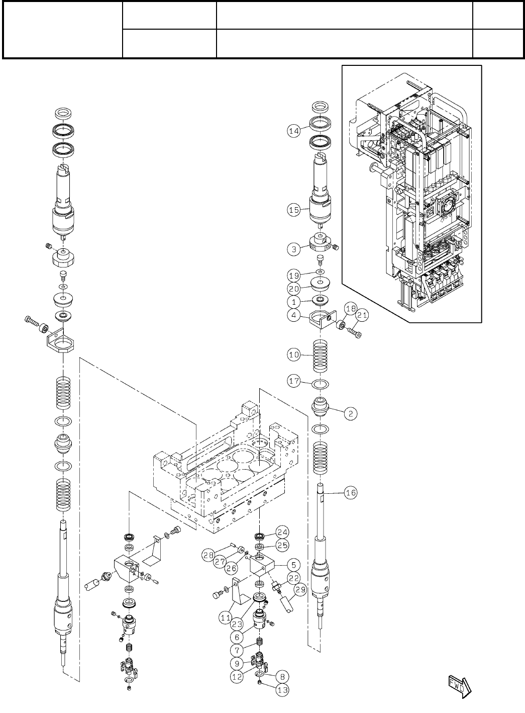
COLLAR
8
1 N210081873AA
GUIDE
8
2 N210081874AA
HOLDER
8
3 N210119553AA
HOLDER
8
4 N210062309AA
HOUSING
8
5 N210081889AD
HOLDER
8
6 N210081891AB
SPRING
8
7 N210068065AA
A
SPRING
8
8 N210014666AC
A
CLAMP-ARM
16
9 N210098763AB
A
SPRING
16
10 N210082819AB
COVER
8
11 N210081916AB
NOZZLE HOLDER
8
12 N610067607AF
FILTER
8
13 N610097899AC
BEARING
40
14 KXF00RWAA00 DDA-2015 H P0P25LO1
BALL-SCREW
8
15 N510037847AA BLK0608S-3.3GT+68LCP5R(32099810K020)
BALL-SPLINE
8
16 N510064708AA MAG6C1R167S1E053
SHIM
16
17 N510033382AA RF012016050
BEARING
8
18 N510017124AA R-830ZZ R P0P25LY121
WASHER
8
19 N210160245AA
BEARING
8
20 KXF078MAA00 DDRF-1650HH R P0P25LY121
BOLT
8
21 N510067788AA Low Head Cap Screw M3X12-8.8 SOB
JOINT
8
22 MTNP000831AA M-5AU-4-X83
BEARING
8
23 KXF0CSVAA00 DDLF-1170ZZ H P0P25LY121
BEARING
8
24 N510011382AA DDLF-850ZZ H P0P25LY121
PACKING
16
25 KXF0CSQAA00 MYA-5
SHIM
8
26 N510028628AA RF002004020
BEARING
8
27 N510019154AA DDR-620ZZY52 H P0P13LY72
PIN
8
28 N510049558AA N2X5-07
TUBE (70mm CUT)
9
29 N610144921AB
O456
--
( KN610157742AA-16-6 )

160
8ノズルヘッド制御:NPM
8 NOZZLE HEAD (H):NPM
パーツレイアウト
Kit No.
キット品番
Kit Name
キット名称
N610066303AA
セクションNo.
PARTS LAYOUT
Section No.
--
O457
( KN610066303AA-18 )