D3Parts List__N7202A043B.pdf - 第72页
15 XY軸制御:NPM-D3 XY -Axis (H):NPM -D3 パーツレイアウト Kit No. キット 品番 Kit Name キット名称 N610157814AA セクションNo. PARTS LAYOUT Section No. - - S53 ( KN610157814AA-09 )

Ref
No.
Remarks R
1
Q'ty
14
XY軸R側配線:NPM-D3
XY-Axis Rear Side Wiring:NPM-D3
イラスト
No.
Part No.
品 名品 番 数量
R
2
パーツリスト
Kit No.
キット品番
Kit Name
キット名称
N610157825AA
Part Name
備 考
セクションNo.
PARTS LIST
Section No.
R
3
CABLE-VEYOR
1
1 N510041216AA TKR0200W50R55-TK
CABLE-VEYOR
1
2 N510054891AA TKR0200W60R55-TK(ZC020.2121)
CABLE-SUPPORT
4
3 N210142601AA
CABLE-SUPPORT
4
4 N210142695AA
S52
--
( KN610157825AA-05 )

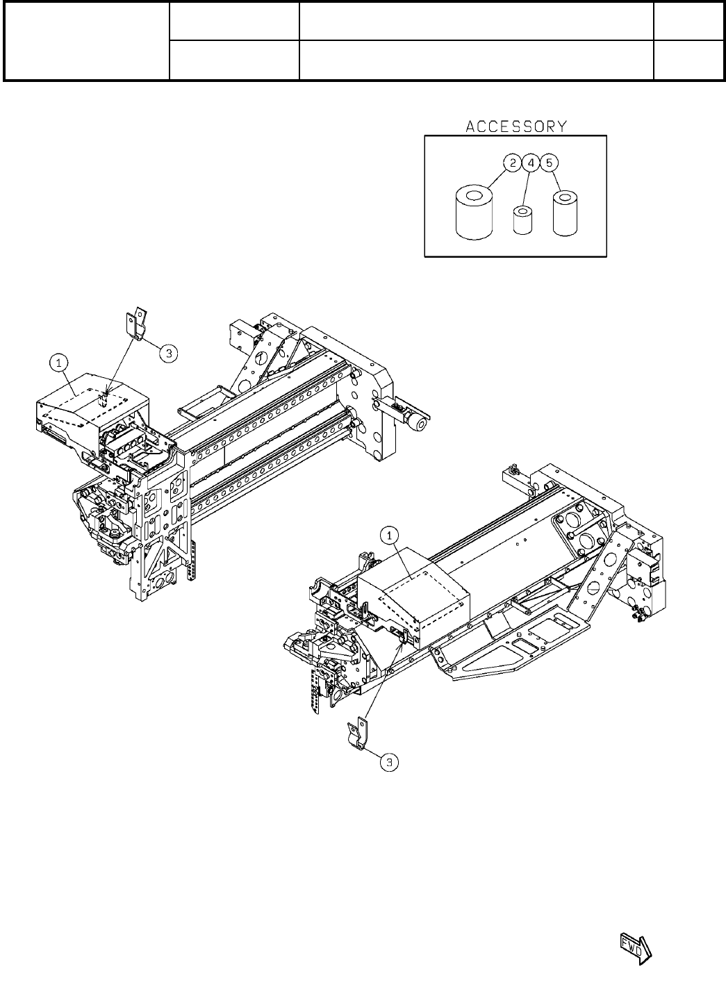
15
XY軸制御:NPM-D3
XY-Axis (H):NPM-D3
パーツレイアウト
Kit No.
キット品番
Kit Name
キット名称
N610157814AA
セクションNo.
PARTS LAYOUT
Section No.
--
S53
( KN610157814AA-09 )

Ref
No.
Remarks R
1
Q'ty
15
XY軸制御:NPM-D3
XY-Axis (H):NPM-D3
イラスト
No.
Part No.
品 名品 番 数量
R
2
パーツリスト
Kit No.
キット品番
Kit Name
キット名称
N610157814AA
Part Name
備 考
セクションNo.
PARTS LIST
Section No.
R
3
PCB
2
1 N610112763AB
S
NPM highly accurate beem LED control PCB
NOISE-FILTER
8
2 J0KG00000014
S
ZCAT3035-1330
SHIELD
2
3 KXFP6GNSA00 FGC-8-M4
NOISE-FILTER
2
4 N510044950AA
S
E04SR150718
NOISE-FILTER
2
5 N510044951AA
S
E04SR200932
S54
--
( KN610157814AA-09 )