KE-3020_KE-3020R-Rev05 - 第199页
- - REF.NO NOTE PARTNO DESCRI PTION Qty 1 400-02125 CALVCUMSVASM 1 2 400-07376 CALBLOCKPCBASM 1 3 400-92504 CALBLOCKCABLEASM 1 4 400-47483 FEEDERCAL(F)CABLEASM 1 5 400-02126 CALVACUUMSENSO…

- -
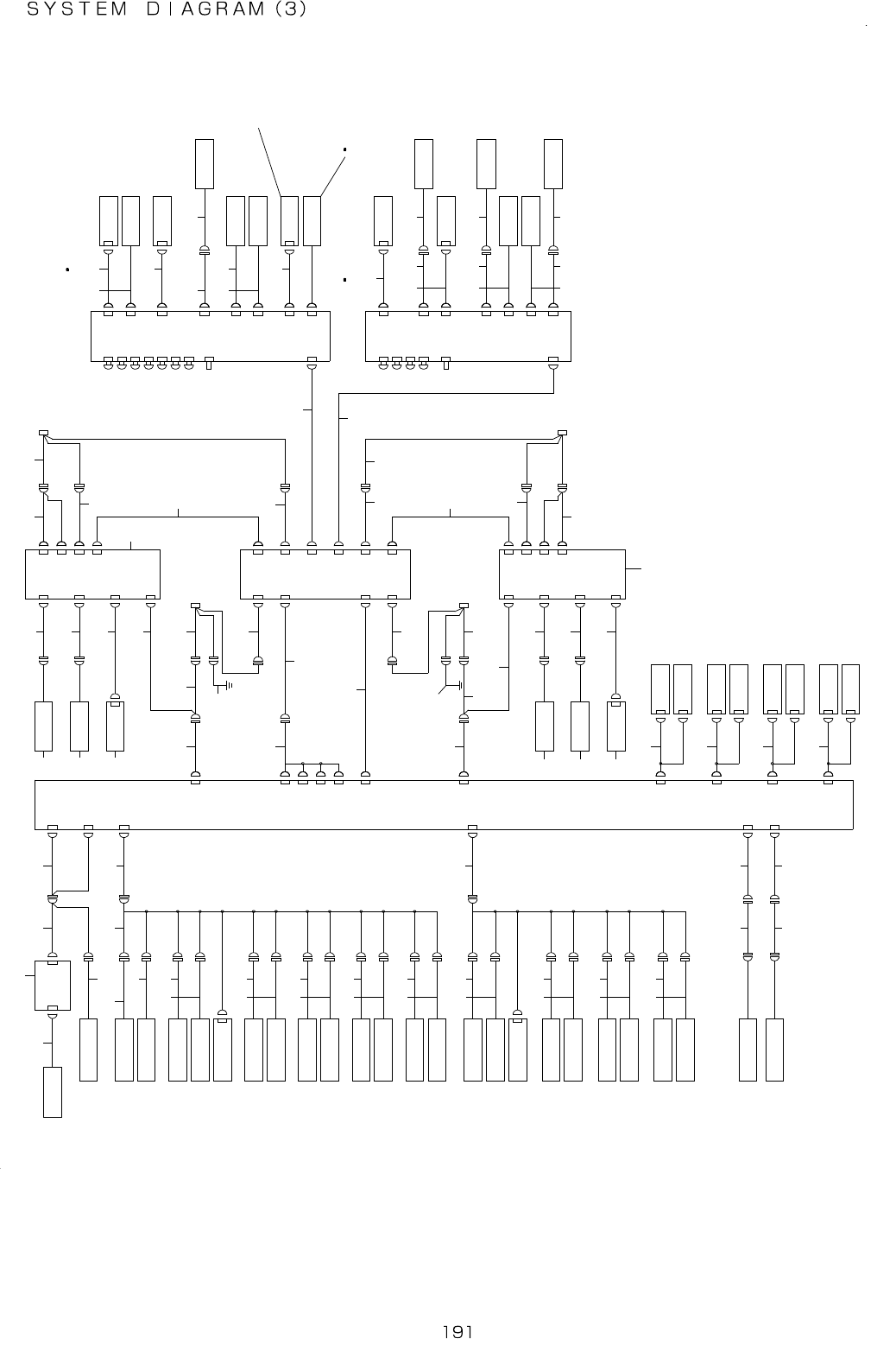
96.SYSTEMDIAGRAM(3)
S I G N A L L I G H T
K E Y C H A N G E S W
F E E D E R S W ( R )
( N O N - S T O P
O P E R A T I O N )
N O N - S T O P
S I G N A L
L I G H T ( R )
C O V E R ( R ) L O C K S V
C O V E R O P E N S W ( R )
E M G S W _ R
H O D B O X
M O U S E
/ K E Y B O A R D
S E L E C T O R
K E Y C H A N G E S W
F E E D E R S W ( F )
( N O N - S T O P
O P E R A T I O N )
N O N - S T O P
S I G N A L
L I G H T ( F )
C O V E R ( F ) L O C K S V
C O V E R O P E N S W ( F )
E M G S W _ F
L E D
P C B ( R - L L )
L E D
P C B ( R - L R )
L E D
P C B ( R - R L )
L E D
P C B ( R - R R )
L E D
P C B ( F - R R )
L E D
P C B ( F - R L )
L E D
P C B ( F - L R )
L E D
P C B ( F - L L )
M - E B A N K S W
D R I V E C Y L I N D E R
A S S Y
D R I V E C Y L I N D E R
A S S Y
M - E B A N K S W
D R I V E C Y L I N D E R
A S S Y
D R I V E C Y L I N D E R
A S S Y
E C U T T E R ( R )
E C U T T E R ( F )
C A L S . V
C A L
P C B
C A L V A C U U M
S E N S O R
E L E C F E E D F L O A T
S E N S ( R ) ( E M I )
F E E D E R F L O A T
S E N S ( R R ) ( E M I )
F E E D E R F L O A T
S E N S ( R F ) ( E M I )
D R I V E C Y L
S E N S O R R A S M
E L E C F E E D F L O A T
S E N S ( R ) ( R E C )
E L E C F E E D D E T
S E N S ( R ) ( R E C )
B A N K U P S W
( R )
F E E D E R F L O A T
S E N S ( R R ) ( R E C )
F E E D E R F L O A T
S E N S ( R F ) ( R E C )
E L E C F E E D D E T
S E N S O R ( F ) ( E M I )
E L E C F E E D F L O A T
S E N S ( F ) ( E M I )
F E E D E R F L O A T
S E N S ( F R ) ( E M I )
F E E D E R F L O A T
S E N S ( F F ) ( E M I )
A T C S . V
D R I V E C Y L
S E N S O R F A S M
E L E C F E E D F L O A T
S E N S ( F ) ( R E C )
E L E C F E E D D E T
S E N S ( F ) ( R E C )
B A N K U P S W
( F )
F E E D E R F L O A T
S E N S ( F R ) ( R E C )
F E E D E R F L O A T
S E N S ( F F ) ( R E C )
A T C C L O S E
S E N S
A T C O P E N
S E N S
C N 7
M N L T
C N 2 4
C N 7
C N 1 5
C N 8
C N 2 3
C N 2 2
C N 1 2
C N 1
S W 5
S W 4
S W 2
2 - 5 C
S W 1
O P E R A T I O N
P C B ( R )
C N 1 3
4 - 5 A
M N L T
C N 2 4
C N 7
C N 1 5
C N 8
C N 2 1
C N 2 3
C N 2 2
C N 1 2
C N 1
S W 7
S W 6
S W 5
S W 4
S W 3
S W 2
C N 3 1
C N 3 0
2 - 5 C
S W 1
O P E R A T I O N
P C B ( F )
C N 1 3
C N 1 8
C N 1 6
C N 1 7
C N 1 5
M - B A N K ( R )
C N 1
C N 2
C N 7
C N 8
C N 5
C N 6
C N 3
B K - R R
C N 1 0
B K - R L
C N 9
B A N K
P C B ( F )
C N 2
C N 3
C N 6 6
C N 2 5
C N 3
C N 6 5
C N 7
C N 2 4
M - B A N K ( F )
C N 2
C N 1
C N 8
C N 5
C N 6
C N 3
B K - F R
C N 1 0
B K - F L
C N 9
C N 4
C N 4
C N 3 7 0
C N 3 5 3
E B A N K ( R )
C N 7 0
C N 3 5 1
2 - 5 A
C N 2 3
C N 6 9
C N 1
E - C U T T E R
C N 2 4
C N 3 5 4
E - C U T T E R
C N 2 3
C N 3 5 4
C N 3 5 3
4 - 4 A
1 - 3 B
P O W E R
U N I T
B A N K
P C B ( F )
C N 3 5 1
C N 6 7
C N 3 1
C N 3 0
C N 2 8
C A L R
C N 2 7
C N 1C N 2 C N 2 0
C N 6 6 9
C A L F
C N 5
C N 4 2 4
C N 4 2 3
C N 4 2 0
C N 4 5 0
C N 4 2 5
C N 4 2 6
C N 4 2 9
C N 4 2 2
C N 4 2 1 C N 2 1
C N 2 1
C N 4 1 6
C N 4 1 5
C N 4 1 1
C N 4 1 2
A T C
C N 4 5 1
C N 4 1 4
C N 4 1 7
C N 4 1 8
C N 4 1 0
C N 4 1 3
C N 4 0 3
C N 4 0 2
E B A N K ( F )C N 3 7 0C N 3
C N 3
C N 2
F E E D E R
P C B
C N 1 9
C N 1 9
1
2
3
4
5
6
7
8
9
2 1 3 1
3 0 3 2
3 3
3 4 3 5 3 6
3 7 3 8 3 9 4 0
1 0
1 1
1 2
1 3
1 4
1 5
1 6
1 7
1 8
1 9
2 0
2 2
2 3
2 4
2 5
2 6
2 7
2 8
4 2
4 3
4 5
4 4
4 6
4 7
4 8
4 9
5 0
5 1
5 2
5 3
5 4
5 5
5 6
5 7
5 8
5 9
6 0
6 1
6 2
6 3
6 4 6 5 6 6
6 7 6 8 6 9
7 0
7 1
7 2 7 3 7 4 7 5
4 1
7 6 7 7
7 8
8 38 1
8 2
7 9
8 0
8 4
8 6 8 7
8 5
8 8 8 9
9 0
9 1
9 2
9 3
9 4
9 5
2 9
9 7
9 6
4 1
9 9
9 8

- -
REF.NO NOTE PARTNO DESCRIPTION Qty
1 400-02125 CALVCUMSVASM 1
2 400-07376 CALBLOCKPCBASM 1
3 400-92504 CALBLOCKCABLEASM 1
4 400-47483 FEEDERCAL(F)CABLEASM 1
5 400-02126 CALVACUUMSENSORASSY 1
6 400-92508 ATCOPENSENSASM 1
7 400-92506 FEEDERSENSCABLEFASM 1
8 400-48176 FEEDERSENSRELAY(F)CABLEASM 1
9 400-92509 ATCCLOSESENSASM 1
10 400-92516 FD-FLOAT(FF)RECEIVESENSASM 1
11 400-92518 FD-FLOAT(FR)RECEIVESENSASM 1
12 400-92530 E-FD-DETECT(F)RECEIVESENSASM 1
13 400-92526 E-FD-FLOAT(F)RECEIVESENSASM 1
14 400-92513 DRIVECYLSENSORFASM 1
15 400-92510 ATCSVCABLEASM 1
16 400-92515 FD-FLOAT(FF)EMISSINSENSASM 1
17 400-92517 FD-FLOAT(FR)EMISSINSENSASM 1
18 400-92525 E-FD-FLOAT(F)EMISSINSENSASM 1
19 400-92529 E-FD-DETECT(F)EMISSINSENSASM 1
20 400-92520 FD-FLOAT(RF)RECEIVESENSASM 1
21 400-48177 FEEDERSENSRELAY(R)CABLEASM 1
22 400-92522 FD-FLOAT(RR)RECEIVESENSASM 1
23 400-97588 REFLEXARRAYSENSORASM 1
24 400-92528 E-FD-FLOAT(R)RECEIVESENSASM 1
25 400-92514 DRIVECYLSENSORRASM 1
26 400-92519 FD-FLOAT(RF)EMISSINSENSASM 1
27 400-92521 FD-FLOAT(RR)EMISSINSENSASM 1
28 400-92527 E-FD-FLOAT(R)EMISSINSENSASM 1
29 400-48045 SIGNALTOWERLIGHTASM 1
30 400-92640 AUTOTAPECUTTERCABLEASM2 1
31 400-92639 AUTOTAPECUTTERCABLEASM1 1
32 400-92640 AUTOTAPECUTTERCABLEASM2 1
33 400-92659 AUTOTAPECUTTERCABLEASM7 1
34 400-00574 DRIVECYLINDERASSY 1
35 400-00574 DRIVECYLINDERASSY 1
36 400-92511 SWITCHD3DC-3 1
37 400-02244 BANKFRCABLEASM 1
38 400-02243 BANKFLCABLEASM 1
39 400-92604 MBANKSWITCHFCABLEASM 1
40 401-10583 FEEDERIFFCABLEASM 1
41 400-66568 BANKPCBASM
2
42 400-92600 MECHBANKCONNECTORFCABLEASM 1
43 400-92599 MECHBANKCABLEASM 1
44 400-92602 MBANKDCPWRCABLEFASM 1
45 400-92601 BANKPWRCABLEFASM 1
46 400-47481 FEEDERIFRELAY(F)CABLEASM 1
47 401-11734 ELECBANKRELAYWIREASM 1
48 400-84838 ELECBANKFGWIREASM 1
49 400-97590 ETF(F)PWRCABLEASM 1
50 400-47484 FEEDERCAL(R)CABLEASM 1
51 400-92505 FEEDERXYEMGCABLEASM 1
52 400-92501 FEEDERPWRCABLE(F)ASM 1
53 400-97591 ETF(R)PWRCABLEASM 1
54 400-92603 MBANKACPWRCABLEFASM 1
55 400-92579 OPERATIONPWRCABLE(F)ASM 1
56 400-92580 OPERATIONPWRCABLE(R)ASM 1
57 400-92608 MBANKACPWRCABLERASM 1
58 400-92599 MECHBANKCABLEASM 1
59 400-92606 BANKPWRCABLERASM 1
60 400-47482 FEEDERIFRELAY(R)CABLEASM 1
61 400-84838 ELECBANKFGWIREASM 1
62 401-11734 ELECBANKRELAYWIREASM 1
63 401-10584 FEEDERIFRCABLEASM 1
64 400-00574 DRIVECYLINDERASSY 1
65 400-00574 DRIVECYLINDERASSY 1
66 400-92511 SWITCHD3DC-3 1
67 400-02245 BANKRLCABLEASM 1
68 400-02246 BANKRRCABLEASM 1
69 400-92609 MBANKSWITCHRCABLEASM 1
70 400-92607 MBANKDCPWRCABLERASM 1
71 400-92605 MECHBANKCONNECTORRCABLEAS 1
72 400-92533 FPILEDCABLE(FL)ASM 1
73 400-92534 FPILEDCABLE(FR)ASM 1
74 400-92535 FPILEDCABLE(RL)ASM 1
75 400-92536 FPILEDCABLE(RR)ASM 1
76 400-92833 EMGSW(F)ASM 1
77
#01
400-92645 EMSWFCABLEASM(EN) 1
78 400-02254 COVEROPENSWITCHCABLEASM 1
79 400-92587 COVERLOCKSVASM 1
80 400-92584 MINISIGNALRLYCABLEFASM 1
81 400-48035 L_FEEDERSWASM 1
82 400-48036 CONSOLESWASM 1
83 400-47823 CONSOLESELECTCABLEASM 1
84 400-48055 MINIPATLITEASM 1
85 400-03281 MOUSE/KEYBOARDSELECTOR 1
86 E9649-729-000 HODASM. 1
87
#01
E9662-729-000 HOD(EN) 1
88 400-92860 EMGSW(R)ASM 1
89
#01
400-92646 EMSWRCABLEASM(EN) 1
90 400-97605 COVEROPENRELAYCABLEASM 1
91 400-02254 COVEROPENSWITCHCABLEASM 1
92 400-92587 COVERLOCKSVASM 1
93 400-92585 MINISIGNALRLYCABLERASM 1
94 400-48055 MINIPATLITEASM 1
95 400-48035 L_FEEDERSWASM 1
96 400-48036 CONSOLESWASM 1
97 400-92586 SIGNALLIGHTRLYCABLEASM 1
98 401-07942 FEEDERIFRELAY-04CABLEASM 1
99 401-07941 FEEDERIFRELAY-03CABLEASM 1

- -
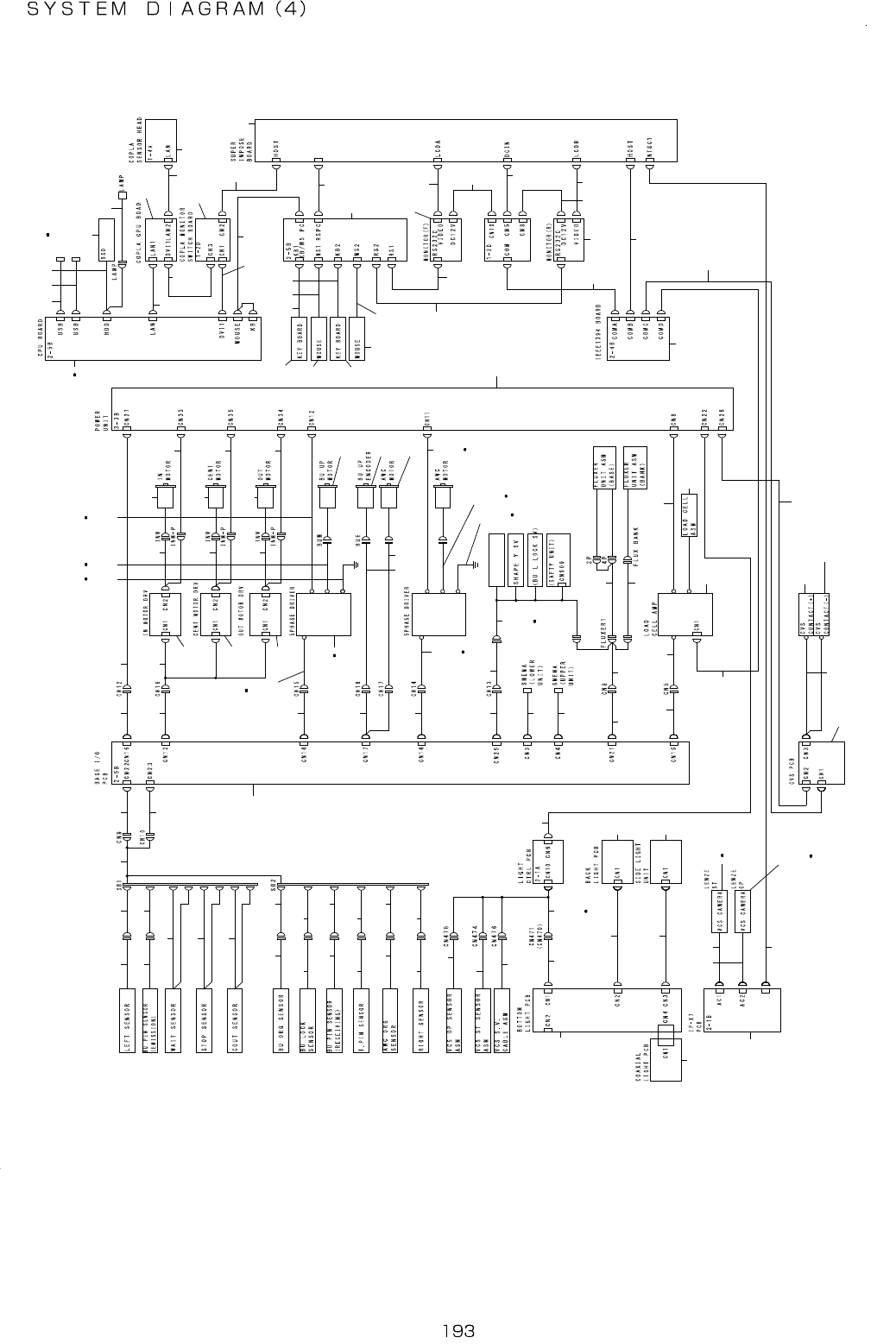
97.SYSTEMDIAGRAM(4)
A T X - P O W E R
S T O P P E R S V
0 O N S O L
S W
V O U T
F L U X S V
E V
A W C M
A W C E
1
2
3
4
5 7 9
1 1
1 2
1 3
1 4
1 5
1 6
1 7
1 8
1 9
2 0
2 1
2 2
2 3
2 4
2 5
2 6
2 7
2 8 2 9
3 0 3 2
3 1 3 3
4 2
4 3
4 4 4 5
3 4
3 5
3 7
3 9
3 6 4 0
4 6 4 8
4 94 7
5 0
5 1
5 3
5 4 5 6
5 75 55 2
6 0
6 1 6 2
5 8 5 9
6 3 6 4
9 9
9 8
9 7
9 4
9 5
9 6
9 1
9 0
8 98 88 4
8 5
8 6 8 7
8 2 8 3
8 0 8 1
7 8 7 9
7 57 2
7 6 7 7
7 3
7 0
6 9 7 1 7 4
1 0 7
1 0 8
1 0 9
1 1 0
1 1 1
1 1 2
1 1 6
1 1 7
1 1 8
1 1 9
1 2 0
1 1 4
1 1 5
1 1 3
1 2 1
1 2 2
8
1 0 0
1 06
6 5 6 6
6 7 6 8
5 0 5 0
5 3 5 3
1 2 8
1 0 7
1 0 8
1 0 3
1 0 2
1 0 1
1 0 4 1 4 3
1 2 4
1 2 5
1 0 6
1 3 0
1 0 5
1 2 7
1 2 6
1 2 9
1 2 3
1 3 6
1 3 4
1 3 7
1 4 1
1 4 0
1 3 9
1 3 1
1 3 2
1 3 5
3 8 4 1
1 3 3
1 3 8 1 4 2
F L U X E R 2
9 2
9 3