KE-3020_KE-3020R-Rev05 - 第193页
- - REF.NO NOTE PARTNO DESCRIPTION Qty 1 #01 400-94507 CUTTERUNITFC 1 2 #02 400-94508 CUTTERUNITRC 1 3 400-94504 CU TTERUNIT (1) 4 400-93961 SLIDE_RAIL (2) 5 SM-6041002-TN BOLT (6) 6 400-98902 INN…

- -
93.CUTTERUNITCOMPONENTS(CHANGERBANK)
3
5 0
4
4
5 2
5
5
8
7
1 0
1 2
1 4
1 5
1 6
1 8
1 9
2 0
2 0
2 1
2 2
2 3
2 3
2 6
2 7
2 5
2 8
3 0
3 5
3 2
3 3
3 1
3 4
3 6
A
A
3 7
3 8
3 9
4 0
9
4 3
4 4
4 5
4 6
4 6
4 2
4 7
4 9
4 8
5 3
2 4
2 4
1 3
4 1
5 1
8
6
7
8
1 1
5 9
6 0
6 1
6 1
6 2
6 3
5 7
5 8
5 7
5 8
1 2
8 2
8 3
7 6
7 5
7 0
7 1
7 2
7 3
7 4
6 9
7 7
7 8
8 4
8 5
C
C
8 6
8 0
8 1
7 9
8 3
8 2
9 1
9 0
9 2
B
B
6 5
8 8
5 5
5 6
5 5
5 6
6 8
6 7
8 9
6 6
8 7
1 7
1 6
1 5
2 9
6 4
5 4
5 4

- -
REF.NO NOTE PARTNO DESCRIPTION Qty
1
#01
400-94507 CUTTERUNITFC 1
2
#02
400-94508 CUTTERUNITRC 1
3 400-94504 CUTTERUNIT (1)
4 400-93961 SLIDE_RAIL (2)
5 SM-6041002-TN BOLT (6)
6 400-98902 INNER_GUIDE_A (4)
7 400-98903 INNER_GUIDE_B (2)
8 SL-6040892-TN BOLT (6)
9 400-93968 CUTTER_CYL_BASE (1)
10 SM-6102002-TN SCREWM10L=20 (3)
11 400-93969 AIR_CYLINDER (1)
12 400-93970 SCREW_M10_L130 (4)
13 400-93971 JOINT_BAR (1)
14 400-93972 SLIDE_BUSH (1)
15 400-93973 SLIDE_SPACER (2)
16 WP-1703001-SC WASHER17X30X3 (2)
17 400-93974 SCREW_M16_L40 (1)
18 400-93962 BOTTOM_BLADE_L (1)
19 400-93963 BOTTOM_BLADE_R (1)
20 SM-6051202-TN SCREWM5X0.8L=12 (8)
21 400-93964 GUIDE_RAIL_L (1)
22 400-93965 GUIDE_RAIL_R (1)
23 SM-6064002-TN HEXAGONAL-HOLEBOLT (6)
24 PJ-0205000-03 PLUG (4)
25 400-93975 UPPER_BLADE_SUPPORT_BASE (3)
26 400-93980 UPPER_BLADE_SUPPORT_BASE_L (1)
27 400-93981 UPPER_BLADE_SUPPORT_BASE_R (1)
28 SL-6052592-TN BOLT (10)
29 400-93966 UPPER_BLADE (1)
30 400-84684 UPPER_BLADE_SUPPORT (5)
31 SM-6051602-TN BOLT (10)
32 E6109-700-000 BUSH (5)
33 SM-6051402-TN SCREWM5L=14 (5)
34 SM-8041402-TP SCREWM4X0.7L=14 (5)
35 NM-6040001-SC NUTM4X0.7TYPE1 (5)
36 400-94526 CUTTER_COVER (1)
37 SL-4041091-SC SCREWM4L=10 (6)
38 TA-0750404-R0 PLUGD=7.5L=3.5 (6)
39 400-93976 SPEED_CONTROLLER (2)
40 400-94523 CUTTERSV_BR (1)
41 400-98838 GUIDE_BR (1)
42 400-93977 5PORT_SOLENOID_VALVE (1)
43 SL-4040691-SC SCREWM4L=6 (2)
44 SL-6040892-TN BOLT (2)
45 400-93978 LONG_ELBOW_UNION (1)
46 PX-0551040-00 SILENCER(PT1/8) (2)
47 PJ-3040652-01 ELBOWUNION6XPT1/4 (2)
48 HX-0034400-00 HARNESSPARTS (1)
49 SL-4040691-SC SCREWM4L=6 (1)
50 BT-0600400-EC TUBEHOSE,BLUE (2.5)
51 SL-6030692-TN SCREWM3L=6 (6)
52 400-94525 CUTTER_BASE (1)
53 E4981-700-000 LABEL (1)
54 SL-6052092-TN SCREW (4)
55 400-94519 CUTTER_SUPPORT_BL (2)
56 SL-6062092-TN SCREWM6L=20 (4)
57 400-94518 CUTTER_UNIT_FIX_BASE_C (2)
58 SL-6062092-TN SCREWM6L=20 (8)
59 400-94516 CUTTER_UNIT_SUPPORT_L (1)
60 400-94517 CUTTER_UNIT_SUPPORT_R (1)
61 SL-6062592-TN SCREW (4)
62 HX-0029400-00 FIXEDBASE (1)
63 SL-4030691-SC SCREWM3L=6 (1)
64 400-94512 DISCHARGEGUIDECAASM 1
65 SL-6030692-TN SCREWM3L=6 (5)
66 400-94843 HINGE_B-1146-3 (2)
67 SL-4040891-SC SCREWM4L=8 (4)
68 400-94514 LDISCHARGEGUIDEASM (1)
69 400-98907 TAPE_GUIDE_C (1)
70 SL-6030692-TN SCREWM3L=6 (11)
71 400-98906 PLATE (12)
72 400-94538 SPACER (24)
73 SL-6030892-TN SCREWM3L=8 (24)
74 WP-0431005-SP PLAINWASHER (24)
75 400-94891 SPRING_0.69N (12)
76 400-94846 DISCHARGE_GUIDE_3 (1)
77 SL-6040892-TN BOLT (8)
78 400-94845 DISCHARGE_COV (1)
79 400-94844 HINGE_B-1078-14 (2)
80 SL-6040892-TN BOLT (6)
81 NM-6040001-SC NUTM4X0.7TYPE1 (6)
82 SM-6041202-TN SCREWM4X0.7L=12 (4)
83 NM-6040001-SC NUTM4X0.7TYPE1 (4)
84 400-94892 SPRING_11N (2)
85 400-98955 GUIDE_SUP (2)
86 SL-6030892-TN SCREWM3L=8 (4)
87 HX-0009600-0A GROMMET (0.8)
88 400-98908 TAPE_GUIDE_BOTTOM_A (1)
89 NM-6040001-SC NUTM4X0.7TYPE1 (4)
90 400-98909 GUIDE_INNER (1)
91 400-98910 GUIDE_STOPPER_BR (1)
92 SL-4040891-SC SCREWM4L=8 (4)

- -
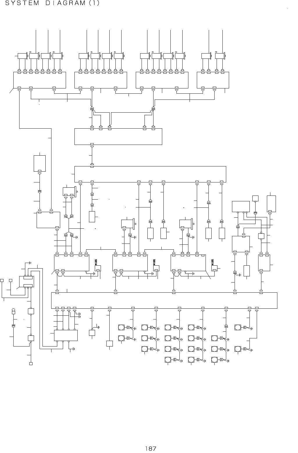
94.SYSTEMDIAGRAM(1)
1 - 3 D
F A N
6 M O T O R
H C - B P 0 1 3 6 D - S 1
5 M O T O R
H C - B P 0 1 3 6 D - S 1
4 M O T O R
H C - B P 0 1 3 6 D - S 1
3 M O T O R
H C - B P 0 1 3 6 D - S 1
2 M O T O R
H C - B P 0 1 3 6 D - S 1
1 M O T O R
H C - B P 0 1 3 6 D - S 1
7 M O T O R
H C - B P 0 3 3 6 L W 4 - S 1
Z 7 M O T O R
H C - B P 0 3 3 6 L W 4 - S 1
Z 6 M O T O R
H C - B P 0 3 3 6 L W 4 - S 1
Z 5 M O T O R
H C - B P 0 3 3 6 L W 4 - S 1
Z 4 M O T O R
H C - B P 0 3 3 6 L W 4 - S 1
Z 3 M O T O R
H C - B P 0 3 3 6 L W 4 - S 1
Z 2 M O T O R
H C - B P 0 3 3 6 L W 4 - S 1
Z 1 M O T O R
H C - B P 0 3 3 6 L W 4 - S 1
2 - 2 B
2 - 2 B
2 - 2 A
2 - 2 A
2 - 3 B
C N P 2 C
C N 2 C
C N P 2 D
C N 2 D
C N P 1
C N 1 A
4 A X I S S E R V O
A M P ( 4 )
C N P 2 A
C N 2 A
C N P 2 B
C N 2 B
C N P 2 C
C N 2 C
C N P 2 D
C N 2 D
C N P 1
C N 1 B
C N 1 A
4 A X I S S E R V O
A M P ( 1 )
C N P 2 A
C N 2 A
C N P 2 B
C N 2 B
C N P 2 C
C N 2 C
C N P 2 D
C N 2 D
C N P 1
C N 1 B
C N 1 A
4 A X I S S E R V O
A M P ( 3 )
C N P 2 A
C N 2 A
C N P 2 B
C N 2 B
C N P 2 C
C N 2 C
C N P 2 D
C N 2 D
C N P 1
C N 1 B
C N 1 A
4 A X I S S E R V O
A M P ( 2 )
Z T P W R 2
Z T P W R 1
X Y 1 1
C N 1 3 6
C N 1 4 0
S E N S Y R E N C Y R
S E N S Y L E N C Y L
S E N S X E N C X
Y R M T R
Y L M T R
X M T R
X E N C
C N 1 6 5
C N 1 5 1
C N 3 8
C N 1 5
C N 1 4
C N 3 7
C N 1 3C N 2 1
1 - 2 D
2 - 5 B
C N 1 1
X Y - R E L A Y
P C B
1 C H D I
P O W E R
U N I T
C N 1 4
C N 1 1
Y R O R G
S E N S O R
C N 1 0
Y L O R G
S E N S O R
M A G N E
S C A L E
P C B
C N 4
S C A L E
H E A D R L
C N 3
S C A L E
H E A D Y L
C N 2
S C A L E
H E A D X
C N 8
C N 7
C N 5
2 C H N E T
Y M O T O R
Y R
1 5 0 0 W
Y M O T O R
Y L
1 5 0 0 W
S E R V O
M O T O R
7 5 0 W
C N 2 L
C N P 3
C N 2
C N 1 B
C N 2 L
C N P 3
C N 2
C N 1 B
C N 2 L
C N P 3
C N 2
P O S I T I O N
B O A R D
1 C H N E TC N 1 A
E
C N 1 A
C N 1 BE
C N 1 A
E
M A I N S W
M R - R B 3 0
C N P 2
C N P 1C N 1 3
X S E R V O
A M P
M R - J 3 - 7 0 B - R J 0 2 4
M R - R B 3 0
C N P 2
C N P 1C N 1 2
Y L S E R V O
A M P
M R - J 3 - 2 0 0 B - R J 0 2 4
M R - R B 1 2
C N P 2
C N P 1C N 1 1
F A N
F A N F A N
F A N F A N
F A N
F A N
C N 0 0 7
[ Y L M O T O R ]
F A N
C N 0 0 6
[ Y R M O T O R ]
F A N F A N
C N 0 0 5
[ T O P C O V E R ]
F A N F A N
C N 0 0 4
[ B A S E 3 ]
F A N F A N
C N 0 0 3
[ B A S E 2 ]
F A N F A N
C N 0 0 2
[ B A S E 1 ]
F A N F A N
C N 0 0 1
C N 0 6
C N 0 7
H O U R M E T E R
C N 0 1 0
C N 1 4 A
( C N 1 4 B )
V A C U U M
P U M P
C N 0 4 B
C N 0 4 A
C N 0 3
C N 0 1
P O W E R
U N I T
1 0 0 V
1 0 0 V
3 4 V
2 2 0 V
T F 1
T B 2
M T C P W R ( R )
M T S P W R ( L )
A C I N P U T
U N I T
C N 0 0 1
P O W E R O N L I G H T
T B 1
N F B
[ C T R L U N I T ]
X S E R V O
A M P
M R - J 3 - 7 0 B - R J 0 2 4
T B 1
I N P U T
1
2
3 4
5
7
8
1 0
9
1 1
1 2
1 3
1 5
1 4
1 6
1 7
1 8
1 9
2 0
2 1
2 2
2 4
2 5
2 5
2 5 2 5 2 5
2 5
3 1 3 2 3 3 3 4
3 5
3 6
3 7
3 8
3 9
4 0
4 1
4 2
4 3
4 4
4 6
4 7 4 8
4 9
5 1 5 2
5 3
5 4
5 5
5 8
5 9
6 0
6 1
6 2 6 3
6 4
6 5
6 6
6 7
6 8
6 9
7 0
7 1
7 2
7 3 7 4
7 5
7 6
7 7
7 8
7 9
8 0
8 1
8 2 8 3
8 4 8 5
8 6
8 7
8 8
8 9 9 0
9 1 9 2
9 3 9 4
9 7
9 8
9 9
1 0 0 1 0 1 2 7
2 8
2 9
3 0
1 0 2
2 6
5 0 5 0
7 8
9 9 9 9 9 9
2 6 2 6 2 6 2 6 2 6 1 0 2 1 0 21 0 2 1 0 2 1 0 2 1 0 2 1 0 2
2 3
C O P L A M O N I T O R
S W I T C H B O A R D
4 - 5 A
C N 4
C N 3
C N 3
C N 2
C P
C N 1
C O P L A - P O W E R
C O P L A - P S
1 - 1 A
4 - 5 C
P S - O N
A T X 1 3
1 - 4 B
M A I N S W
C P C I
B A C K
B O A R D
B A T T E R Y
A T X - P O W E R
C N 2 5 1
C N 0 6 3
4 5
5 7
5 6
9 5
9 6
1 0 6
1 0 4
1 0 8
1 0 3
1 0 9
1 0 7
1 0 5
6