KE-3020_KE-3020R-Rev05 - 第196页
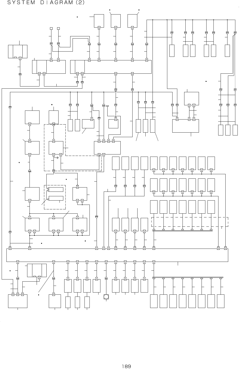
- - 95. SYSTEMDIAG RAM(2) N O Z Z L E U P S V A S M N O Z Z L E D O W N S E N S O R I C N O Z Z L E D O W N S E N S O R L N O Z Z L E D O W N S E N S O R R F A N Z 7 B L W S V Z 7 V A C S V Z 6 B L W S V Z 6 V A C S V…

- -
REF.NO NOTE PARTNO DESCRIPTION Qty
1 400-92410 BREAKERINPUTCABLEASM 1
2 400-92412 POWERONLAMPRELAYCABLEASM 1
3 401-06608 POWERLAMP200VCABLEASM 1
4 401-06609 POWERLAMP400VCABLEASM 1
5 400-92411 BREAKEROUTCABLEASM 1
6 400-92439 MTCPWRWIRELASM 1
7 400-02063 MTCPOWERWIRERASM 1
8 400-94708 ACINPUTUNIT 1
9 400-92413 MAINSWOUTPUTCABLEASM 1
10 400-02056 INPUTUNITFGCABLEASM 1
11 400-92414 TFINPUTCABLEASM 1
12 400-92664 TFINPUTDELTACABLEASM 1
13 400-94736 POWERUNIT 1
14 400-71184 TRANSFOMER 1
15 400-92415 TFFGCABLEASM 1
16 400-92417 TF220VOUTPUTCABLEASM 1
17 400-92418 TF34VOUTPUTCABLEASM 1
18 400-95136 TF100VAOUTPUTCABLEASM 1
19 400-95137 TF100VBOUTPUTCABLEASM 1
20 400-95135 VACPUMPPOWERCABLEASM 1
21 400-76121 VACUUMPUMP 1
22 400-92424 VACUUMPUMPFGCABLEASM 1
23 HB-0006400-00 HOURMETER 1
24 400-99144 HOURMETERASM 1
25 400-92440 BASICFANASM 18
26 400-44533 SERVOMOTOR10W 8
27 400-44541 OPTICALFIBERCABLE0.15M 1
28 400-92461 LZTPWRRELAYCABLEASM 1
29 400-44541 OPTICALFIBERCABLE0.15M 1
30 400-44541 OPTICALFIBERCABLE0.15M 1
31 400-92441 FANCABLEASM_1 1
32 400-92442 FANCABLEASM_2 1
33 400-92443 FANCABLEASM_3 1
34 400-92444 FANCABLEASM_4 1
35 400-92446 FANCABLERELAYASM_5 1
36 400-92445 FANCABLEASM_5 1
37 400-97602 FANCABLEASM_7 1
38 400-97601 FANCABLEASM_6 1
39 400-92420 XPWRCABLEASM 1
40 400-92436 XMOTORRBCABLEASM 1
41 400-92421 YLPWRCABLEASM
1
42 400-92437 YLMOTORRBCABLEASM 1
43 400-92422 YRPWRCABLEASM 1
44 400-92438 YRMOTORRBCABLEASM 1
45 400-47893 ATXPWRCABLEASM 1
46 400-44538 SERVOAMP750W 1
47 400-92416 DRVFGCABLEASM 1
48 400-54885 REGENERATIVERESISTOR 1
49 400-44541 OPTICALFIBERCABLE0.15M 1
50 400-44539 SERVOAMP2000W 2
51 400-92416 DRVFGCABLEASM 1
52 400-92658 REGENERATIVEREGISTOR 1
53 400-44541 OPTICALFIBERCABLE0.15M 1
54 400-92416 DRVFGCABLEASM 1
55 400-92658 REGENERATIVEREGISTOR 1
56 400-47894 ATXPWRRLYCABLEASM 1
57 400-48007 BATTERYUNIT 1
58 400-92447 OPTICALFIBERCABLE2.4M 1
59 400-45395 XLENCCABLEASM 1
60 400-92657 XLMTRCABLEASM 1
61 400-44540 16AXIS2CHSERVOCONTROLLER 1
62 400-92450 YBEARCABLESASM 1
63
#01
400-92638 YBEARCABLESASMXL 1
64 400-47930 POSBOARD11CHCABLEASM 1
65 400-97614 XY-RELAYPOSRELAYCABLEASM 1
66 400-71676 XYRELAYPCBASM 1
67 400-92448 OPTICALFIBERCABLE6.5M 1
68 400-44545 XMOTORENCODERCABLE 1
69 400-44546 XMTRPWRCABLE 1
70 400-68914 SERVOMOTOR750W 1
71 400-97581 XENCRELAYCABLEASM 1
72 400-44531 MAGNETICSCALEXSENSORUNIT 1
73 400-92449 XYBEARCABLESASM 1
74
#01
400-92637 XYBEARCABLESASMXL 1
75 400-97578 XLINEARSENSORCABLEASM 1
76 400-92451 YLENCODERCABLEASM 1
77 400-92453 YLMOTORCABLEASM 1
78 400-76136 SARVOMOTOR1500W 2
79 400-97582 YLENCRELAYCABLEASM 1
80 400-44532 MAGNETICSCALEYSENORUNIT 1
81 400-02171 YLORGSENSORASM 1
82 400-92450 YBEARCABLESASM 1
83
#01
400-92638 YBEARCABLESASMXL 1
84 400-97579 YLLINEARSENSORCABLEASM 1
85 400-97584 YLORGSENSORCABLEASM 1
86 400-92452 YRENCODERCABLEASM 1
87 400-92454 YRMOTORCABLEASM 1
88 400-97583 YRENCRELAYCABLEASM 1
89 400-44532 MAGNETICSCALEYSENORUNIT 1
90 400-02172 YRORGSENSORASM 1
91 400-92450 YBEARCABLESASM 1
92
#01
400-92638 YBEARCABLESASMXL 1
93 400-97580 YRLINEARSENSORCABLEASM 1
94 400-97585 YRORGSENSORCABLEASM 1
95 400-48006 ATXPSU 1
96 400-92435 CPCIPOWERCABLEASM 1
97 400-95130 MAGNETICSCALEPCBASM 1
98 400-97586 MAGNESCALEPCBPWRCABLEASM 1
99 400-44535 4AXISSERVOAMP 4
100 400-92449 XYBEARCABLESASM 1
101
#01
400-92637 XYBEARCABLESASMXL 1
102 400-44534 SERVOMOTOR30W 6
103 400-97430 COPLAINPUTRELAYCABLEASM 1
104 401-05684 2.00C0367A03AINSTALLASM 1
105 400-97432 COPLACPUCPCABLEASM 1
106 400-97434 COPLAMONITORSWITCHBOARD 1
107 400-97428 COPLACPUPOWERCABLEASM 1
108 400-97433 COPLACPUGNDCABLEASM 1
109 HX-0057700-00 POWERSUPPLY 1

- -
95.SYSTEMDIAGRAM(2)
N O Z Z L E
U P
S V A S M
N O Z Z L E
D O W N
S E N S O R I C
N O Z Z L E
D O W N
S E N S O R L
N O Z Z L E
D O W N
S E N S O R R
F A N
Z 7 B L W S VZ 7 V A C S V
Z 6 B L W S VZ 6 V A C S V
Z 5 B L W S VZ 5 V A C S V
Z 4 B L W S VZ 4 V A C S V
Z 3 B L W S VZ 3 V A C S V
Z 2 B L W S VZ 2 V A C S V
Z 1 B L W S VZ 1 V A C S V
Z 7
P R E S S U R E
S E N S O R
Z 6
P R E S S U R E
S E N S O R
Z 5
P R E S S U R E
S E N S O R
Z 4
P R E S S U R E
S E N S O R
Z 3
P R E S S U R E
S E N S O R
Z 2
P R E S S U R E
S E N S O R
Z 1
P R E S S U R E
S E N S O R
T 7 S L O W
D O W N
S E N S O R
Z 7 S L O W
D O W N
S E N S O R
Z 6 S L O W
D O W N
S E N S O R
Z 5 S L O W
D O W N
S E N S O R
Z 4 S L O W
D O W N
S E N S O R
Z 3 S L O W
D O W N
S E N S O R
Z 2 S L O W
D O W N
S E N S O R
Z 1 S L O W
D O W N
S E N S O R
O C C A
L I G H T
P C B A S M
O C C A
L I G H T
P C B A S M
O C C A
L I G H T
P C B A S M
O C C A
L I G H T
P C B A S M
O C C C
L I G H T
P C B A S M
O C C C
L I G H T
P C B A S M
O C C
C A M E R A
O C C
C A M E R A
E S F
N Z D W N 2
N Z D W N 1
N Z D W N 3
C N 1 9
X Y 1 0
C N 3 0
C N 2 8
C N 1 6
C N 3 2
C N 1 2
T E M P E R A T U R E
S E N S O R
P W B A S M
C N 2 3
C N 2 6
C N 2 5
B R 1
C N 2 4
B R 2
C N 2 7
L I G H T - A 2 C N 8 L I G H T - A 2C N 1 1
L I G H T - A 1 C N 7 L I G H T - A 1C N 1 0
L I G H T - C C N 6 L I G H T - CC N 9
O C C L C N 3 1 O C C RC N 1
3 - 3 B
4 - 2 C
E T H E R
S L A V E
P C B
E N 1
E N 2
L I G H T
C T R L P C B
C N 8 1 3
E N 1
C D S A M P
C N 2 0
C D S
F I B E R
B / M A M P
C N 1 4
B / M
F I B E R
H M S A M P
C N 3 2
H M S
H E A D R
1 - 3 B
F M L A
4 - 1 D
C N 2
C N 4 7 8
A C 3
I P - X 7
P C B
2 - 4 A
2 - 5 B
C O M 1
C P U
B O A R D
4 - 4 C
C H 1
I E E E 1 3 9 4
B O A R D
C H 1
C N 2 4 5
L N C 6 0
C H 2
I E E E 1 3 9 4 a
R E P E A T E R
X Y 0 2
X Y 0 1
X Y 0 8
3 - 4 B
C N 1 4
O P E R A T I O N
P C B ( R )
3 - 4 A
C N 1 4
O P E R A T I O N
P C B ( F )
4 - 4 A
C O M 2
C P U
B O A R D
C N 9
C N 7
C N 3 3
C N 9 0 1
I O N P W R
I O N I Z E R
I O N I Z E R
C N 2 0 1
C N 1 3
C N 2 0C N 0 6 4
C N 2 6
C N 1 7
P O W E R
U N I T
C N 1 5
C N 1 2 7
C N 1 3 1
C N 1 3 0
C N 1 3 2
C N 1 3 0
C N 1 3 1
X N E A R
S E N S O R
X + L I M I T
S E N S O R
X - L I M I T
S E N S O R
C N 4 3 0
C N 4 3 1
C N 1 3 9
C N 1 4 3
C N 1 3 8
C N 1 3 7
F E E D E R D E T
S E N S ( E M I )
F E E D E R D E T
S E N S ( R E C )
Y + L I M I T
S E N S O R
Y N E A R
S E N S O R
Y + + L I N I T
S E N S O R
Y - L I M I T
S E N S O R
X Y 0 4
C N 2
C N 0 6 4
C N P 2
C N P 1
S A F E I O
H E A D I O
M T C I / F
M T S I / F
I / F R
I / F L
C N 2
C N 1
X Y 0 5
C N 3 4
X Y 0 3
3 - 2 A
E T H E R
S L A V E
P C B
E N 1
E N 2
F E E D E R
P C B
4 - 2 A
E T H E R
S L A V E
P C B
E N 1
E N 2
B A S E I / O
P C B
E T H E R
S L A V E
P C B
E N 1
E N 2
A I R P R E S S
M E T E R ( - )
A I R P R E S S
M E T E R ( + )
S A F T Y
U N I T
( E N )
1 - 3 A
C N 1 6
X Y - R E L A Y
P C B
J 8
E T H E R
M A I N P C B
C N 8 4 8
C O MJ 4
S C M 3
P C B
C N 1
L N C 6 0
1 - 5 D1 - 5 C
1 - 5 B
1 - 5 A
C N 4 D
C N 5C N 4 C
4 A X I S S E R V O
A M P ( 4 )
C N 4 D
C N 5C N 4 B
4 A X I S S E R V O
A M P ( 3 )
C N 4 D
C N 5C N 4 B
4 A X I S S E R V O
A M P ( 2 )
C N 4 D
C N 1 9 C N 5C N 4 B
4 A X I S S E R V O
A M P ( 1 )
H E A D M A I N P C B
E N 1
E N 2
E N 3
1
2
4
3
5 6
7
8
9 1 3
1 4
1 5 1 7
1 9
2 1
2 3 2 5 2 7
1 6 1 8 2 0 2 2 2 4 2 6 2 8 2 9 3 1
3 0 3 2 3 3 3 4 3 5 3 6 3 7 3 8
1 0
1 1 1 2
4 0 4 1
4 3
4 4
4 5
4 6
4 7
4 8
4 9 5 0
5 3
5 4
5 5
5 6
5 7
5 8
5 9
6 0 1 3 3
6 1
6 2
6 3
6 4
6 5
6 6
6 7
1 2 0
6 8 6 9
7 0
7 2
7 3 7 4 7 5 7 6 7 7
7 8
7 9 8 0 8 1 8 2
8 5
8 6
8 7
8 8 8 9
9 1 9 2
9 3
9 4
9 5
9 6
9 8
9 9
1 0 0
1 0 1 1 0 2 1 0 3 1 0 4
1 0 5
1 0 6
1 0 7
1 0 8
1 0 9
1 1 0
1 1 1
1 1 2
1 1 3
1 1 4
1 1 5 1 1 6
1 1 7
8 3
7 1
2 3 2 5 2 7
4 4
4 4
4 4
9 0
X Y E N 2
X Y E N 2
1 2 1 1 2 2
5 1 5 2
P I L O T L A M P
P I L O T L A M P
C O P L A
L A S E R K E Y
1 - 3 D
4 - 5 A
C O P L A
S E N S O R H E A D
C N 0 9
C N 1 3
C O P L A L A
L E D R
L E D F
C N 1 2
S C A L E 0 1
S C A L E 0 2
M A G N E
S C A L E P C B
9 7
1 1 9
1 1 8
1 2 61 3 1
1 3 21 3 1
1 2 4
1 2 5
1 2 7
3 9
1 2 3
1 3 0
1 2 9
1 2 8
8 4
4 2
6 0 1 3 3

- -
REF.NO NOTE PARTNO DESCRIPTION Qty
1 401-49647 ETHER-MAINPCBASM 1
2 400-92626 BASE-IOENCRLYCABLEASM 1
3 400-92612 ETHERHEADCABLEASM 1
4 400-92613 ETHERLIGHTCABLEASM 1
5 400-92449 XYBEARCABLESASM 1
6
#02
400-92637 XYBEARCABLESASMXL 1
7 400-66579 LIGHTCTRLPCBASM 1
8 400-47557 ETHER-SLAVEPCBASM 1
9 400-71300 IPX7ASM 1
10 400-47942 OCCCABLELFASM
1
11 400-92449 XYBEARCABLESASM 1
12
#02
400-92637 XYBEARCABLESASMXL 1
13 400-92616 SENSOR 1
14 400-92615 HIGHTSENSORUNITASM 1
15 HD-0013100-30 FIBERUNIT 1
16 400-47981 BADMARKFIBERAMPASM 1
17
#03
HD-0026000-10 SENSOR 1
18
#03
400-45484 NOZZLESENSORAMPASM 1
19 400-29824 TEMPERATURESENSORPCBASM 1
20 400-92499 BASETEMPCABLEASM 1
21 400-92500 HEADFANCABLEASM 1
22 400-92500 HEADFANCABLEASM 1
23 400-48028 OCCCAMERA 2
24 400-92466 OCCCAMERALCABLEASM 1
25 400-47512 OCCCLIGHTPCBASM 2
26 400-92468 OCCCLIGHTCABLEASM 1
27 400-47508 OCCALIGHTPCBASM 2
28 400-92469 OCCA1LIGHTCABLEASM 1
29 400-92470 OCCA2LIGHTCABLEASM 1
30 400-92484 Z1SLOWDOWNSENSORASM 1
31 400-92476 SLOWDOWNSENSORRELAYCABLEASM 1
32 400-92485 Z2SLOWDOWNSENSORASM 1
33 400-92486 Z3SLOWDOWNSENSORASM 1
34 400-92487 Z4SLOWDOWNSENSORASM 1
35 400-92488 Z5SLOWDOWNSENSORASM 1
36 400-92489 Z6SLOWDOWNSENSORASM 1
37 400-92490 Z7SLOWDOWNSENSORASM 1
38 400-92491 T7SLOWDOWNSENSORASM 1
39 400-66569 HEADMAINPCBASM 1
40 400-92449 XYBEARCABLESASM 1
41
#02
400-92637 XYBEARCABLESASMXL 1
42 400-92474 HEADI/OCABLEASM 1
43 400-92498 Z-THETASIGNALCABLEASM 1
44 400-44535 4AXISSERVOAMP 4
45 400-80203 LNC60I/FCABLEASM 1
46 400-45547 LNC60 1
47
#03
E9345-721-0A0 CABLEASM. 1
48
#03
400-03264 FMLASENSOR 1
49 400-92449 XYBEARCABLESASM 1
50
#02
400-92637 XYBEARCABLESASMXL 1
51 400-44517 1394ROBOTCABLEASM 1
52
#02
400-95138 1394ROBOTCABLEASM 1
53 400-44518 IEEE1394REPEATERBOARD 1
54
#03
400-92462 LASENSORRELAYCABLEASM 1
55
#03
400-92463 SCM3PCBPWRCABLEASM 1
56
#03
400-92460 SCM3PCB 1
57 400-44516 1394RELAYCABLEASM 1
58 400-48003 IEEE1394BOARD 1
59
#03
400-92464 FMLASERIALCABLEASM 1
60
#04
400-44475 CPUBOARD 1
61 400-48168 AIRPRESSURESWASM 1
62 400-47987 VACUUMPRESSURESWASM 1
63 400-97626 IONIZERCABLEASM 1
64 400-97627 IONIZERPWRCABLEASM 1
65 400-92665 PWRUNITI/OCABLEASM 1
66 400-92670 SAFETYU901CABLEASM(EN) 1
67 400-97629 XY-RELAYI/OCABLEASM 1
68 400-92449 XYBEARCABLESASM 1
69
#02
400-92637 XYBEARCABLESASMXL 1
70 400-92465 HEADMAINPWRCABLEASM 1
71 400-92493 NOZZLEUPSVASM 1
72 400-92494 NOZZLEDOWNCABLEASM 1
73 400-92467 OCCCAMERARCABLEASM 1
74 400-92471 OCCCLIGHTCABLEASM 1
75 400-92472 OCCA1LIGHTCABLEASM 1
76 400-92473 OCCA2LIGHTCABLEASM 1
77 400-92475 EJECTORRELAYCABLEASM 1
78 400-92492 VACUUMSVCABLEASM3020 1
79 400-92493 NOZZLEUPSVASM 1
80 400-92497 NOZZLEDOWNSENSICASM 1
81 400-92495 NOZZLEDOWNSENSLASM 1
82 400-92496 NOZZLEDOWNSENSRASM 1
83 400-47954 ETHERCABLEFEEDERLR-RFASM 1
84 400-47560 FEEDERPCBASM 1
85 400-92611 ETHERCABLEBASEFEEDERASM 1
86 400-71680 BASEIOPCBASM 1
87 400-95125 MTCMTSI/FCABLEASM 1
88 400-95126 MTCMTSI/FBRCABLEASM 1
89 400-95126 MTCMTSI/FBRCABLEASM 1
90 400-92610 ETHERCABLXYBASEASM 1
91 400-95124 XYMTCMTSCABLEASM 1
92 400-97618 XY-RELAYHOD232CRELAYCABLEASM 1
93 400-97623 XY-RELAYHOD232CCABLEASM 1
94 400-97616 XY-RELAYI/OREALYCABLEASM 1
95 400-97619 XY-RELAYOPERATIONRELAYCABLEASM 1
96 400-92581 OPERATIONRLYCABLEFASM 1
97 400-92433 XY-RELAYPWRCABLEASM 1
98 400-97617 XY-RELAYPWRRELAYCABLEASM 1
99 400-97620 XY-RELAYOPERATIONRELAYCABLEASM 1
100 400-92582 OPERATIONRLYCABLERASM 1
101 400-92408 OPERATIONPCBFRONT10ASM 1
102
#01
400-92482 OPERATIONPCBFRONT10ASM(EN) 1
103 400-92481 OPERATIONPCBREAR10ASM 1
104
#01
400-92483 OPERATIONPCBREAR10ASM(EN) 1
105 400-97615 XY-RELAYSENSORRELAYCABLEASM 1
106 400-95134 XY-RELAYSENSORCABLEASM 1
107 400-92477 Y-LMTSENSORASM 1
108 400-92479 Y++LMTSENSORASM 1
109 400-92480 YNEARSENSORASM 1
110 400-92478 Y+LMTSENSORASM 1
111 400-92524 FEEDERDETECTSENSOR(RECEIVING) 1
112 400-92523 FEEDERDETECTSENSOR(EMISSION) 1
113 400-02228 XMINUSLMTSENSORASM 1
114 400-92459 XNEGLMTSENSORRELAYCABLEASM 1
115 400-92450 YBEARCABLESASM 1
116
#02
400-92638 YBEARCABLESASMXL 1
117 400-02227 XPLUSLMTSENSORASM 1
118 400-02229 XORGRANGESENSORASM 1
119 400-92459 XNEGLMTSENSORRELAYCABLEASM 1
120 400-93724 IONIZER 1
121 400-97621 ETHERCABLXYBASERELAYASM 1
122 400-97622 ETHERCABLEMAIN-XYRELAYASM 1
123 400-97422 COPLANARITYSENSOR 1
124 400-97424 COPLAPOWERCABLEASM 1
125 400-97425 COPLAENCODERCABLEASM 1
126 400-95130 MAGNETICSCALEPCBASM 1
127 400-99905 COPLATRGCABLEASM 1
128 400-99904 KEYSWITCHCABLEASM 1
129 400-99907 PILOTLAMPCABLERASM 1
130 400-99906 PILOTLAMPCABLEFASM 1
131 400-99903 PILOTLAMP 2
132 400-99902 KEYSWITCH 1
133
#05
401-13723 CPUBOARD 1