P-254-007 - 第73页
MODEL GXH-1S 1012-005 71 Key No. P AR T No. P AR T NAME Q’ty REMARKS New Code NOTE M-3 4Unit/1Machine 202 6301273624 MOTOR,AC-SER VO 1 -M32 803M--210-002 4M150203 21 1 6301273440 GUIDE,LINEAR 1 803M--210-01 1 222L0704 21…

MODEL GXH-1S
0804-003
70
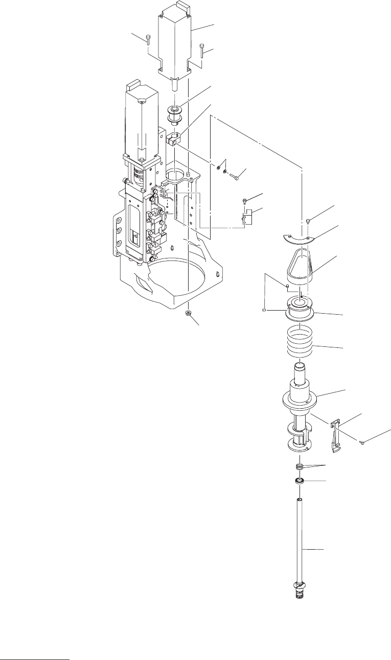
ヘッド部
HEAD SECTION
Fig. M-3
ノズル選択部
Nozzle Selecter
231
226
See Fig.M-4
Key No.310
253
202
221
257
222
217
211
241
251
232
220
247
252
253
254
264
261
.
256
255
244
258
.
262
.
263

MODEL GXH-1S
1012-005
71
Key No. PART No. PART NAME Q’ty REMARKS New Code
NOTE
M-3
4Unit/1Machine
202 6301273624 MOTOR,AC-SERVO 1 -M32 803M--210-002 4M150203
211 6301273440 GUIDE,LINEAR 1 803M--210-011 222L0704
217
6301262703 SPRING,COMP(SPRING,COMP) 1 803M--210-127 222M1306
220 6301271590
PULLEY,TIMING 1 803M--210-020 223Q0563
221
6301275482 PULLEY,TIMING 1 803M--210-021 223Q0565
222
6301250427 BELT,TIMING 1 803M--210-022 223L0269
226
6301475530 BEARING,RADIAL 1 803M--210-026 222D0425
231
6301273877 SEAL 2 803M--210-031 226A0190
232
6300805369 SENSOR,PHOTO 1 -B3101 803M--210-032 23G10059
241
6301507712 ROD 1 803M--210-111 216C0918
244 6301251325 BLOCK 1 803M--210-114 211G3396
247 6301271576 PLATE 1 803M--210-117 211D9619
251 6301297064 BOLT,HEX-SCT 2 803M--210-201 221A0332
252
6300083057 BOLT,HEX-SCT 2 803M--210-202 221A0121
253
6300007466 BOLT,HEX-SCT 2 803M--210-208 221A0001
254
6300081114 BOLT,HEX-SCT 1 M2X8 221A0115
255
6301251615 BOLT,HEX-SCT 1 803M--210-203 221A0321
256
6301251622 BOLT,HEX-SCT 1 803M--210-204 221A0322
257
6300364132 SET SCREW 2 803M--210-205 221C0049
258
4111409608 NUT HEX 2.5 1 M2.5 221F0077
261
4111412608 WASHER SPR 2 1 SW2 221H0277
262
4111416606 WASHER SPR 2.5 1 SW2.5 221H0279
263
4111413803 WASHER V 2.5X6.5X0.5 1 FW2.5 221H0310
264
4111415500 WASHER F 2X4.3X0.3 1 FWS2 221H0334

MODEL GXH-1S
0909-005
72
ヘッド部
HEAD SECTION
Fig. M-4
ヘッド回転部
Head Rotation Section
358
.
362
.
364
360
.
363
.
365
356
.
362
.
364
301
321
312
352
318
352
352
337
352
317
347
342
C
322
346
320
341
329
340
329
3 1 1
354
345
316
338
351
336
307
306
307
339
324
323
359
358
315
331
358
303
A
A
B
C
328
305
309
328
302
B
E
327
354
310
330
351
333
334
D
E
319-01
353
349
348
356
319
See Fig.C-7
Key No.633
See Fig.C-6
Key No.533
or
308
D
326
343
353
325
304