JM-20-Rev09 - 第143页
- - REF.NO NOTE PARTNO DESCRIPTION Qty 1 401-23242 CPUBOARD 1 2 401-37460 E NVIRONMENTSYSTEMDISKASM(JM-20SSDMES) 1 3 400-48031 PANELLINKCABLE1M 1 4 401-36562 CPU-SPIMPSERIALCABLEASM 1 5 40…

- -
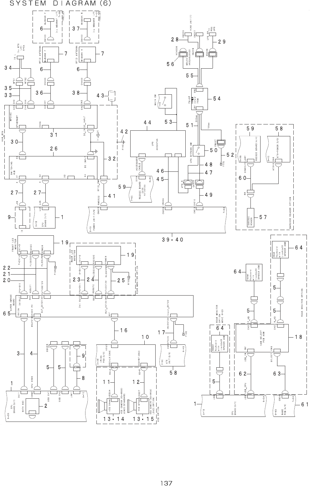
69.SYSTEMDIAGRAM(6)

- -
REF.NO NOTE PARTNO DESCRIPTION Qty
1 401-23242 CPUBOARD 1
2 401-37460 ENVIRONMENTSYSTEMDISKASM(JM-20SSDMES) 1
3 400-48031 PANELLINKCABLE1M 1
4 401-36562 CPU-SPIMPSERIALCABLEASM 1
5 401-22816 USBRELAYCABLE2M 1
6 401-38976 ANTF/RJOINTCABLEASM 1
7 400-73665 ANTENNAARRAY8.5MMPITCH/80POSITION 1
8 HW-0018100-80 LANCABLE 1
9 HK-0651200-80 CONNECTOR 1
10 400-47528 IP-X5PCBASM 1
11 401-36574 VCS(54)CABLEASM 1
12 401-36575 VCS(27)CABLEASM 1
13 400-48028 OCCCAMERA 1
14
#03
400-71668 LENZESTD 1
15
#04
400-71667 LENZEOPT 1
16 E9623-721-000 PORTRAITMONITORCABLE 1
17 401-36565 ATX-SPIMPPWRCABLEASM 1
18 401-41515 USBSELECTPCBASM 1
19 401-58158 15INCHLCDMONITOR 1
20 400-48032 PANELLINKCABLE4.5M 1
21 401-36563 SPIMP-FLCDSERIALCABLEASM 1
22 401-36564 SPIMP-FLCDPWRCABLEASM 1
23 400-48081 PANELLINKCABLE5.0M 1
24 401-36566 SPIMP-RLCDSERIALCABLEASM 1
25 401-36567 SPIMP-RLCDPWRCABLEASM 1
26 400-73033 SWITCHINGHUB 1
27 400-73739 RFIDLANCABLE(4.0M)ASM 1
28 401-36596 MODULARKAPLA 1
29 401-36595 UPSOPGNDCABLEASM 1
30 400-72813 MPCRJ45CABLEASM 1
31 400-73032 4PORTMPC 1
32 400-72814 MPCPOWERCABLEASM 1
33 401-36579 RFIDBRANCH3CBLASM 1
34 401-13668 RFIDMTSI/FCBLASM 1
35 401-36580 RFIDBRANCH4CBLASM 1
36 401-36577 RFIDBRANCH1CBLASM 1
37 401-36610 MIBANKRLYCABLEASM 1
38 401-36578 RFIDBRANCH2CBLASM 1
39
#01
401-37036 POWER_UNIT(ST) 1
40
#02
401-37045 POWER_UNIT(EN) 1
41 401-36581 RFIDPWRCABLEASM 1
42 401-36582 RFIDCONTROLBOXFGCABLEASM 1
43 401-22506 SHIELDINGTUBE 1
44 400-95745 UPS 1
45 401-36589 UPSPWRCABLEASM 1
46 401-36593 UPSPWRRELAYCABLEASM 1
47 401-36592 BYPASSSWRELAYCABLEASM 1
48 401-36587 SW1-4CABLEASM 1
49 401-36591 PWRRLYCABLEASM 1
50 HA-0052900-00 SWITCH 1
51 401-36588 SW2-5CABLEASM 1
52 401-36594 UPSSWFGCABLEASM 1
53 401-36586 UPSSWCABLEASM 1
54 HX-0047900-00 POWERSUPPLY 1
55 401-36590 SWOUTCABLEASM 1
56 HK-0346200-20 2PPLUG 1
57 HX-0061000-00 BARCODEREADER 1
58 400-48006 ATXPSU 1
59 401-35433 8-PORTCOMBOARD 1
60 401-13670 BARCODEREADERCABLEASM 1
61 401-36346 BASEPCBASM 1
62 401-41856 USBCABLE1MA-A 1
63 401-41858 USBSELECTCABLEASM 1
64 401-23194 USBKEYBOARDSPASM 1
65 401-97864 SUPERIMPOSEBOARD 1

- -
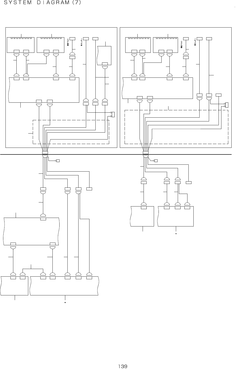
70.SYSTEMDIAGRAM(7)
4 - 4 D
7 - 3 C
F G
C N 4 6 1C N 0 7 1C N 0 7 1
B A N K
B A N K
C N 4 6 3
C N 4 6 2C N 0 6 6C N 0 6 6
C N 0 2 5
C N 0 2 5
7 - 3 A
M I F E E D E R
P C B ( 5 / 5 )
P O W E R U N I T
( 9 / 9 )
C N 4 6 0C N 2 0 5
C N 5
7 - 2 B
D R V P W R
F G
C N 6 3 0
C N 3 0
C N 6 3 4
C N 6 2 7
C N 6 3 3
C N 6 0 1 C N 1
4 - 5 C
C N 5 0 7
J N T F / RC N F / R
C N 6 2 6 C N 2 6
C N 3 4
C N 2 7
C N 3 3
C N 6 4 9 I C
( R E A R )
F E E D E R I / F
P C B ( 2 / 2 )
C N 7 0 1
C N 0 6 5
C N 0 6 5
C N 0 6 7
C N 0 6 7
C N 1
D R V P W R
F G
F G
C N 6C N 2 0 6
C N 4 6 1
D R V P C B ( 2 / 2 )
C N 0 7 0
C N 0 7 0
C N 5 1 0
C N 1 0
C N 5 0 9C N 9
C N 6 3 0C N 3 0
6 - 1 D
B A S E
P C B ( 5 / 5 )
B A N K
B A N K
C N 4 6 3
C N 4 6 2
C N 0 2 4
C N 0 2 4
C N 6 3 4
C N 6 2 7
C N 6 3 3
C N 6 0 1 C N 1
7 - 3 C
5 - 4 A
M I F E E D E R
P C B ( 4 / 5 )
P O W E R U N I T
( 8 / 9 )
C N 4 6 0
C N 2 0 3
C N 2 0 7
C N 0 1 9
C N 3
6 - 3 C
C N 0 1 9
C N 7
4 - 4 C
C N 5 0 7
J N T F / R
C N F / R
C N 6 2 6 C N 2 6
F E E D E R B A N K
P C B
C N 3 4
C N 2 7
C N 3 3
F E E D E R B A N K
P C B
C N 6 4 9
I C
( F R O N T )
F E E D E R I / F
P C B ( 2 / 2 )
R E A R C O N N E C T O R B R A C K E T ( 2 / 2 )
6 - 5 A
6 - 5 A
F G
1 2 3
4 6 8 9
5
7
1 0
1 1
7 2 3
1 2
1 1
1 3 1 4
1 5
1 6
1 81 7
1 9 1 9
F R O N T C O N N E C T O R B R A C K E T ( 2 / 2 )
2 0
2 1
2 2
2 3
2 4
2 5
2 6
1 5
1 7
1 9
1 8
1 9
2 0
2 1
2 2
2 3
1 6
2 4
F E E D E R B A N K
P C B
F E E D E R B A N K
P C B