RX-6_RX-6B_RX-6R-Rev11 - 第135页
- 130 - REF.NO NOTE PART NO D E S C R I P T I O N 品 名 Qty 1 401-72817 TROLLEY_FRAME _ASM トロリーフレーム組 1 2 400-01730 SCALE MARKS SEA L メモリシール (2) 3 WP-0621036 -SP WASHER 平座金 (4) 4 SM-3061052-TN SCREW M6 L=10 丸ねじ M6 L=10 (4) …

- 129 -
65.E REPLACING OVERALL CHANGER TRUCK RF COMPONENTS(2)
電動一括交換台車 RF 関係(2)
49
6
36
7
5
2
35
33
50
38
38
33
35
47
39
47
43
47
47
41
42
45
41
46
2
34
4
3
34
4
3
43
44
44
44
43
44
14
13
12
50
20
21
17
16
52
37
42
43
46
51
49
51
8
10
11
15
18
19
22
23
24
25
26
9
A
A
40
29
27
45
31
32
28
28
30
29
30
17
B
C
C
B
57
57
54
55
56
56
58
59
59
53
66
67
61
62
63
64
60
1
65
68
82
78
77
77
76
83
71
73
70
85
105
108
103
112
110
111
109
107
106
104
D
91
84
89
86
D
95
94
90
93
92
72
74
69
79
75
80
81
48
48
87
88
97
98
E
E
101
101
99
100
102
102
96

- 130 -
REF.NO NOTE PART NO D E S C R I P T I O N
品 名
Qty
1 401-72817 TROLLEY_FRAME_ASM
トロリーフレーム組
1
2 400-01730 SCALE MARKS SEAL
メモリシール
(2)
3 WP-0621036-SP WASHER
平座金
(4)
4 SM-3061052-TN SCREW M6 L=10
丸ねじ M6 L=10
(4)
5 SM-6125052-TR SCREW M12 L=150
六角穴ボルト M12 L=150
(2)
6 401-77434 TROLLEY_UPPER
トロリーアッパー
(1)
7 401-28074 TROLLEY_BOTTBOM
トロリーボトム組
(1)
8 401-27982 CASTER_F
車輪F
(2)
9 SL-6061092-TN SCREW M6 L=10
座金付き六角穴ボルト M6 L=10
(4)
10 WP-0612516-SD WASHER 6.1X15.2X2.5
平座金 6.1X15.2X2.5
(8)
11 WP-0641601-SC WASHER M6
平座金みがき丸 M6
(8)
12 400-23476 FG GUM SHEET
FGゴムシート
(1)
13 WP-0430801-SC WASHER M4
平座金 M4
(1)
14 SL-6040892-TN SCREW M4 L=8
座金付き六角穴ボルト M4 L=8
(1)
15 E1214-726-000 ST CLAMP
スタッカクランプ
(2)
16 401-28100 CASTER_R
車輪R
(2)
17 SM-6060802-TN SCREW
六角穴ボルト
(16)
18 SM-6040502-TN SCREW
六角穴ボルト
(8)
19 400-49671 COVER CUSHION
カバークッション
(2)
20 E2711-721-000 TROLLEY STOPPER
トロリーストッパー
(2)
21 SL-6061092-TN SCREW M6 L=10
座金付き六角穴ボルト M6 L=10
(8)
22 SM-4032001-SC SCREW M3X0.5 L=20
なべ小ねじ M3 L=20
(2)
23 NM-6030001-SC NUT M3X0.5 TYPE1
六角ナット M3X0.5 1種
(4)
24 HX-0029400-00 FIXED BASE
固定ベース
(1)
25 SM-4040601-SC SCREW M4X0.7 L=6
なべ小ねじ M4X0.7 L=6
(1)
26 401-28084 TROLLEY_JOINT_BAR
トロリジョイントバー
(1)
27 WP-0641601-SC WASHER M6
平座金みがき丸 M6
(4)
28 401-28044 TROLLEY_FRAME_BASE_C
トロリフレームベースC
(2)
29 SM-6060802-TN SCREW
六角穴ボルト
(12)
30 WP-0641601-SC WASHER M6
平座金みがき丸 M6
(12)
31 401-28009 TROLLEY_BOTTOM_L
トロリボトムL
(1)
32 401-28010 TROLLEY_BOTTOM_R
トロリボトムR
(1)
33 WP-1052001-SC WASHER 10
平座金みがき丸 M10
(4)
34 400-89239 E_TROLLEY_PLATE
Eトロリープレート
(4)
35 SL-6102042-TN SCREW M10 L=20
座金付き六角穴ボルト M10 L=20
(4)
36 401-75735 TROLLEY_STOPPER_BLOCK_R
トロリーストッパーブロック_R
(1)
37 401-75734 TROLLEY_STOPPER_BLOCK_L
トロリーストッパーブロック_L
(1)
38 SL-6082092-TN SCREW M8 L=20
座金付き六角穴ボルト M8 L=20
(6)
39 401-75714 BANK_PLATE_R
バンクプレート_R
(1)
40 401-75713 BANK_PLATE_L
バンクプレート_L
(1)
41 SM-8060552-TP SCREW M6 L=5
止めねじ
(4)
42 SL-6062592-TN SCREW M6 L=25
座金付き六角穴ボルト M6 L=25
(2)
43 E2703-721-000 TROLLEY SHAFT
トロリーシャフト
(2)
44 SB-8160007-00 LINEAR BEARING
リニア ベアリング
(4)
45 SM-6040602-TN SCREW
六角穴ボルト
(16)
46 400-01748 TROLLEY SUB GUIDE
トロリーサブガイド
(2)
47 401-28047 LINEAR_SHAFT
リニアシャフト
(4)
48 401-28075 TROLLEY_HANDLE_ASM
トロリーハンドル組
2
49 E2641-729-000 HANDLE CLIP
ハンドルグリップ
(1)
50 SM-3081252-TN SCREW M8 L=12
丸ねじ M8 L=12
(3)
51 401-27991 TROLLEY_HANDLE
トロリハンドル
(1)
52 E4981-700-000 LABEL
EPROM用ブランク ラベル
1
53 401-72818 REGURATION_BAR_ASM
レギュレーションバー組
1
54 400-93594 ETF_POSITION_LABEL(40)
ETFポジションラベル(40)
(1)
55 401-75708 REGURATION_BAR
レギュレーションバー
(1)
56 SL-4040891-SC SCREW M4X8
座金付きなべ小ねじ M4 L=8
(4)
57 401-75709 REGURATION_BR
レギュレーションブラケット
(2)
58 E5721-729-000 LABEL
荷重禁止シール
(1)
59 SL-6061092-TN SCREW M6 L=10
座金付き六角穴ボルト M6 L=10
(4)
60 401-72815 E_CONNECTOR_A_ASM
EコネクタA組
1
61 SM-6030802-TN SCREW
六角穴ボルト
(2)
62 HX-0029400-00 FIXED BASE
固定ベース
(1)
63 SM-4040601-SC SCREW M4X0.7 L=6
なべ小ねじ M4X0.7 L=6
(1)
64 SL-6061292-TN SCREW M6 L=12
座金付き六角穴ボルト M6 L=12
(2)
65 HX-0031400-0B SPIRAL TUBE
スパイラル チューブ
(0.7)
66 401-75712 CONNECTOR_A_BR_E
コネクタA_ブラケット_E
(1)
67 401-29249 E BANK SERIAL CABLE ASM
Eバンクシリアルケーブル組
1
68 401-72819 TROLLEY_SAFETY_COVER_ASM
トロリーセーフティカバー組
1
69 401-75721 TROLLEY_SAFETY_COVER_R
トロリーセーフティカバー_R
(1)
70 401-75710 TROLLEY_SAFETY_COVER_L
トロリーセーフティカバー_L
(1)
71 SL-6061092-TN SCREW M6 L=10
座金付き六角穴ボルト M6 L=10
(1)
72 400-94723 TOROLLEY_COV_BR
トロリーカバーブラケット
(1)
73 SL-6061092-TN SCREW M6 L=10
座金付き六角穴ボルト M6 L=10
(2)
74 HX-0033900-0F SPACER
スペーサ
(2)
75 SM-3081252-TN SCREW M8 L=12
丸ねじ M8 L=12
(1)
76 401-28012 CONNECTOR_A_COVER
コネクタAカバー
(1)
77 SM-3040652-TN SCREW M4 L=6
丸ねじ M4 L=6
(5)
78 401-75711 TROLLEY_SAFETY_COVER_R_B
トロリーセーフティカバー_R_B
(1)
79 CM-3002000-03 ATTENTION LABEL
指けが注意シール(31.5)
(1)
80 SL-6061092-TN SCREW M6 L=10
座金付き六角穴ボルト M6 L=10
(2)
81 401-75728 TROLLEY_SAFETY_COVER_R_A
トロリーセーフティカバー_R_A
(1)
82 SL-6040892-TN SCREW M4 L=8
座金付き六角穴ボルト M4 L=8
(2)
83 SL-4040891-SC SCREW M4X8
座金付きなべ小ねじ M4 L=8
(2)
84 401-72821 POWER_SUPPLY_ASM
電源組
1
85 401-75716 POWER_SUPPLY_BRACKET
電源ブラケット
(1)
86 SM-3040652-TN SCREW M4 L=6
丸ねじ M4 L=6
(4)
87 HX-0029400-00 FIXED BASE
固定ベース
(4)
88 SL-4030591-SC SCREW M3 L=5
座金付きなべ小ねじ M3 L=5
(4)
89 HX-0069200-00 POWER SUPPLY
電源
(1)
90 401-75718 POWER_SUPPLY_COVER_A
電源カバーA
(1)
91 SM-3040652-TN SCREW M4 L=6
丸ねじ M4 L=6
(4)
92 401-28082 POWER_SUPPLY_COVER_B
電源カバーB
(1)
93 SM-3040652-TN SCREW M4 L=6
丸ねじ M4 L=6
(3)
94 HX-0029400-00 FIXED BASE
固定ベース
(2)
95 SM-4040601-SC SCREW M4X0.7 L=6
なべ小ねじ M4X0.7 L=6
(2)
96 CM-3001000-04 DANGER LABEL (50)
危険電圧警告シール(50)
(1)
97 HA-0052700-0A CIRCUIT PROTECTOR
サーキットプロテクタ
(1)
98 SL-4030691-SC SCREW M3 L=6
座金付きなべ小ねじ M3 L=6
(2)
99 401-75736 PS_COVER
PSカバー
(1)
100 SL-6040892-TN SCREW M4 L=8
座金付き六角穴ボルト M4 L=8
(3)
101 401-75717 PSB_SUPPORT
PSB_サポート
2
102 SL-6061092-TN SCREW M6 L=10
座金付き六角穴ボルト M6 L=10
8
103 401-72820 TROLLEY_RELAY_ASM
トロリーリレー組
1
104 401-28137 RELAY_BOX
リレーボックス
(1)
105 HX-0029400-00 FIXED BASE
固定ベース
(2)
106 SL-4030591-SC SCREW M3 L=5
座金付きなべ小ねじ M3 L=5
(2)
107 HB-0011000-00 RELAY
リレー
(1)
108 SL-4040891-SC SCREW M4X8
座金付きなべ小ねじ M4 L=8
(2)
109 HB-0017900-00 TIMER
タイマー
(1)
110 HB-0012500-20 RELAY
リレーソケット
(1)
111 SM-4031401-SC SCREW M3X0.5 L=14
なべ小ねじ M3X0.5 L=14
(1)
112 SM-3040652-TN SCREW M4 L=6
丸ねじ M4 L=6
(4)

- 131 -
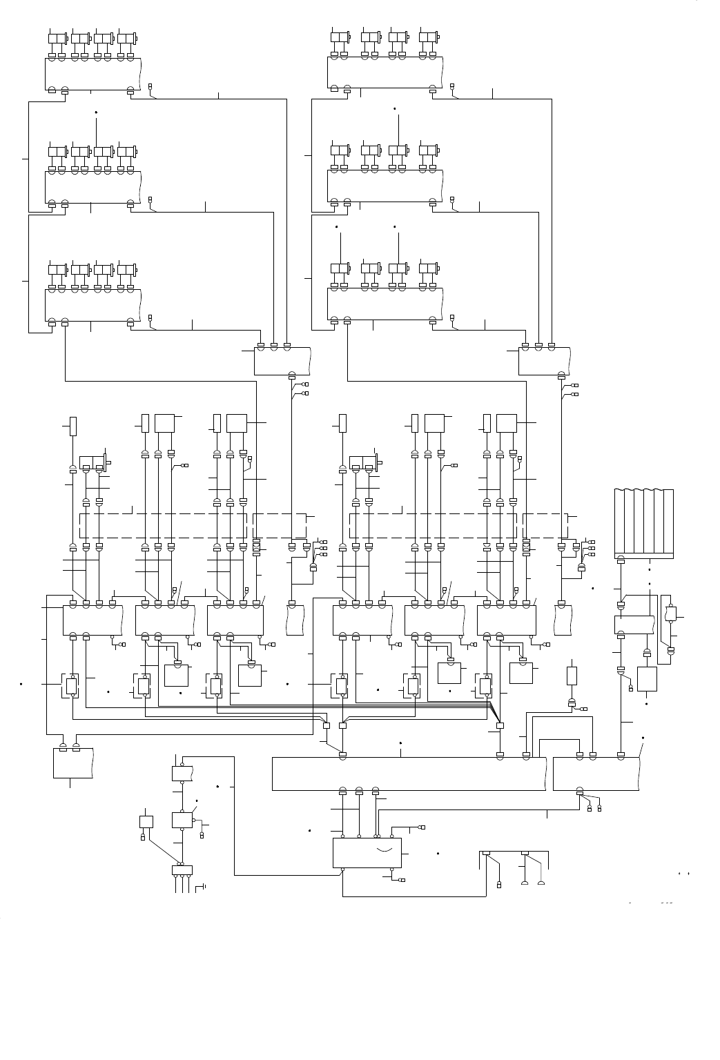
66.SYSTEM DIAGRAM(BASE POWER BLOCK)
SYSTEM DIAGRAM(BASE POWER BLOCK)
FG
FG
FG
FG
(HEAD UNI T)
(HEAD UNIT)
4-2C (MTS IF)
IS
OPTION IFS-NX
(RFID) 5-5C(CN1097)
(CAN) 7-5A(CN1097)
MTS I/F
MTS IF
FX1-CN2
FYL1-CN2
FYR1-CN2
RX2-CN2
RYL2-CN2
RYR2-CN2
CN1B
CN1B
CN0720
CN0722
CN0721
CN0720
CN0722
CN0721
ZCCNP1
ZBCNP1
ZACNP1
ZCCNP1ZBCNP1ZACNP1
CN1A
CN1A
CN07 19
CN07 19
RYR-FG
RYL-FG
RX-FG
FYR-FG
FYL-FG
FX-FG
E
E
2-1B
1-2D
1-2B
1-1D
2-5A
2-2A
2-4B2-4A2-4A
2-2B2-2A2-2A
3-1C
3-1C
3-1B
3-1B
1-3D
CNP1
RC UNIT4
CNP1
RC UNIT3
CNP1
RC
UNIT2
CNP1
RC
UNIT1
CN0044
CN0043
YR-ENC3YR-ENC2
YL-ENC2
YR-ENC3
CP17
(R-YR)
CP16
(R-Y L)
CP15
(R-X)
CP19
(F-YR)
CP18
(F-YL)
NOTE3
NOTE3
NOTE3
NOTE3
NOTE3
NOTE3
CP14
(F-X)
FG
0V
YR-ENC2
YL-ENC2
NOTE1 THIS MCCB'S P/N CHANGES WITH SPECIFICATION
AC400V INPUT : HA00 652000A (20A)
AC200V INPUT : HA00 652000B (40A)
AC400V INPUT SHORT CIRCUIT
BREAKER(OPTION) : HA00654000A (20A)
AC200V INPUT SHORT CIRCUIT
BREAKER(OPTION) : HA00652000B (40A)
NOTE2
( ):PARTS NUMBER FOR EN SPEC
NOTE3
THIS CP'S CABLE ASSEMBLY IS EN ONLY. ST IS DIRECT CONNECTION.
FG
FG
CN0075
CN0073
FG
ELECTRICAL
UNIT
<TOP UNIT>
CN44
FG FG
CN0072
CN0074
CN0071
FG
ELECTRICAL
UNIT
<TOP U NIT>
CN43
FG(HEAD UNIT)FG(HEAD UNIT)FG(HEAD UNIT)
FG(HEAD UNIT)FG(HEAD UNIT)FG(HEAD UNIT)
FG
FG
FG
FG
FG
COVER
MTS PWR
CH2
CH1
POSITION
BOARD
CN2D
CNP2D
CN2C
CNP2C
CN2B
CNP2B
CN1B C N2 A
CNP2A
CNP1
CN1A
CN2D
CNP2D
CN2C
CNP2C
CN2B
CNP2B
CN1B CN2A
CNP2A
CNP1
CN1A
Z5 MOTOR (R)
T5 MOTOR (R)
Z6 MOTOR (R)
T6 MOTOR (R)
ZTC DRIVER(R)ZTB DRIVER(R)
Z1 MO TOR (R)
CN2D
CNP2D
CN2C
CNP2C
CN2B
CNP2B
CN1B CN2A
CNP2A
FG
CN22
CN21
CN20
CN19
ZTA
DRIVER(R)
CNP1
CN1A
XY BEAR
CABLES
ASM1(R)
YR-MTR3
YR-MTR6
Y-MTR
LM-G
YR2-ENC1
YLINEAR
MOTOR(RR)
G
UVW
SCALE
HEAD(RYR)
YR-MTR2
YR-MTR5
YR2-MTR1
YR2-MTR4
YLINEAR
MOTOR(RL)
G
UVW
SCALE
HEAD(RYL)
YL-MTR2 Y-MTR
YL-MTR4 LM-G
YL2-MTR1
YL2-MTR3
YL2-ENC1
X-MTR2
X2- MTR1
X SERVO
MOTOR(R)
X-ENC5
YBEAR
CABLES
ASM(R)
XY BEAR
CABLES ASM1(R)
X-ENC2
SCALE
HEAD (RX)
X2-ENC4
X2-ENC1
CNP3
CN2
CN1B
CN1A
E
CNP2
CNP1
FG
CNP3
CN2
CN1B
CN1A
E
CNP2
CNP1
FG
CNP3
CN2
CN1B
CN1A
E
CNP2
CNP1
FG
YR SERVO
DRIVER(R)
YL SERVO
DRIVER(R)
X SERVO
DRIVER(R)
CN2D
CNP2D
CN2C
CNP2C
CN2B
CNP2B
CN1B CN2A
CNP2A
CNP1
CN1A
CN2D
CNP2D
CN2C
CNP2C
CN2B
CNP2B
CN1B CN2A
CNP2A
CNP1
CN1A
Z5 MOTOR (F)
T5 MOTOR (F)
Z6 MOTOR (F)
T6 MOTOR (F)
ZTC DRIVER(F)
Z3 MOTOR (F)
T3 MOTOR (F)
Z4 MOTOR (F)
T4 MOTOR (F)
ZTB DRIVER(F)
Z1 MOTOR (F)
T1 MOTOR (F)
Z2 MOTOR (F)
T2 MOTOR (F)
CN2D
CNP2D
CN2C
CNP2C
CN2B
CNP2B
CN1B C N2 A
CNP2A
FG FG
FG
CN007 0
XY BEAR
CABLES
ASM1(F)
CN22
CN21
CN20
CN19
HEAD RELAY
PCB(F)
ZTA DRIVER(F)
CNP1
CN1A
YR-MTR3
YR-MTR6
Y-MTR
LM-G
YR1-ENC1
YLINEAR
MOTOR(FR)
G
UVW
SCALE
HEAD(FYR)
YR-MTR2
YR-MTR5
YR1-MTR1
YR1-MTR4
YLINEAR
MOTOR(FL)
G
UVW
SCALE
HEAD(FYL)
YL-MTR2 Y-MTR
YL-MTR4 LM-G
YL1-MTR1
YL1-MTR3
YL1-ENC1
X-MTR2
X1-MTR1
X SERVO
MOTOR(F )
X-ENC5
YBEAR
CABLES
ASM(F)
XY BEAR
CABLES ASM1(F)
X-ENC2
SCALE
HEAD(FX)
X1-ENC4
X1-ENC1
CNP3
CN2
CN1B
CN1A
E
CNP2
CNP1
FG
CNP3
CN2
CN1B
CN1A
E
CNP2
CNP1
FG
CNP3
CN2
CN1B
CN1A
E
CNP2
CNP1
FG
YR SERVO
DRIVER(F)
YL SERVO
DRIVER(F)
X SERVO
DRIVER(F)
TB3
FG
CN0059
CN0057
FG
FG
CN59
CN57
CN0058
CN58
CN0054
CN56
TB1
CN55
INPUT
100V
34V
CN2003
3-1B
FG
VACUUM PUMP
CN54
ELECTRICAL
UNIT
<TOP UNIT>
FG
CN0051
CN51
CN0055
1-2B
TB2
CN52
CN0052
CN0053
CN0056
220V CN53
ELECTRICAL
UNIT
<BOTTOM UNIT>
TRANSFO RMER
CN2002
1-1B
MAIN
SWITCH
FG
CN2001
CN55CN1
CN0 001
CN1
5-1A
1-2D
BATTERY
UNIT
SURGE
PROTECTOR
FG
AC IN
ATX UNIT
FG
INPUT
PE
NOISE FI LTER
MAIN
SWITCH
MCCB
NOTE1
L3
L2
L1
1
102
2
6
8 9
4
5
7
11 12
16
14 15
17
18
19
103 104
10
13
28 29
23
24
27
6
108
109
25
26
20
21
22
41
42
40
39
48
38
31
32
33 34
35
43 44
45
52 53
54
46
58
56
93
51
51
62
96
95
41
41
36
37
50
49
57
55
47
46
63
65
64
56
97 98 97 98
56
97 98 98
97 98 97 98
64
64
66
67
HEAD RELAY
PCB(R)
63
65
66
67
56
56
64
64
64
99
101 99 101
99 101
99 100
98
T4 MOTOR (R)
T3 MOTOR (R)
Z3 MOTOR (R)
Z4 MOTOR (R)
98 98
T1 MOTOR ( R)
41
51
41
51
93
62
41
38
40
39
42
48
60
61 61
83
59
46
56
82
81
46
71
72
77
47
76
59
94
60
68 69
47
87
32
70
73
74
78 79
75
92
89
92
80
91
91
88
92
9191
92
30
85
84
86
96
90
99
10099 100
T2 MOTOR (R)
Z2 MOTOR (R)
NOTE4
(MREV.C)
BATT (MREV.D)
NOTE4
106 107
ATX-13
(MREV.C)
ATX-P1
(MREV.D)
NOTE4
NOTE4
NOTE4
105
NOTE4
3
NOTE4
NOTE4 THES E P /N CHAN GES W ITH
MACHINE REVISION.
"[MREV.C]"
RX-6 M ACHINE
REVISION : BEFORE "C"
"[MREV.D]"
RX-6 M ACHINE
REVISION : "D"
CPCI-CN1(MREV.D) CONTROL UNIT
6SLOT CPCI BACK BOARD
2-1B
5-2C
2-1B
1-1A
3-1B
2-1A
BLANK
IO CONTROL
IP-X11
RS232C BOARD(OP)
POSITION BOARD
CPU BOARD
110 111